Hier vindt u alle beschikbare onderdelen en tekeningen van de 'Bosch 0601120703 ( ELECTRONIC )'. Vanaf hier kunt u direct alle gewenste onderdelen bestellen. Vele onderdelen moeten bij de fabrikant besteld worden, dit duurt afhankelijk van het merk, één tot vier weken. Alle informatie die we hebben, staat op onze website, wij kunnen u geen advies geven over wat u nodig heeft, daarvoor zult u de machine ter reparatie in moeten leveren. Let bij het bestellen op het volgende:
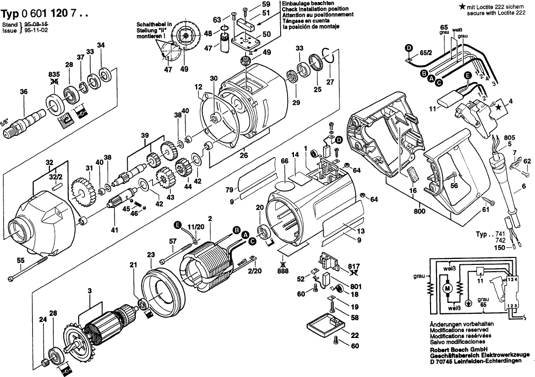
Tekeningen van de Bosch 0601120703 ( ELECTRONIC )
Onderdelen lijst van de Bosch 0601120703 ( ELECTRONIC )
| Pos. | Omschrijving | Prijs excl. BTW | Prijs incl. BTW | |
| Getoonde prijzen zijn inclusief btw | ||||
| MOTORHUIS | ||||
| 1 | 3605108145 | 26.62 | 32.21 | |
| Niet meer leverbaar, geen vervanging | ||||
| 2 | 1604220179 | |||
| KABELSCHOEN | ||||
| 2/20 | 1901350003 | 1.00 | 1.21 | |
| Niet meer leverbaar, geen vervanging | ||||
| 3 | 1604010157 | |||
| Niet meer leverbaar, geen vervanging | ||||
| 4 | 1607200075 | |||
| DOORVOERBUISJE | ||||
| 6 | 3600703011 | 2.52 | 3.05 | |
| KLEMBEVESTIGING | ||||
| 7 | 1601302014 | 2.18 | 2.64 | |
| ZELFKLEVENDE PLAAT | ||||
| 9 | 1601110046 | 1.32 | 1.60 | |
| Niet meer leverbaar, geen vervanging | ||||
| 11 | 1607328024 | |||
| Kabelschoen | ||||
| 11/20 | 1601353003 | 1.18 | 1.43 | |
| AFDICHTPLAAT | ||||
| 12 | 1601015013 | 1.32 | 1.60 | |
| Aanwijzingsplaat | ||||
| 13 | 1601110121 | 0.83 | 1.00 | |
| Niet meer leverbaar, geen vervanging | ||||
| 16 | 1602381001 | |||
| SPIRAALVEER | ||||
| 18 | 1604652006 | 1.32 | 1.60 | |
| ZEKERINGPLAAT | ||||
| 19 | 1601030022 | 1.32 | 1.60 | |
| RUBBEREN BUS | ||||
| 20 | 1600502020 | 2.18 | 2.64 | |
| KOGELLAGER | ||||
| 21 | 2600905032 | 4.58 | 5.54 | |
| AFSLUITDEKSEL | ||||
| 22 | 3605500063 | 3.71 | 4.49 | |
| Luchtgeleidingsring | ||||
| 23 | 1600502015 | 2.24 | 2.71 | |
| Tussenring | ||||
| 24 | 1600202034 | 0.83 | 1.00 | |
| Tussenring | ||||
| 25 | 1600206018 | 1.70 | 2.06 | |
| Niet meer leverbaar, geen vervanging | ||||
| 26 | 1605820214 | |||
| SNAPRING | ||||
| 27 | 2916600018 | 1.32 | 1.60 | |
| Groefkogellager | ||||
| 28 | 1600905003 | 11.88 | 14.37 | |
| Viltschijf | ||||
| 29 | 1600108003 | 0.83 | 1.00 | |
| NAALDLAGER | ||||
| 30 | 2600910001 | 3.71 | 4.49 | |
| RECHT TANDWIEL | ||||
| 31 | 1606317080 | 26.62 | 32.21 | |
| TAATSLAGER | ||||
| 32 | 1605806368 | 82.63 | 99.98 | |
| CILINDRISCHE PEN | ||||
| 32/2 | 2917500121 | 1.00 | 1.21 | |
| Niet meer leverbaar, geen vervanging | ||||
| 33 | 1610500004 | |||
| Viltschijf | ||||
| 34 | 1600108058 | 1.18 | 1.43 | |
| BOORSPIL | ||||
| 36 | 1603523087 | 50.23 | 60.78 | |
| BORGBEUGEL | ||||
| 37 | 2916650006 | 1.32 | 1.60 | |
| COMPENSATIESCHIJF | ||||
| 38 | 1600100631 | 1.32 | 1.60 | |
| Niet meer leverbaar, geen vervanging | ||||
| 39 | 1606309064 | |||
| NAALDHULS | ||||
| 40 | 1600910013 | 5.27 | 6.38 | |
| TANDAS | ||||
| 41 | 1606309063 | 45.52 | 55.08 | |
| COMPENSATIESCHIJF | ||||
| 42 | 1600101647 | 1.90 | 2.30 | |
| RECHT TANDWIEL | ||||
| 43 | 1606317082 | 37.50 | 45.38 | |
| RECHT TANDWIEL | ||||
| 44 | 1606317074 | 30.08 | 36.40 | |
| DRUKVEER | ||||
| 45 | 1604611022 | 1.32 | 1.60 | |
| KOGEL | ||||
| 46 | 1903230009 | 1.00 | 1.21 | |
| SCHAKELAS | ||||
| 47 | 1606325027 | 7.32 | 8.86 | |
| O-RING | ||||
| 48 | 1900210105 | 1.32 | 1.60 | |
| SCHAKELAS | ||||
| 49 | 1606325025 | 2.52 | 3.05 | |
| ARRETEERPLAAT | ||||
| 50 | 1601038025 | 1.32 | 1.60 | |
| SCHAKELHEFBOOM | ||||
| 51 | 1602026044 | 6.53 | 7.90 | |
| Zekeringplaat | ||||
| 52 | 1611331007 | 1.70 | 2.06 | |
| Plaatschroef B4,8x115 MM | ||||
| 55 | 1603435015 | 1.70 | 2.06 | |
| TORX-LENSKOPSCHROEF | ||||
| 56 | 2914201527 | 1.90 | 2.30 | |
| PLAATSCHROEF | ||||
| 57 | 1603435012 | 1.32 | 1.60 | |
| PLAATSCHROEF | ||||
| 58 | 2910211011 | 1.00 | 1.21 | |
| PLAATSCHROEF | ||||
| 59 | 2910211019 | 1.00 | 1.21 | |
| CILINDERKOPSCHROEF | ||||
| 60 | 2910021118 | 1.00 | 1.21 | |
| Plaatschroef DIN 7971-B 3,9x19 | ||||
| 61 | 2910211220 | 1.18 | 1.43 | |
| CILINDERKOPSCHROEF | ||||
| 62 | 2910021116 | 1.90 | 2.30 | |
| Niet meer leverbaar, geen vervanging | ||||
| 63 | 2910511120 | |||
| ZESKANT MOER | ||||
| 64 | 2915011005 | 1.00 | 1.21 | |
| VERBINDINGSLEIDING | ||||
| 65 | 1604445006 | 5.27 | 6.38 | |
| KABELSCHOEN | ||||
| 65/2 | 1901350003 | 1.00 | 1.21 | |
| Niet meer leverbaar, geen vervanging | ||||
| 66 | 2601110041 | |||
| EXTRA HANDGREEP | ||||
| 650 | 3602025021 | 41.30 | 49.97 | |
| EXTRA HANDGREEP | ||||
| 650/1 | 160202509Z | 13.90 | 16.82 | |
| EXTRA HANDGREEP | ||||
| 650/1 | 16020250A1 | 12.21 | 14.77 | |
| Niet meer leverbaar, geen vervanging | ||||
| 650/2 | 1618040077 | |||
| SCHROEFDRAADBOUT | ||||
| 650/3 | 1613521001 | 5.27 | 6.38 | |
| SPANBAND | ||||
| 650/4 | 3601038048 | 15.61 | 18.89 | |
| CILINDRISCHE PEN | ||||
| 650/5 | 1613100012 | 2.18 | 2.64 | |
| GREEPSTANG | ||||
| 650/8 | 3602025022 | 15.61 | 18.89 | |
| Geen informatie beschikbaar, niet bestelbaar | ||||
| 651 | 1608571056 | |||
| BOORHOUDERSLEUTEL | ||||
| 651/8 | 2607950011 | 9.47 | 11.46 | |
| DIEPTEAANSLAG | ||||
| 652 | 1613001008 | 7.32 | 8.86 | |
| Niet meer leverbaar, geen vervanging | ||||
| 800 | 3605133012 | |||
| KOOLBORSTELSET | ||||
| 801 | 1607014126 | 13.90 | 16.82 | |
| LEID VOOR NETAANSLUITING | ||||
| 805 | 1607000227 | 22.88 | 27.68 | |
| BORSTELHOUDER | ||||
| 817 | 1604336017 | 6.53 | 7.90 | |
| BORGRING | ||||
| 835 | 3607030355 | 15.61 | 18.89 | |
| TYPEPLAAT | ||||
| 888 | 160111A3H3 | 2.18 | 2.64 | |