Hier vindt u alle beschikbare onderdelen en tekeningen van de 'Bosch 0611215703 ( GBH2-20REA )'. Vanaf hier kunt u direct alle gewenste onderdelen bestellen. Vele onderdelen moeten bij de fabrikant besteld worden, dit duurt afhankelijk van het merk, één tot vier weken. Alle informatie die we hebben, staat op onze website, wij kunnen u geen advies geven over wat u nodig heeft, daarvoor zult u de machine ter reparatie in moeten leveren. Let bij het bestellen op het volgende:
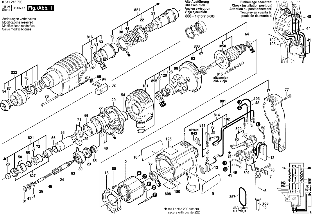
Tekeningen van de Bosch 0611215703 ( GBH2-20REA )
Onderdelen lijst van de Bosch 0611215703 ( GBH2-20REA )
| Pos. | Omschrijving | Prijs excl. BTW | Prijs incl. BTW | |
| Getoonde prijzen zijn inclusief btw | ||||
| Motorhuis BLAUW | ||||
| 1 | 1615108046 | 15.71 | 19.01 | |
| POOLSCHOEN | ||||
| 2 | 2604220429 | 22.88 | 27.68 | |
| VENTILATOR | ||||
| 3/50 | 2606610049 | 1.90 | 2.30 | |
| DOORVOERBUISJE | ||||
| 6 | 2600703011 | 2.52 | 3.05 | |
| LEIDINGHOUDER | ||||
| 7 | 1611035005 | 1.90 | 2.30 | |
| Firmaplaat | ||||
| 9 | 1611110431 | 3.31 | 4.01 | |
| Aanwijzingsplaat | ||||
| 10 | 1611110417 | 1.70 | 2.06 | |
| ONTSTORINGSFILTER | ||||
| 12 | 2607329096 | 6.53 | 7.90 | |
| Niet meer leverbaar, geen vervanging | ||||
| 17 | 1615132034 | |||
| LUCHTGELEIDINGSRING | ||||
| 18 | 1610522008 | 1.00 | 1.21 | |
| TUSSENFLENS | ||||
| 20 | 1615700037 | 41.30 | 49.97 | |
| ARRASTEERHULS | ||||
| 21 | 1616490058 | 234.56 | 283.82 | |
| RECHT TANDWIEL | ||||
| 22 | 1616320007 | 6.53 | 7.90 | |
| Niet meer leverbaar, geen vervanging | ||||
| 23 | 1616320002 | |||
| TANDAS | ||||
| 24 | 1613060010 | 55.56 | 67.23 | |
| HAMERZUIGER | ||||
| 26 | 1618700052 | 11.02 | 13.33 | |
| SLAGBOUT | ||||
| 28 | 1613124026 | 2.52 | 3.05 | |
| ZUIGERPEN | ||||
| 29 | 1613105012 | 3.04 | 3.68 | |
| AANDRIJFLAGER | ||||
| 30 | 1615819005 | 30.08 | 36.40 | |
| LAGERSCHIJF | ||||
| 31 | 1610100003 | 1.32 | 1.60 | |
| KNEVELGREEP | ||||
| 32 | 1612026023 | 2.18 | 2.64 | |
| VEILIGHEIDSDOP | ||||
| 34 | 1610508008 | 1.90 | 2.30 | |
| RUBBERSLUITRING | ||||
| 35 | 1610206021 | 1.32 | 1.60 | |
| DEMPINGSBUS | ||||
| 37 | 1610390011 | 3.04 | 3.68 | |
| STEUNSCHIJF | ||||
| 38 | 1610102022 | 1.90 | 2.30 | |
| CILINDRISCHE PEN | ||||
| 39 | 1613100013 | 1.90 | 2.30 | |
| BORGVEER | ||||
| 40 | 1614690001 | 1.00 | 1.21 | |
| ROLLENKRANS | ||||
| 41 | 1610920003 | 3.71 | 4.49 | |
| DRUKVEER | ||||
| 44 | 1614633001 | 1.90 | 2.30 | |
| DRUKVEER | ||||
| 45 | 1614614001 | 1.00 | 1.21 | |
| Verbindingsleiding L=90 MM WIT | ||||
| 48 | 1614431023 | 1.70 | 2.06 | |
| ELEKTRISCHE LEIDING | ||||
| 49 | 2604448005 | 1.32 | 1.60 | |
| Elektrische Leiding | ||||
| 50 | 2604448003 | 1.70 | 2.06 | |
| O-RING | ||||
| 54 | 1610210068 | 1.32 | 1.60 | |
| AFDICHTRING | ||||
| 55 | 1610206023 | 2.52 | 3.05 | |
| O-RING | ||||
| 56 | 1610210070 | 2.18 | 2.64 | |
| O-RING | ||||
| 58 | 1610210058 | 2.18 | 2.64 | |
| O-RING | ||||
| 59 | 1610210069 | 1.00 | 1.21 | |
| O-RING | ||||
| 60 | 1610210073 | 1.90 | 2.30 | |
| RADIAALE ASAFDICHTRING | ||||
| 61 | 1610283017 | 6.53 | 7.90 | |
| GLIJLAGER | ||||
| 62 | 1610202026 | 4.58 | 5.54 | |
| GROEFKOGELLAGER | ||||
| 63 | 1610905048 | 7.32 | 8.86 | |
| Niet meer leverbaar, geen vervanging | ||||
| 65 | 1900900228 | |||
| LAGERBUS | ||||
| 66 | 1610301000 | 2.18 | 2.64 | |
| Niet meer leverbaar, geen vervanging | ||||
| 67 | 1610910064 | |||
| KOGEL | ||||
| 70 | 1903230013 | 1.90 | 2.30 | |
| AFSTANDSSCHIJF | ||||
| 71 | 1610101011 | 1.32 | 1.60 | |
| SNAPRING | ||||
| 72 | 2916540018 | 3.04 | 3.68 | |
| SNAPRING | ||||
| 73 | 1614601009 | 1.00 | 1.21 | |
| Plaatschroef B 4,8x112,5 MM | ||||
| 76 | 1613435003 | 1.70 | 2.06 | |
| PLAATSCHROEF | ||||
| 77 | 2910211021 | 1.32 | 1.60 | |
| PLAATSCHROEF | ||||
| 78 | 1603435050 | 1.32 | 1.60 | |
| PLAATSCHROEF | ||||
| 79 | 2910211005 | 1.00 | 1.21 | |
| Plaatschroef DIN 7971-B 2,9x13 | ||||
| 79 | 2910211206 | 0.83 | 1.00 | |
| KRUISKOPSCHROEF | ||||
| 80 | 2603435015 | 1.90 | 2.30 | |
| CILINDERKOPSCHROEF | ||||
| 81 | 2603410001 | 1.32 | 1.60 | |
| KOGEL | ||||
| 83 | 1903230309 | 1.32 | 1.60 | |
| SNAPRING | ||||
| 87 | 160460102S | 1.00 | 1.21 | |
| SCHAKELAAR | ||||
| 90 | 1617200042 | 13.90 | 16.82 | |
| Carterdeksel ZWART | ||||
| 93 | 1615500270 | 7.58 | 9.17 | |
| AANSLAGBOUT | ||||
| 94 | 1613120017 | 1.32 | 1.60 | |
| Radiaale Asafdichtring | ||||
| 97 | 1610290008 | 1.94 | 2.35 | |
| Ventilator | ||||
| 98 | 1616610069 | 13.93 | 16.86 | |
| Zuigbuis | ||||
| 99 | 1610712038 | 8.45 | 10.22 | |
| STOFZAK | ||||
| 100/10 | 2605411034 | 26.84 | 32.48 | |
| GEREEDSCHAPSKLEM | ||||
| 100/20 | 1612386001 | 2.52 | 3.05 | |
| Aansluitstuk | ||||
| 100/30 | 1610499011 | 1.94 | 2.35 | |
| Afdichtschijf | ||||
| 100/40 | 1610121001 | 1.18 | 1.43 | |
| O-RING | ||||
| 100/50 | 1610210109 | 3.71 | 4.49 | |
| Tussenbehuizing | ||||
| 101 | 1615190012 | 15.71 | 19.01 | |
| ONTSTORINGSFILTER | ||||
| 102 | 2604465097 | 5.27 | 6.38 | |
| VERBINDINGSLEIDING | ||||
| 103 | 1614448017 | 1.90 | 2.30 | |
| EXTRA HANDGREEP | ||||
| 120 | 160202507H | 9.47 | 11.46 | |
| EXTRA HANDGREEP | ||||
| 120 | 1612025019 | 5.96 | 7.21 | |
| GEREEDSCHAPSKLEM | ||||
| 121 | 1618040048 | 7.32 | 8.86 | |
| HAMERSCHROEF | ||||
| 122 | 1613490002 | 3.71 | 4.49 | |
| SPANBAND | ||||
| 123 | 1611316006 | 2.18 | 2.64 | |
| Aanwijzingsplaat | ||||
| 125 | 1611110438 | 0.83 | 1.00 | |
| Afdichtschijf | ||||
| 128 | 1610290009 | 12.41 | 15.02 | |
| AFDICHTSCHIJF | ||||
| 129 | 2916130027 | 2.52 | 3.05 | |
| AFSLUITSTOP | ||||
| 653 | 1610591008 | 3.04 | 3.68 | |
| Afdichtring 13,0x4,0 MM | ||||
| 653/20 | 2600210025 | 0.83 | 1.00 | |
| Draagbak | ||||
| 691 | 1615438146 | 0.83 | 1.00 | |
| Geen informatie beschikbaar, niet bestelbaar | ||||
| 700 | 1617000132 | |||
| VERZONKEN SCHROEF | ||||
| 700/20 | 2603421226 | 1.32 | 1.60 | |
| BOORKLAUW | ||||
| 701 | 1608571088 | 26.62 | 32.21 | |
| BOORHOUDERSLEUTEL | ||||
| 701/7 | 2607950007 | 5.96 | 7.21 | |
| Niet meer leverbaar, geen vervanging | ||||
| 710 | 1615411002 | |||
| Niet meer leverbaar, geen vervanging | ||||
| 711 | 1617000133 | |||
| SNAPRING | ||||
| 711/10/2 | 2604601004 | 1.32 | 1.60 | |
| Niet meer leverbaar, geen vervanging | ||||
| 711/20 | 1608521004 | |||
| Niet meer leverbaar, geen vervanging | ||||
| 711/30 | 2607000248 | |||
| Niet meer leverbaar, geen vervanging | ||||
| 711/40 | 1608511020 | |||
| EXTRA HANDGREEP | ||||
| 720 | 2602025070 | 12.21 | 14.77 | |
| ONDERDELENSET | ||||
| 720/8 | 1617000925 | 13.90 | 16.82 | |
| DIEPTEAANSLAG | ||||
| 751 | 1613001009 | 3.04 | 3.68 | |
| Papieren Zak 10 STUKS | ||||
| 752 | 1615411003 | 0.83 | 1.00 | |
| Afzuigvoorziening | ||||
| 796 | 1607000263 | 0.83 | 1.00 | |
| Niet meer leverbaar, geen vervanging | ||||
| 801 | 1615108045 | |||
| Anker 220-230V | ||||
| 803 | 1614010060 | 148.65 | 179.87 | |
| Niet meer leverbaar, geen vervanging | ||||
| 804 | 1617000915 | |||
| LEID VOOR NETAANSLUITING | ||||
| 805 | 1607000227 | 22.88 | 27.68 | |
| TYPEPLAAT | ||||
| 808 | 160111A3H3 | 2.18 | 2.64 | |
| KOOLBORSTEL | ||||
| 811 | 1617014114 | 8.48 | 10.26 | |
| ONDERDELENSET | ||||
| 814 | 1617000136 | 15.61 | 18.89 | |
| TRANSMISSIEHUIS | ||||
| 816 | 1615806077 | 45.52 | 55.08 | |
| ARRASTEERHULS | ||||
| 821 | 1617000931 | 304.15 | 368.02 | |
| SLAGBLOK | ||||
| 827 | 1617000338 | 26.62 | 32.21 | |
| BESCHERMHULS | ||||
| 833 | 1617000163 | 6.53 | 7.90 | |
| Niet meer leverbaar, geen vervanging | ||||
| 843 | 2601015047 | |||
| O-RING | ||||
| 857 | 1610210084 | 1.32 | 1.60 | |
| GROEFKOGELLAGER | ||||
| 864 | 1610905025 | 5.96 | 7.21 | |
| Ombouwset 110-240V | ||||
| 890 | 1617000134 | 91.56 | 110.79 | |
| Niet meer leverbaar, geen vervanging | ||||
| 895 | 1617000167 | |||