Hier vindt u alle beschikbare onderdelen en tekeningen van de 'Bosch 0611234008 ( GBH2-20S )'. Vanaf hier kunt u direct alle gewenste onderdelen bestellen. Vele onderdelen moeten bij de fabrikant besteld worden, dit duurt afhankelijk van het merk, één tot vier weken. Alle informatie die we hebben, staat op onze website, wij kunnen u geen advies geven over wat u nodig heeft, daarvoor zult u de machine ter reparatie in moeten leveren. Let bij het bestellen op het volgende:
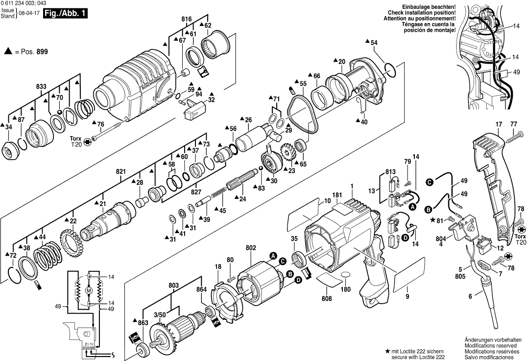
Tekeningen van de Bosch 0611234008 ( GBH2-20S )
Onderdelen lijst van de Bosch 0611234008 ( GBH2-20S )
| Pos. | Omschrijving | Prijs excl. BTW | Prijs incl. BTW | |
| Getoonde prijzen zijn inclusief btw | ||||
| MOTORHUIS | ||||
| 1 | 1615108112 | 10.68 | 12.92 | |
| VENTILATOR | ||||
| 3/50 | 1616610072 | 1.90 | 2.30 | |
| AAN/UIT-SCHAKELAAR | ||||
| 4 | 1617200047 | 20.39 | 24.67 | |
| DOORVOERBUISJE | ||||
| 6 | 2600703018 | 2.18 | 2.64 | |
| LEIDINGHOUDER | ||||
| 7 | 1611035005 | 1.90 | 2.30 | |
| Firmaplaat | ||||
| 9 | 1611110838 | 1.18 | 1.43 | |
| Firmaplaat | ||||
| 10 | 1611110838 | 1.18 | 1.43 | |
| Niet meer leverbaar, geen vervanging | ||||
| 12 | 1617328025 | |||
| BORSTELHOUDER | ||||
| 13 | 1617000343 | 9.47 | 11.46 | |
| ONTSTORINGSFILTER | ||||
| 14 | 1614465008 | 6.53 | 7.90 | |
| Carterdeksel BLAUW | ||||
| 17 | 1615132065 | 4.10 | 4.96 | |
| LUCHTGELEIDINGSRING | ||||
| 18 | 1610522008 | 1.00 | 1.21 | |
| TUSSENFLENS | ||||
| 20 | 1615700037 | 41.30 | 49.97 | |
| ARRASTEERHULS | ||||
| 21 | 1616490058 | 234.56 | 283.82 | |
| RECHT TANDWIEL | ||||
| 22 | 1616320007 | 6.53 | 7.90 | |
| Niet meer leverbaar, geen vervanging | ||||
| 23 | 1616320002 | |||
| TANDAS | ||||
| 24 | 1613060010 | 55.56 | 67.23 | |
| HAMERZUIGER | ||||
| 26 | 1618700052 | 11.02 | 13.33 | |
| SLAGBOUT | ||||
| 28 | 1613124026 | 2.52 | 3.05 | |
| ZUIGERPEN | ||||
| 29 | 1613105012 | 3.04 | 3.68 | |
| AANDRIJFLAGER | ||||
| 30 | 1615819005 | 30.08 | 36.40 | |
| LAGERSCHIJF | ||||
| 31 | 1610100003 | 1.32 | 1.60 | |
| KNEVELGREEP | ||||
| 32 | 1612026023 | 2.18 | 2.64 | |
| VEILIGHEIDSDOP | ||||
| 34 | 1610508008 | 1.90 | 2.30 | |
| RUBBERSLUITRING | ||||
| 35 | 1610206021 | 1.32 | 1.60 | |
| DEMPINGSBUS | ||||
| 37 | 1610390011 | 3.04 | 3.68 | |
| STEUNSCHIJF | ||||
| 38 | 1610102022 | 1.90 | 2.30 | |
| CILINDRISCHE PEN | ||||
| 39 | 1613100013 | 1.90 | 2.30 | |
| BORGVEER | ||||
| 40 | 1614690001 | 1.00 | 1.21 | |
| ROLLENKRANS | ||||
| 41 | 1610920003 | 3.71 | 4.49 | |
| DRUKVEER | ||||
| 44 | 1614633001 | 1.90 | 2.30 | |
| DRUKVEER | ||||
| 45 | 1614614001 | 1.00 | 1.21 | |
| ELEKTRISCHE LEIDING | ||||
| 49 | 2604448005 | 1.32 | 1.60 | |
| O-RING | ||||
| 54 | 1610210068 | 1.32 | 1.60 | |
| AFDICHTRING | ||||
| 55 | 1610206023 | 2.52 | 3.05 | |
| O-RING | ||||
| 56 | 1610210070 | 2.18 | 2.64 | |
| O-RING | ||||
| 58 | 1610210058 | 2.18 | 2.64 | |
| O-RING | ||||
| 59 | 1610210069 | 1.00 | 1.21 | |
| O-RING | ||||
| 60 | 1610210073 | 1.90 | 2.30 | |
| RADIAALE ASAFDICHTRING | ||||
| 61 | 1610283017 | 6.53 | 7.90 | |
| GLIJLAGER | ||||
| 62 | 1610202026 | 4.58 | 5.54 | |
| Niet meer leverbaar, geen vervanging | ||||
| 65 | 1900900228 | |||
| LAGERBUS | ||||
| 66 | 1610301000 | 2.18 | 2.64 | |
| Niet meer leverbaar, geen vervanging | ||||
| 67 | 1610910064 | |||
| KOGEL | ||||
| 70 | 1903230013 | 1.90 | 2.30 | |
| AFSTANDSSCHIJF | ||||
| 71 | 1610101011 | 1.32 | 1.60 | |
| SNAPRING | ||||
| 72 | 2916540018 | 3.04 | 3.68 | |
| SNAPRING | ||||
| 73 | 1614601009 | 1.00 | 1.21 | |
| PLAATSCHROEF | ||||
| 76 | 1613435009 | 1.32 | 1.60 | |
| Plaatschroef | ||||
| 77 | 1603435051 | 1.70 | 2.06 | |
| PLAATSCHROEF | ||||
| 78 | 1603435050 | 1.32 | 1.60 | |
| PLAATSCHROEF | ||||
| 79 | 2910211005 | 1.00 | 1.21 | |
| KRUISKOPSCHROEF | ||||
| 80 | 2603435015 | 1.90 | 2.30 | |
| CILINDERKOPSCHROEF | ||||
| 81 | 2603410001 | 1.32 | 1.60 | |
| KOGEL | ||||
| 83 | 1903230309 | 1.32 | 1.60 | |
| SNAPRING | ||||
| 87 | 160460102S | 1.00 | 1.21 | |
| AANSLAGBOUT | ||||
| 94 | 1613120017 | 1.32 | 1.60 | |
| BOORHOUDERSCHACHT | ||||
| 700 | 1617000154 | 30.08 | 36.40 | |
| VERZONKEN SCHROEF | ||||
| 700/20 | 2603421226 | 1.32 | 1.60 | |
| BOORKLAUW | ||||
| 701 | 1608571088 | 26.62 | 32.21 | |
| BOORHOUDERSLEUTEL | ||||
| 701/700 | 2607950007 | 5.96 | 7.21 | |
| Niet meer leverbaar, geen vervanging | ||||
| 711 | 1617000133 | |||
| SNAPRING | ||||
| 711/10/2 | 2604601004 | 1.32 | 1.60 | |
| Niet meer leverbaar, geen vervanging | ||||
| 711/20 | 1608521004 | |||
| Niet meer leverbaar, geen vervanging | ||||
| 711/30 | 2607000248 | |||
| Niet meer leverbaar, geen vervanging | ||||
| 711/40 | 1608511020 | |||
| Draagbak | ||||
| 791 | 1615438146 | 0.83 | 1.00 | |
| POOLSCHOEN | ||||
| 802 | 2604220429 | 22.88 | 27.68 | |
| ANKER 220-240V | ||||
| 803 | 1614010052 | 55.25 | 66.85 | |
| LEID VOOR NETAANSLUITING | ||||
| 805 | 1614460026 | 15.61 | 18.89 | |
| TYPEPLAAT | ||||
| 808 | 160111A3H5 | 2.18 | 2.64 | |
| KOOLBORSTELSET | ||||
| 813 | 1617014132 | 10.68 | 12.92 | |
| TRANSMISSIEHUIS | ||||
| 816 | 1615806077 | 45.52 | 55.08 | |
| Arrasteerhuls SDS-PLUS | ||||
| 821 | 1617000812 | 91.56 | 110.79 | |
| EXTRA HANDGREEP | ||||
| 822 | 2602025118 | 12.21 | 14.77 | |
| EXTRA HANDGREEP | ||||
| 822/120 | 1612025019 | 5.96 | 7.21 | |
| SPANBAND | ||||
| 822/124 | 1611316006 | 2.18 | 2.64 | |
| HAMERSCHROEF | ||||
| 822/125 | 1613490002 | 3.71 | 4.49 | |
| GEREEDSCHAPSKLEM | ||||
| 822/802 | 2608040176 | 5.96 | 7.21 | |
| SLAGBLOK | ||||
| 827 | 1617000338 | 26.62 | 32.21 | |
| BESCHERMHULS | ||||
| 833 | 1617000163 | 6.53 | 7.90 | |
| GROEFKOGELLAGER | ||||
| 863 | 1610905048 | 7.32 | 8.86 | |
| GROEFKOGELLAGER | ||||
| 864 | 1610905025 | 5.96 | 7.21 | |
| DIEPTEAANSLAG | ||||
| 879 | 1613001009 | 3.04 | 3.68 | |
| SLAGMECHANISME | ||||
| 899 | 1617000353 | 75.38 | 91.21 | |