Hier vindt u alle beschikbare onderdelen en tekeningen van de 'Bosch 0611218703 ( GBH2-24DSR )'. Vanaf hier kunt u direct alle gewenste onderdelen bestellen. Vele onderdelen moeten bij de fabrikant besteld worden, dit duurt afhankelijk van het merk, één tot vier weken. Alle informatie die we hebben, staat op onze website, wij kunnen u geen advies geven over wat u nodig heeft, daarvoor zult u de machine ter reparatie in moeten leveren. Let bij het bestellen op het volgende:
Tekeningen van de Bosch 0611218703 ( GBH2-24DSR )
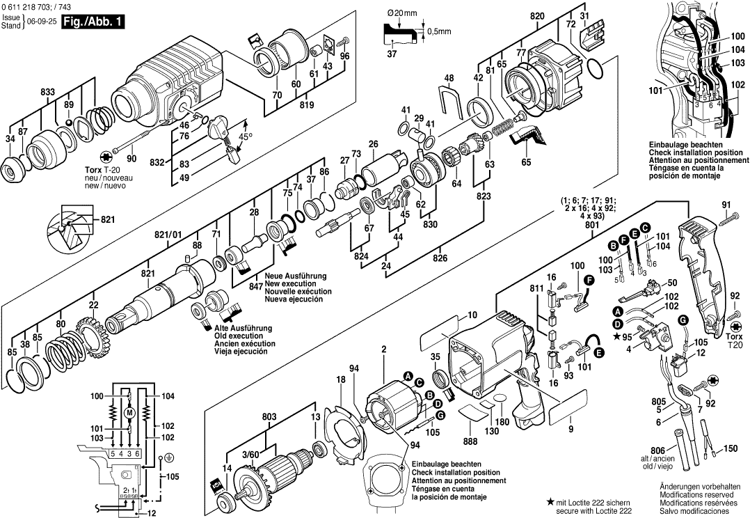
Onderdelen lijst van de Bosch 0611218703 ( GBH2-24DSR )
| Pos. | Omschrijving | Prijs excl. BTW | Prijs incl. BTW | |
| Getoonde prijzen zijn inclusief btw | ||||
| POOLSCHOEN | ||||
| 2 | 1604220254 | 20.39 | 24.67 | |
| VENTILATOR | ||||
| 3/60 | 1616610072 | 1.90 | 2.30 | |
| Niet meer leverbaar, geen vervanging | ||||
| 4 | 2607200209 | |||
| DOORVOERBUISJE | ||||
| 6 | 2600703017 | 2.18 | 2.64 | |
| DOORVOERBUISJE | ||||
| 6 | 2600703018 | 2.18 | 2.64 | |
| LEIDINGHOUDER | ||||
| 7 | 1611035005 | 1.90 | 2.30 | |
| FIRMAPLAAT | ||||
| 9 | 1611110X36 | 2.18 | 2.64 | |
| Aanwijzingsplaat | ||||
| 10 | 1611110569 | 1.94 | 2.35 | |
| ONTSTORINGSFILTER | ||||
| 12 | 1607328040 | 5.96 | 7.21 | |
| GROEFKOGELLAGER | ||||
| 13 | 1610905025 | 5.96 | 7.21 | |
| GROEFKOGELLAGER | ||||
| 14 | 1610905048 | 7.32 | 8.86 | |
| BORSTELHOUDER | ||||
| 16 | 2604337016 | 1.00 | 1.21 | |
| Niet meer leverbaar, geen vervanging | ||||
| 18 | 1610522009 | |||
| RECHT TANDWIEL | ||||
| 22 | 1616317602 | 10.68 | 12.92 | |
| Tandas | ||||
| 24 | 1617000518 | 36.85 | 44.59 | |
| Niet meer leverbaar, geen vervanging | ||||
| 26 | 1618700062 | |||
| SLAGBLOK | ||||
| 27 | 1618710057 | 13.90 | 16.82 | |
| SLAGBOUT | ||||
| 28 | 1613124040 | 4.58 | 5.54 | |
| ZUIGERPEN | ||||
| 29 | 1613105012 | 3.04 | 3.68 | |
| BESCHERMROOSTER | ||||
| 31 | 1615510003 | 2.18 | 2.64 | |
| VEILIGHEIDSDOP | ||||
| 34 | 1610508008 | 1.90 | 2.30 | |
| RUBBERSLUITRING | ||||
| 35 | 1610206021 | 1.32 | 1.60 | |
| DEMPINGSBUS | ||||
| 37 | 1610390017 | 4.58 | 5.54 | |
| Niet meer leverbaar, geen vervanging | ||||
| 38 | 1610102026 | |||
| AFSTANDSSCHIJF | ||||
| 41 | 1610101011 | 1.32 | 1.60 | |
| GLIJLAGER | ||||
| 42 | 1610202015 | 2.52 | 3.05 | |
| ZEKERINGPLAAT | ||||
| 43 | 1611098005 | 2.52 | 3.05 | |
| SCHAKELSTUK | ||||
| 44 | 1615820092 | 2.18 | 2.64 | |
| SCHAKELVEER | ||||
| 45 | 1614651014 | 1.32 | 1.60 | |
| AANDRIJFPEN | ||||
| 46 | 1614690002 | 1.32 | 1.60 | |
| BEVESTIGINGSPLAAT | ||||
| 48 | 1611016003 | 1.90 | 2.30 | |
| SCHAKELAARKNOP | ||||
| 49 | 1612026035 | 1.32 | 1.60 | |
| OVERSCHAKELAAR | ||||
| 50 | 2607200231 | 13.90 | 16.82 | |
| NAALDLAGER | ||||
| 60 | 1610910073 | 9.47 | 11.46 | |
| NAALDHULS | ||||
| 61 | 1610910098 | 3.04 | 3.68 | |
| NAALDHULS | ||||
| 62 | 1610910074 | 3.04 | 3.68 | |
| Niet meer leverbaar, geen vervanging | ||||
| 63 | 1610910064 | |||
| NAALDKRANS | ||||
| 64 | 1610913010 | 3.71 | 4.49 | |
| GLIJLAGER | ||||
| 65 | 1610591016 | 2.52 | 3.05 | |
| GROEFKOGELLAGER | ||||
| 67 | 1610905016 | 8.48 | 10.26 | |
| ASAFDICHTRING | ||||
| 70 | 1610283019 | 6.53 | 7.90 | |
| AFSTRIJKER | ||||
| 71 | 1610290029 | 3.04 | 3.68 | |
| O-RING | ||||
| 72 | 1610210068 | 1.32 | 1.60 | |
| O-RING | ||||
| 73 | 1610210187 | 1.90 | 2.30 | |
| O-RING | ||||
| 74 | 1610210104 | 2.18 | 2.64 | |
| O-RING | ||||
| 75 | 1610210105 | 3.71 | 4.49 | |
| O-RING | ||||
| 76 | 1610210046 | 1.90 | 2.30 | |
| O-RING | ||||
| 77 | 1610210106 | 2.18 | 2.64 | |
| DRUKVEER | ||||
| 80 | 1614634005 | 1.32 | 1.60 | |
| DRUKVEER | ||||
| 81 | 1614611009 | 1.32 | 1.60 | |
| DRUKVEER | ||||
| 83 | 1614611006 | 3.04 | 3.68 | |
| SNAPRING | ||||
| 85 | 1614601011 | 1.32 | 1.60 | |
| SNAPRING | ||||
| 86 | 1614601024 | 1.32 | 1.60 | |
| SNAPRING | ||||
| 87 | 160460102S | 1.00 | 1.21 | |
| ROL | ||||
| 88 | 1613200007 | 1.32 | 1.60 | |
| KOGEL | ||||
| 89 | 1903230013 | 1.90 | 2.30 | |
| PLAATSCHROEF | ||||
| 90 | 1603435036 | 1.32 | 1.60 | |
| Plaatschroef BZ 4,8x78 MM | ||||
| 90 | 1603435019 | 1.18 | 1.43 | |
| Plaatschroef | ||||
| 91 | 1603435051 | 1.70 | 2.06 | |
| PLAATSCHROEF | ||||
| 92 | 1603435050 | 1.32 | 1.60 | |
| PLAATSCHROEF | ||||
| 93 | 2910211005 | 1.00 | 1.21 | |
| KRUISKOPSCHROEF | ||||
| 94 | 2603435015 | 1.90 | 2.30 | |
| CILINDERKOPSCHROEF | ||||
| 95 | 2603410001 | 1.32 | 1.60 | |
| PLAATSCHROEF | ||||
| 96 | 2912401018 | 1.00 | 1.21 | |
| ONTSTORINGSFILTER | ||||
| 100 | 2604465086 | 5.27 | 6.38 | |
| ONTSTORINGSFILTER | ||||
| 101 | 2604465097 | 5.27 | 6.38 | |
| ELEKTRISCHE LEIDING | ||||
| 102 | 2604448005 | 1.32 | 1.60 | |
| VERBINDINGSLEIDING | ||||
| 103 | 1614448017 | 1.90 | 2.30 | |
| Verbindingsleiding L=90 MM WIT | ||||
| 104 | 1614431023 | 1.70 | 2.06 | |
| Niet meer leverbaar, geen vervanging | ||||
| 105 | 1614449010 | |||
| EXTRA HANDGREEP | ||||
| 120 | 1612025019 | 5.96 | 7.21 | |
| GEREEDSCHAPSKLEM | ||||
| 121 | 1618040048 | 7.32 | 8.86 | |
| HAMERSCHROEF | ||||
| 122 | 1613490002 | 3.71 | 4.49 | |
| SPANBAND | ||||
| 123 | 1611316006 | 2.18 | 2.64 | |
| Niet meer leverbaar, geen vervanging | ||||
| 130 | 1601110265 | |||
| BOORHOUDERSCHACHT | ||||
| 700 | 1617000154 | 30.08 | 36.40 | |
| VERZONKEN SCHROEF | ||||
| 700/20 | 2603421226 | 1.32 | 1.60 | |
| BOORKLAUW | ||||
| 701 | 1608571088 | 26.62 | 32.21 | |
| BOORHOUDERSLEUTEL | ||||
| 701/700 | 2607950007 | 5.96 | 7.21 | |
| Niet meer leverbaar, geen vervanging | ||||
| 711 | 1617000133 | |||
| SNAPRING | ||||
| 711/10/2 | 2604601004 | 1.32 | 1.60 | |
| EXTRA HANDGREEP | ||||
| 720 | 2602025070 | 12.21 | 14.77 | |
| DIEPTEAANSLAG | ||||
| 724 | 1613001009 | 3.04 | 3.68 | |
| Geen informatie beschikbaar, niet bestelbaar | ||||
| 750 | 2605438294 | |||
| Geen informatie beschikbaar, niet bestelbaar | ||||
| 755 | 1618580000 | |||
| MOTORHUIS | ||||
| 801 | 1615108062 | 26.62 | 32.21 | |
| Niet meer leverbaar, geen vervanging | ||||
| 803 | 1614010173 | |||
| LEID VOOR NETAANSLUITING | ||||
| 805 | 1614460026 | 15.61 | 18.89 | |
| DOORVOERBUISJE | ||||
| 806 | 2600703011 | 2.52 | 3.05 | |
| DOORVOERBUISJE | ||||
| 806 | 2600703013 | 2.18 | 2.64 | |
| KOOLBORSTEL | ||||
| 811 | 1617014114 | 8.48 | 10.26 | |
| Carterdeksel BLAUW | ||||
| 817 | 1615132047 | 4.70 | 5.69 | |
| TRANSMISSIEHUIS | ||||
| 819 | 1615806093 | 50.23 | 60.78 | |
| TUSSENFLENS | ||||
| 820 | 1617000981 | 26.62 | 32.21 | |
| ARRASTEERHULS | ||||
| 821 | 1616490061 | 61.93 | 74.94 | |
| ARRASTEERHULS | ||||
| 821/01 | 1616490060 | 82.63 | 99.98 | |
| Tandhuls | ||||
| 823 | 1616328042 | 36.85 | 44.59 | |
| Tandas | ||||
| 826 | 1617000517 | 73.72 | 89.20 | |
| Aandrijflager | ||||
| 830 | 1615819018 | 55.25 | 66.85 | |
| KNEVELGREEP | ||||
| 832 | 1612026037 | 8.48 | 10.26 | |
| BESCHERMHULS | ||||
| 833 | 1617000163 | 6.53 | 7.90 | |
| GELEIDERING | ||||
| 847 | 1617000348 | 12.21 | 14.77 | |
| Groefkogelaxiaallager | ||||
| 865 | 1610920007 | 3.31 | 4.01 | |
| TYPEPLAAT | ||||
| 888 | 160111A3H5 | 2.18 | 2.64 | |