Hier vindt u alle beschikbare onderdelen en tekeningen van de 'Bosch 0611246708 ( GBH24VFR )'. Vanaf hier kunt u direct alle gewenste onderdelen bestellen. Vele onderdelen moeten bij de fabrikant besteld worden, dit duurt afhankelijk van het merk, één tot vier weken. Alle informatie die we hebben, staat op onze website, wij kunnen u geen advies geven over wat u nodig heeft, daarvoor zult u de machine ter reparatie in moeten leveren. Let bij het bestellen op het volgende:
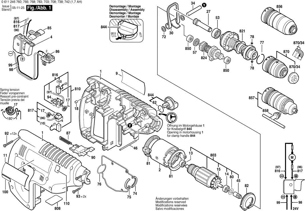
Tekeningen van de Bosch 0611246708 ( GBH24VFR )
Onderdelen lijst van de Bosch 0611246708 ( GBH24VFR )
| Pos. | Omschrijving | Prijs excl. BTW | Prijs incl. BTW | |
| Getoonde prijzen zijn inclusief btw | ||||
| Behuizingsschaal BLAUW | ||||
| 1 | 1615104011 | 40.61 | 49.14 | |
| POOLFRAME | ||||
| 2 | 2610942109 | 20.39 | 24.67 | |
| Niet meer leverbaar, geen vervanging | ||||
| 4 | 1617200067 | |||
| Niet meer leverbaar, geen vervanging | ||||
| 9 | 1611110A35 | |||
| Aanwijzingsplaat | ||||
| 11 | 1611110A36 | 3.31 | 4.01 | |
| GROEFKOGELLAGER | ||||
| 13 | 1600905033 | 6.53 | 7.90 | |
| Niet meer leverbaar, geen vervanging | ||||
| 14 | 2600905052 | |||
| Ventilator | ||||
| 15 | 1616610080 | 4.10 | 4.96 | |
| SPIRAALVEER | ||||
| 17 | 1604652013 | 1.32 | 1.60 | |
| DEMPINGSRUBBER | ||||
| 18 | 2603100056 | 1.32 | 1.60 | |
| Slagblok | ||||
| 27 | 1618710076 | 4.70 | 5.69 | |
| Niet meer leverbaar, geen vervanging | ||||
| 30 | 1611911000 | |||
| Lagerpen | ||||
| 34 | 1613100021 | 0.83 | 1.00 | |
| Aandrijftandwiel Z=9 | ||||
| 45 | 1616316602 | 13.93 | 16.86 | |
| CILINDRISCHE PEN | ||||
| 46 | 1613160022 | 1.00 | 1.21 | |
| NAALDHULS | ||||
| 53 | 1610910077 | 3.71 | 4.49 | |
| CILINDERAXIAALLAGER | ||||
| 57 | 1610920009 | 2.18 | 2.64 | |
| O-RING | ||||
| 62 | 1610210125 | 1.00 | 1.21 | |
| AFSTANDSSCHIJF | ||||
| 72 | 1610100007 | 1.00 | 1.21 | |
| AFDICHTFRAME | ||||
| 74 | 1611015045 | 4.58 | 5.54 | |
| AFDICHTFRAME | ||||
| 75 | 1611015041 | 1.00 | 1.21 | |
| AFDICHTRING | ||||
| 76 | 1610210138 | 1.00 | 1.21 | |
| SNAPRING | ||||
| 77 | 1614601026 | 1.32 | 1.60 | |
| KOGEL | ||||
| 78 | 1903230010 | 1.00 | 1.21 | |
| Geen informatie beschikbaar, niet bestelbaar | ||||
| 80 | 1610100008 | |||
| CENTREERRING | ||||
| 81 | 1610290043 | 1.90 | 2.30 | |
| Luchtgeleidingsring | ||||
| 82 | 1610591017 | 3.31 | 4.01 | |
| SCHUIFSCHAKELAAR | ||||
| 85 | 1613231006 | 1.00 | 1.21 | |
| Niet meer leverbaar, geen vervanging | ||||
| 86 | 1609280157 | |||
| Drukveer | ||||
| 87 | 1614611012 | 4.70 | 5.69 | |
| Vergrendelingsschuif | ||||
| 90 | 1613231007 | 1.18 | 1.43 | |
| PLAATSCHROEF | ||||
| 92 | 2912401021 | 1.00 | 1.21 | |
| PLAATSCHROEF | ||||
| 93 | 2912401019 | 1.00 | 1.21 | |
| PLAATSCHROEF | ||||
| 94 | 2912401005 | 1.00 | 1.21 | |
| Geen informatie beschikbaar, niet bestelbaar | ||||
| 98 | 1614416012 | |||
| Geen informatie beschikbaar, niet bestelbaar | ||||
| 99 | 1614416011 | |||
| Niet meer leverbaar, geen vervanging | ||||
| 100 | 1611110914 | |||
| EXTRA HANDGREEP | ||||
| 120 | 1612025019 | 5.96 | 7.21 | |
| Gereedschapsklem Ø43 MM | ||||
| 121 | 1618040067 | 5.83 | 7.05 | |
| HAMERSCHROEF | ||||
| 122 | 1613490002 | 3.71 | 4.49 | |
| SPANBAND | ||||
| 123 | 1611316006 | 2.18 | 2.64 | |
| DIEPTEAANSLAG | ||||
| 652 | 1613001009 | 3.04 | 3.68 | |
| Accu 24V, 1,7Ah, NiCd | ||||
| 653 | 2607335163 | 304.19 | 368.07 | |
| SNELLADER | ||||
| 654 | 2607225027 | 126.98 | 153.65 | |
| VEILIGHEIDSDOP | ||||
| 655 | 1610508032 | 1.90 | 2.30 | |
| VETBUIS | ||||
| 661 | 1615430010 | 5.96 | 7.21 | |
| ANKER | ||||
| 803 | 1617000319 | 82.63 | 99.98 | |
| TYPEPLAAT | ||||
| 808 | 160111A3H5 | 2.18 | 2.64 | |
| Niet meer leverbaar, geen vervanging | ||||
| 810 | 1617014131 | |||
| Niet meer leverbaar, geen vervanging | ||||
| 816 | 1617000379 | |||
| Niet meer leverbaar, geen vervanging | ||||
| 817 | 1617000380 | |||
| Extra Handgreep Ø43 MM | ||||
| 820 | 1612025049 | 7.58 | 9.17 | |
| HAMBERBUIS | ||||
| 821 | 1617000387 | 81.47 | 98.58 | |
| TUSSENAS | ||||
| 824 | 1617000314 | 37.50 | 45.38 | |
| Niet meer leverbaar, geen vervanging | ||||
| 844 | 1617000322 | |||
| LAGERBUS | ||||
| 850 | 1617000975 | 5.27 | 6.38 | |
| SNELSPANBOORHOUDER | ||||
| 856 | 1617000332 | 102.63 | 124.18 | |
| TANDKRANSBOORHOUDER | ||||
| 857 | 1618571029 | 67.98 | 82.26 | |
| BOORHOUDERSLEUTEL | ||||
| 858 | 2607950007 | 5.96 | 7.21 | |
| Niet meer leverbaar, geen vervanging | ||||
| 870 | 1617000327 | |||
| VEILIGHEIDSDOP | ||||
| 870/34 | 1610508047 | 1.90 | 2.30 | |