Hier vindt u alle beschikbare onderdelen en tekeningen van de 'Bosch 0601168568 ( GBM10-2RE )'. Vanaf hier kunt u direct alle gewenste onderdelen bestellen. Vele onderdelen moeten bij de fabrikant besteld worden, dit duurt afhankelijk van het merk, één tot vier weken. Alle informatie die we hebben, staat op onze website, wij kunnen u geen advies geven over wat u nodig heeft, daarvoor zult u de machine ter reparatie in moeten leveren. Let bij het bestellen op het volgende:
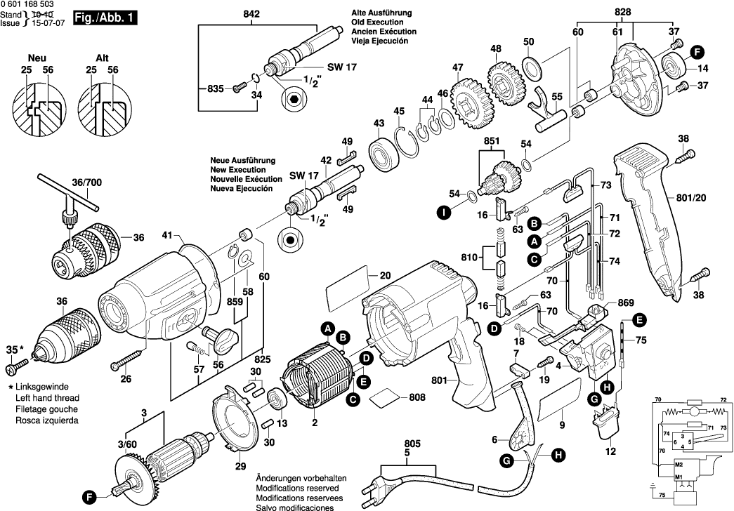
Tekeningen van de Bosch 0601168568 ( GBM10-2RE )
Onderdelen lijst van de Bosch 0601168568 ( GBM10-2RE )
| Pos. | Omschrijving | Prijs excl. BTW | Prijs incl. BTW | |
| Getoonde prijzen zijn inclusief btw | ||||
| POOLSCHOEN | ||||
| 2 | 2604220392 | 22.88 | 27.68 | |
| ANKER | ||||
| 3 | 2604010854 | 50.23 | 60.78 | |
| VENTILATOR | ||||
| 3/60 | 2606610027 | 2.52 | 3.05 | |
| Niet meer leverbaar, geen vervanging | ||||
| 4 | 2607200209 | |||
| DOORVOERBUISJE | ||||
| 6 | 2600703012 | 2.52 | 3.05 | |
| LEIDINGHOUDER | ||||
| 7 | 2601035001 | 1.32 | 1.60 | |
| FIRMAPLAAT | ||||
| 9 | 2601116662 | 3.71 | 4.49 | |
| Niet meer leverbaar, geen vervanging | ||||
| 12 | 2607329114 | |||
| KOGELLAGER | ||||
| 13 | 1900905018 | 15.61 | 18.89 | |
| KOGELLAGER | ||||
| 14 | 2600905095 | 10.68 | 12.92 | |
| BORSTELHOUDER | ||||
| 16 | 2604337003 | 1.90 | 2.30 | |
| CILINDERKOPSCHROEF | ||||
| 18 | 2603410001 | 1.32 | 1.60 | |
| SCHROEF | ||||
| 19 | 2603490022 | 1.00 | 1.21 | |
| AANWIJZINGSPLAAT | ||||
| 20 | 9920490115 | 3.04 | 3.68 | |
| TORX-LENSKOPSCHROEF | ||||
| 26 | 2603490025 | 1.00 | 1.21 | |
| AFDEKSCHIJF | ||||
| 29 | 3600590505 | 1.32 | 1.60 | |
| Rubberbuffer | ||||
| 30 | 3602391503 | 1.70 | 2.06 | |
| SNAPRING | ||||
| 34 | 2604601004 | 1.32 | 1.60 | |
| Verzonken Schroef M6x20 MM LINKSE SCHROEFDRAAD | ||||
| 35 | 2603421211 | 1.70 | 2.06 | |
| SNELSPANBOORHOUDER | ||||
| 36 | 2608572196 | 50.23 | 60.78 | |
| SCHROEFDRVOERINGSSCHROEF | ||||
| 37 | 2603410048 | 1.32 | 1.60 | |
| TORX-LENSKOPSCHROEF | ||||
| 38 | 2603490023 | 1.00 | 1.21 | |
| PLATTE AFDICHTRING | ||||
| 41 | 2601015012 | 1.32 | 1.60 | |
| BOORSPIL 1/2", SW 17 | ||||
| 42 | 2606135011 | 26.84 | 32.48 | |
| KOGELLAGER | ||||
| 43 | 1900905110 | 8.48 | 10.26 | |
| BORGBEUGEL | ||||
| 44 | 2916650006 | 1.32 | 1.60 | |
| BORGBEUGEL | ||||
| 45 | 2916660013 | 1.90 | 2.30 | |
| COMPENSATIESCHIJF | ||||
| 46 | 2600100695 | 1.32 | 1.60 | |
| RECHT TANDWIEL | ||||
| 47 | 2606316316 | 26.62 | 32.21 | |
| RECHT TANDWIEL | ||||
| 48 | 2606316317 | 22.88 | 27.68 | |
| PLATTE SPIE | ||||
| 49 | 2602300033 | 5.27 | 6.38 | |
| COMPENSATIESCHIJF | ||||
| 50 | 2600101668 | 2.52 | 3.05 | |
| COMPENSATIESCHIJF | ||||
| 54 | 2600100607 | 1.32 | 1.60 | |
| Niet meer leverbaar, geen vervanging | ||||
| 55 | 2602033007 | |||
| Draaiknop | ||||
| 56 | 2602026006 | 3.31 | 4.01 | |
| ARRETEERKAP | ||||
| 57 | 2600590006 | 1.32 | 1.60 | |
| AFSTANDSSCHIJF | ||||
| 58 | 2600100618 | 1.00 | 1.21 | |
| NAALDLAGER | ||||
| 60 | 2600914010 | 2.52 | 3.05 | |
| Borgpen | ||||
| 61 | 2603105043 | 1.18 | 1.43 | |
| TORX-LENSKOPSCHROEF | ||||
| 63 | 2603490017 | 1.90 | 2.30 | |
| ELEKTRISCHE LEIDING | ||||
| 70 | 2604448005 | 1.32 | 1.60 | |
| VERBINDINGSKABEL | ||||
| 71 | 2604448074 | 1.90 | 2.30 | |
| VERBINDINGSKABEL | ||||
| 72 | 2604448100 | 1.00 | 1.21 | |
| ONTSTORINGSFILTER | ||||
| 73 | 2604465086 | 5.27 | 6.38 | |
| ONTSTORINGSFILTER | ||||
| 74 | 2604465097 | 5.27 | 6.38 | |
| AARDLEIDING | ||||
| 75 | 2604448097 | 1.32 | 1.60 | |
| BEHUIZINGSSET | ||||
| 801 | 3605108576 | 12.21 | 14.77 | |
| CARTERDEKSEL | ||||
| 801/20 | 3605133521 | 7.32 | 8.86 | |
| LEID VOOR NETAANSLUITING | ||||
| 805 | 1607000385 | 12.21 | 14.77 | |
| TYPEPLAAT | ||||
| 808 | 160111A3H3 | 2.18 | 2.64 | |
| KOOLBORSTELSET | ||||
| 810 | 2604321905 | 9.47 | 11.46 | |
| Transmissiehuis ZWART | ||||
| 825 | 2605806997 | 49.56 | 59.97 | |
| Tussenflens | ||||
| 828 | 2605700940 | 23.75 | 28.74 | |
| Niet meer leverbaar, geen vervanging | ||||
| 835 | 2603421213 | |||
| BOORSPIL | ||||
| 842 | 2606135943 | 18.19 | 22.01 | |
| Tandas Z=29/18/11 | ||||
| 851 | 2606308915 | 36.85 | 44.59 | |
| BORGRING | ||||
| 859 | 2916080007 | 2.18 | 2.64 | |
| OVERSCHAKELAAR | ||||
| 869 | 2607200231 | 13.90 | 16.82 | |