Hier vindt u alle beschikbare onderdelen en tekeningen van de 'Bosch 0601938667 ( GBM9,6VES-2 )'. Vanaf hier kunt u direct alle gewenste onderdelen bestellen. Vele onderdelen moeten bij de fabrikant besteld worden, dit duurt afhankelijk van het merk, één tot vier weken. Alle informatie die we hebben, staat op onze website, wij kunnen u geen advies geven over wat u nodig heeft, daarvoor zult u de machine ter reparatie in moeten leveren. Let bij het bestellen op het volgende:
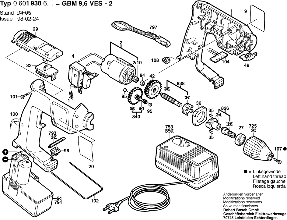
Tekeningen van de Bosch 0601938667 ( GBM9,6VES-2 )
Onderdelen lijst van de Bosch 0601938667 ( GBM9,6VES-2 )
| Pos. | Omschrijving | Prijs excl. BTW | Prijs incl. BTW | |
| Getoonde prijzen zijn inclusief btw | ||||
| Behuizingsschaal BLAUW | ||||
| 1 | 2605104497 | 12.41 | 15.02 | |
| Gelijkstroommotor 9,6-12V | ||||
| 2 | 2607022928 | 36.85 | 44.59 | |
| RONDSEL | ||||
| 2/10 | 2606316112 | 3.71 | 4.49 | |
| Niet meer leverbaar, geen vervanging | ||||
| 4 | 2607200309 | |||
| Firmaplaat ZONZIJDE | ||||
| 9 | 2601118760 | 2.71 | 3.28 | |
| Aanwijzingsplaat SCHADUWZIJDE | ||||
| 20 | 2601118761 | 2.71 | 3.28 | |
| GROEFKOGELLAGER | ||||
| 27 | 1900905127 | 26.62 | 32.21 | |
| Inzetstuk ZWART | ||||
| 29 | 2605510136 | 2.24 | 2.71 | |
| Stelschuif ZWART | ||||
| 32 | 2601099056 | 1.18 | 1.43 | |
| Rol | ||||
| 35 | 2602329024 | 1.18 | 1.43 | |
| Borgring | ||||
| 36 | 2600202025 | 4.70 | 5.69 | |
| TANDWIELSET | ||||
| 42 | 1609340007 | 12.21 | 14.77 | |
| INZETSTUK | ||||
| 49 | 2605510117 | 1.32 | 1.60 | |
| SINTERBUS | ||||
| 94 | 2600301011 | 1.32 | 1.60 | |
| Niet meer leverbaar, geen vervanging | ||||
| 95 | 2600302013 | |||
| Houder | ||||
| 96 | 2608040131 | 1.70 | 2.06 | |
| KLEMVEER | ||||
| 100 | 2601322016 | 1.90 | 2.30 | |
| SCHROEF | ||||
| 101 | 2603490022 | 1.00 | 1.21 | |
| BEVESTIGINGSBEUGEL | ||||
| 102 | 2601329041 | 1.32 | 1.60 | |
| CONTACTHOUDER | ||||
| 104 | 2608018004 | 5.27 | 6.38 | |
| VERZONKEN SCHROEF | ||||
| 107 | 2609110721 | 1.90 | 2.30 | |
| HOUDER | ||||
| 108 | 2602180001 | 1.00 | 1.21 | |
| SNELSPANBOORHOUDER | ||||
| 725 | 2608572214 | 45.52 | 55.08 | |
| SNELLADER EU 230/7,2-24V, 1h | ||||
| 753 | 2607224425 | 130.32 | 157.69 | |
| SNELLADER EU 230/7,2-14,4V, 30 MIN. | ||||
| 753 | 2607224701 | 101.94 | 123.35 | |
| Akku 9,6V, 1,5 Ah, NiCd | ||||
| 791 | 2607336143 | 101.94 | 123.35 | |
| SCHROEVENDR. BIT | ||||
| 793 | 2608521018 | 3.71 | 4.49 | |
| Niet meer leverbaar, geen vervanging | ||||
| 797 | 2601398009 | |||
| BOORSPIL 3/8" | ||||
| 826 | 2606135917 | 15.71 | 19.01 | |
| Spieas | ||||
| 838 | 2606309914 | 8.45 | 10.22 | |
| Tandas Z=10/19/81 | ||||
| 840 | 1609340005 | 12.41 | 15.02 | |
| Geen informatie beschikbaar, niet bestelbaar | ||||
| 899 | 0601938627 | |||