Hier vindt u alle beschikbare onderdelen en tekeningen van de 'Bosch 0601552003 ( GDC42W )'. Vanaf hier kunt u direct alle gewenste onderdelen bestellen. Vele onderdelen moeten bij de fabrikant besteld worden, dit duurt afhankelijk van het merk, één tot vier weken. Alle informatie die we hebben, staat op onze website, wij kunnen u geen advies geven over wat u nodig heeft, daarvoor zult u de machine ter reparatie in moeten leveren. Let bij het bestellen op het volgende:
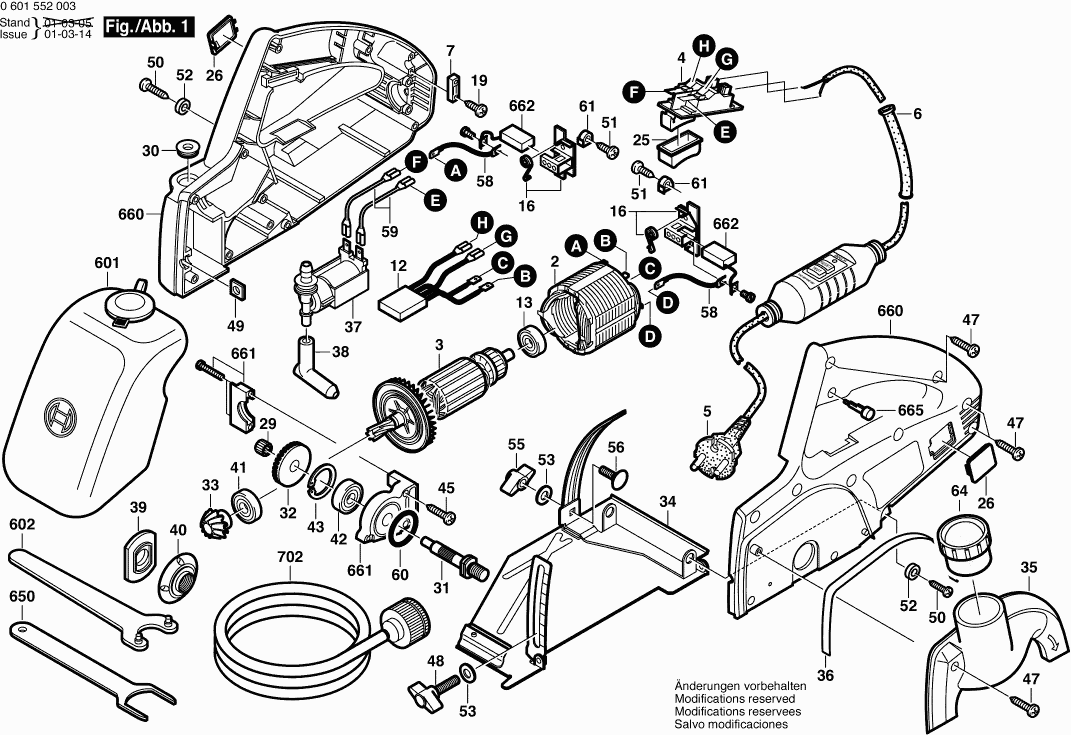
Tekeningen van de Bosch 0601552003 ( GDC42W )
Onderdelen lijst van de Bosch 0601552003 ( GDC42W )
| Pos. | Omschrijving | Prijs excl. BTW | Prijs incl. BTW | |
| Getoonde prijzen zijn inclusief btw | ||||
| POOLSCHOEN | ||||
| 2 | 3604220092 | 33.33 | 40.33 | |
| Anker 220-240V | ||||
| 3 | F000605000 | 81.47 | 98.58 | |
| Aan/Uit-Schakelaar | ||||
| 4 | F000600562 | 20.42 | 24.71 | |
| Leid Voor Netaansluiting | ||||
| 5 | F000608001 | 113.29 | 137.08 | |
| DOORVOERBUISJE | ||||
| 6 | 2600703011 | 2.52 | 3.05 | |
| LEIDINGHOUDER | ||||
| 7 | 2601035001 | 1.32 | 1.60 | |
| Niet meer leverbaar, geen vervanging | ||||
| 12 | F000608007 | |||
| GROEFKOGELLAGER | ||||
| 13 | 9618089547 | 10.68 | 12.92 | |
| Borstelhouder | ||||
| 16 | F000600307 | 1.70 | 2.06 | |
| PLAATSCHROEF | ||||
| 19 | 9618087099 | 1.32 | 1.60 | |
| Geen informatie beschikbaar, niet bestelbaar | ||||
| 25 | 9618089343 | |||
| Borsteldeksel | ||||
| 26 | 9618089345 | 1.94 | 2.35 | |
| NAALDHULS | ||||
| 29 | 1600910018 | 4.58 | 5.54 | |
| Afdichtschijf | ||||
| 30 | 9618089846 | 1.70 | 2.06 | |
| BOORSPIL | ||||
| 31 | 9618089346 | 12.41 | 15.02 | |
| Kroonwiel | ||||
| 32 | F000617000 | 36.85 | 44.59 | |
| Kegelwiel | ||||
| 33 | F000618000 | 18.19 | 22.01 | |
| Basisplaat | ||||
| 34 | F000600283 | 13.93 | 16.86 | |
| Veiligheidsdeksel | ||||
| 35 | F000600284 | 5.33 | 6.45 | |
| Geen informatie beschikbaar, niet bestelbaar | ||||
| 36 | 9618089352 | |||
| Onderdelenset | ||||
| 37 | 9618089848 | 10.73 | 12.98 | |
| Verloopstekker | ||||
| 38 | 9618089849 | 1.94 | 2.35 | |
| Steunschijf | ||||
| 39 | F000613003 | 5.33 | 6.45 | |
| RONDE MOER | ||||
| 40 | F000616000 | 7.32 | 8.86 | |
| Groefkogellager | ||||
| 41 | 9618089544 | 9.53 | 11.53 | |
| GROEFKOGELLAGER | ||||
| 42 | 1600905006 | 10.68 | 12.92 | |
| BORGBEUGEL | ||||
| 43 | 2916660013 | 1.90 | 2.30 | |
| Geen informatie beschikbaar, niet bestelbaar | ||||
| 45 | 9618087101 | |||
| PLAATSCHROEF | ||||
| 47 | 9618087099 | 1.32 | 1.60 | |
| Vleugelschroef | ||||
| 48 | F000600559 | 1.94 | 2.35 | |
| Vierkantmoer | ||||
| 49 | 2915120006 | 1.18 | 1.43 | |
| SCHROEFDRVOERINGSSCHROEF | ||||
| 50 | 9618089885 | 1.00 | 1.21 | |
| Onderdelenset | ||||
| 51 | F000600540 | 1.18 | 1.43 | |
| Geen informatie beschikbaar, niet bestelbaar | ||||
| 52 | 9618089353 | |||
| ONDERLEGSCHIJF | ||||
| 53 | 2916011013 | 1.00 | 1.21 | |
| ZESKANT MOER | ||||
| 55 | 2610387875 | 2.18 | 2.64 | |
| Platkopschroef M6x16 MM | ||||
| 56 | 1603434003 | 0.83 | 1.00 | |
| Leid Voor Netaansluiting | ||||
| 58 | 9618089858 | 2.24 | 2.71 | |
| Leid Voor Netaansluiting | ||||
| 59 | 9618089859 | 2.24 | 2.71 | |
| O-RING | ||||
| 60 | 1900210130 | 3.04 | 3.68 | |
| Splitpen | ||||
| 61 | F000600538 | 1.18 | 1.43 | |
| Luchtinlaatdeksel | ||||
| 64 | F000603000 | 3.31 | 4.01 | |
| Niet meer leverbaar, geen vervanging | ||||
| 601 | 9618089852 | |||
| TWEEGATMOERSLEUTEL | ||||
| 602 | 1607950052 | 3.04 | 3.68 | |
| Niet meer leverbaar, geen vervanging | ||||
| 650 | 9618089854 | |||
| Niet meer leverbaar, geen vervanging | ||||
| 660 | F000600299 | |||
| Onderdelenset | ||||
| 661 | F000600300 | 15.71 | 19.01 | |
| KOOLBORSTELSET | ||||
| 662 | 9618086921 | 12.21 | 14.77 | |
| Onderdelenset | ||||
| 665 | F000600907 | 23.75 | 28.74 | |
| ONDERDELENSET | ||||
| 702 | 9618089316 | 6.53 | 7.90 | |