Hier vindt u alle beschikbare onderdelen en tekeningen van de 'Bosch 0601192803 ( GSB20-2RET )'. Vanaf hier kunt u direct alle gewenste onderdelen bestellen. Vele onderdelen moeten bij de fabrikant besteld worden, dit duurt afhankelijk van het merk, één tot vier weken. Alle informatie die we hebben, staat op onze website, wij kunnen u geen advies geven over wat u nodig heeft, daarvoor zult u de machine ter reparatie in moeten leveren. Let bij het bestellen op het volgende:
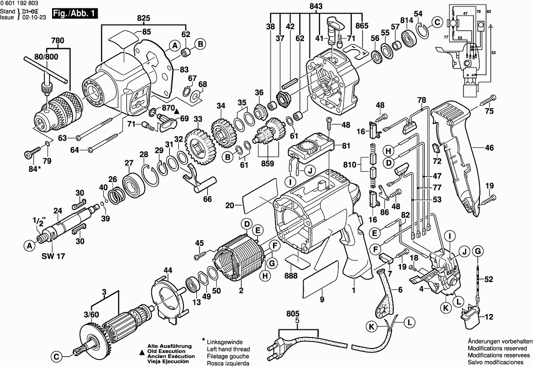
Tekeningen van de Bosch 0601192803 ( GSB20-2RET )
Onderdelen lijst van de Bosch 0601192803 ( GSB20-2RET )
| Pos. | Omschrijving | Prijs excl. BTW | Prijs incl. BTW | |
| Getoonde prijzen zijn inclusief btw | ||||
| Motorhuis BLAUW | ||||
| 1 | 2605104314 | 18.19 | 22.01 | |
| Niet meer leverbaar, geen vervanging | ||||
| 2 | 2604220436 | |||
| Niet meer leverbaar, geen vervanging | ||||
| 3 | 2604010865 | |||
| VENTILATOR | ||||
| 3/60 | 2606610029 | 2.18 | 2.64 | |
| Niet meer leverbaar, geen vervanging | ||||
| 4 | 2607200238 | |||
| DOORVOERBUISJE | ||||
| 6 | 2600707059 | 3.04 | 3.68 | |
| LEIDINGHOUDER | ||||
| 7 | 2601035001 | 1.32 | 1.60 | |
| Firmaplaat | ||||
| 9 | 2601118693 | 2.71 | 3.28 | |
| Niet meer leverbaar, geen vervanging | ||||
| 12 | 2607329114 | |||
| KOGELLAGER | ||||
| 13 | 1900905018 | 15.61 | 18.89 | |
| BORSTELHOUDER | ||||
| 16 | 2604337016 | 1.00 | 1.21 | |
| CILINDERKOPSCHROEF | ||||
| 18 | 2603410001 | 1.32 | 1.60 | |
| SCHROEF | ||||
| 19 | 2603490022 | 1.00 | 1.21 | |
| Aanwijzingsplaat SCHADUWZIJDE | ||||
| 20 | 2601118697 | 4.10 | 4.96 | |
| Niet meer leverbaar, geen vervanging | ||||
| 24 | 2606135032 | |||
| DRUKVEER | ||||
| 26 | 2604616002 | 1.32 | 1.60 | |
| GROEFKOGELLAGER | ||||
| 27 | 1900905163 | 9.47 | 11.46 | |
| BORGRING | ||||
| 28 | 2916660014 | 1.32 | 1.60 | |
| BORGRING | ||||
| 29 | 2916650008 | 1.32 | 1.60 | |
| Platte Spie | ||||
| 30 | 2602300028 | 4.10 | 4.96 | |
| BEVESTIGINGSSCHIJF | ||||
| 31 | 2600101671 | 1.32 | 1.60 | |
| COMPENSATIESCHIJF | ||||
| 32 | 2600101515 | 1.00 | 1.21 | |
| RECHT TANDWIEL | ||||
| 33 | 2606317045 | 9.47 | 11.46 | |
| Recht Tandwiel Z=36 | ||||
| 34 | 2606317037 | 23.75 | 28.74 | |
| COMPENSATIESCHIJF | ||||
| 35 | 2600101616 | 2.52 | 3.05 | |
| COMPENSATIESCHIJF | ||||
| 35 | 2600101617 | 1.32 | 1.60 | |
| Grendelschijf | ||||
| 36 | 2600190052 | 5.33 | 6.45 | |
| Niet meer leverbaar, geen vervanging | ||||
| 37 | 2600190057 | |||
| NAALDLAGER | ||||
| 38 | 2600917003 | 2.52 | 3.05 | |
| AFSTANDSSCHIJF | ||||
| 39 | 2600000012 | 1.00 | 1.21 | |
| AFSTANDSSCHIJF | ||||
| 39 | 2600000014 | 1.00 | 1.21 | |
| KOGEL | ||||
| 40 | 1903230010 | 1.00 | 1.21 | |
| DRAAIKNOP | ||||
| 41 | 2602026017 | 6.53 | 7.90 | |
| SPANSTIFT | ||||
| 42 | 2917780105 | 1.00 | 1.21 | |
| Niet meer leverbaar, geen vervanging | ||||
| 44 | 2601328033 | |||
| PLAATSCHROEF | ||||
| 45 | 2603435086 | 1.32 | 1.60 | |
| Carterdeksel | ||||
| 46 | 2605132049 | 5.83 | 7.05 | |
| Verbindingsleiding L = 123 MM WIT | ||||
| 47 | 2604448145 | 1.18 | 1.43 | |
| TORX-LENSKOPSCHROEF | ||||
| 48 | 2603490017 | 1.90 | 2.30 | |
| COMPENSATIESCHIJF | ||||
| 49 | 2600150004 | 1.90 | 2.30 | |
| AFSTANDSSCHIJF | ||||
| 50 | 2600101027 | 1.32 | 1.60 | |
| AFSTANDSSCHIJF | ||||
| 50 | 2600101667 | 1.32 | 1.60 | |
| Aardleiding | ||||
| 52 | 2604448103 | 0.83 | 1.00 | |
| ONTSTORINGSFILTER | ||||
| 53 | 2604465086 | 5.27 | 6.38 | |
| BORGRING | ||||
| 54 | 2916660008 | 1.90 | 2.30 | |
| SCHOTELSCHIJF | ||||
| 55 | 2600500002 | 1.32 | 1.60 | |
| VILTRING | ||||
| 56 | 2600108077 | 1.32 | 1.60 | |
| STEKERBUS | ||||
| 57 | 2600400008 | 1.32 | 1.60 | |
| COMPENSATIESCHIJF | ||||
| 61 | 2600100607 | 1.32 | 1.60 | |
| NAALDLAGER | ||||
| 62 | 2600914010 | 2.52 | 3.05 | |
| Niet meer leverbaar, geen vervanging | ||||
| 63 | 2603435070 | |||
| Niet meer leverbaar, geen vervanging | ||||
| 64 | 2603435071 | |||
| STELSCHUIF | ||||
| 66 | 2602033006 | 2.52 | 3.05 | |
| BORGRING | ||||
| 67 | 2916080007 | 2.18 | 2.64 | |
| AFSTANDSSCHIJF | ||||
| 68 | 2600100618 | 1.00 | 1.21 | |
| Niet meer leverbaar, geen vervanging | ||||
| 69 | 2602026038 | |||
| ARRETEERKAP | ||||
| 71 | 2600590006 | 1.32 | 1.60 | |
| Inlegstuk | ||||
| 72 | 2601010049 | 1.18 | 1.43 | |
| TORX-LENSKOPSCHROEF | ||||
| 75 | 2603490024 | 1.32 | 1.60 | |
| Niet meer leverbaar, geen vervanging | ||||
| 77 | 2604448137 | |||
| Niet meer leverbaar, geen vervanging | ||||
| 78 | 2604465087 | |||
| SNAPRING | ||||
| 79 | 2604601004 | 1.32 | 1.60 | |
| BOORHOUDERSLEUTEL | ||||
| 80/800 | 2607950007 | 5.96 | 7.21 | |
| DRAAIMOMENTREGELAAR 230V | ||||
| 81 | 2607233006 | 26.84 | 32.48 | |
| Verbindingsleiding L=176 MM WIT | ||||
| 82 | 2604448004 | 1.18 | 1.43 | |
| PLATTE PAKKINGSRING | ||||
| 83 | 2601073012 | 1.00 | 1.21 | |
| Niet meer leverbaar, geen vervanging | ||||
| 84 | 2603421213 | |||
| Zelfklevende Plaat ZONZIJDE | ||||
| 85 | 2601110929 | 1.94 | 2.35 | |
| Plaat GROEN | ||||
| 86 | 2600034003 | 2.71 | 3.28 | |
| EXTRA HANDGREEP | ||||
| 753 | 1619PB4323 | 8.48 | 10.26 | |
| ZESKANT MOER | ||||
| 753/20 | 2915011007 | 1.00 | 1.21 | |
| VLEUGELSCHROEF | ||||
| 753/30 | 1613480007 | 1.32 | 1.60 | |
| Niet meer leverbaar, geen vervanging | ||||
| 753/40 | 2607000122 | |||
| Niet meer leverbaar, geen vervanging | ||||
| 753/50 | 2608040014 | |||
| VLEUGELSCHROEF | ||||
| 753/60 | 1613480008 | 1.32 | 1.60 | |
| Geen informatie beschikbaar, niet bestelbaar | ||||
| 754 | 2603001019 | |||
| TANDKRANSBOORHOUDER | ||||
| 780 | 1608571080 | 36.62 | 44.31 | |
| LEID VOOR NETAANSLUITING | ||||
| 805 | 1607000385 | 12.21 | 14.77 | |
| KOOLBORSTELSET | ||||
| 810 | 2604321905 | 9.47 | 11.46 | |
| KOGELLAGER | ||||
| 814 | 2600905095 | 10.68 | 12.92 | |
| Transmissiehuis BLAUW | ||||
| 825 | 2605806990 | 18.19 | 22.01 | |
| Tussenflens | ||||
| 843 | 2605700936 | 49.56 | 59.97 | |
| Niet meer leverbaar, geen vervanging | ||||
| 859 | 2606100914 | |||
| Zelfklevende Plaat BOREN/KLOPBOREN | ||||
| 865 | 2601110076 | 1.18 | 1.43 | |
| Onderdelenset | ||||
| 870 | 2607010226 | 1.18 | 1.43 | |
| TYPEPLAAT | ||||
| 888 | 160111A3H3 | 2.18 | 2.64 | |