Hier vindt u alle beschikbare onderdelen en tekeningen van de 'Bosch 3601JH9001 ( GWS18V-7 )'. Vanaf hier kunt u direct alle gewenste onderdelen bestellen. Vele onderdelen moeten bij de fabrikant besteld worden, dit duurt afhankelijk van het merk, één tot vier weken. Alle informatie die we hebben, staat op onze website, wij kunnen u geen advies geven over wat u nodig heeft, daarvoor zult u de machine ter reparatie in moeten leveren. Let bij het bestellen op het volgende:
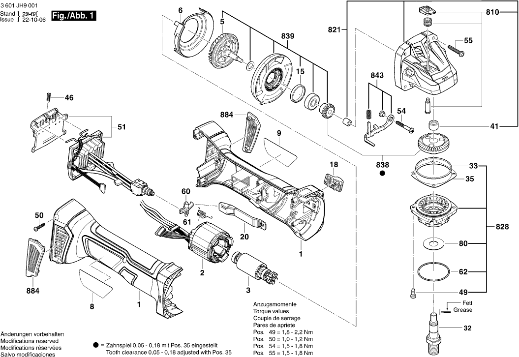
Tekeningen van de Bosch 3601JH9001 ( GWS18V-7 )
Onderdelen lijst van de Bosch 3601JH9001 ( GWS18V-7 )
| Pos. | Omschrijving | Prijs excl. BTW | Prijs incl. BTW | |
| Getoonde prijzen zijn inclusief btw | ||||
| MOTORHUIS | ||||
| 1 | 1619P15044 | 9.47 | 11.46 | |
| STATOR | ||||
| 2 | 1600A01A6N | 26.62 | 32.21 | |
| ROTOR | ||||
| 3 | 1600A01A6S | 30.08 | 36.40 | |
| VENTILATOR | ||||
| 5 | 1619P15054 | 1.32 | 1.60 | |
| LUCHTGELEIDINGSRING | ||||
| 6 | 1600591065 | 2.18 | 2.64 | |
| LUCHTGELEIDINGSRING | ||||
| 6 | 1619P16509 | 1.32 | 1.60 | |
| TYPEPLAAT | ||||
| 8 | 1619P15784 | 2.18 | 2.64 | |
| FIRMAPLAAT | ||||
| 9 | 1619P15780 | 2.18 | 2.64 | |
| RUBBERSLUITRING | ||||
| 15 | 1600206025 | 1.90 | 2.30 | |
| SCHAKELGREEP | ||||
| 18 | 1619P15338 | 1.32 | 1.60 | |
| STELSCHUIF | ||||
| 20 | 1619P15050 | 1.00 | 1.21 | |
| SLIJPSPIL | ||||
| 32 | 1619P06419 | 9.47 | 11.46 | |
| O-RING | ||||
| 33 | 1619P02820 | 1.32 | 1.60 | |
| COMPENSATIESCHIJF | ||||
| 35 | 1619P02822 | 1.32 | 1.60 | |
| COMPENSATIESCHIJF | ||||
| 35 | 1619P02821 | 1.00 | 1.21 | |
| GLIJLAGER | ||||
| 41 | 1600200029 | 3.71 | 4.49 | |
| DRUKVEER | ||||
| 46 | 1609280477 | 1.32 | 1.60 | |
| SCHROEFDRVOERINGSSCHROEF | ||||
| 49 | 1619P11118 | 1.32 | 1.60 | |
| EL.MODULE | ||||
| 51 | 1600A01NC3 | 75.38 | 91.21 | |
| TORX-LENSKOPSCHROEF | ||||
| 54 | 2603490025 | 1.00 | 1.21 | |
| TORX-LENSKOPSCHROEF | ||||
| 55 | 1619P01066 | 1.00 | 1.21 | |
| SCHROEFDRVOERINGSSCHROEF | ||||
| 58 | 1603435075 | 1.90 | 2.30 | |
| BALANSHEFBOOM | ||||
| 60 | 1619P15795 | 1.00 | 1.21 | |
| TORSIEVEER | ||||
| 61 | 1619P15806 | 1.00 | 1.21 | |
| O-RING | ||||
| 62 | 1600210038 | 2.18 | 2.64 | |
| AFDEKSCHIJF | ||||
| 80 | 1619P09390 | 1.90 | 2.30 | |
| STOPPER | ||||
| 82 | 1602002014 | 2.52 | 3.05 | |
| EXTRA HANDGREEP | ||||
| 650/1 | 1619P10681 | 3.04 | 3.68 | |
| EXTRA HANDGREEP | ||||
| 650/1 | 1619P16111 | 2.52 | 3.05 | |
| RONDE MOER | ||||
| 650/2 | 1603345043 | 7.32 | 8.86 | |
| TWEEGATMOERSLEUTEL | ||||
| 650/30 | 1619P08927 | 3.71 | 4.49 | |
| OPSPANFLENS | ||||
| 650/5 | 2605703014 | 4.58 | 5.54 | |
| VEILIGHEIDSDEKSEL | ||||
| 651 | 1619P14538 | 8.48 | 10.26 | |
| OPLAADAPPARAAT | ||||
| 652 | 2607225921 | 114.26 | 138.25 | |
| SNELLADER | ||||
| 652 | 2607226251 | 75.38 | 91.21 | |
| ACCUPAKKET | ||||
| 653 | 1607A350M0 | 102.63 | 124.18 | |
| Accupakket BBS MR 18V, 4,0Ah, 47 S | ||||
| 653 | 2607336815 | 91.56 | 110.79 | |
| TASTKNOP | ||||
| 810 | 1619P16236 | 3.71 | 4.49 | |
| TRANSMISSIEHUIS | ||||
| 821 | 1619P16237 | 13.90 | 16.82 | |
| LAGERFLENS | ||||
| 828 | 1619P11094 | 12.21 | 14.77 | |
| GELEIDINGSSEGMENT | ||||
| 838 | 1619P16240 | 9.47 | 11.46 | |
| KEGELRADAS | ||||
| 839 | 1619P16234 | 17.60 | 21.30 | |
| BLOKKEERHENDEL | ||||
| 843 | 1619P11076 | 15.61 | 18.89 | |
| FILTEREENHEID | ||||
| 884 | 1607000CA9 | 9.47 | 11.46 | |
| VETBUIS | ||||
| 894 | 1615430020 | 17.60 | 21.30 | |
| VETBUIS | ||||
| 895 | 1605430003 | 33.33 | 40.33 | |