Hier vindt u alle beschikbare onderdelen en tekeningen van de 'Bosch 0601356903 ( GWS20-180 )'. Vanaf hier kunt u direct alle gewenste onderdelen bestellen. Vele onderdelen moeten bij de fabrikant besteld worden, dit duurt afhankelijk van het merk, één tot vier weken. Alle informatie die we hebben, staat op onze website, wij kunnen u geen advies geven over wat u nodig heeft, daarvoor zult u de machine ter reparatie in moeten leveren. Let bij het bestellen op het volgende:
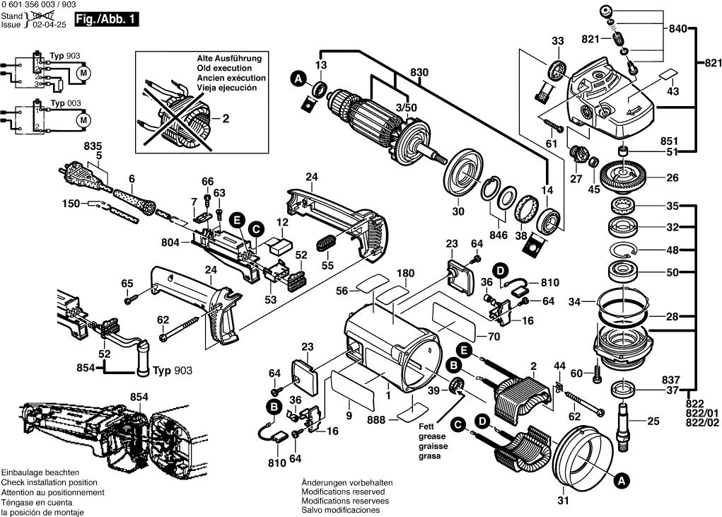
Tekeningen van de Bosch 0601356903 ( GWS20-180 )
Onderdelen lijst van de Bosch 0601356903 ( GWS20-180 )
| Pos. | Omschrijving | Prijs excl. BTW | Prijs incl. BTW | |
| Getoonde prijzen zijn inclusief btw | ||||
| Niet meer leverbaar, geen vervanging | ||||
| 1 | 1605108144 | |||
| POOLSCHOEN | ||||
| 2 | 1604220380 | 33.33 | 40.33 | |
| VENTILATOR | ||||
| 3/50 | 1606610127 | 2.52 | 3.05 | |
| DOORVOERBUISJE | ||||
| 6 | 1600703022 | 2.52 | 3.05 | |
| DOORVOERBUISJE | ||||
| 6 | 1600703023 | 2.18 | 2.64 | |
| KLEMBEVESTIGING | ||||
| 7 | 1601302018 | 1.32 | 1.60 | |
| Geen informatie beschikbaar, niet bestelbaar | ||||
| 9 | 1601118680 | |||
| ONTSTORINGSFILTER | ||||
| 12 | 1607328035 | 3.71 | 4.49 | |
| GROEFKOGELLAGER | ||||
| 13 | 1600905011 | 5.27 | 6.38 | |
| GROEFKOGELLAGER | ||||
| 14 | 1600905028 | 9.47 | 11.46 | |
| BORSTELHOUDER | ||||
| 16 | 1604336021 | 2.52 | 3.05 | |
| AFSLUITDEKSEL | ||||
| 23 | 1605500150 | 3.04 | 3.68 | |
| HANDGREEP | ||||
| 24 | 1605132117 | 9.47 | 11.46 | |
| SLIJPSPIL | ||||
| 25 | 1603523100 | 12.21 | 14.77 | |
| Niet meer leverbaar, geen vervanging | ||||
| 26 | 1606333618 | |||
| Kegelwiel Z=17 | ||||
| 27 | 1606333237 | 26.84 | 32.48 | |
| O-RING | ||||
| 28 | 1600210033 | 1.32 | 1.60 | |
| LUCHTGELEIDINGSRING | ||||
| 30 | 1600591010 | 1.90 | 2.30 | |
| LUCHTGELEIDINGSRING | ||||
| 31 | 1600591011 | 1.32 | 1.60 | |
| BORGRING | ||||
| 32 | 1600290019 | 1.32 | 1.60 | |
| RADIAALE ASAFDICHTRING | ||||
| 33 | 1600290013 | 2.18 | 2.64 | |
| COMPENSATIESCHIJF | ||||
| 34 | 1600190021 | 2.18 | 2.64 | |
| COMPENSATIESCHIJF | ||||
| 34 | 1600190022 | 1.32 | 1.60 | |
| COMPENSATIESCHIJF | ||||
| 34 | 1600190020 | 1.32 | 1.60 | |
| VILTRING | ||||
| 35 | 1600205034 | 1.32 | 1.60 | |
| SPIRAALVEER | ||||
| 36 | 1604652015 | 2.52 | 3.05 | |
| AFDICHTRING | ||||
| 37 | 1600290036 | 1.90 | 2.30 | |
| RUBBERSLUITRING | ||||
| 38 | 1600206020 | 1.32 | 1.60 | |
| RUBBERSLUITRING | ||||
| 39 | 1600206030 | 1.32 | 1.60 | |
| AANWIJZINGSPLAAT | ||||
| 43 | 1601110470 | 1.00 | 1.21 | |
| BEVESTIGINGSHOEK | ||||
| 44 | 1601334008 | 2.18 | 2.64 | |
| ZESKANT MOER | ||||
| 45 | 1603300019 | 1.32 | 1.60 | |
| BORGBEUGEL | ||||
| 48 | 1600119010 | 1.32 | 1.60 | |
| GROEFKOGELLAGER | ||||
| 50 | 3600905134 | 9.47 | 11.46 | |
| GLIJLAGER | ||||
| 51 | 1600200031 | 2.52 | 3.05 | |
| KABELVOERING | ||||
| 52 | 1602388027 | 2.18 | 2.64 | |
| STEKERBUSHUIS | ||||
| 53 | 1605190038 | 1.32 | 1.60 | |
| STEUNRAND | ||||
| 55 | 1602388029 | 1.32 | 1.60 | |
| Aanwijzingsplaat | ||||
| 56 | 1601110530 | 0.83 | 1.00 | |
| SCHROEFDRVOERINGSSCHROEF | ||||
| 60 | 1603435023 | 1.90 | 2.30 | |
| PLAATSCHROEF | ||||
| 61 | 2912401038 | 1.00 | 1.21 | |
| PLAATSCHROEF | ||||
| 62 | 1603435024 | 1.32 | 1.60 | |
| PLATKOPSCHROEF | ||||
| 63 | 1603410014 | 1.32 | 1.60 | |
| KUNSTSTOF ZELFTAPSCHROEF | ||||
| 64 | 1603435042 | 1.32 | 1.60 | |
| PLAATSCHROEF | ||||
| 65 | 2912401020 | 1.90 | 2.30 | |
| PLAATSCHROEF | ||||
| 66 | 2910211019 | 1.00 | 1.21 | |
| Firmaplaat | ||||
| 70 | 1601110551 | 1.18 | 1.43 | |
| O-RING | ||||
| 650/30/20 | 1600210039 | 1.90 | 2.30 | |
| Onderdelenset Ø180 MM | ||||
| 700 | 1607000250 | 0.83 | 1.00 | |
| Niet meer leverbaar, geen vervanging | ||||
| 700/10 | 1605510222 | |||
| Geleidingssleden | ||||
| 700/20 | 1608135006 | 73.72 | 89.20 | |
| Geen informatie beschikbaar, niet bestelbaar | ||||
| 702 | 1605510179 | |||
| Mofkoppelbus Ø32,3xØ34,9x75 MM | ||||
| 702/20 | 1600309009 | 15.71 | 19.01 | |
| Geen informatie beschikbaar, niet bestelbaar | ||||
| 703 | 1607000247 | |||
| ZESKANT SCHROEF | ||||
| 703/11 | 2603450007 | 5.27 | 6.38 | |
| Niet meer leverbaar, geen vervanging | ||||
| 704 | 1605510181 | |||
| Niet meer leverbaar, geen vervanging | ||||
| 730 | 1608601006 | |||
| Geen informatie beschikbaar, niet bestelbaar | ||||
| 730/20 | 1603345004 | |||
| Geen informatie beschikbaar, niet bestelbaar | ||||
| 740 | 1601329013 | |||
| Geen informatie beschikbaar, niet bestelbaar | ||||
| 750/10 | 2602025075 | |||
| ZESKANT SCHROEF | ||||
| 750/11 | 2603450007 | 5.27 | 6.38 | |
| Geen informatie beschikbaar, niet bestelbaar | ||||
| 750/20 | 1607950048 | |||
| Platkopschroef DIN 603-M 8x25 | ||||
| 750/20/30 | 2910281244 | 1.18 | 1.43 | |
| VLEUGELMOER | ||||
| 750/20/40 | 2915191007 | 3.04 | 3.68 | |
| ONDERLEGSCHIJF | ||||
| 750/20/50 | 2600100041 | 1.32 | 1.60 | |
| DRUKVEER | ||||
| 750/20/60 | 1604643003 | 5.96 | 7.21 | |
| Geen informatie beschikbaar, niet bestelbaar | ||||
| 750/30 | 1605703099 | |||
| Geen informatie beschikbaar, niet bestelbaar | ||||
| 750/40 | 1603340040 | |||
| Niet meer leverbaar, geen vervanging | ||||
| 751 | 1605510222 | |||
| Geen informatie beschikbaar, niet bestelbaar | ||||
| 764 | 1607950004 | |||
| SNELSPANMOER | ||||
| 770 | 1603340027 | 45.52 | 55.08 | |
| SNELSPANMOER | ||||
| 770 | 1600A016PP | 41.30 | 49.97 | |
| SCHAKELAAR | ||||
| 804 | 1607200105 | 50.23 | 60.78 | |
| KOOLBORSTELSET | ||||
| 810 | 1607014171 | 12.21 | 14.77 | |
| TRANSMISSIEHUIS | ||||
| 821 | 1605805592 | 82.63 | 99.98 | |
| Niet meer leverbaar, geen vervanging | ||||
| 822 | 1607000986 | |||
| Lagerflens Ø180 MM ZWART | ||||
| 822/01 | 1607000931 | 29.75 | 36.00 | |
| Lagerflens Ø180 MM ZILVER | ||||
| 822/02 | 1607000921 | 40.61 | 49.14 | |
| Anker 230V | ||||
| 830 | 1604011145 | 113.29 | 137.08 | |
| LEID VOOR NETAANSLUITING | ||||
| 835 | 1607000228 | 22.88 | 27.68 | |
| AFDICHTRING | ||||
| 837 | 1600290020 | 1.32 | 1.60 | |
| DRUKKNOP | ||||
| 840 | 1607000206 | 9.47 | 11.46 | |
| BEVESTIGINGSSCHIJF | ||||
| 846 | 1607000342 | 3.04 | 3.68 | |
| NAALDLAGER | ||||
| 851 | 2600910001 | 3.71 | 4.49 | |
| Niet meer leverbaar, geen vervanging | ||||
| 854 | 1607000926 | |||
| TYPEPLAAT | ||||
| 888 | 160111A3H3 | 2.18 | 2.64 | |