Hier vindt u alle beschikbare onderdelen en tekeningen van de 'Bosch 0603376768 ( PBH200FRE )'. Vanaf hier kunt u direct alle gewenste onderdelen bestellen. Vele onderdelen moeten bij de fabrikant besteld worden, dit duurt afhankelijk van het merk, één tot vier weken. Alle informatie die we hebben, staat op onze website, wij kunnen u geen advies geven over wat u nodig heeft, daarvoor zult u de machine ter reparatie in moeten leveren. Let bij het bestellen op het volgende:
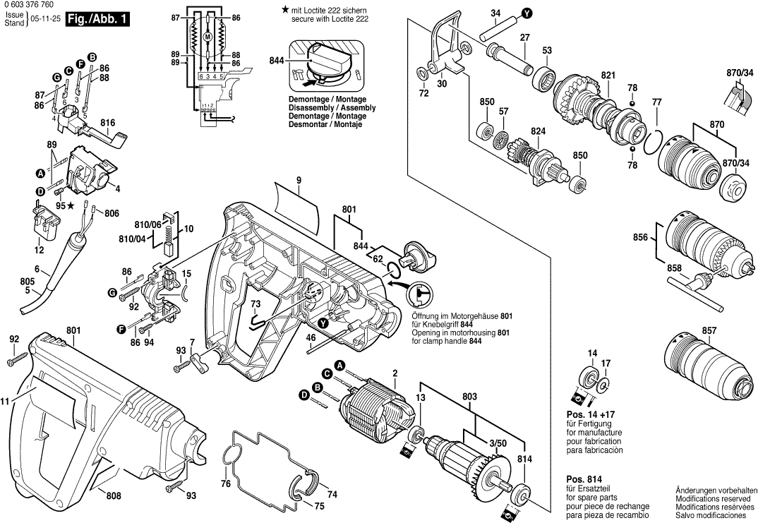
Tekeningen van de Bosch 0603376768 ( PBH200FRE )
Onderdelen lijst van de Bosch 0603376768 ( PBH200FRE )
| Pos. | Omschrijving | Prijs excl. BTW | Prijs incl. BTW | |
| Getoonde prijzen zijn inclusief btw | ||||
| POOLSCHOEN | ||||
| 2 | 2604220515 | 20.39 | 24.67 | |
| VENTILATOR | ||||
| 3/50 | 2606610022 | 3.71 | 4.49 | |
| Niet meer leverbaar, geen vervanging | ||||
| 4 | 1607200172 | |||
| DOORVOERBUISJE | ||||
| 6 | 2600703018 | 2.18 | 2.64 | |
| Leidinghouder | ||||
| 7 | 1611035001 | 0.83 | 1.00 | |
| Firmaplaat | ||||
| 9 | 1611110X20 | 2.71 | 3.28 | |
| Niet meer leverbaar, geen vervanging | ||||
| 10 | 2605807060 | |||
| Aanwijzingsplaat | ||||
| 11 | 1611110X22 | 2.71 | 3.28 | |
| ONTSTORINGSFILTER | ||||
| 12 | 1607328040 | 5.96 | 7.21 | |
| GROEFKOGELLAGER | ||||
| 13 | 1610905032 | 4.58 | 5.54 | |
| DEMPINGSRUBBER | ||||
| 15 | 1610026001 | 1.00 | 1.21 | |
| Slagblok | ||||
| 27 | 1618710076 | 4.70 | 5.69 | |
| Niet meer leverbaar, geen vervanging | ||||
| 30 | 1611911000 | |||
| Lagerpen | ||||
| 34 | 1613100021 | 0.83 | 1.00 | |
| CILINDRISCHE PEN | ||||
| 46 | 1613160022 | 1.00 | 1.21 | |
| NAALDHULS | ||||
| 53 | 1610910077 | 3.71 | 4.49 | |
| CILINDERAXIAALLAGER | ||||
| 57 | 1610920009 | 2.18 | 2.64 | |
| O-RING | ||||
| 62 | 1610210125 | 1.00 | 1.21 | |
| AFSTANDSSCHIJF | ||||
| 72 | 1610100007 | 1.00 | 1.21 | |
| Contactveer | ||||
| 73 | 1614682004 | 1.94 | 2.35 | |
| Niet meer leverbaar, geen vervanging | ||||
| 74 | 1611015040 | |||
| AFDICHTFRAME | ||||
| 75 | 1611015041 | 1.00 | 1.21 | |
| Niet meer leverbaar, geen vervanging | ||||
| 76 | 1611015042 | |||
| SNAPRING | ||||
| 77 | 1614601026 | 1.32 | 1.60 | |
| KOGEL | ||||
| 78 | 1903230010 | 1.00 | 1.21 | |
| VERBINDINGSLEIDING | ||||
| 86 | 2604448147 | 1.00 | 1.21 | |
| Verbindingsleiding L=115MM BLAUW | ||||
| 87 | 2604448096 | 1.18 | 1.43 | |
| VERBINDINGSLEIDING | ||||
| 88 | 2604448034 | 1.32 | 1.60 | |
| Niet meer leverbaar, geen vervanging | ||||
| 89 | 2604448060 | |||
| PLAATSCHROEF | ||||
| 92 | 2912401021 | 1.00 | 1.21 | |
| PLAATSCHROEF | ||||
| 93 | 2912401019 | 1.00 | 1.21 | |
| TORX-LENSKOPSCHROEF | ||||
| 94 | 2603490017 | 1.90 | 2.30 | |
| CILINDERKOPSCHROEF | ||||
| 95 | 2603410001 | 1.32 | 1.60 | |
| EXTRA HANDGREEP | ||||
| 651 | 2602025125 | 8.48 | 10.26 | |
| DIEPTEAANSLAG | ||||
| 652 | 2609005615 | 3.71 | 4.49 | |
| Behuizingsschaal GROEN | ||||
| 801 | 1617000575 | 29.75 | 36.00 | |
| Niet meer leverbaar, geen vervanging | ||||
| 803 | 1614010144 | |||
| LEID VOOR NETAANSLUITING | ||||
| 805 | 3607030489 | 30.08 | 36.40 | |
| ADEREINDHULS | ||||
| 806 | 1900452012 | 1.32 | 1.60 | |
| TYPEPLAAT | ||||
| 808 | 160111A3H5 | 2.18 | 2.64 | |
| Niet meer leverbaar, geen vervanging | ||||
| 810/04 | 1617014136 | |||
| ARRETEERKAP | ||||
| 810/06 | 2601322017 | 1.32 | 1.60 | |
| GROEFKOGELLAGER | ||||
| 814 | 1610905048 | 7.32 | 8.86 | |
| OVERSCHAKELAAR | ||||
| 816 | 2607200231 | 13.90 | 16.82 | |
| HAMBERBUIS | ||||
| 821 | 1617000388 | 81.47 | 98.58 | |
| Tussenas | ||||
| 824 | 1617000301 | 40.61 | 49.14 | |
| Niet meer leverbaar, geen vervanging | ||||
| 844 | 1617000576 | |||
| LAGERBUS | ||||
| 850 | 1617000975 | 5.27 | 6.38 | |
| TANDKRANSBOORHOUDER | ||||
| 856 | 1618571029 | 67.98 | 82.26 | |
| SNELSPANBOORHOUDER | ||||
| 857 | 1617000332 | 102.63 | 124.18 | |
| BOORHOUDERSLEUTEL | ||||
| 858 | 2607950007 | 5.96 | 7.21 | |
| Niet meer leverbaar, geen vervanging | ||||
| 870 | 1617000327 | |||
| VEILIGHEIDSDOP | ||||
| 870/34 | 1610508047 | 1.90 | 2.30 | |