Hier vindt u alle beschikbare onderdelen en tekeningen van de 'Bosch 0603298708 ( PEX15AE )'. Vanaf hier kunt u direct alle gewenste onderdelen bestellen. Vele onderdelen moeten bij de fabrikant besteld worden, dit duurt afhankelijk van het merk, één tot vier weken. Alle informatie die we hebben, staat op onze website, wij kunnen u geen advies geven over wat u nodig heeft, daarvoor zult u de machine ter reparatie in moeten leveren. Let bij het bestellen op het volgende:
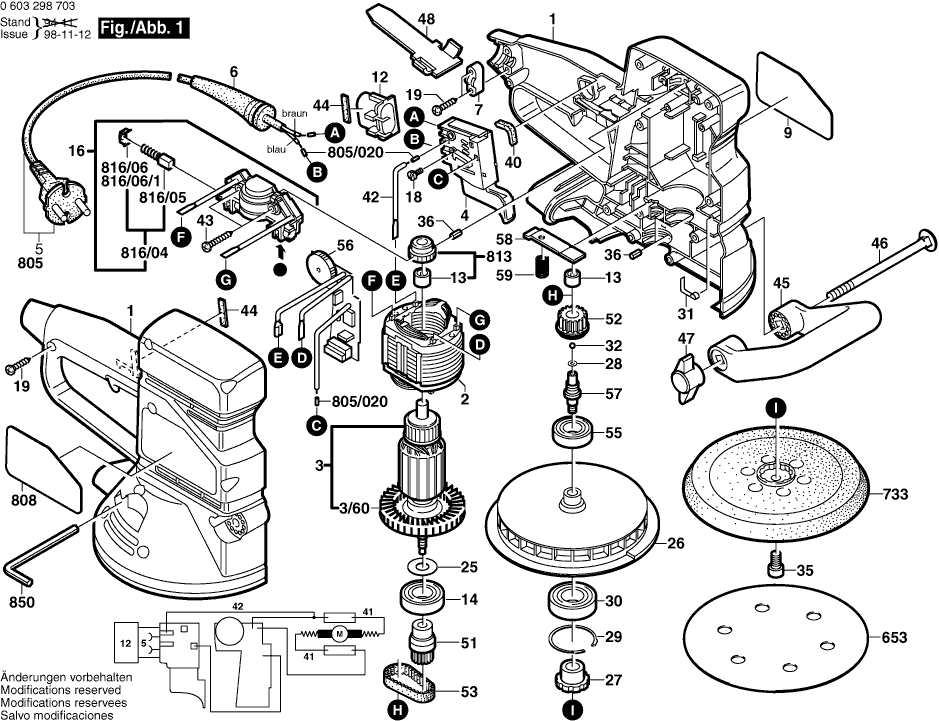
Tekeningen van de Bosch 0603298708 ( PEX15AE )
Onderdelen lijst van de Bosch 0603298708 ( PEX15AE )
| Pos. | Omschrijving | Prijs excl. BTW | Prijs incl. BTW | |
| Getoonde prijzen zijn inclusief btw | ||||
| Niet meer leverbaar, geen vervanging | ||||
| 1 | 2605104388 | |||
| POOLSCHOEN | ||||
| 2 | 2604220526 | 20.39 | 24.67 | |
| Anker 230V | ||||
| 3 | 2604010881 | 44.82 | 54.23 | |
| VENTILATOR | ||||
| 3/60 | 2606610055 | 3.71 | 4.49 | |
| SCHAKELAAR | ||||
| 4 | 2607200260 | 9.47 | 11.46 | |
| DOORVOERBUISJE | ||||
| 6 | 2600703017 | 2.18 | 2.64 | |
| LEIDINGHOUDER | ||||
| 7 | 2601035004 | 1.90 | 2.30 | |
| Firmaplaat ZONZIJDE | ||||
| 9 | 2601118312 | 1.94 | 2.35 | |
| Niet meer leverbaar, geen vervanging | ||||
| 12 | 1607328028 | |||
| NAALDHULS | ||||
| 13 | 2600917002 | 3.04 | 3.68 | |
| GROEFKOGELLAGER | ||||
| 14 | 2600905034 | 11.02 | 13.33 | |
| Niet meer leverbaar, geen vervanging | ||||
| 16 | 2604337118 | |||
| CILINDERKOPSCHROEF | ||||
| 18 | 2603410001 | 1.32 | 1.60 | |
| TORX-LENSKOPSCHROEF | ||||
| 19 | 2603490021 | 1.00 | 1.21 | |
| ONDERLEGSCHIJF | ||||
| 25 | 2600100041 | 1.32 | 1.60 | |
| Ventilator | ||||
| 26 | 2606610066 | 13.93 | 16.86 | |
| Niet meer leverbaar, geen vervanging | ||||
| 27 | 2606490053 | |||
| COMPENSATIESCHIJF | ||||
| 28 | 2600000024 | 1.00 | 1.21 | |
| COMPENSATIESCHIJF | ||||
| 28 | 2600000022 | 1.00 | 1.21 | |
| BORGRING | ||||
| 29 | 2600116014 | 1.00 | 1.21 | |
| Niet meer leverbaar, geen vervanging | ||||
| 30 | 2600905111 | |||
| CONTACTVEER | ||||
| 31 | 2601329057 | 2.18 | 2.64 | |
| KOGEL | ||||
| 32 | 1903230007 | 1.32 | 1.60 | |
| INBUSBOUT | ||||
| 35 | 2910130238 | 1.00 | 1.21 | |
| RUBBERBUFFER | ||||
| 36 | 1603100036 | 1.32 | 1.60 | |
| Niet meer leverbaar, geen vervanging | ||||
| 40 | 2601022000 | |||
| Verbindingsleiding | ||||
| 42 | 2604448166 | 1.18 | 1.43 | |
| TORX-LENSKOPSCHROEF | ||||
| 43 | 2603490023 | 1.00 | 1.21 | |
| Afdichtstrip | ||||
| 44 | 2602380003 | 1.18 | 1.43 | |
| Niet meer leverbaar, geen vervanging | ||||
| 45 | 2602025068 | |||
| PLATKOPSCHROEF | ||||
| 46 | 2910285226 | 1.32 | 1.60 | |
| ZESKANT MOER | ||||
| 47 | 2610387875 | 2.18 | 2.64 | |
| SCHUIF | ||||
| 48 | 2608005043 | 1.00 | 1.21 | |
| Niet meer leverbaar, geen vervanging | ||||
| 51 | 2606625014 | |||
| Niet meer leverbaar, geen vervanging | ||||
| 52 | 2606625015 | |||
| TANDRIEM | ||||
| 53 | 2604736009 | 7.32 | 8.86 | |
| Niet meer leverbaar, geen vervanging | ||||
| 55 | 2600923002 | |||
| Toerentalregelaar 230-240V | ||||
| 56 | 2608300008 | 44.82 | 54.23 | |
| Uitgaande As | ||||
| 57 | 2603124116 | 9.53 | 11.53 | |
| Niet meer leverbaar, geen vervanging | ||||
| 58 | 2601901006 | |||
| Drukveer | ||||
| 59 | 2604610032 | 1.18 | 1.43 | |
| SCHROEF | ||||
| 60 | 2603490022 | 1.00 | 1.21 | |
| Geen informatie beschikbaar, niet bestelbaar | ||||
| 733 | 2608601053 | |||
| Geen informatie beschikbaar, niet bestelbaar | ||||
| 754 | 2605411067 | |||
| Geen informatie beschikbaar, niet bestelbaar | ||||
| 757 | 2600282014 | |||
| LEID VOOR NETAANSLUITING | ||||
| 805 | 1607000388 | 10.68 | 12.92 | |
| Typeplaatje | ||||
| 808 | 2601117245 | 2.71 | 3.28 | |
| Niet meer leverbaar, geen vervanging | ||||
| 813 | 2600917902 | |||
| Niet meer leverbaar, geen vervanging | ||||
| 816/04 | 2604321917 | |||
| ARRETEERKAP | ||||
| 816/06 | 2601329051 | 1.32 | 1.60 | |
| ARRETEERKAP | ||||
| 816/06/1 | 2601322013 | 1.32 | 1.60 | |
| HAAKSE SCHROEVENDRAAIER | ||||
| 850 | 1907950006 | 3.71 | 4.49 | |
| INBUSSLUITINGEN | ||||
| 850 | 2610364015 | 3.04 | 3.68 | |