Hier vindt u alle beschikbare onderdelen en tekeningen van de 'Bosch 3603A26100 ( PSB530RA )'. Vanaf hier kunt u direct alle gewenste onderdelen bestellen. Vele onderdelen moeten bij de fabrikant besteld worden, dit duurt afhankelijk van het merk, één tot vier weken. Alle informatie die we hebben, staat op onze website, wij kunnen u geen advies geven over wat u nodig heeft, daarvoor zult u de machine ter reparatie in moeten leveren. Let bij het bestellen op het volgende:
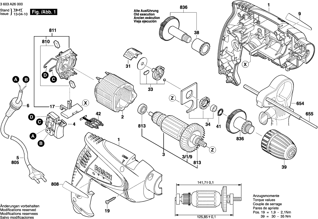
Tekeningen van de Bosch 3603A26100 ( PSB530RA )
Onderdelen lijst van de Bosch 3603A26100 ( PSB530RA )
| Pos. | Omschrijving | Prijs excl. BTW | Prijs incl. BTW | |
| Getoonde prijzen zijn inclusief btw | ||||
| Behuizing | ||||
| 1 | 2609003793 | 12.41 | 15.02 | |
| POOLSCHOEN | ||||
| 2 | 2609003024 | 11.02 | 13.33 | |
| Anker 220-240V | ||||
| 3 | 2609002170 | 18.19 | 22.01 | |
| VENTILATOR | ||||
| 3/1/9 | 2609002159 | 1.90 | 2.30 | |
| SCHAKELAAR | ||||
| 4 | 2607200655 | 11.02 | 13.33 | |
| DOORVOERBUISJE | ||||
| 6 | 2609002019 | 2.18 | 2.64 | |
| Firmaplaat PSB 530 RA | ||||
| 9 | 2609002342 | 1.94 | 2.35 | |
| Niet meer leverbaar, geen vervanging | ||||
| 17 | 2609002160 | |||
| SCHROEF | ||||
| 19 | 2603490022 | 1.00 | 1.21 | |
| OVERSCHAKELAAR | ||||
| 31 | 2609000684 | 1.90 | 2.30 | |
| Niet meer leverbaar, geen vervanging | ||||
| 33 | 2601901012 | |||
| LAGERBRUG | ||||
| 34 | 2609002255 | 7.32 | 8.86 | |
| GESINTERD LAGER | ||||
| 38 | 2609002157 | 1.90 | 2.30 | |
| SNELSPANBOORHOUDER | ||||
| 39 | 2609002051 | 20.39 | 24.67 | |
| DRUKVEER | ||||
| 41 | 2609002581 | 1.00 | 1.21 | |
| AFSLUITKLEP | ||||
| 42 | 2609002750 | 1.00 | 1.21 | |
| SLUITING | ||||
| 653 | 2607030115 | 1.90 | 2.30 | |
| EXTRA HANDGREEP | ||||
| 654 | 2602025125 | 8.48 | 10.26 | |
| DIEPTEAANSLAG | ||||
| 655 | 2609005615 | 3.71 | 4.49 | |
| LEID VOOR NETAANSLUITING | ||||
| 805 | 1607000387 | 9.47 | 11.46 | |
| TYPEPLAAT | ||||
| 808 | 2609002349 | 2.18 | 2.64 | |
| KOOLBORSTELSET | ||||
| 810 | 2610391290 | 7.32 | 8.86 | |
| Niet meer leverbaar, geen vervanging | ||||
| 811 | 2609005889 | |||
| GROEFKOGELLAGER | ||||
| 813 | 3130900020 | 5.96 | 7.21 | |
| Niet meer leverbaar, geen vervanging | ||||
| 836 | 2609002442 | |||
| AFZUIGER ZWART | ||||
| 856 | 2609000636 | 18.19 | 22.01 | |
| SNAPSCHOOT | ||||
| 856/10 | 2605510217 | 1.00 | 1.21 | |
| Niet meer leverbaar, geen vervanging | ||||
| 856/16 | 2600206003 | |||
| STOFZAK | ||||
| 856/830 | 2605411902 | 5.27 | 6.38 | |
| Zuigmodule ZWART | ||||
| 856/880 | 2605190920 | 12.41 | 15.02 | |