Hier vindt u alle beschikbare onderdelen en tekeningen van de 'Bosch 0603229203 ( PST53A )'. Vanaf hier kunt u direct alle gewenste onderdelen bestellen. Vele onderdelen moeten bij de fabrikant besteld worden, dit duurt afhankelijk van het merk, één tot vier weken. Alle informatie die we hebben, staat op onze website, wij kunnen u geen advies geven over wat u nodig heeft, daarvoor zult u de machine ter reparatie in moeten leveren. Let bij het bestellen op het volgende:
Tekeningen van de Bosch 0603229203 ( PST53A )
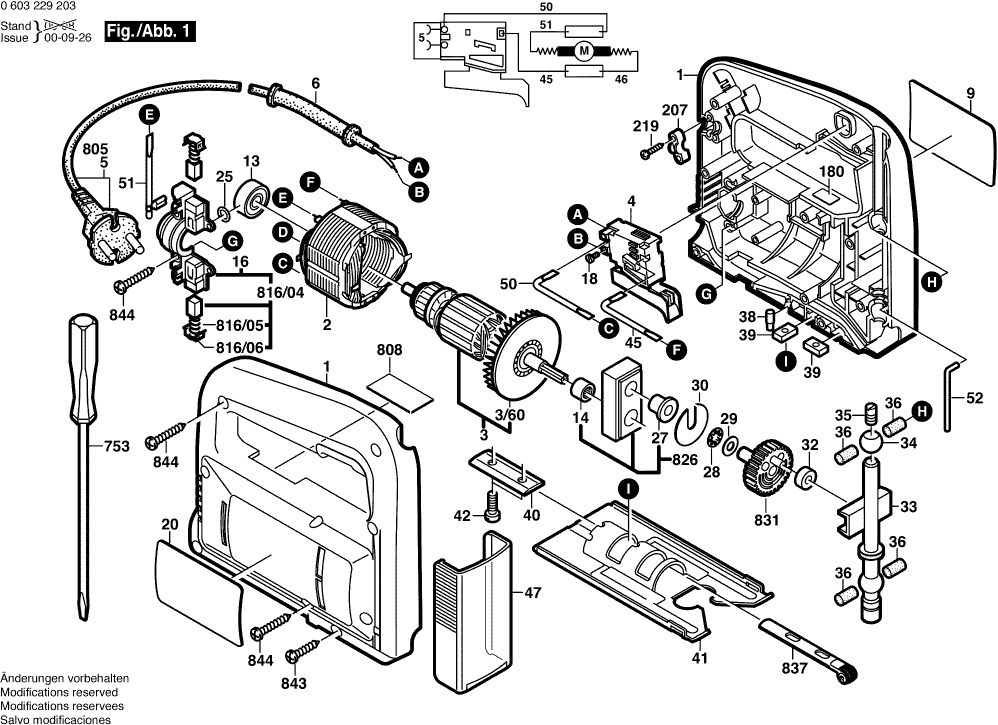
Onderdelen lijst van de Bosch 0603229203 ( PST53A )
| Pos. | Omschrijving | Prijs excl. BTW | Prijs incl. BTW | |
| Getoonde prijzen zijn inclusief btw | ||||
| Behuizingsschaal GROEN | ||||
| 1 | 2605104526 | 15.71 | 19.01 | |
| Poolschoen 230-240V | ||||
| 2 | 2604220568 | 12.41 | 15.02 | |
| Anker 230V | ||||
| 3 | 2604011097 | 33.45 | 40.47 | |
| VENTILATOR | ||||
| 3/60 | 1619P11262 | 2.52 | 3.05 | |
| Niet meer leverbaar, geen vervanging | ||||
| 4 | 2607200365 | |||
| Niet meer leverbaar, geen vervanging | ||||
| 6 | 2600703007 | |||
| Firmaplaat | ||||
| 9 | 2601118893 | 2.71 | 3.28 | |
| GROEFKOGELLAGER | ||||
| 13 | 2600905046 | 9.47 | 11.46 | |
| NAALDLAGER | ||||
| 14 | 2600917003 | 2.52 | 3.05 | |
| Niet meer leverbaar, geen vervanging | ||||
| 16 | 2604337118 | |||
| CILINDERKOPSCHROEF | ||||
| 18 | 2603410001 | 1.32 | 1.60 | |
| Aanwijzingsplaat SCHADUWZIJDE | ||||
| 20 | 2601118894 | 2.71 | 3.28 | |
| O-RING | ||||
| 25 | 1900210000 | 1.32 | 1.60 | |
| Niet meer leverbaar, geen vervanging | ||||
| 27 | 2600322003 | |||
| Verende Sluitring | ||||
| 28 | 2600190040 | 1.18 | 1.43 | |
| Compensatieschijf 0,5 MM | ||||
| 29 | 2600100505 | 0.83 | 1.00 | |
| Compensatieschijf 0,2 MM | ||||
| 30 | 2600040001 | 1.18 | 1.43 | |
| Niet meer leverbaar, geen vervanging | ||||
| 32 | 2600301014 | |||
| Hijsstang | ||||
| 33 | 2600780073 | 15.71 | 19.01 | |
| Niet meer leverbaar, geen vervanging | ||||
| 34 | 2600302008 | |||
| KLEMSCHROEF | ||||
| 35 | 2603400000 | 3.71 | 4.49 | |
| Niet meer leverbaar, geen vervanging | ||||
| 36 | 2603239006 | |||
| Niet meer leverbaar, geen vervanging | ||||
| 38 | 2603120037 | |||
| Niet meer leverbaar, geen vervanging | ||||
| 39 | 2601030006 | |||
| ZESKANTSTAAL | ||||
| 40 | 2601032017 | 1.32 | 1.60 | |
| VLOERPLAAT | ||||
| 41 | 2601016012 | 7.32 | 8.86 | |
| Cilinderkopschroef DIN 84-AM4x14-5.8 | ||||
| 42 | 2910011124 | 0.83 | 1.00 | |
| VERBINDINGSLEIDING | ||||
| 45 | 2604448118 | 1.32 | 1.60 | |
| Niet meer leverbaar, geen vervanging | ||||
| 47 | 2605510052 | |||
| Verbindingsleiding L=263MM BLAUW | ||||
| 50 | 2604448119 | 1.18 | 1.43 | |
| Niet meer leverbaar, geen vervanging | ||||
| 51 | 2604448123 | |||
| Niet meer leverbaar, geen vervanging | ||||
| 52 | 2603105051 | |||
| LEIDINGHOUDER | ||||
| 207 | 2601035001 | 1.32 | 1.60 | |
| LEID VOOR NETAANSLUITING | ||||
| 805 | 1607000388 | 10.68 | 12.92 | |
| TYPEPLAAT | ||||
| 808 | 160111A3H3 | 2.18 | 2.64 | |
| Niet meer leverbaar, geen vervanging | ||||
| 816/04 | 2604321917 | |||
| DRUKVEER | ||||
| 816/05 | 2604610026 | 2.18 | 2.64 | |
| ARRETEERKAP | ||||
| 816/06 | 2601322013 | 1.32 | 1.60 | |
| ARRETEERKAP | ||||
| 816/06 | 2601329051 | 1.32 | 1.60 | |
| Niet meer leverbaar, geen vervanging | ||||
| 826 | 2605807918 | |||
| Niet meer leverbaar, geen vervanging | ||||
| 831 | 2606316900 | |||
| BEVESTIGINGSBEUGEL | ||||
| 837 | 2608135901 | 9.47 | 11.46 | |
| PLAATSCHROEF | ||||
| 843 | 2910611018 | 1.32 | 1.60 | |
| PLAATSCHROEF | ||||
| 844 | 2910611020 | 1.32 | 1.60 | |