Hier vindt u alle beschikbare onderdelen en tekeningen van de 'Bosch 0603241703 ( SB400-E )'. Vanaf hier kunt u direct alle gewenste onderdelen bestellen. Vele onderdelen moeten bij de fabrikant besteld worden, dit duurt afhankelijk van het merk, één tot vier weken. Alle informatie die we hebben, staat op onze website, wij kunnen u geen advies geven over wat u nodig heeft, daarvoor zult u de machine ter reparatie in moeten leveren. Let bij het bestellen op het volgende:
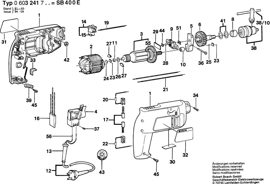
Tekeningen van de Bosch 0603241703 ( SB400-E )
Onderdelen lijst van de Bosch 0603241703 ( SB400-E )
| Pos. | Omschrijving | Prijs excl. BTW | Prijs incl. BTW | |
| Getoonde prijzen zijn inclusief btw | ||||
| Behuizingsschaal GROEN | ||||
| 1 | 2605104185 | 10.73 | 12.98 | |
| Niet meer leverbaar, geen vervanging | ||||
| 2 | 2604220423 | |||
| Anker 220-240V | ||||
| 3 | 2604010547 | 29.75 | 36.00 | |
| Niet meer leverbaar, geen vervanging | ||||
| 4 | 2607200137 | |||
| LAGERBRUG | ||||
| 5 | 2605807901 | 12.41 | 15.02 | |
| Niet meer leverbaar, geen vervanging | ||||
| 6 | 2606135903 | |||
| Sinterbus | ||||
| 8 | 2600301021 | 0.83 | 1.00 | |
| Stelschuif | ||||
| 9 | 2601020006 | 1.70 | 2.06 | |
| NAALDHULS | ||||
| 10 | 1610910057 | 2.52 | 3.05 | |
| Niet meer leverbaar, geen vervanging | ||||
| 11 | 1900301004 | |||
| DOORVOERBUISJE | ||||
| 13 | 2600707059 | 3.04 | 3.68 | |
| DOORVOERBUISJE | ||||
| 13 | 2600707061 | 2.52 | 3.05 | |
| Niet meer leverbaar, geen vervanging | ||||
| 14 | 2607200904 | |||
| Niet meer leverbaar, geen vervanging | ||||
| 15 | 2607320008 | |||
| Niet meer leverbaar, geen vervanging | ||||
| 16 | 2607329095 | |||
| Elektrische Leiding | ||||
| 19 | 2604448002 | 0.83 | 1.00 | |
| Niet meer leverbaar, geen vervanging | ||||
| 20 | 2604465081 | |||
| Verbindingsleiding L=154 MM WIT | ||||
| 21 | 2604448000 | 1.18 | 1.43 | |
| Niet meer leverbaar, geen vervanging | ||||
| 22 | 2604465099 | |||
| Niet meer leverbaar, geen vervanging | ||||
| 23 | 1601000013 | |||
| Niet meer leverbaar, geen vervanging | ||||
| 24 | 2601000018 | |||
| KOGEL | ||||
| 25 | 1903230009 | 1.00 | 1.21 | |
| Niet meer leverbaar, geen vervanging | ||||
| 26 | 1610210014 | |||
| Smeervilt | ||||
| 27 | 2601020005 | 1.18 | 1.43 | |
| KOGEL | ||||
| 28 | 1903230011 | 2.18 | 2.64 | |
| Tussenplaat | ||||
| 29 | 2601000032 | 1.18 | 1.43 | |
| Aanwijzingsplaat ZONZIJDE | ||||
| 31 | 2601110112 | 0.83 | 1.00 | |
| Aanwijzingsplaat ZONZIJDE | ||||
| 31 | 2601110135 | 0.83 | 1.00 | |
| Aanwijzingsplaat ZONZIJDE | ||||
| 32 | 2601110136 | 0.83 | 1.00 | |
| Zelfklevende Plaat | ||||
| 32 | 2601110236 | 0.83 | 1.00 | |
| Aanwijzingsplaat ZONZIJDE | ||||
| 32 | 2601110113 | 0.83 | 1.00 | |
| Niet meer leverbaar, geen vervanging | ||||
| 33 | 2601022000 | |||
| TORX-LENSKOPSCHROEF | ||||
| 34 | 2603490018 | 1.00 | 1.21 | |
| PLAATSCHROEF | ||||
| 35 | 2910611019 | 2.52 | 3.05 | |
| LENSKOPSCHROEF | ||||
| 36 | 2603490026 | 1.00 | 1.21 | |
| CILINDERKOPSCHROEF | ||||
| 37 | 2603410001 | 1.32 | 1.60 | |
| Niet meer leverbaar, geen vervanging | ||||
| 38 | 1608571047 | |||
| BOORHOUDERSLEUTEL | ||||
| 38/10 | 2607950007 | 5.96 | 7.21 | |
| LEIDINGHOUDER | ||||
| 39 | 2601035001 | 1.32 | 1.60 | |
| Drukplaat 0,5 MM | ||||
| 40 | 2601000019 | 1.18 | 1.43 | |
| Compensatieschijf Ø14,5x21,5x0,5 MM | ||||
| 41 | 2000101600 | 1.18 | 1.43 | |
| Compensatieschijf 0,3 MM | ||||
| 41 | 2600101604 | 1.18 | 1.43 | |
| ZESKANT MOER | ||||
| 42 | 2915011007 | 1.00 | 1.21 | |
| Niet meer leverbaar, geen vervanging | ||||
| 43 | 2601110041 | |||
| Drukplaat 1,5 MM | ||||
| 44 | 2601074001 | 1.18 | 1.43 | |
| PLAATSCHROEF | ||||
| 45 | 2910611019 | 2.52 | 3.05 | |
| PLAATSCHROEF | ||||
| 45 | 2912401020 | 1.90 | 2.30 | |
| Borstelhouder | ||||
| 49 | 2604330016 | 1.18 | 1.43 | |
| Elektrische Leiding | ||||
| 50 | 2604448003 | 1.70 | 2.06 | |
| SCHOTELVEER | ||||
| 51 | 2601290014 | 1.00 | 1.21 | |
| KOGEL | ||||
| 52 | 1903230002 | 1.90 | 2.30 | |
| Ventilator | ||||
| 55 | 2606610047 | 0.83 | 1.00 | |
| ADEREINDHULS | ||||
| 56 | 1900452012 | 1.32 | 1.60 | |
| ZESKANT MOER | ||||
| 653 | 2915011007 | 1.00 | 1.21 | |
| KOOLBORSTELSET | ||||
| 817 | 2604321904 | 8.48 | 10.26 | |
| LEID VOOR NETAANSLUITING | ||||
| 835 | 1607000386 | 17.60 | 21.30 | |
| TYPEPLAAT | ||||
| 888 | 160111A3H3 | 2.18 | 2.64 | |