Hier vindt u alle beschikbare onderdelen en tekeningen van de 'Bosch 0601301014 ( USW(J)77..S3 )'. Vanaf hier kunt u direct alle gewenste onderdelen bestellen. Vele onderdelen moeten bij de fabrikant besteld worden, dit duurt afhankelijk van het merk, één tot vier weken. Alle informatie die we hebben, staat op onze website, wij kunnen u geen advies geven over wat u nodig heeft, daarvoor zult u de machine ter reparatie in moeten leveren. Let bij het bestellen op het volgende:
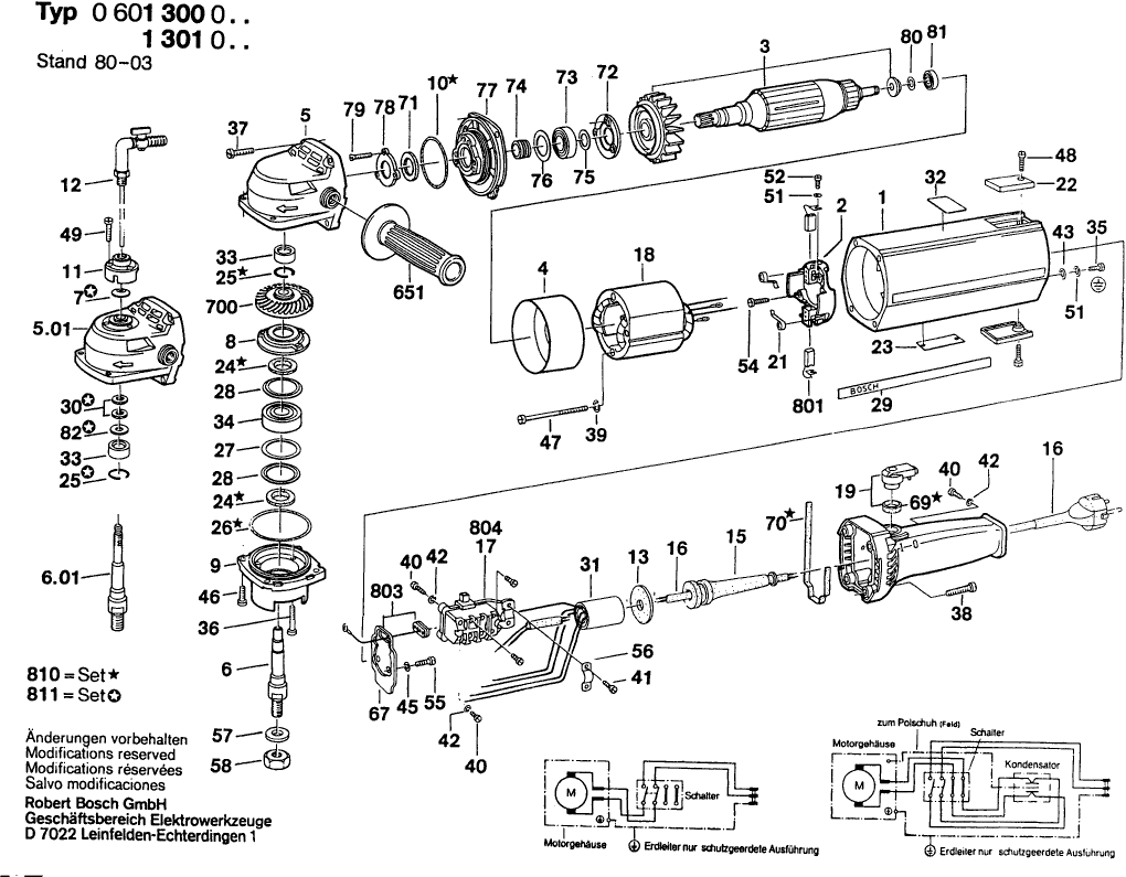
Tekeningen van de Bosch 0601301014 ( USW(J)77..S3 )
Onderdelen lijst van de Bosch 0601301014 ( USW(J)77..S3 )
| Pos. | Omschrijving | Prijs excl. BTW | Prijs incl. BTW | |
| Getoonde prijzen zijn inclusief btw | ||||
| Niet meer leverbaar, geen vervanging | ||||
| 1 | 1605108042 | |||
| Borstelhouder | ||||
| 2 | 1604336006 | 15.71 | 19.01 | |
| Niet meer leverbaar, geen vervanging | ||||
| 3 | 1604010037 | |||
| LUCHTGELEIDINGSRING | ||||
| 4 | 1600209002 | 4.58 | 5.54 | |
| Transmissiehuis | ||||
| 5 | 3605806132 | 113.29 | 137.08 | |
| SLIJPSPIL | ||||
| 6 | 1603523034 | 209.26 | 253.20 | |
| Geen informatie beschikbaar, niet bestelbaar | ||||
| 6/01 | 1603523091 | |||
| Schotelschijf | ||||
| 7 | 1600109002 | 1.18 | 1.43 | |
| Veerring | ||||
| 8 | 1600521013 | 7.58 | 9.17 | |
| LAGERFLENS | ||||
| 9 | 3607030375 | 210.30 | 254.46 | |
| O-RING | ||||
| 10 | 1900210146 | 3.71 | 4.49 | |
| Aansluitflens | ||||
| 11 | 1600328012 | 0.83 | 1.00 | |
| Afstelkraan | ||||
| 12 | 1607415002 | 44.82 | 54.23 | |
| AFDICHTING | ||||
| 13 | 1600113002 | 1.32 | 1.60 | |
| HANDGREEP | ||||
| 14 | 3605132048 | 67.98 | 82.26 | |
| AFDICHTSNOER | ||||
| 14/1 | 1601014000 | 2.52 | 3.05 | |
| DOORVOERBUISJE | ||||
| 15 | 3600703011 | 2.52 | 3.05 | |
| Niet meer leverbaar, geen vervanging | ||||
| 16 | 1604461009 | |||
| Niet meer leverbaar, geen vervanging | ||||
| 17 | 1607000034 | |||
| Niet meer leverbaar, geen vervanging | ||||
| 18 | 1604220032 | |||
| SCHAKELHEFBOOM | ||||
| 19 | 1602026030 | 8.48 | 10.26 | |
| SPIRAALVEER | ||||
| 21 | 1604652015 | 2.52 | 3.05 | |
| Afsluitdeksel BLAUW | ||||
| 22 | 3605500057 | 0.83 | 1.00 | |
| TYPEPLAAT | ||||
| 23 | 160111A3H3 | 2.18 | 2.64 | |
| AFDICHTSCHIJF | ||||
| 24 | 1600108048 | 1.32 | 1.60 | |
| SNAPRING | ||||
| 25 | 2916620011 | 1.32 | 1.60 | |
| O-RING | ||||
| 26 | 1600210005 | 2.52 | 3.05 | |
| Compensatieschijf 0,1 MM DIK | ||||
| 27 | 1600102639 | 1.70 | 2.06 | |
| Compensatieschijf 0,15 MM DIK | ||||
| 27 | 1600102640 | 1.70 | 2.06 | |
| Compensatieschijf | ||||
| 27 | 1600102638 | 1.18 | 1.43 | |
| BORGRING | ||||
| 28 | 2916660021 | 3.71 | 4.49 | |
| Firmaplaat | ||||
| 29 | 1601110003 | 1.18 | 1.43 | |
| Niet meer leverbaar, geen vervanging | ||||
| 31 | 1607329005 | |||
| NAALDLAGER | ||||
| 33 | 2600910001 | 3.71 | 4.49 | |
| GROEFKOGELLAGER | ||||
| 34 | 1900900352 | 26.62 | 32.21 | |
| PLATKOPSCHROEF | ||||
| 35 | 2910110116 | 1.00 | 1.21 | |
| Cilinderkopschroef DIN 84-AM5x25-5.8 | ||||
| 36 | 2910011164 | 0.83 | 1.00 | |
| Cilinderkopschroef AM 5x18 DIN 84-5.8 | ||||
| 37 | 2910011160 | 0.83 | 1.00 | |
| Cilinderkopschroef DIN 84-AM5x28-8.8 | ||||
| 38 | 2910021165 | 0.83 | 1.00 | |
| VEERRING | ||||
| 39 | 2916690004 | 1.32 | 1.60 | |
| CILINDERKOPSCHROEF | ||||
| 40 | 2910021050 | 1.00 | 1.21 | |
| Cilinderkopschroef DIN 84-AM4x12-5.8 | ||||
| 41 | 2910011122 | 0.83 | 1.00 | |
| Verende Sluitring A 3 DIN 137-ST | ||||
| 42 | 2916060003 | 0.83 | 1.00 | |
| Onderlegschijf A 4,3 DIN 125-ST | ||||
| 43 | 2916010410 | 0.83 | 1.00 | |
| ONDERLEGSCHIJF | ||||
| 45 | 2916011006 | 1.32 | 1.60 | |
| Niet meer leverbaar, geen vervanging | ||||
| 46 | 2910011157 | |||
| Cilinderkopschroef | ||||
| 47 | 1603410008 | 0.83 | 1.00 | |
| CILINDERKOPSCHROEF | ||||
| 48 | 2910021125 | 1.00 | 1.21 | |
| CILINDERKOPSCHROEF | ||||
| 49 | 2910021130 | 1.00 | 1.21 | |
| Verende Sluitring DIN 137-A4 | ||||
| 51 | 1600150006 | 5.33 | 6.45 | |
| CILINDERKOPSCHROEF | ||||
| 52 | 2910011120 | 1.00 | 1.21 | |
| PLAATSCHROEF | ||||
| 54 | 2910211019 | 1.00 | 1.21 | |
| Plaatschroef DIN 7971-BZ2,9x6,5 | ||||
| 55 | 2910211004 | 1.18 | 1.43 | |
| KLEMBEVESTIGING | ||||
| 56 | 1601302013 | 1.32 | 1.60 | |
| O-ring | ||||
| 57 | 1000202026 | 0.83 | 1.00 | |
| Zeskant moer DIN 934-M 14-6G | ||||
| 58 | 2915011012 | 3.31 | 4.01 | |
| VILTRING | ||||
| 69 | 1600205008 | 1.32 | 1.60 | |
| VILTSCHIJF | ||||
| 71 | 1600108018 | 2.18 | 2.64 | |
| LAGERDEKSEL | ||||
| 72 | 1600501019 | 22.88 | 27.68 | |
| Geen informatie beschikbaar, niet bestelbaar | ||||
| 73 | 1600900020 | |||
| DRAADRING | ||||
| 74 | 1603344030 | 61.93 | 74.94 | |
| COMPENSATIESCHIJF | ||||
| 75 | 1600101641 | 3.04 | 3.68 | |
| COMPENSATIESCHIJF | ||||
| 76 | 1600101650 | 2.18 | 2.64 | |
| COMPENSATIESCHIJF | ||||
| 76 | 1600101648 | 1.32 | 1.60 | |
| LAGERFLENS | ||||
| 77 | 3605820064 | 75.38 | 91.21 | |
| AFDEKSCHIJF | ||||
| 78 | 1600501024 | 13.90 | 16.82 | |
| Verzonken Schroef DIN 63-AM4x20-8.8 | ||||
| 79 | 2910511130 | 0.83 | 1.00 | |
| Compensatieschijf 0,10 MM DIK | ||||
| 80 | 1420100023 | 1.18 | 1.43 | |
| KOGELLAGER | ||||
| 81 | 1900905018 | 15.61 | 18.89 | |
| Geen informatie beschikbaar, niet bestelbaar | ||||
| 651 | 1602025030 | |||
| KEGELWIEL | ||||
| 700 | 1606333082 | 126.98 | 153.65 | |
| Niet meer leverbaar, geen vervanging | ||||
| 801 | 1607014102 | |||
| AFDICHTPLAAT | ||||
| 803 | 1602388007 | 10.68 | 12.92 | |
| Geen informatie beschikbaar, niet bestelbaar | ||||
| 810 | 1607000058 | |||
| Geen informatie beschikbaar, niet bestelbaar | ||||
| 811 | 1607000044 | |||