Hier vindt u alle beschikbare onderdelen en tekeningen van de 'Fein 72295200230 ( FMM350QSL )'. Vanaf hier kunt u direct alle gewenste onderdelen bestellen. Vele onderdelen moeten bij de fabrikant besteld worden, dit duurt afhankelijk van het merk, één tot vier weken. Alle informatie die we hebben, staat op onze website, wij kunnen u geen advies geven over wat u nodig heeft, daarvoor zult u de machine ter reparatie in moeten leveren. Let bij het bestellen op het volgende:
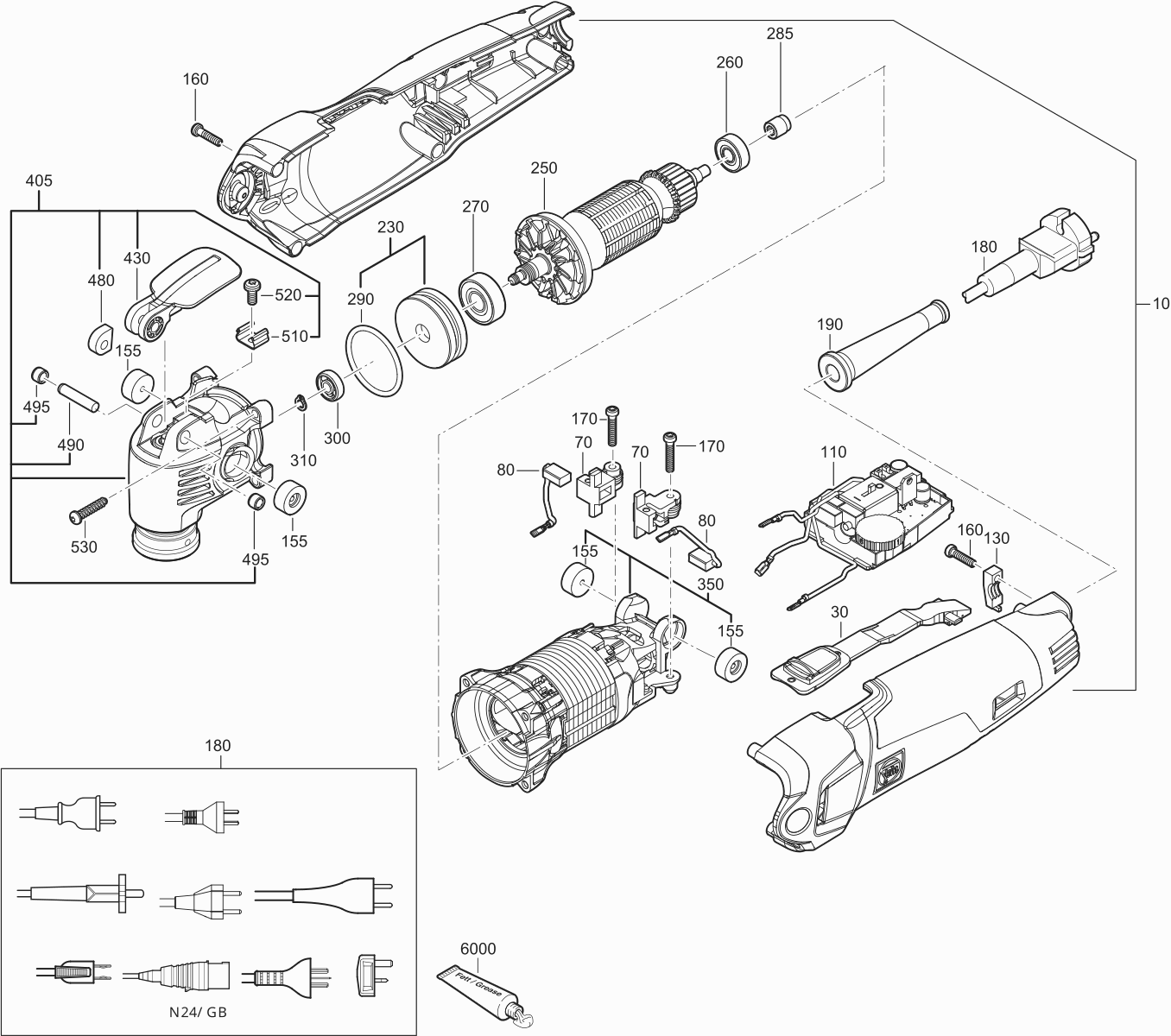
Tekeningen van de Fein 72295200230 ( FMM350QSL )
Onderdelen lijst van de Fein 72295200230 ( FMM350QSL )
| Pos. | Omschrijving | Prijs excl. BTW | Prijs incl. BTW | |
| Getoonde prijzen zijn inclusief btw | ||||
| MOTORHUIS | ||||
| 10 | 31901173000 | 36.37 | 44.01 | |
| Niet meer leverbaar, geen vervanging | ||||
| 30 | 32805311000 | |||
| KOOLBORSTELHOUDER | ||||
| 70 | 30712087015 | 6.19 | 7.49 | |
| KOOLBORSTEL | ||||
| 80 | 30711157000 | 6.61 | 8.00 | |
| Niet meer leverbaar, geen vervanging | ||||
| 110 | 30762453990 | |||
| KABELKLEMSTUK | ||||
| 130 | 32431045000 | 1.04 | 1.26 | |
| TRILLINGSDEMPER | ||||
| 155 | 31415110000 | 2.51 | 3.04 | |
| SCHROEF | ||||
| 160 | 43074010000 | 1.04 | 1.26 | |
| SCHROEF | ||||
| 170 | 43074002000 | 1.04 | 1.26 | |
| KABEL COMPL. | ||||
| 180 | 30707343017 | 12.63 | 15.28 | |
| TULE WS14 | ||||
| 190 | 31413233000 | 2.71 | 3.28 | |
| BUS | ||||
| 230 | 31603053010 | 10.58 | 12.80 | |
| ANKER | ||||
| 250 | 53278005230 | 62.52 | 75.65 | |
| GROEFKOGELLAGER | ||||
| 260 | 41701001032 | 9.05 | 10.95 | |
| GROEFKOGELLAGER | ||||
| 270 | 41701007038 | 8.90 | 10.77 | |
| MAGNEETRING | ||||
| 285 | 32172014010 | 7.66 | 9.27 | |
| DICHTING | ||||
| 290 | 40612167000 | 1.04 | 1.26 | |
| LAGER | ||||
| 300 | 41701000020 | 10.86 | 13.14 | |
| RING | ||||
| 310 | 42616046003 | 1.04 | 1.26 | |
| VELD | ||||
| 350 | 52278046230 | 52.32 | 63.31 | |
| MACHINEKOP AFMM18QSL/FMM350QSL | ||||
| 405 | 31508287040 | 125.05 | 151.31 | |
| HENDEL | ||||
| 430 | 34300000012 | 12.51 | 15.14 | |
| EXCENTERRING | ||||
| 480 | 33218150000 | 3.34 | 4.04 | |
| CILINDER STIFT | ||||
| 490 | 40242064000 | 1.04 | 1.26 | |
| BUS | ||||
| 495 | 30507220000 | 2.51 | 3.04 | |
| BORGVEER | ||||
| 510 | 30907067000 | 1.88 | 2.27 | |
| SCHROEF MET VERGR. | ||||
| 520 | 43064023045 | 0.90 | 1.09 | |
| SCHROEF TORX20 4.0X18 | ||||
| 530 | 43074008000 | 1.04 | 1.26 | |
| RFID CHIP | ||||
| 2500 | 32217517000 | 1.25 | 1.51 | |
| Geen informatie beschikbaar, niet bestelbaar | ||||
| 5000 | 33901131920 | |||
| ZUIGKAP | ||||
| 5010 | 33218136000 | 6.19 | 7.49 | |
| VILTRING | ||||
| 5020 | 30601106007 | 2.29 | 2.77 | |
| ADAPTER | ||||
| 5030 | 30605112000 | 4.52 | 5.47 | |
| AFZUIGBUIS | ||||
| 5040 | 33218137010 | 15.95 | 19.30 | |
| GREEP | ||||
| 5200 | 32119122000 | 7.66 | 9.27 | |
| CLIP TBV KOFFER METAAL | ||||
| 5210 | 30232050000 | 8.63 | 10.44 | |
| INLAGE | ||||
| 5300 | 33904488000 | 16.91 | 20.46 | |
| Geen informatie beschikbaar, niet bestelbaar | ||||
| 5450 | 63806136220 | |||
| Geen informatie beschikbaar, niet bestelbaar | ||||
| 5500 | 92602102000 | |||
| Niet meer leverbaar, geen vervanging | ||||
| 6000 | 32160003014 | |||
| Veiligheidsvoorschrift | ||||
| 9020 | 34130054061 | 1.86 | 2.25 | |