Hier vindt u alle beschikbare onderdelen en tekeningen van de 'Fein 72231600230 ( GSZ8-280P )'. Vanaf hier kunt u direct alle gewenste onderdelen bestellen. Vele onderdelen moeten bij de fabrikant besteld worden, dit duurt afhankelijk van het merk, één tot vier weken. Alle informatie die we hebben, staat op onze website, wij kunnen u geen advies geven over wat u nodig heeft, daarvoor zult u de machine ter reparatie in moeten leveren. Let bij het bestellen op het volgende:
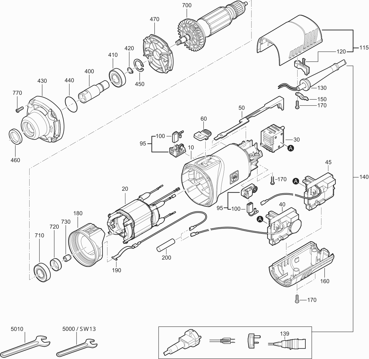
Tekeningen van de Fein 72231600230 ( GSZ8-280P )
Onderdelen lijst van de Fein 72231600230 ( GSZ8-280P )
| Pos. | Omschrijving | Prijs excl. BTW | Prijs incl. BTW | |
| Getoonde prijzen zijn inclusief btw | ||||
| MOTORHUIS | ||||
| 10 | 31901174000 | 30.62 | 37.05 | |
| VELDEENHEID WSG8-125 | ||||
| 20 | 51281004230 | 41.47 | 50.18 | |
| SCHAKELAAR | ||||
| 30 | 30701299000 | 25.20 | 30.49 | |
| ELEKTRONICA 50/60H220-230V | ||||
| 45 | 30762542990 | 84.22 | 101.91 | |
| SCHAKELSTANG | ||||
| 50 | 32816079000 | 2.51 | 3.04 | |
| SCHAKELSCHUIF | ||||
| 60 | 32805306000 | 4.10 | 4.96 | |
| KBHOUDER + KOOLBORSTEL | ||||
| 95 | 30712096010 | 10.16 | 12.29 | |
| KOOLBORSTEL P/STUK | ||||
| 100 | 30711158000 | 7.38 | 8.93 | |
| DEKSEL | ||||
| 115 | 32427150010 | 11.87 | 14.36 | |
| TREKONTLASTING | ||||
| 120 | 32431047000 | 1.04 | 1.26 | |
| KABELTULE | ||||
| 130 | 31413282000 | 2.93 | 3.55 | |
| KABEL 2X1.0 MM | ||||
| 140 | 30707544010 | 12.63 | 15.28 | |
| KABEL KLEMSTUK | ||||
| 150 | 32431043002 | 1.04 | 1.26 | |
| DEKSEL | ||||
| 160 | 32427148000 | 5.99 | 7.25 | |
| SCHROEF | ||||
| 170 | 43072000000 | 1.04 | 1.26 | |
| LUCHTGELEIDINGSRING | ||||
| 180 | 31428179000 | 6.41 | 7.76 | |
| CONTACTVEER | ||||
| 190 | 32803019020 | 2.71 | 3.28 | |
| BESCHERMSLANG | ||||
| 200 | 31413232000 | 1.04 | 1.26 | |
| AS | ||||
| 400 | 33406319000 | 122.50 | 148.22 | |
| GROEFKOGELLAGER | ||||
| 410 | 41701012056 | 12.12 | 14.67 | |
| BORGRING | ||||
| 420 | 42616007001 | 1.04 | 1.26 | |
| HALSLAGER | ||||
| 430 | 31510099000 | 75.28 | 91.09 | |
| AFDICHTRING | ||||
| 440 | 40612128007 | 1.04 | 1.26 | |
| BORGRING | ||||
| 450 | 42616012007 | 1.25 | 1.51 | |
| RING | ||||
| 460 | 32601278000 | 10.72 | 12.97 | |
| LUCHTGELEIDINGSRING | ||||
| 470 | 31428185000 | 7.24 | 8.76 | |
| ANKER 230V50H | ||||
| 700 | 53281005230 | 144.19 | 174.47 | |
| LAGER | ||||
| 710 | 41701001260 | 5.77 | 6.98 | |
| RUBBER BUS | ||||
| 720 | 30507236000 | 2.93 | 3.55 | |
| MAGNEETRING | ||||
| 730 | 32172014010 | 7.66 | 9.27 | |
| SCHROEF | ||||
| 770 | 43074012000 | 1.04 | 1.26 | |
| RFID CHIP | ||||
| 2500 | 32217517000 | 1.25 | 1.51 | |
| Geen informatie beschikbaar, niet bestelbaar | ||||
| 5000 | 62901007007 | |||
| Geen informatie beschikbaar, niet bestelbaar | ||||
| 5010 | 62903002009 | |||
| Niet meer leverbaar, geen vervanging | ||||
| 6000 | 32160003014 | |||
| Veiligheidsvoorschrift | ||||
| 9020 | 34130054061 | 1.86 | 2.25 | |