Hier vindt u alle beschikbare onderdelen en tekeningen van de 'Fein 72322500232 ( RSS638-7 )'. Vanaf hier kunt u direct alle gewenste onderdelen bestellen. Vele onderdelen moeten bij de fabrikant besteld worden, dit duurt afhankelijk van het merk, één tot vier weken. Alle informatie die we hebben, staat op onze website, wij kunnen u geen advies geven over wat u nodig heeft, daarvoor zult u de machine ter reparatie in moeten leveren. Let bij het bestellen op het volgende:
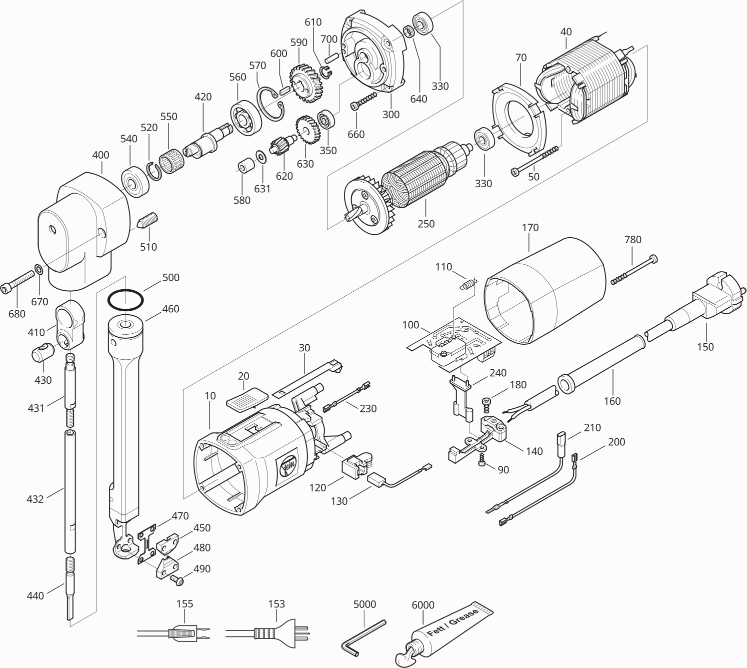
Tekeningen van de Fein 72322500232 ( RSS638-7 )
Onderdelen lijst van de Fein 72322500232 ( RSS638-7 )
| Pos. | Omschrijving | Prijs excl. BTW | Prijs incl. BTW | |
| Getoonde prijzen zijn inclusief btw | ||||
| MOTORHUIS | ||||
| 10 | 31901103008 | 63.16 | 76.42 | |
| SCHAKELAARSCHUIF | ||||
| 20 | 32805128003 | 3.13 | 3.79 | |
| SCHAKELAARSTANG | ||||
| 30 | 32816040003 | 2.71 | 3.28 | |
| VELD | ||||
| 40 | 51271007230 | 70.18 | 84.92 | |
| SCHROEF | ||||
| 50 | 43070004001 | 1.04 | 1.26 | |
| LUCHTGELEIDINGSRING | ||||
| 70 | 31428075007 | 4.10 | 4.96 | |
| SCHROEF | ||||
| 90 | 43046019009 | 1.04 | 1.26 | |
| SCHAKELAARPRINT | ||||
| 100 | 30762136008 | 77.84 | 94.19 | |
| TREKVEER | ||||
| 110 | 30902040004 | 2.93 | 3.55 | |
| KOOLBORSTELHOUDER | ||||
| 120 | 30712086011 | 7.66 | 9.27 | |
| KOOLBORSTEL 638 | ||||
| 130 | 30711127007 | 15.63 | 18.91 | |
| KLEMSTUK | ||||
| 140 | 32431036008 | 3.68 | 4.45 | |
| Geen informatie beschikbaar, niet bestelbaar | ||||
| 150 | 30707174010 | |||
| BESCHERMSLANG | ||||
| 160 | 31413007007 | 2.51 | 3.04 | |
| DEKSEL | ||||
| 170 | 31201072020 | 10.58 | 12.80 | |
| SCHROEF | ||||
| 180 | 43070001006 | 1.04 | 1.26 | |
| VERBINDINGSKABEL | ||||
| 210 | 30719340018 | 2.09 | 2.53 | |
| VERBINDINGSSTUK | ||||
| 240 | 31428086009 | 3.90 | 4.72 | |
| ANKER 230V | ||||
| 250 | 53270003236 | 177.36 | 214.61 | |
| Niet meer leverbaar, geen vervanging | ||||
| 300 | 31506333009 | |||
| GROEFKOGELLAGER | ||||
| 330 | 41701001172 | 8.21 | 9.93 | |
| GROEFKOGELLAGER | ||||
| 350 | 41701202018 | 5.77 | 6.98 | |
| Niet meer leverbaar, geen vervanging | ||||
| 400 | 31309062002 | |||
| Niet meer leverbaar, geen vervanging | ||||
| 410 | 31309063006 | |||
| Niet meer leverbaar, geen vervanging | ||||
| 420 | 31309064004 | |||
| PEN | ||||
| 430 | 31308078001 | 80.39 | 97.27 | |
| Niet meer leverbaar, geen vervanging | ||||
| 431 | 31309117009 | |||
| Niet meer leverbaar, geen vervanging | ||||
| 432 | 31309118007 | |||
| Geen informatie beschikbaar, niet bestelbaar | ||||
| 440 | 31309119001 | |||
| STEMPELGELEIDING | ||||
| 450 | 31309120003 | 136.53 | 165.20 | |
| Geen informatie beschikbaar, niet bestelbaar | ||||
| 460 | 31309127017 | |||
| Geen informatie beschikbaar, niet bestelbaar | ||||
| 470 | 31309121002 | |||
| Niet meer leverbaar, geen vervanging | ||||
| 480 | 31309122005 | |||
| SCHROEF | ||||
| 490 | 31309123009 | 1.25 | 1.51 | |
| Niet meer leverbaar, geen vervanging | ||||
| 500 | 31309126004 | |||
| Niet meer leverbaar, geen vervanging | ||||
| 510 | 31309041001 | |||
| SPRINGRING | ||||
| 520 | 42615104004 | 1.04 | 1.26 | |
| LAGER | ||||
| 540 | 41701207055 | 13.72 | 16.60 | |
| NAALDLAGER | ||||
| 550 | 41715043006 | 21.05 | 25.47 | |
| GROEFKOGELLAGER | ||||
| 560 | 41701210021 | 6.19 | 7.49 | |
| BORGRING | ||||
| 570 | 42616002008 | 1.04 | 1.26 | |
| NAALDLAGER | ||||
| 580 | 41706034001 | 32.54 | 39.37 | |
| Niet meer leverbaar, geen vervanging | ||||
| 590 | 33657151008 | |||
| INLEGSPIE | ||||
| 600 | 40221003006 | 1.25 | 1.51 | |
| BORGRING | ||||
| 610 | 42616034007 | 1.04 | 1.26 | |
| Niet meer leverbaar, geen vervanging | ||||
| 620 | 33757072009 | |||
| Geen informatie beschikbaar, niet bestelbaar | ||||
| 630 | 33657150009 | |||
| SCHYF | ||||
| 631 | 32408185009 | 2.71 | 3.28 | |
| AFDICHTINGSRING | ||||
| 640 | 32612056001 | 2.36 | 2.86 | |
| SCHROEF | ||||
| 660 | 43070010006 | 1.04 | 1.26 | |
| BORGSCHYF | ||||
| 670 | 42443004057 | 1.04 | 1.26 | |
| SCHROEF CILINDER | ||||
| 680 | 43035019059 | 1.04 | 1.26 | |
| STIFT CILINDER | ||||
| 700 | 40201036006 | 1.04 | 1.26 | |
| SCHROEF | ||||
| 780 | 43070004001 | 1.04 | 1.26 | |
| Geen informatie beschikbaar, niet bestelbaar | ||||
| 5000 | 62907010000 | |||
| Niet meer leverbaar, geen vervanging | ||||
| 6000 | 32160003014 | |||
| Veiligheidsvoorschrift | ||||
| 9020 | 34130054061 | 1.86 | 2.25 | |