Hier vindt u alle beschikbare onderdelen en tekeningen van de 'Festool 486899 ( AP55 )'. Vanaf hier kunt u direct alle gewenste onderdelen bestellen. Vele onderdelen moeten bij de fabrikant besteld worden, dit duurt afhankelijk van het merk, één tot vier weken. Alle informatie die we hebben, staat op onze website, wij kunnen u geen advies geven over wat u nodig heeft, daarvoor zult u de machine ter reparatie in moeten leveren. Let bij het bestellen op het volgende:
In verband met een reorganisatie binnen Festool, worden Festool orders pas in de tweede helft van januari 2026 uitgeleverd.
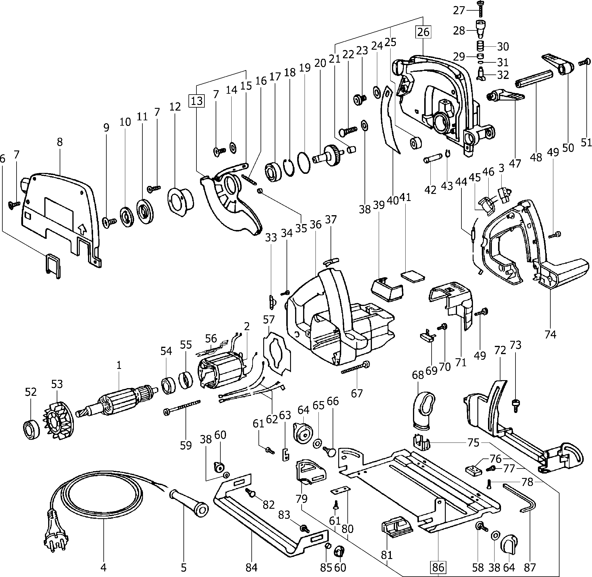
Tekeningen van de Festool 486899 ( AP55 )
Onderdelen lijst van de Festool 486899 ( AP55 )
| Pos. | Omschrijving | Prijs excl. BTW | Prijs incl. BTW | |
| Getoonde prijzen zijn inclusief btw | ||||
| ANKER 230V AP 55 230V ET-BG | ||||
| 1 | 493219 | 157.18 | 190.19 | |
| VELDPAKKET AP 55 | ||||
| 2 | 493220 | 78.17 | 94.59 | |
| Geen informatie beschikbaar, niet bestelbaar | ||||
| 3 | 490843 | |||
| KABEL M.STECKER ATF 55 DIN-H05RN-F | ||||
| 4 | 461124 | 24.32 | 29.43 | |
| KABELBESCHERMIN RTR 1409 | ||||
| 5 | 432436 | 1.39 | 1.68 | |
| KIJKRAAM AP 55 E | ||||
| 6 | 438943 | 3.89 | 4.71 | |
| VERZINKSCHROEF M4X10-TAPTITE-KT15 | ||||
| 7 | 228736 | 1.39 | 1.68 | |
| Geen informatie beschikbaar, niet bestelbaar | ||||
| 8 | xxx | |||
| VERZ.SCHROEF AF 45 E | ||||
| 9 | 439269 | 1.85 | 2.24 | |
| TEGENFLENS ATF 55 E | ||||
| 10 | 440089 | 5.74 | 6.95 | |
| Geen informatie beschikbaar, niet bestelbaar | ||||
| 11 | xxx | |||
| Geen informatie beschikbaar, niet bestelbaar | ||||
| 12 | xxx | |||
| Geen informatie beschikbaar, niet bestelbaar | ||||
| 13 | 488077 | |||
| Geen informatie beschikbaar, niet bestelbaar | ||||
| 14 | xxx | |||
| Geen informatie beschikbaar, niet bestelbaar | ||||
| 15 | xxx | |||
| TREKVEER AP 55 E | ||||
| 16 | 440723 | 1.45 | 1.75 | |
| GROEFKOGELLAGER 6201 DDUCM D8 AS2SM | ||||
| 17 | 228659 | 8.11 | 9.81 | |
| BORGRING DIN 472-32X1,2 | ||||
| 18 | 401246 | 1.39 | 1.68 | |
| O-ring 33x1,5-NBR-70SHORE | ||||
| 19 | 215499 | 1.39 | 1.68 | |
| AANDRIJFAS AP 55 E | ||||
| 20 | 441034 | 49.73 | 60.17 | |
| CILINDERLAGER AP 55 E | ||||
| 21 | 439042 | 2.38 | 2.88 | |
| VLAKKE RONDKOPS AP 65 E | ||||
| 22 | 444362 | 1.39 | 1.68 | |
| CILINDERSCHROEF DIN 6912-M6X12-8.8 | ||||
| 23 | 774326 | 1.92 | 2.32 | |
| SCHIJF DIN 9021-6,4-100 HV | ||||
| 24 | 228546 | 1.39 | 1.68 | |
| PUFFER AXP 130 | ||||
| 25 | 714434 | 4.75 | 5.75 | |
| Geen informatie beschikbaar, niet bestelbaar | ||||
| 26 | 487572 | |||
| LENSKOPSCHROEF DIN 7985-M4X40-4.8 | ||||
| 27 | 228591 | 1.39 | 1.68 | |
| KNOP AP 55 E | ||||
| 28 | 440441 | 3.24 | 3.92 | |
| TUIMELSCHUIF AP 65 E | ||||
| 29 | 444142 | 1.39 | 1.68 | |
| VEER GRA-1/4-B | ||||
| 30 | 201134 | 1.39 | 1.68 | |
| O-RING 12,8X3,2 PERBUNAN | ||||
| 31 | 444234 | 1.39 | 1.68 | |
| AANSLAGBOUT AP 65 E | ||||
| 32 | 444114 | 8.98 | 10.87 | |
| KLEMBRUG RS 3 | ||||
| 33 | 439288 | 1.39 | 1.68 | |
| LENSKOPSCHROEF PT-3,5X16-KT15 | ||||
| 34 | 228663 | 1.39 | 1.68 | |
| Geen informatie beschikbaar, niet bestelbaar | ||||
| 35 | xxx | |||
| MOTORHUIS AP 55 EB 2 BLATT | ||||
| 36 | 446281 | 22.14 | 26.79 | |
| Geen informatie beschikbaar, niet bestelbaar | ||||
| 37 | xxx | |||
| SCHIJF DIN 7349-6,4 | ||||
| 38 | 402935 | 1.39 | 1.68 | |
| AFDEKKING AT 55 E | ||||
| 39 | 438607 | 4.09 | 4.95 | |
| SPLIJTWIG AP 55 E | ||||
| 40 | 440035 | 6.53 | 7.90 | |
| Geen informatie beschikbaar, niet bestelbaar | ||||
| 41 | xxx | |||
| Geen informatie beschikbaar, niet bestelbaar | ||||
| 42 | xxx | |||
| Geen informatie beschikbaar, niet bestelbaar | ||||
| 43 | xxx | |||
| KONDENSATOR AXT 50 LA ET | ||||
| 45 | 492778 | 18.15 | 21.96 | |
| MOLTOPRENSTR. AXT 55 | ||||
| 46 | 434716 | 1.39 | 1.68 | |
| HEFBOOM AP 55 E VOLLST. | ||||
| 47 | 486639 | 7.00 | 8.47 | |
| KLEMMOER AP 55 E | ||||
| 48 | 438950 | 12.70 | 15.37 | |
| LENSKOPSCHROEF PT-4,0X25-KT15 | ||||
| 49 | 228580 | 1.39 | 1.68 | |
| LEVELER AP 55 E | ||||
| 50 | 438944 | 1.51 | 1.83 | |
| VERZINKSCHROEF DIN 965-M6X10-4.8-PR30 | ||||
| 51 | 402365 | 1.39 | 1.68 | |
| GROEFKOGELLAGER 6000 Z1D1 DIN 625 | ||||
| 52 | 228798 | 5.68 | 6.87 | |
| VENTILATOR HL 850 E | ||||
| 53 | 715024 | 2.11 | 2.55 | |
| DIEPGR.KOGELLAG 608 2Z C3 DIN 625 | ||||
| 54 | 228559 | 4.30 | 5.20 | |
| LAGERRING AT 55 E | ||||
| 55 | 438613 | 1.39 | 1.68 | |
| U-BEUGEL AP 65 E | ||||
| 56 | 443331 | 1.51 | 1.83 | |
| LUCHTGELEIDING AP 55 E | ||||
| 57 | 457606 | 11.42 | 13.82 | |
| VLAKKE RONDKOPS AP 65 E | ||||
| 58 | 444362 | 1.39 | 1.68 | |
| LENSKOPSCHROEF PT-4,0X60-KT15 | ||||
| 59 | 228708 | 1.39 | 1.68 | |
| DRAAIKNOP KF 4 E D 23 M6 / 8T | ||||
| 60 | 440712 | 2.51 | 3.04 | |
| VERZINKSCHROEF DIN 965-M4X10-4.8-TORX | ||||
| 61 | 228727 | 1.39 | 1.68 | |
| Geen informatie beschikbaar, niet bestelbaar | ||||
| 62 | xxx | |||
| LOEP AP 55 E | ||||
| 63 | 439275 | 2.04 | 2.47 | |
| DRAAIKNOP D34 M6/8T BLUE | ||||
| 64 | 440713 | 2.71 | 3.28 | |
| SCHIJF DIN 9021-6,4-100 HV | ||||
| 65 | 228546 | 1.39 | 1.68 | |
| PLATKOPSCHROEF DIN 603-M6X25-4.6 | ||||
| 66 | 228603 | 1.39 | 1.68 | |
| CILINDERSCHROEF M5X40-TAPTITE | ||||
| 67 | 203780 | 1.66 | 2.01 | |
| SPAANDERKEERDER AW-AP 55 | ||||
| 68 | 439696 | 7.99 | 9.67 | |
| KOOLBORSTEL AP 65 E | ||||
| 69 | 488915 | 17.54 | 21.22 | |
| LENSKOPSCHROEF PT-3,5X8-T15 | ||||
| 70 | 219047 | 1.39 | 1.68 | |
| KAP AP 55 | ||||
| 71 | 439824 | 9.17 | 11.10 | |
| DRAGER AP 55 E 2 BLATT | ||||
| 72 | 439012 | 68.85 | 83.31 | |
| CILINDERKOPSCHR M5X16 POWERLOK | ||||
| 73 | 228617 | 1.39 | 1.68 | |
| GRIJPDEKSEL AT 55 E | ||||
| 74 | 438637 | 11.68 | 14.13 | |
| INSTELSTUK AP 65 E | ||||
| 75 | 442809 | 1.45 | 1.75 | |
| INSTELSTUK AT 65 E | ||||
| 76 | 443971 | 1.39 | 1.68 | |
| DRAADPEN DIN 551-M6X12-14H | ||||
| 77 | 442597 | 1.39 | 1.68 | |
| VERZINKSCHROEF PT-4,0-10-PZV | ||||
| 78 | 400014 | 1.39 | 1.68 | |
| ZWENKSEGMENT AP 55 E ACHTER | ||||
| 79 | 438855 | 2.30 | 2.78 | |
| DRAADLIJST AP 55 E | ||||
| 80 | 439789 | 1.85 | 2.24 | |
| ZWENKSEGMENT AP 55 E VOOR | ||||
| 81 | 438856 | 1.92 | 2.32 | |
| PLATKOPSCHROEF DIN 603-M6X12-4.6 | ||||
| 82 | 228592 | 1.39 | 1.68 | |
| PLATKOPSCHROEF DIN 603-M6X20-4.6 | ||||
| 83 | 228661 | 1.39 | 1.68 | |
| TAFELUITBREIDIN AP 55 E | ||||
| 84 | 438857 | 17.54 | 21.22 | |
| AFSTANDSBUS AP 55 E | ||||
| 85 | 439715 | 2.04 | 2.47 | |
| GELEIDEPLAAT ATF 55 E VOLLST. | ||||
| 86 | 484685 | 50.34 | 60.91 | |
| SLEUTEL AP 55 E MIT ZAPFEN | ||||
| 87 | 439236 | 3.70 | 4.48 | |