Hier vindt u alle beschikbare onderdelen en tekeningen van de 'Festool 485785 ( ATF55 )'. Vanaf hier kunt u direct alle gewenste onderdelen bestellen. Vele onderdelen moeten bij de fabrikant besteld worden, dit duurt afhankelijk van het merk, één tot vier weken. Alle informatie die we hebben, staat op onze website, wij kunnen u geen advies geven over wat u nodig heeft, daarvoor zult u de machine ter reparatie in moeten leveren. Let bij het bestellen op het volgende:
In verband met een reorganisatie binnen Festool, worden Festool orders pas in de tweede helft van januari 2026 uitgeleverd.
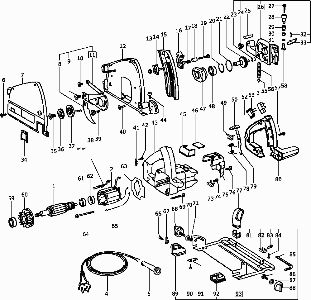
Tekeningen van de Festool 485785 ( ATF55 )
Onderdelen lijst van de Festool 485785 ( ATF55 )
| Pos. | Omschrijving | Prijs excl. BTW | Prijs incl. BTW | |
| Getoonde prijzen zijn inclusief btw | ||||
| ANKER 230V AP 55 230V ET-BG | ||||
| 1 | 493219 | 157.18 | 190.19 | |
| VELDPAKKET AP 55 | ||||
| 2 | 493220 | 78.17 | 94.59 | |
| UMBAUSATZ AT 65 E EU SCHALTER | ||||
| 3 | 490844 | 18.15 | 21.96 | |
| KABEL MET STEKK AP 55 E DIN-H05RN-F | ||||
| 4 | 457410 | 24.32 | 29.43 | |
| KABELBESCHERMIN RTR 1409 | ||||
| 5 | 432436 | 1.39 | 1.68 | |
| VERZINKSCHROEF M4X10-TAPTITE-KT15 | ||||
| 6 | 228736 | 1.39 | 1.68 | |
| DEKSEL ATF 55 E | ||||
| 7 | 703602 | 61.47 | 74.38 | |
| Niet meer leverbaar, geen vervanging | ||||
| 8 | 439860 | |||
| Geen informatie beschikbaar, niet bestelbaar | ||||
| 9 | xxx | |||
| Geen informatie beschikbaar, niet bestelbaar | ||||
| 10 | xxx | |||
| Geen informatie beschikbaar, niet bestelbaar | ||||
| 11 | xxx | |||
| BESCHERMKAP ATF 55 E | ||||
| 12 | 447207 | 55.06 | 66.62 | |
| ZESKANTBOUT DIN 934-M5-08 | ||||
| 13 | 200717 | 1.39 | 1.68 | |
| Geen informatie beschikbaar, niet bestelbaar | ||||
| 14 | xxx | |||
| SEGMENT ATF 55 E | ||||
| 15 | 440495 | 8.38 | 10.14 | |
| DIEPTE-AANSLAG ATF 55 E | ||||
| 16 | 445503 | 2.18 | 2.64 | |
| VEER GRA-1/4-B | ||||
| 17 | 201134 | 1.39 | 1.68 | |
| Niet meer leverbaar, geen vervanging | ||||
| 18 | 439956 | |||
| LENSKOPSCHROEF DIN 7985-M5X40-4.8-PR30 | ||||
| 19 | 203740 | 1.39 | 1.68 | |
| BORGRING DIN 472-32X1,2 | ||||
| 20 | 401246 | 1.39 | 1.68 | |
| O-RING 33,05X1,78-NBR-70SHORE | ||||
| 21 | 440457 | 1.39 | 1.68 | |
| Niet meer leverbaar, geen vervanging | ||||
| 22 | 443336 | |||
| CILINDERLAGER AP 55 E | ||||
| 23 | 439042 | 2.38 | 2.88 | |
| VERBINDINGSBUS AT 55 E | ||||
| 24 | 439331 | 2.30 | 2.78 | |
| CILINDERSTIFT 10,2X45 ATF 55 E | ||||
| 25 | 439972 | 3.17 | 3.84 | |
| Geen informatie beschikbaar, niet bestelbaar | ||||
| 26 | xxx | |||
| LENSKOPSCHROEF DIN 7985-M4X40-4.8 | ||||
| 27 | 228591 | 1.39 | 1.68 | |
| KNOP AP 55 E | ||||
| 28 | 440441 | 3.24 | 3.92 | |
| VEER GRA-1/4-B | ||||
| 29 | 201134 | 1.39 | 1.68 | |
| TUIMELSCHUIF AP 65 E | ||||
| 30 | 444142 | 1.39 | 1.68 | |
| O-RING 12,8X3,2 PERBUNAN | ||||
| 31 | 444234 | 1.39 | 1.68 | |
| SPANSTIFT DIN 7346-5X12-ST | ||||
| 32 | 228692 | 1.39 | 1.68 | |
| OMZWENKING ATF 55 E | ||||
| 33 | 439889 | 11.02 | 13.33 | |
| KIJKRAAM AP 55 E | ||||
| 34 | 438943 | 3.89 | 4.71 | |
| VERZ.SCHROEF AF 45 E | ||||
| 35 | 439269 | 1.85 | 2.24 | |
| TEGENFLENS ATF 55 E | ||||
| 36 | 440089 | 5.74 | 6.95 | |
| FLENS ATF 55 E | ||||
| 37 | 455953 | 11.54 | 13.96 | |
| U-BEUGEL AP 65 E | ||||
| 38 | 443331 | 1.51 | 1.83 | |
| Geen informatie beschikbaar, niet bestelbaar | ||||
| 39 | xxx | |||
| VERZINKSCHROEF PT-4,0-10-PZV | ||||
| 40 | 400014 | 1.39 | 1.68 | |
| KLEMBRUG RS 3 | ||||
| 41 | 439288 | 1.39 | 1.68 | |
| LENSKOPSCHROEF PT-3,5X16-KT15 | ||||
| 42 | 228663 | 1.39 | 1.68 | |
| MOTORHUIS ATF 55 EB 2 BLATT | ||||
| 43 | 446282 | 16.82 | 20.35 | |
| CILINDERKOPSCHR M5X16 POWERLOK | ||||
| 44 | 228617 | 1.39 | 1.68 | |
| AFDEKKING AT 55 E | ||||
| 45 | 438607 | 4.09 | 4.95 | |
| Geen informatie beschikbaar, niet bestelbaar | ||||
| 46 | xxx | |||
| LAGERBUS ATF 55 E | ||||
| 47 | 440228 | 26.50 | 32.06 | |
| GROEFKOGELLAGER 6201 DDUCM D8 AS2SM | ||||
| 48 | 228659 | 8.11 | 9.81 | |
| SCHIEBER ATF 55 EB | ||||
| 49 | 451680 | 1.39 | 1.68 | |
| KNOPF AXT 55 | ||||
| 50 | 434341 | 2.77 | 3.35 | |
| KONDENSATOR AXT 50 LA ET | ||||
| 52 | 492778 | 18.15 | 21.96 | |
| MOLTOPRENSTR. AXT 55 | ||||
| 53 | 434716 | 1.39 | 1.68 | |
| CENTREERBOUT ATF 55 E | ||||
| 55 | 440554 | 1.45 | 1.75 | |
| DRUKVEER DIN2098-1,80X14,50X123,0 | ||||
| 56 | 440209 | 3.36 | 4.07 | |
| LENSKOPSCHROEF PT-4,0X25-KT15 | ||||
| 57 | 228580 | 1.39 | 1.68 | |
| AANSLAGBOUT AP 65 E | ||||
| 58 | 444114 | 8.98 | 10.87 | |
| GROEFKOGELLAGER 6000 Z1D1 DIN 625 | ||||
| 59 | 228798 | 5.68 | 6.87 | |
| VENTILATOR HL 850 E | ||||
| 60 | 715024 | 2.11 | 2.55 | |
| DIEPGR.KOGELLAG 608 2Z C3 DIN 625 | ||||
| 61 | 228559 | 4.30 | 5.20 | |
| LAGERRING AT 55 E | ||||
| 62 | 438613 | 1.39 | 1.68 | |
| LUCHTGELEIDING AP 55 E | ||||
| 63 | 457606 | 11.42 | 13.82 | |
| LENSKOPSCHROEF PT-4,0X60-KT15 | ||||
| 64 | 228708 | 1.39 | 1.68 | |
| DRAAD AXT 55 VOLLST. | ||||
| 65 | 434951 | 3.70 | 4.48 | |
| VERZINKSCHROEF DIN 965-M4X10-4.8-TORX | ||||
| 66 | 228727 | 1.39 | 1.68 | |
| LOEP AP 55 E | ||||
| 67 | 439275 | 2.04 | 2.47 | |
| DRAAIKNOP D34 M6X27,5 BLAU | ||||
| 68 | 486202 | 2.57 | 3.11 | |
| CILINDERSCHROEF M5X40-TAPTITE | ||||
| 69 | 203780 | 1.66 | 2.01 | |
| SCHIJF DIN 9021-6,4-100 HV | ||||
| 70 | 228546 | 1.39 | 1.68 | |
| KOOLBORSTEL AP 65 E | ||||
| 73 | 488915 | 17.54 | 21.22 | |
| LENSKOPSCHROEF PT-3,5X8-T15 | ||||
| 74 | 219047 | 1.39 | 1.68 | |
| KAP AP 55 | ||||
| 75 | 439824 | 9.17 | 11.10 | |
| LENSKOPSCHROEF PT-4,0X25-KT15 | ||||
| 76 | 228580 | 1.39 | 1.68 | |
| SPAANDERKEERDER AW-AP 55 | ||||
| 77 | 439696 | 7.99 | 9.67 | |
| DRAAIVEER ATF 55 E | ||||
| 78 | 439973 | 1.72 | 2.08 | |
| HEFBOOM ATF 55 E | ||||
| 79 | 439890 | 3.10 | 3.75 | |
| GRIJPDEKSEL ATF 55 E | ||||
| 80 | 440102 | 21.18 | 25.63 | |
| INSTELSTUK AP 65 E | ||||
| 81 | 442809 | 1.45 | 1.75 | |
| INSTELSTUK AT 65 E | ||||
| 82 | 443971 | 1.39 | 1.68 | |
| DRAADPEN DIN 551-M6X12-14H | ||||
| 83 | 442597 | 1.39 | 1.68 | |
| VERZINKSCHROEF PT-4,0-10-PZV | ||||
| 84 | 400014 | 1.39 | 1.68 | |
| SLEUTEL AP 55 E MIT ZAPFEN | ||||
| 85 | 439236 | 3.70 | 4.48 | |
| PLATKOPSCHROEF DIN 603-M6X12-4.6 | ||||
| 86 | 228592 | 1.39 | 1.68 | |
| SCHIJF DIN 9021-6,4-100 HV | ||||
| 87 | 228546 | 1.39 | 1.68 | |
| DRAAIKNOP D34 M6/8T BLUE | ||||
| 88 | 440713 | 2.71 | 3.28 | |
| ZWENKSEGMENT AP 55 E ACHTER | ||||
| 89 | 438855 | 2.30 | 2.78 | |
| VERZINKSCHROEF DIN 965-M4X10-4.8-TORX | ||||
| 90 | 228727 | 1.39 | 1.68 | |
| DRAADLIJST AP 55 E | ||||
| 91 | 439789 | 1.85 | 2.24 | |
| ZWENKSEGMENT AP 55 E VOOR | ||||
| 92 | 438856 | 1.92 | 2.32 | |
| GELEIDEPLAAT ATF 55 E VOLLST. | ||||
| 93 | 484685 | 50.34 | 60.91 | |
| Geen informatie beschikbaar, niet bestelbaar | ||||
| 99 | xxx | |||