Hier vindt u alle beschikbare onderdelen en tekeningen van de 'Festool 488777 ( ET2E-C )'. Vanaf hier kunt u direct alle gewenste onderdelen bestellen. Vele onderdelen moeten bij de fabrikant besteld worden, dit duurt afhankelijk van het merk, één tot vier weken. Alle informatie die we hebben, staat op onze website, wij kunnen u geen advies geven over wat u nodig heeft, daarvoor zult u de machine ter reparatie in moeten leveren. Let bij het bestellen op het volgende:
In verband met een reorganisatie binnen Festool, worden Festool orders pas in de tweede helft van januari 2026 uitgeleverd.
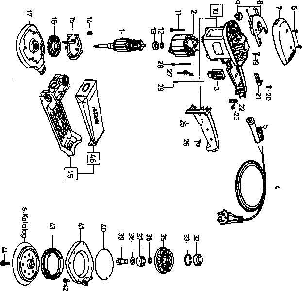
Tekeningen van de Festool 488777 ( ET2E-C )
Onderdelen lijst van de Festool 488777 ( ET2E-C )
| Pos. | Omschrijving | Prijs excl. BTW | Prijs incl. BTW | |
| Getoonde prijzen zijn inclusief btw | ||||
| ARMATURE 230V ET 2 E 230V ET-BG | ||||
| 1 | 493135 | 128.62 | 155.63 | |
| Niet meer leverbaar, geen vervanging | ||||
| 2 | 493137 | |||
| SWITCH ET 2 E | ||||
| 3 | 486317 | 15.00 | 18.15 | |
| KABEL M.STECKER AP 85 E DIN-H05RN-F | ||||
| 4 | 457600 | 24.32 | 29.43 | |
| Geen informatie beschikbaar, niet bestelbaar | ||||
| 5 | xxx | |||
| LENSKOPSCHROEF PT-3,5X10-KT15 | ||||
| 6 | 219031 | 7.32 | 8.86 | |
| BOVENKAP RS 3 E VOLLST. | ||||
| 7 | 488661 | 11.78 | 14.25 | |
| REGEL-ELEKTRONI ET 2 E ET-BAUGRU | ||||
| 8 | 486686 | 61.47 | 74.38 | |
| Geen informatie beschikbaar, niet bestelbaar | ||||
| 9 | xxx | |||
| HOUSING RS 2 E ET-GR | ||||
| 10 | 487834 | 37.51 | 45.39 | |
| LENSKOPSCHROEF PT-4,0X40-KT15 | ||||
| 11 | 219080 | 1.39 | 1.68 | |
| KULA-AUSGL.SCH. 14X21,8X0,3 L+MN 1100 | ||||
| 12 | 203777 | 1.39 | 1.68 | |
| Groefkogellager 608 D1 MC3 E U152 J2 HA1 | ||||
| 13 | 10775821 | 5.09 | 6.16 | |
| ZESKANTMOER DIN 934-M4-08 | ||||
| 14 | 200715 | 1.39 | 1.68 | |
| LUFTFUEHR.SCHE. RS 1 | ||||
| 15 | 443109 | 2.57 | 3.11 | |
| VENTILATOR RS 1 | ||||
| 16 | 436451 | 2.18 | 2.64 | |
| Geen informatie beschikbaar, niet bestelbaar | ||||
| 17 | xxx | |||
| LENSKOPSCHROEF M4X20-TAPTITE-T15 | ||||
| 19 | 228569 | 1.39 | 1.68 | |
| LENSKOPSCHROEF PT-3,5X10-KT15 | ||||
| 20 | 219031 | 7.32 | 8.86 | |
| BRUSH ET2E / RS2/3/4 | ||||
| 21 | 489018 | 10.75 | 13.01 | |
| KLEMBRUG RS 3 | ||||
| 22 | 439288 | 1.39 | 1.68 | |
| LENSKOPSCHROEF PT-3,5X16-KT15 | ||||
| 23 | 228663 | 1.39 | 1.68 | |
| HANDLE SEGMENT RS 2 E | ||||
| 25 | 451402 | 6.26 | 7.57 | |
| LENSKOPSCHROEF PT-4,0X20-KT15 | ||||
| 26 | 228567 | 1.39 | 1.68 | |
| U-BEUGEL AP 65 E | ||||
| 27 | 443331 | 1.51 | 1.83 | |
| Geen informatie beschikbaar, niet bestelbaar | ||||
| 28 | 440585 | |||
| Geen informatie beschikbaar, niet bestelbaar | ||||
| 29 | 443878 | |||
| GROEFKOGELLAGER 6201 DDUCM D8 AS2SM | ||||
| 32 | 228659 | 8.11 | 9.81 | |
| BORGRING DIN 472-32X1,2 | ||||
| 33 | 401246 | 1.39 | 1.68 | |
| Geen informatie beschikbaar, niet bestelbaar | ||||
| 35 | 488856 | |||
| BORGRING DIN 471-12X1 | ||||
| 36 | 200619 | 1.39 | 1.68 | |
| Kogellager 6001 RS/Z DIN 625 C3 | ||||
| 37 | 400048 | 7.58 | 9.17 | |
| SCHIJF ET 2 E | ||||
| 38 | 443660 | 1.39 | 1.68 | |
| BEVESTIGINGS-SP LET-GA | ||||
| 39 | 720438 | 26.38 | 31.92 | |
| Geen informatie beschikbaar, niet bestelbaar | ||||
| 40 | xxx | |||
| AFDEKKING ET 2 E 2 BLATT | ||||
| 41 | 442925 | 9.90 | 11.98 | |
| LENSKOPSCHROEF M4X12-TAPTITE-T15 | ||||
| 42 | 228509 | 1.39 | 1.68 | |
| MANCHET ETS 150 | ||||
| 43 | 701156 | 7.39 | 8.94 | |
| CILINDERSCHROEF ZUBEHOER | ||||
| 44 | 401165 | 1.39 | 1.68 | |
| TURBOFILTER-SET TFS II-ET/RS | ||||
| 45 | 487780 | 25.00 | 30.25 | |
| TURBOFILTER TF II-ET/RS/5X | ||||
| 46 | 487779 | 8.00 | 9.68 | |