Hier vindt u alle beschikbare onderdelen en tekeningen van de 'Festool 490026 ( HL850EB )'. Vanaf hier kunt u direct alle gewenste onderdelen bestellen. Vele onderdelen moeten bij de fabrikant besteld worden, dit duurt afhankelijk van het merk, één tot vier weken. Alle informatie die we hebben, staat op onze website, wij kunnen u geen advies geven over wat u nodig heeft, daarvoor zult u de machine ter reparatie in moeten leveren. Let bij het bestellen op het volgende:
In verband met een reorganisatie binnen Festool, worden Festool orders pas in de tweede helft van januari 2026 uitgeleverd.
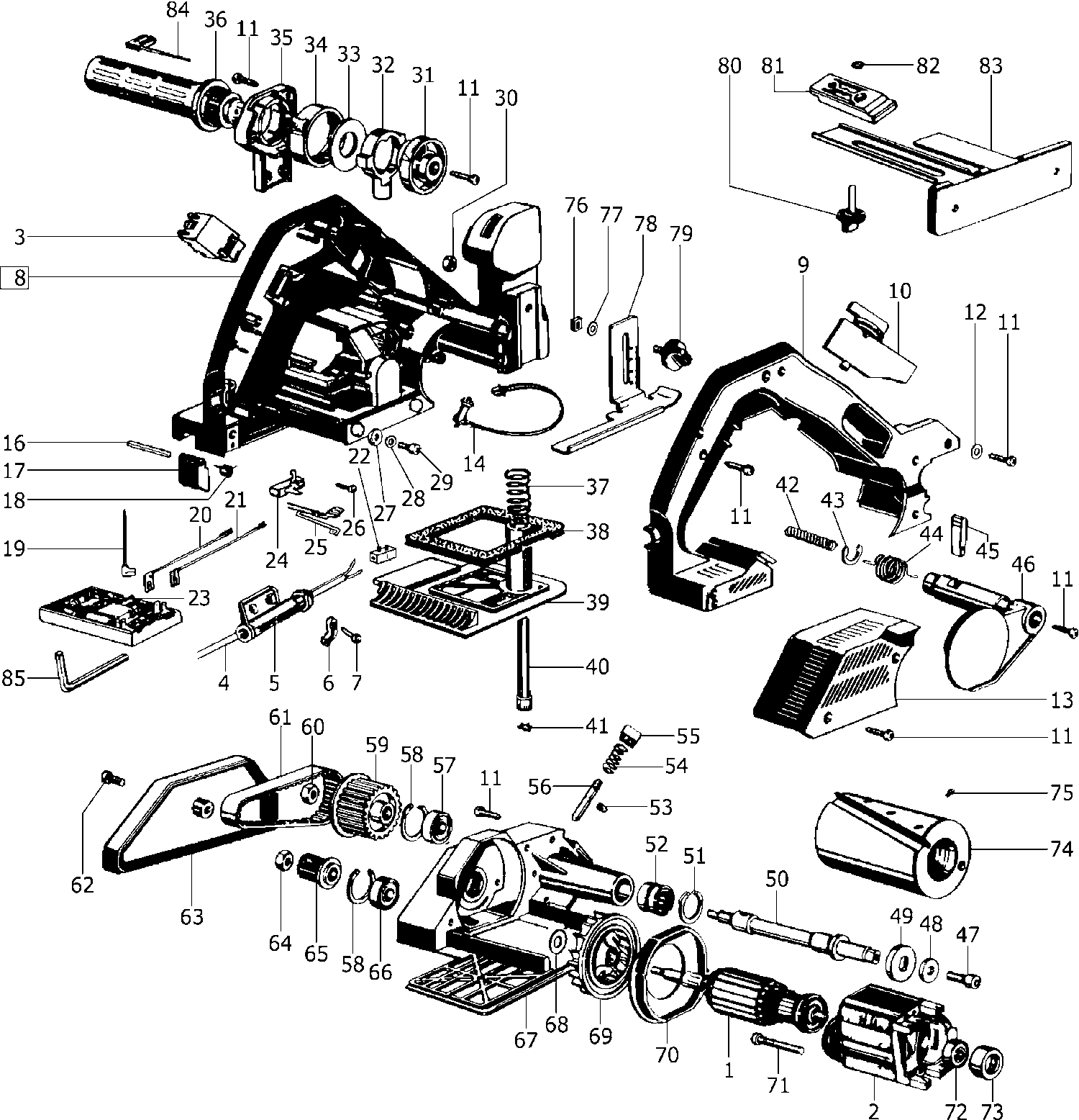
Tekeningen van de Festool 490026 ( HL850EB )
Onderdelen lijst van de Festool 490026 ( HL850EB )
| Pos. | Omschrijving | Prijs excl. BTW | Prijs incl. BTW | |
| Getoonde prijzen zijn inclusief btw | ||||
| ANKER 230V HL 850 E 230V ET-BG | ||||
| 1 | 492300 | 149.80 | 181.26 | |
| VELD HL 850 EB 230V ET-BG | ||||
| 2 | 492302 | 87.24 | 105.56 | |
| SWITCH HL 850 EB M.EINSCHAL | ||||
| 3 | 450576 | 15.97 | 19.32 | |
| KABEL M.STECKER AP 85 E DIN-H05RN-F | ||||
| 4 | 457600 | 24.32 | 29.43 | |
| KABELTUELLE RO 1 E 210.218 | ||||
| 5 | 437024 | 2.57 | 3.11 | |
| KLEMBRUG RS 3 | ||||
| 6 | 439288 | 1.39 | 1.68 | |
| LENSKOPSCHROEF PT-3,5X16-KT15 | ||||
| 7 | 228663 | 1.39 | 1.68 | |
| MOTORHUIS HL 850 E KOMPL. | ||||
| 8 | 485889 | 139.15 | 168.37 | |
| BOVENGREEP HL 850 E | ||||
| 9 | 715176 | 14.40 | 17.42 | |
| SPAANDERKEERDER HL 850 E | ||||
| 10 | 715039 | 3.10 | 3.75 | |
| LENSKOPSCHROEF PT-4,0X20-KT15 | ||||
| 11 | 228567 | 1.39 | 1.68 | |
| TANDSCHIJF DIN 6797-A-4,3 | ||||
| 12 | 200762 | 1.39 | 1.68 | |
| MOTORDEKSEL HL 850 E | ||||
| 13 | 455589 | 4.42 | 5.35 | |
| SPULENKOERPER HL 850 E VOLLST. | ||||
| 14 | 612012 | 14.40 | 17.42 | |
| CILINDERPEN DIN 7-4M6X36-ST | ||||
| 16 | 228651 | 1.39 | 1.68 | |
| STEUN HL 850 E | ||||
| 17 | 715030 | 1.39 | 1.68 | |
| DRAAIVEER HL 850 E | ||||
| 18 | 715033 | 1.39 | 1.68 | |
| DRAADSTRENG ET-TEIL | ||||
| 19 | 449242 | 2.77 | 3.35 | |
| LITZE HL 850 EB | ||||
| 20 | 449241 | 2.30 | 2.78 | |
| LITZE HL 850 EB | ||||
| 21 | 449240 | 2.83 | 3.42 | |
| LUESTERKLEMME NR.323 | ||||
| 22 | 410377 | 1.39 | 1.68 | |
| ELECTRONIC HL 850 EB 230V ET-BG | ||||
| 23 | 205136 | 103.21 | 124.88 | |
| KOOLBORSTEL AP 65 E | ||||
| 24 | 488915 | 17.54 | 21.22 | |
| U-BEUGEL ET-TEIL | ||||
| 25 | 449243 | 5.47 | 6.62 | |
| LENSKOPSCHROEF PT-3,5X10-KT15 | ||||
| 26 | 219031 | 7.32 | 8.86 | |
| STELRING HL 850 E | ||||
| 27 | 715166 | 4.30 | 5.20 | |
| SCHIJF DIN 125-B-5,3-140 HV | ||||
| 28 | 200577 | 1.39 | 1.68 | |
| LENSKOPSCHROEF DIN 7985-M4X12-8.8-PR30+ | ||||
| 29 | 476787 | 1.39 | 1.68 | |
| ZESKANTBOUT DIN 934-M6-10 | ||||
| 30 | 228689 | 1.39 | 1.68 | |
| EXCENTER HL 850 E | ||||
| 31 | 715053 | 6.79 | 8.22 | |
| KOPSTUK HL 850 E | ||||
| 32 | 715055 | 11.69 | 14.14 | |
| SCHIJF HL 850 E | ||||
| 33 | 715037 | 2.30 | 2.78 | |
| KLEMRING HL 850 E | ||||
| 34 | 715054 | 2.90 | 3.51 | |
| DEKSEL HL 850 E | ||||
| 35 | 715051 | 2.71 | 3.28 | |
| HANDGREEP HL 850 E | ||||
| 36 | 715052 | 10.03 | 12.14 | |
| DRUKVEER DIN 2098-2,25X19,50X32,0 | ||||
| 37 | 715029 | 1.66 | 2.01 | |
| AFDICHTPLAAT HL 850 E | ||||
| 38 | 715022 | 4.03 | 4.88 | |
| STELLTISCH HL 850 E VOLLST. | ||||
| 39 | 487656 | 43.56 | 52.71 | |
| CILINDERKOPSCHR HL 850 E SPEEDLACK | ||||
| 40 | 400040 | 1.39 | 1.68 | |
| KARTELRING ZJ-12-SEEGER | ||||
| 41 | 213646 | 1.39 | 1.68 | |
| DRUKVEER DIN 2098-0,90X8,30X37,6 | ||||
| 42 | 715038 | 1.39 | 1.68 | |
| HALVEMAANRING H-16X1-SEEGER | ||||
| 43 | 228656 | 1.39 | 1.68 | |
| DRAAIVEER HL 850 E | ||||
| 44 | 715020 | 4.09 | 4.95 | |
| DRUKKER HL 850 E | ||||
| 45 | 715049 | 1.39 | 1.68 | |
| ZWENKKAP HL 850 E | ||||
| 46 | 715048 | 4.94 | 5.98 | |
| CILINDERSCHROEF DIN 912-M6X16-10.9 | ||||
| 47 | 200685 | 1.39 | 1.68 | |
| SCHIJF DIN 7349-6,4 | ||||
| 48 | 402935 | 1.39 | 1.68 | |
| SPANFLENS HL 850 E | ||||
| 49 | 715036 | 1.98 | 2.40 | |
| SCHAAFAS HL 850 E | ||||
| 50 | 715015 | 34.36 | 41.58 | |
| CIRCLIP I 24X1,2V SEEGER | ||||
| 51 | 202930 | 1.39 | 1.68 | |
| NAALDLAGER 4901.2RS H +16 +21 | ||||
| 52 | 788849 | 26.02 | 31.48 | |
| HALVEMAANRING H-5X0,6-SEEGER | ||||
| 53 | 229597 | 1.39 | 1.68 | |
| DRUKVEER DIN 2098-0,63X10,63X20,0 | ||||
| 54 | 715027 | 1.39 | 1.68 | |
| KAP HL 850 E | ||||
| 55 | 715050 | 1.39 | 1.68 | |
| BOUT HL 850 E | ||||
| 56 | 715021 | 4.49 | 5.43 | |
| BALL BEARING 6000 DDU-CM NS7 S | ||||
| 57 | 400583 | 6.79 | 8.22 | |
| CIRCLIP I 26X1,2V SEEGER | ||||
| 58 | 209608 | 1.92 | 2.32 | |
| TANDSCHIJF HL 850 E Z 48 | ||||
| 59 | 715034 | 14.76 | 17.86 | |
| ZESKANTBOUT DIN 934-M6-10 | ||||
| 60 | 228689 | 1.39 | 1.68 | |
| TANDRIEM 150 S 3M 267 | ||||
| 61 | 714043 | 12.58 | 15.22 | |
| LENSKOPSCHROEF DIN 7985-M4X12-8.8-PR30+ | ||||
| 62 | 476787 | 1.39 | 1.68 | |
| TANDWIELKAST HL 850 E | ||||
| 63 | 455585 | 5.88 | 7.11 | |
| ZESKANTBOUT DIN 439-M6 | ||||
| 64 | 772997 | 1.39 | 1.68 | |
| TANDSCHIJF Z 22 | ||||
| 65 | 715035 | 5.21 | 6.30 | |
| BALL BEARING 6000 DDU-C3 D8S L | ||||
| 66 | 789575 | 6.34 | 7.67 | |
| LAGERFLANSCH HL 850 E VOLLST. | ||||
| 67 | 487655 | 115.43 | 139.67 | |
| PASRING DIN 988-10X16X1,0 | ||||
| 68 | 782510 | 1.39 | 1.68 | |
| VENTILATOR HL 850 E | ||||
| 69 | 715024 | 2.11 | 2.55 | |
| LUCHTGELEIDINGS HL 850 E | ||||
| 70 | 715017 | 1.45 | 1.75 | |
| LENSKOPSCHROEF PT-4,0X50-KT15 | ||||
| 71 | 228707 | 1.39 | 1.68 | |
| DIEPGR.KOGELLAG 608 2Z C3 DIN 625 | ||||
| 72 | 228559 | 4.30 | 5.20 | |
| LAGERRING AT 55 E | ||||
| 73 | 438613 | 1.39 | 1.68 | |
| BEITELROL STAND HK 82 SD | ||||
| 74 | 484520 | 131.00 | 158.51 | |
| DRAADSTIFT M4X8 (3X) 10.9 LEITZ | ||||
| 75 | 715102 | 1.39 | 1.68 | |
| VIERKANTMOER DIN 557-M6-05 | ||||
| 76 | 228566 | 1.39 | 1.68 | |
| O-RING 5X1,5-NBR-70SHORE | ||||
| 77 | 200052 | 1.39 | 1.68 | |
| GROEFAANSLAG HL 850 E | ||||
| 78 | 715040 | 8.71 | 10.54 | |
| KNOP KF 4 E D 23 M6X10 BLAU | ||||
| 79 | 436195 | 1.58 | 1.91 | |
| DRAAIKNOP BASIS 2 D 23 M6X28 BLAU | ||||
| 80 | 436420 | 1.85 | 2.24 | |
| GLIJSTUK WA-HL | ||||
| 81 | 715156 | 9.24 | 11.18 | |
| O-RING 5X1,5-NBR-70SHORE | ||||
| 82 | 200052 | 1.39 | 1.68 | |
| ZIJKANT-AANSLAG HL 850 E | ||||
| 83 | 715056 | 23.47 | 28.40 | |
| INBUSSLEUTEL HL 850 E SW 2 | ||||
| 84 | 439803 | 5.35 | 6.47 | |
| SCHROEVENDRAAIE SW 5 DIN911 | ||||
| 85 | 202752 | 1.39 | 1.68 | |