Hier vindt u alle beschikbare onderdelen en tekeningen van de 'Festool 490040 ( RAP180.03E )'. Vanaf hier kunt u direct alle gewenste onderdelen bestellen. Vele onderdelen moeten bij de fabrikant besteld worden, dit duurt afhankelijk van het merk, één tot vier weken. Alle informatie die we hebben, staat op onze website, wij kunnen u geen advies geven over wat u nodig heeft, daarvoor zult u de machine ter reparatie in moeten leveren. Let bij het bestellen op het volgende:
In verband met een reorganisatie binnen Festool, worden Festool orders pas in de tweede helft van januari 2026 uitgeleverd.
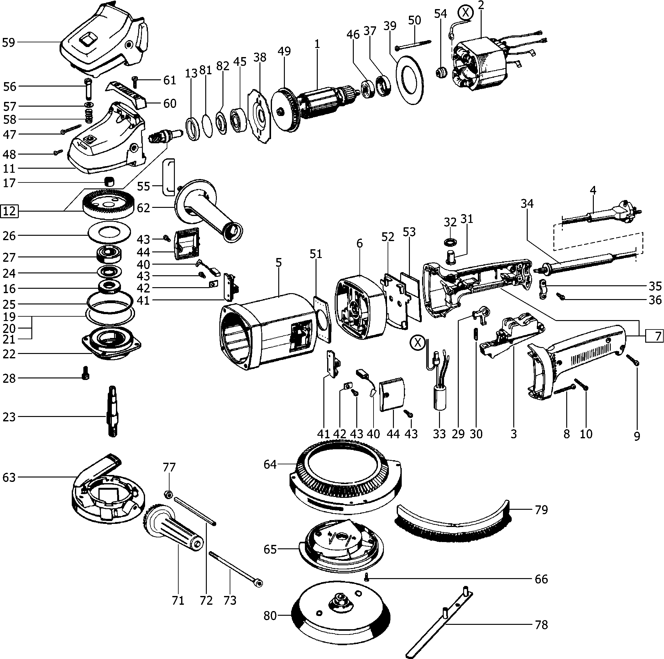
Tekeningen van de Festool 490040 ( RAP180.03E )
Onderdelen lijst van de Festool 490040 ( RAP180.03E )
| Pos. | Omschrijving | Prijs excl. BTW | Prijs incl. BTW | |
| Getoonde prijzen zijn inclusief btw | ||||
| ANKER 240V WS 180.04.E 247.650 | ||||
| 1 | 440676 | 128.62 | 155.63 | |
| VELDPAKKET WS 180.04.E 256.641 | ||||
| 2 | 447519 | 94.74 | 114.64 | |
| SCHALTER WS 1204 254.332 | ||||
| 3 | 437616 | 64.13 | 77.60 | |
| KABEL MET STEKK AP 55 E DIN-H05RN-F | ||||
| 4 | 457410 | 24.32 | 29.43 | |
| MOTORHUIS MOTORGEHAEUSE | ||||
| 5 | 458226 | 110.59 | 133.81 | |
| ELEKTRONIK RAP 180.03 E | ||||
| 6 | 486775 | 130.80 | 158.27 | |
| HANDGRIFF KPL. WS 1204 212.199 | ||||
| 7 | 437611 | 82.88 | 100.28 | |
| LENSKOPSCHROEF KA 50X70 PT 240.842 | ||||
| 8 | 228714 | 2.18 | 2.64 | |
| LENSKOPSCHROEF KA 40X25 203.858 | ||||
| 9 | 437613 | 2.11 | 2.55 | |
| LENSKOPSCHROEF KA 40X30 PT 195.693 | ||||
| 10 | 412005 | 1.39 | 1.68 | |
| TANDWIELKAST GETRIEBEGEHAEU. | ||||
| 11 | 459116 | 175.81 | 212.73 | |
| TANDWIELSET RAS180.03E 326.623 ET-BG | ||||
| 12 | 493569 | 157.18 | 190.19 | |
| AFDICHTBUS 26X14X5,2 | ||||
| 13 | 459115 | 25.77 | 31.18 | |
| DICHTRING 18X31X4 176.834 | ||||
| 16 | 411762 | 5.74 | 6.95 | |
| SINTERLAGER 9X13X10 | ||||
| 17 | 437615 | 14.88 | 18.00 | |
| DISTANZRING 0,1 0,25MM 300.632 | ||||
| 19 | 474442 | 6.73 | 8.14 | |
| DISTANZRING 0,2 0,2 MM 176.532 | ||||
| 20 | 411846 | 5.09 | 6.16 | |
| DISTANZRING 0,3 0,3 MM 176.540 | ||||
| 21 | 411847 | 5.41 | 6.55 | |
| Geen informatie beschikbaar, niet bestelbaar | ||||
| 22 | 411758 | |||
| GETRIEBEWELLE RAS 180.04 E | ||||
| 23 | 411759 | 86.88 | 105.12 | |
| DICHTUNGSRING 6202 J 102.830 | ||||
| 24 | 411742 | 9.24 | 11.18 | |
| O-RING 68X2 176.559 | ||||
| 25 | 411752 | 4.09 | 4.95 | |
| SCHIJFVEER 70X30,5X1,5 176.826 | ||||
| 26 | 411761 | 15.61 | 18.89 | |
| KOGELLAGER 6202 2Z DIN 625 | ||||
| 27 | 401612 | 36.66 | 44.36 | |
| CILINDERSCHROEF DIN 912-M5X16-10.9 | ||||
| 28 | 200671 | 1.39 | 1.68 | |
| SCHALTHAKEN WS 1204 189.979 | ||||
| 29 | 437617 | 9.43 | 11.41 | |
| SCHR.DRUCKFEDER WS 1204 381.330 | ||||
| 30 | 437618 | 2.30 | 2.78 | |
| DRUKKNOP WS 1204 192.139 | ||||
| 31 | 437619 | 8.78 | 10.62 | |
| VILTRING WS 1204 189.995 | ||||
| 32 | 437620 | 2.11 | 2.55 | |
| KONDENSATOR WS 180.04.E 194.042 | ||||
| 33 | 440660 | 19.96 | 24.15 | |
| SNOERTULE RAP 180 | ||||
| 34 | 411745 | 13.79 | 16.69 | |
| KABELKLEM WS 0904 116.815 | ||||
| 35 | 411747 | 4.42 | 5.35 | |
| LENSKOPSCHROEF PT-4,0X12-KT15 | ||||
| 36 | 219071 | 1.39 | 1.68 | |
| LAGERRING POLLUX 180 E 257.354 | ||||
| 37 | 462385 | 4.09 | 4.95 | |
| LAGERDEKSEL WS 1204 205.885 | ||||
| 38 | 437622 | 20.93 | 25.33 | |
| LUCHTGELEIDING WS 0904 176.648 | ||||
| 39 | 411756 | 12.46 | 15.08 | |
| KOOLBORSTEL WS 180.04.E 1 PAAR | ||||
| 40 | 485202 | 38.12 | 46.13 | |
| KOOLBORST.HOUD WS 1204 205.931 | ||||
| 41 | 437610 | 17.54 | 21.22 | |
| LASPLAAT WS 1204 194.816 | ||||
| 42 | 437624 | 4.42 | 5.35 | |
| LENSKOPSCHROEF PT-4,0X12-KT15 | ||||
| 43 | 219071 | 1.39 | 1.68 | |
| KOHL.HALT.ABD. WS 1204 296.139 | ||||
| 44 | 462218 | 11.35 | 13.73 | |
| BALL BEARING 6000 DDU-C3 D8S L | ||||
| 45 | 789575 | 6.34 | 7.67 | |
| KOGELLAGER 607 Z DIN 625 | ||||
| 46 | 401518 | 8.58 | 10.38 | |
| LENSKOPSCHROEF KA 50X35 205.990 | ||||
| 47 | 437626 | 2.11 | 2.55 | |
| LENSKOPSCHROEF DIN 7985-M4X8-4.8 | ||||
| 48 | 203806 | 1.39 | 1.68 | |
| WINDFLUEGEL WS 1204 207.144 | ||||
| 49 | 437627 | 14.04 | 16.99 | |
| LENSKOPSCHROEF KA 40X55 196.169 | ||||
| 50 | 437628 | 1.45 | 1.75 | |
| AFDICHTPLAAT WS 1204 206.903 | ||||
| 51 | 437629 | 6.60 | 7.99 | |
| PLAAT WS 180.04.E 227.439 | ||||
| 52 | 440655 | 6.60 | 7.99 | |
| AFDICHTPLAAT WS 180.04.E 227.498 | ||||
| 53 | 440656 | 4.49 | 5.43 | |
| MAGNEETRING WS 180.04.E 250.403 | ||||
| 54 | 441386 | 23.11 | 27.96 | |
| LUCHTDEFLECTOR WS 180.04 E 215.724 | ||||
| 55 | 442102 | 4.36 | 5.28 | |
| ARRETIERKNOPF RAS 180.04 E | ||||
| 56 | 486703 | 25.29 | 30.60 | |
| O-RING WS 150.04 E 250.266 | ||||
| 57 | 443249 | 2.11 | 2.55 | |
| DRUKVEER WS 150.04 E 250.589 | ||||
| 58 | 443247 | 2.11 | 2.55 | |
| KAP RAS 180.03E 257.751 | ||||
| 59 | 444211 | 53.97 | 65.30 | |
| AFSTEUNING RAS 180.04E VOLLST. | ||||
| 60 | 486706 | 20.21 | 24.45 | |
| CILINDERSCHROEF DIN 6912-M4X12-8.8 | ||||
| 61 | 774303 | 1.39 | 1.68 | |
| HANDLE ZG-RO | ||||
| 62 | 487865 | 8.00 | 9.68 | |
| HUIS AH-WS D180 | ||||
| 63 | 441308 | 77.68 | 93.99 | |
| TANDRING AH-WS D180 | ||||
| 64 | 441309 | 25.53 | 30.89 | |
| DEKSEL AH-WS D180 | ||||
| 65 | 441311 | 14.88 | 18.00 | |
| SCHROEF, BOLVER A M3X 10 DIN 966 | ||||
| 66 | 228697 | 1.39 | 1.68 | |
| SCHUIF AH-WS D180 | ||||
| 67 | 485169 | 40.78 | 49.34 | |
| BEENVEER AH-WS D180 | ||||
| 70 | 441325 | 4.03 | 4.88 | |
| GREEP AH-WS D115 | ||||
| 71 | 441282 | 15.00 | 18.15 | |
| BUIS AH-WS D115 | ||||
| 72 | 441278 | 16.70 | 20.21 | |
| CILINDERSCHROEF | ||||
| 73 | 441279 | 14.16 | 17.13 | |
| Geen informatie beschikbaar, niet bestelbaar | ||||
| 74 | xxx | |||
| ZESKANTBOUT DIN 439-M8 | ||||
| 77 | 200602 | 1.39 | 1.68 | |
| PENSLEUTEL RAS 180.04 E | ||||
| 78 | 441682 | 19.12 | 23.14 | |
| VERVANGINGSBORS AH-WS D180 POLY | ||||
| 79 | 485274 | 52.39 | 63.39 | |
| STEUNSCHIJF ST-D180/0-M14/2F | ||||
| 80 | 485296 | 45.00 | 54.45 | |
| STEUNSCHIJF ST-STF-D180/0-M14 W | ||||
| 80 | 485253 | 45.00 | 54.45 | |
| O-RING 24X1 315.028 | ||||
| 81 | 469941 | 3.83 | 4.63 | |
| DICHTMANSCHETTE 26X14X3,5 315.001 | ||||
| 82 | 469942 | 17.30 | 20.93 | |