Hier vindt u alle beschikbare onderdelen en tekeningen van de 'Festool 491171 ( RS300Q )'. Vanaf hier kunt u direct alle gewenste onderdelen bestellen. Vele onderdelen moeten bij de fabrikant besteld worden, dit duurt afhankelijk van het merk, één tot vier weken. Alle informatie die we hebben, staat op onze website, wij kunnen u geen advies geven over wat u nodig heeft, daarvoor zult u de machine ter reparatie in moeten leveren. Let bij het bestellen op het volgende:
In verband met een reorganisatie binnen Festool, worden Festool orders pas in de tweede helft van januari 2026 uitgeleverd.
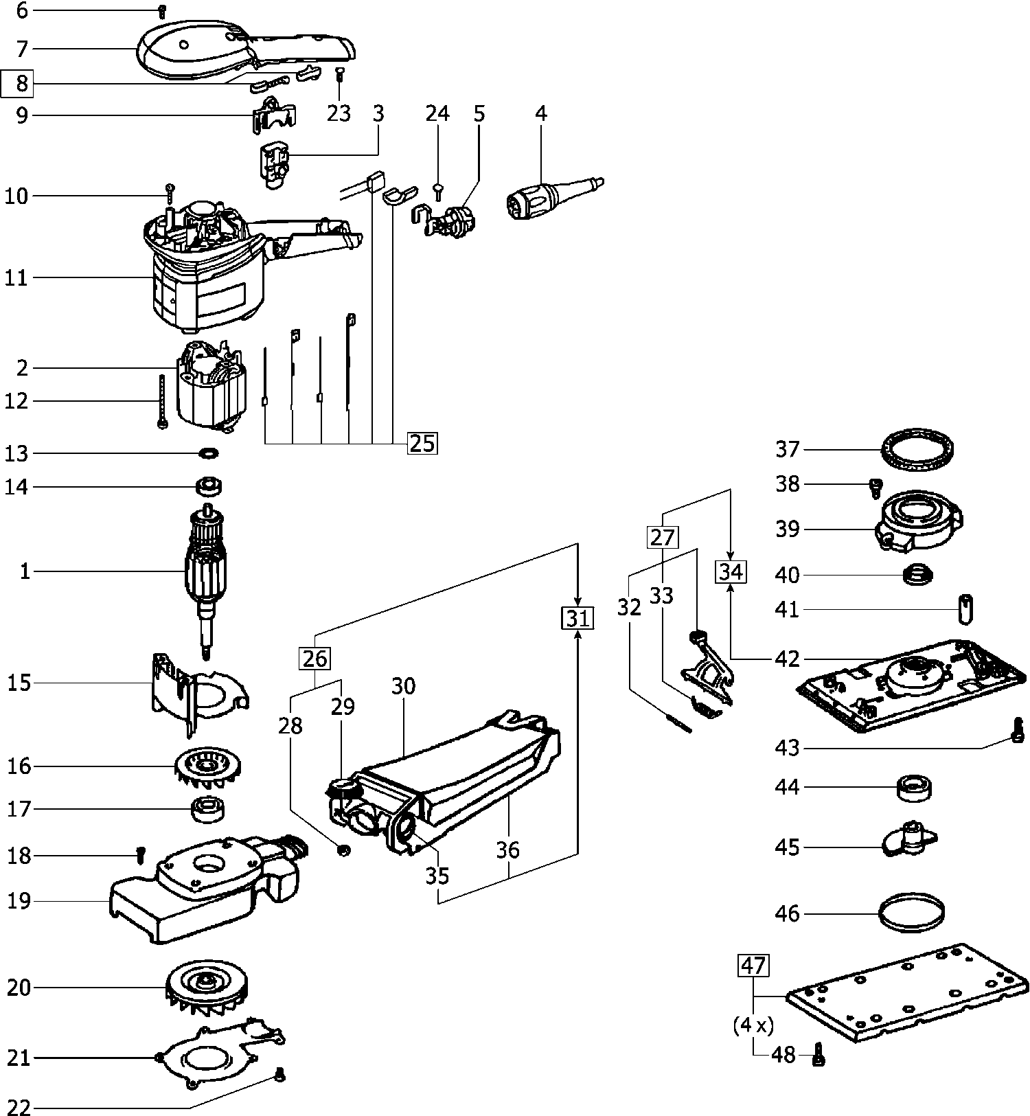
Tekeningen van de Festool 491171 ( RS300Q )
Onderdelen lijst van de Festool 491171 ( RS300Q )
| Pos. | Omschrijving | Prijs excl. BTW | Prijs incl. BTW | |
| Getoonde prijzen zijn inclusief btw | ||||
| ANKER 230V RS 3 ET-BG 230V | ||||
| 1 | 493160 | 124.75 | 150.95 | |
| VELDPAKKET 230V RS 3 ET-BG 230V | ||||
| 2 | 493161 | 46.22 | 55.93 | |
| SWITCH ET 2 E | ||||
| 3 | 486317 | 15.00 | 18.15 | |
| PLUG IT-KABEL H05 RN-F-4 | ||||
| 4 | 203914 | 21.00 | 25.41 | |
| STECKERGEHAEUSE LS 130 EQ | ||||
| 5 | 489925 | 8.90 | 10.77 | |
| LENSKOPSCHROEF PT-3,5X16-KT15 | ||||
| 6 | 400584 | 1.39 | 1.68 | |
| HUIS RS | ||||
| 7 | 463094 | 7.39 | 8.94 | |
| BRUSH ET2E / RS2/3/4 | ||||
| 8 | 489018 | 10.75 | 13.01 | |
| BRUG RTM | ||||
| 9 | 463095 | 1.39 | 1.68 | |
| VERZINKSCHROEF M4X40-TAPTITE-TORX | ||||
| 10 | 400866 | 1.39 | 1.68 | |
| MOTORHUIS RS | ||||
| 11 | 463088 | 17.91 | 21.67 | |
| LENSKOPSCHROEF PT-4,0X50-KT15 | ||||
| 12 | 228707 | 1.39 | 1.68 | |
| KULA-AUSGL.SCH. 15,8X21,8X0,2 L+MN 1100 | ||||
| 13 | 228759 | 1.39 | 1.68 | |
| Groefkogellager 608 D1 MC3 E U152 J2 HA1 | ||||
| 14 | 10775821 | 5.09 | 6.16 | |
| LUCHTGELEIDINGS RTM-EA | ||||
| 15 | 434430 | 2.11 | 2.55 | |
| VENTILATOR RS 2 | ||||
| 16 | 447949 | 2.30 | 2.78 | |
| RILLENKUGELLAG. 6200 DDU DIN 625 | ||||
| 17 | 401601 | 8.05 | 9.74 | |
| VERZ.SCHROEF PZ M4X10 DIN 966 A3F | ||||
| 18 | 228572 | 1.39 | 1.68 | |
| LAGERDEKSEL RS 3 | ||||
| 19 | 442217 | 49.00 | 59.29 | |
| VENTILATOR RS 300 VOLLST. | ||||
| 20 | 491184 | 11.79 | 14.27 | |
| AFDEKPLAAT VOOR RS 3 | ||||
| 21 | 438717 | 4.03 | 4.88 | |
| LENSKOPSCHROEF M4X8-TAPTITE-T15 | ||||
| 22 | 228570 | 9.17 | 11.10 | |
| LENSKOPSCHROEF PT-3,5X10-KT15 | ||||
| 23 | 219031 | 7.32 | 8.86 | |
| LENSKOPSCHROEF PT-3,5X10-KT15 | ||||
| 24 | 219031 | 7.32 | 8.86 | |
| SUPRESSOR RS 200 Q | ||||
| 25 | 490666 | 44.29 | 53.59 | |
| FILTERAUFNAHME RS 3 KOMPL. | ||||
| 26 | 486759 | 15.97 | 19.32 | |
| KLEMMHEBEL RTM-EA VOLLST. | ||||
| 27 | 482039 | 31.22 | 37.78 | |
| ZESKANTMOER DIN 934-M4-08 | ||||
| 28 | 200715 | 1.39 | 1.68 | |
| DRAAIKNOP RS 3 M4X23 D.28 | ||||
| 29 | 486767 | 1.39 | 1.68 | |
| TURBOFILTER TF II-ET/RS/5X | ||||
| 30 | 487779 | 8.00 | 9.68 | |
| TURBOFILTER-SET TFS II-ET/RS | ||||
| 31 | 487780 | 25.00 | 30.25 | |
| DREHFEDER RTM-EA | ||||
| 32 | 434588 | 2.30 | 2.78 | |
| PEN RTM-EA | ||||
| 33 | 434528 | 1.92 | 2.32 | |
| TAFELPLAAT RS 300 Q | ||||
| 34 | 491289 | 68.61 | 83.02 | |
| BUNDSCHRAUBE RS 3 | ||||
| 35 | 444327 | 1.39 | 1.68 | |
| FILTERAUFNAHME RS 3 KOMPL. | ||||
| 36 | 486759 | 15.97 | 19.32 | |
| DICHTRING RTM-EA | ||||
| 37 | 434525 | 6.67 | 8.07 | |
| LENSKOPSCHROEF DIN 7985-M4X10-8.8-TUF+ | ||||
| 38 | 228586 | 1.39 | 1.68 | |
| ABSAUGGLOCKE RS 3 | ||||
| 39 | 438293 | 2.64 | 3.19 | |
| SCHLEUDERSCHEIB RS 300 | ||||
| 40 | 462135 | 10.30 | 12.46 | |
| GUMMIVOET RS 3 VOLLST. | ||||
| 41 | 483723 | 7.20 | 8.71 | |
| BODEMPLAAT RS 300 Q | ||||
| 42 | 462119 | 51.42 | 62.22 | |
| LENSKOPSCHROEF DIN 7985-M4X8-8.8-T15 | ||||
| 43 | 228735 | 1.39 | 1.68 | |
| GROEF-KOGELLAGE 6003 DDU C3 FA.NSK | ||||
| 44 | 228756 | 9.50 | 11.50 | |
| ECCENTRIC BALAN RS 300 Q | ||||
| 45 | 462136 | 24.68 | 29.86 | |
| VERSCHLUSSKAPPE RTM-EA | ||||
| 46 | 435290 | 1.78 | 2.15 | |
| STICK-FIX SCHUU SSH-STF 93X175/8 | ||||
| 47 | 483905 | 29.00 | 35.09 | |
| LENSKOPSCHROEF M4X10 PR30 | ||||
| 48 | 400750 | 1.39 | 1.68 | |