Hier vindt u alle beschikbare onderdelen en tekeningen van de 'Festool 583208 ( SR201E-AS )'. Vanaf hier kunt u direct alle gewenste onderdelen bestellen. Vele onderdelen moeten bij de fabrikant besteld worden, dit duurt afhankelijk van het merk, één tot vier weken. Alle informatie die we hebben, staat op onze website, wij kunnen u geen advies geven over wat u nodig heeft, daarvoor zult u de machine ter reparatie in moeten leveren. Let bij het bestellen op het volgende:
In verband met een reorganisatie binnen Festool, worden Festool orders pas in de tweede helft van januari 2026 uitgeleverd.
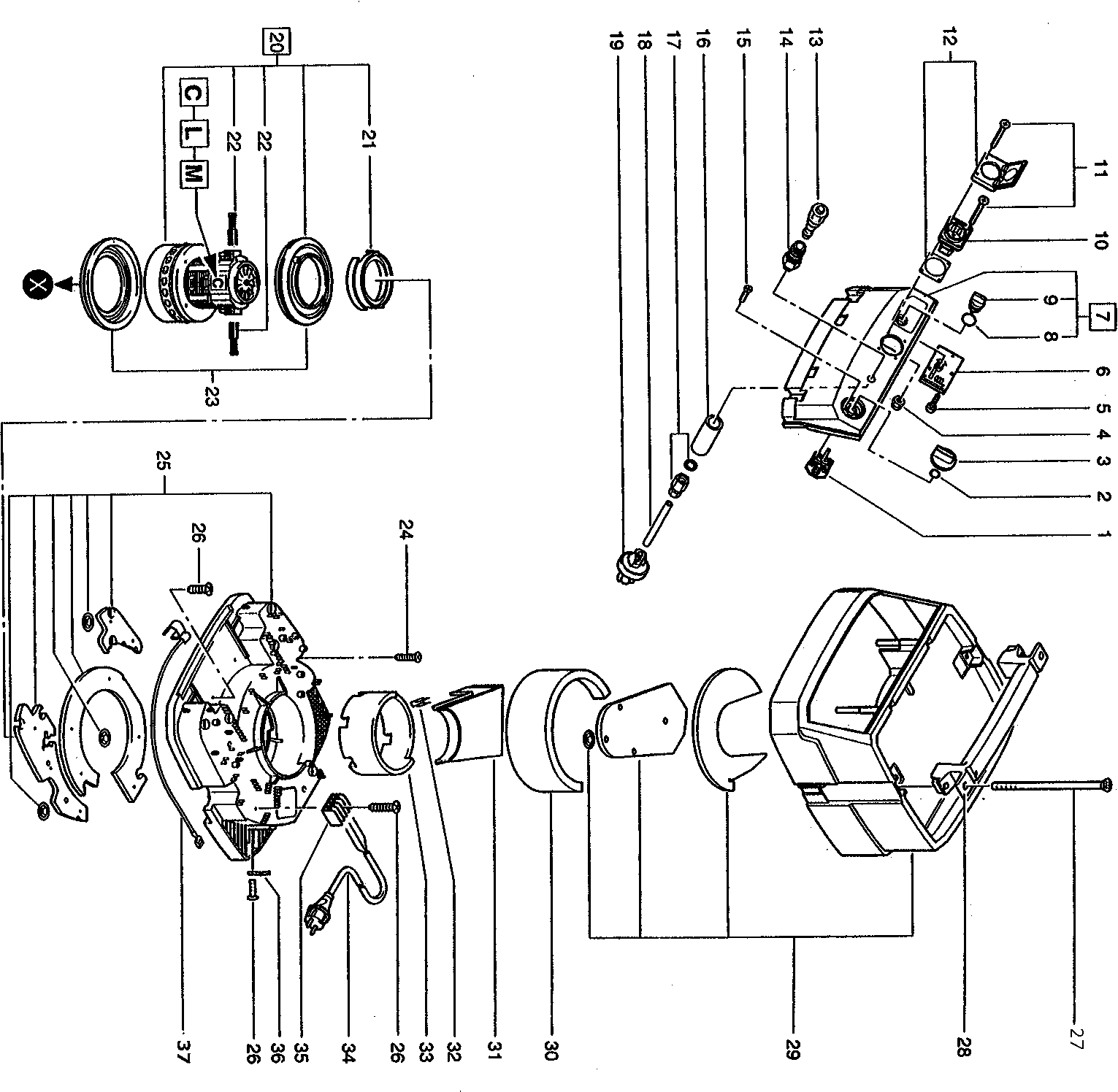
Tekeningen van de Festool 583208 ( SR201E-AS )
Onderdelen lijst van de Festool 583208 ( SR201E-AS )
| Pos. | Omschrijving | Prijs excl. BTW | Prijs incl. BTW | |
| Getoonde prijzen zijn inclusief btw | ||||
| Geen informatie beschikbaar, niet bestelbaar | ||||
| 1 | xxx | |||
| O-RING 1 10X2,5 DIN 3770 | ||||
| 2 | 625308 | 9.43 | 11.41 | |
| Niet meer leverbaar, geen vervanging | ||||
| 3 | 445234 | |||
| Geen informatie beschikbaar, niet bestelbaar | ||||
| 5 | xxx | |||
| Geen informatie beschikbaar, niet bestelbaar | ||||
| 6 | xxx | |||
| Geen informatie beschikbaar, niet bestelbaar | ||||
| 7 | xxx | |||
| Geen informatie beschikbaar, niet bestelbaar | ||||
| 8 | 222037 | |||
| Niet meer leverbaar, geen vervanging | ||||
| 9 | 445241 | |||
| STEKKERDOOS SR 201 E 230V 46296 | ||||
| 10 | 445235 | 43.44 | 52.56 | |
| Geen informatie beschikbaar, niet bestelbaar | ||||
| 11 | xxx | |||
| AFDEKKING CT STECKDOSE MIT RAHMEN | ||||
| 12 | 200504 | 12.83 | 15.52 | |
| VERZINKSCHROEF DIN 965-M4X12-4.8 | ||||
| 15 | 228555 | 1.39 | 1.68 | |
| MOTOR SR 6/14 E 1200W SK2 | ||||
| 20 | 490755 | 288.71 | 349.34 | |
| Geen informatie beschikbaar, niet bestelbaar | ||||
| 21 | 490668 | |||
| KOOLBORSTELS VCP 260 E-L 'L' SET 2 ST | ||||
| 22 | 625316 | 52.64 | 63.69 | |
| KOOLBORSTELS CT | ||||
| 22 | 452876 | 43.92 | 53.14 | |
| Geen informatie beschikbaar, niet bestelbaar | ||||
| 23 | 490668 | |||
| Geen informatie beschikbaar, niet bestelbaar | ||||
| 24 | 412054 | |||
| SPANPLAAT SR 201 E KPL. 47368 | ||||
| 25 | 487119 | 186.82 | 226.05 | |
| Geen informatie beschikbaar, niet bestelbaar | ||||
| 26 | 412094 | |||
| VERZONKEN SCHRO M6X115 DIN 966 | ||||
| 27 | 445248 | 3.77 | 4.56 | |
| Geen informatie beschikbaar, niet bestelbaar | ||||
| 28 | xxx | |||
| Geen informatie beschikbaar, niet bestelbaar | ||||
| 29 | xxx | |||
| Geen informatie beschikbaar, niet bestelbaar | ||||
| 30 | xxx | |||
| Geen informatie beschikbaar, niet bestelbaar | ||||
| 31 | xxx | |||
| Geen informatie beschikbaar, niet bestelbaar | ||||
| 32 | xxx | |||
| Geen informatie beschikbaar, niet bestelbaar | ||||
| 33 | xxx | |||
| SNOER M.STEKKER CT DIN-H07RN-F 7,5M | ||||
| 34 | 452078 | 70.42 | 85.21 | |
| Geen informatie beschikbaar, niet bestelbaar | ||||
| 35 | xxx | |||
| Geen informatie beschikbaar, niet bestelbaar | ||||
| 36 | xxx | |||
| Geen informatie beschikbaar, niet bestelbaar | ||||
| 37 | xxx | |||
| Geen informatie beschikbaar, niet bestelbaar | ||||
| 101 | xxx | |||
| Geen informatie beschikbaar, niet bestelbaar | ||||
| 102 | xxx | |||
| Geen informatie beschikbaar, niet bestelbaar | ||||
| 103 | xxx | |||
| Geen informatie beschikbaar, niet bestelbaar | ||||
| 104 | 412054 | |||
| Geen informatie beschikbaar, niet bestelbaar | ||||
| 105 | xxx | |||
| Geen informatie beschikbaar, niet bestelbaar | ||||
| 106 | xxx | |||
| Geen informatie beschikbaar, niet bestelbaar | ||||
| 107 | xxx | |||
| Geen informatie beschikbaar, niet bestelbaar | ||||
| 108 | 485808 | |||
| Niet meer leverbaar, geen vervanging | ||||
| 109 | 412092 | |||
| Geen informatie beschikbaar, niet bestelbaar | ||||
| 115 | 500677 | |||
| Geen informatie beschikbaar, niet bestelbaar | ||||
| 116 | 202346 | |||
| Geen informatie beschikbaar, niet bestelbaar | ||||
| 118 | xxx | |||
| Geen informatie beschikbaar, niet bestelbaar | ||||
| 119 | 412039 | |||
| Geen informatie beschikbaar, niet bestelbaar | ||||
| 120 | xxx | |||
| Geen informatie beschikbaar, niet bestelbaar | ||||
| 121 | xxx | |||
| Geen informatie beschikbaar, niet bestelbaar | ||||
| 122 | 487070 | |||
| Geen informatie beschikbaar, niet bestelbaar | ||||
| 123 | xxx | |||
| SCHIJF DIN 125-A-4,3-140 HV | ||||
| 124 | 200576 | 1.39 | 1.68 | |
| Niet meer leverbaar, geen vervanging | ||||
| 125 | 438702 | |||
| Geen informatie beschikbaar, niet bestelbaar | ||||
| 126 | xxx | |||
| Niet meer leverbaar, geen vervanging | ||||
| 127 | 445211 | |||
| WIELBEVEILIGING SR 201 E 43975 | ||||
| 128 | 445210 | 7.46 | 9.03 | |
| Niet meer leverbaar, geen vervanging | ||||
| 129 | 445209 | |||
| WIEL VCP 260 E-L | ||||
| 130 | 625333 | 19.24 | 23.28 | |
| Geen informatie beschikbaar, niet bestelbaar | ||||
| 131 | xxx | |||
| Geen informatie beschikbaar, niet bestelbaar | ||||
| 132 | xxx | |||