Hier vindt u alle beschikbare onderdelen en tekeningen van de 'Hikoki C10FCE2'. Vanaf hier kunt u direct alle gewenste onderdelen bestellen. Vele onderdelen moeten bij de fabrikant besteld worden, dit duurt afhankelijk van het merk, één tot vier weken. Alle informatie die we hebben, staat op onze website, wij kunnen u geen advies geven over wat u nodig heeft, daarvoor zult u de machine ter reparatie in moeten leveren. Let bij het bestellen op het volgende:
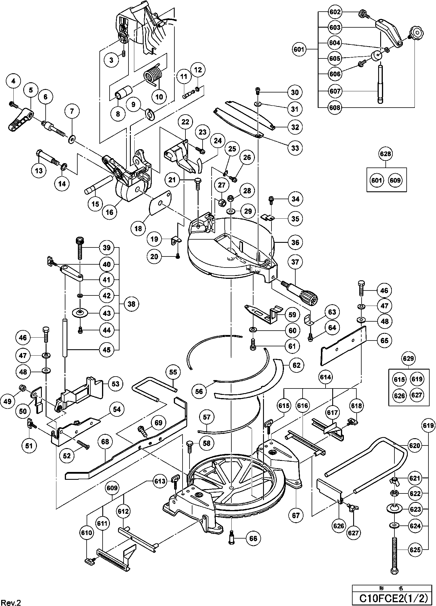
Tekeningen van de Hikoki C10FCE2
Onderdelen lijst van de Hikoki C10FCE2
| Pos. | Omschrijving | Prijs excl. BTW | Prijs incl. BTW | |
| Getoonde prijzen zijn inclusief btw | ||||
| FLENS (D) | ||||
| *101 | 308789 | 15.84 | 19.16 | |
| RING (A) | ||||
| *101 | 318961 | 3.00 | 3.63 | |
| RING (B) | ||||
| *101 | 318962 | 3.00 | 3.63 | |
| Geen informatie beschikbaar, niet bestelbaar | ||||
| *102 | 319107 | |||
| Geen informatie beschikbaar, niet bestelbaar | ||||
| *102A | 318963 | |||
| VULRING D25.4 | ||||
| *103 | 976819 | 4.80 | 5.81 | |
| TANDWIELHUIS | ||||
| *123 | 326702 | 45.65 | 55.24 | |
| VERBINDINGSTANG | ||||
| *142 | 323980 | 12.45 | 15.06 | |
| VERBINDINGSTANG | ||||
| *142A | 336357 | 7.20 | 8.71 | |
| LINK (A) | ||||
| *142B | 375674 | 4.50 | 5.44 | |
| SNOER 2.5M 2 X 1.0 H05VV-F W/PLUG 13A/250V (OLD 50 | ||||
| *154 | 500423Z | 12.87 | 15.57 | |
| SNOER 2,5M 2 X 1.0 H05VV-F (OUD 500395Z) | ||||
| *154 | 500447Z | 6.60 | 7.99 | |
| Geen informatie beschikbaar, niet bestelbaar | ||||
| *159 | 958308Z | |||
| SCHAKELAAR | ||||
| *166 | 326700 | 10.20 | 12.34 | |
| ANKER 220-230 VOLT | ||||
| *168 | 360695E | 49.50 | 59.90 | |
| ANKER 110-120 VOLT | ||||
| *168 | 360656U | 46.20 | 55.90 | |
| VELD 220-230 VOLT | ||||
| *176 | 340687E | 45.65 | 55.24 | |
| KOOLBORSTEL 7X13X17 (2 STUKS) | ||||
| *182 | 999065 | 7.95 | 9.62 | |
| Geen informatie beschikbaar, niet bestelbaar | ||||
| *504 | 322955M | |||
| INBUSSCHROEF M6X10 | ||||
| 3 | 307956 | 1.05 | 1.27 | |
| Geen informatie beschikbaar, niet bestelbaar | ||||
| 4 | 323208 | |||
| VASTZETHANDEL (OUD 322935) | ||||
| 5A | 371742 | 1.20 | 1.45 | |
| BOLT M10 (LEFT HAND) | ||||
| 6A | 371743 | 2.40 | 2.90 | |
| SLUITRING | ||||
| 7 | 318934 | 1.50 | 1.82 | |
| HULS | ||||
| 8 | 322889 | 1.05 | 1.27 | |
| GELEIDINGSRING (D) | ||||
| 9 | 322965 | 1.05 | 1.27 | |
| VEER | ||||
| 10 | 322890 | 4.20 | 5.08 | |
| BLOKKEERPIN | ||||
| 11 | 302518 | 4.50 | 5.44 | |
| O-RING (P-6) | ||||
| 12 | 984528 | 1.05 | 1.27 | |
| SCHACHT (D) OLD 322933) | ||||
| 13A | 371740 | 2.10 | 2.54 | |
| RING M16 | ||||
| 14 | 322934 | 1.05 | 1.27 | |
| SCHACHT (C) | ||||
| 15 | 322888 | 5.10 | 6.17 | |
| SCHARNIERBLOK | ||||
| 16 | 322932 | 13.75 | 16.64 | |
| GELEIDINGSRING (B) | ||||
| 18 | 322937 | 1.05 | 1.27 | |
| STOFGELEIDERHOUDER | ||||
| 19 | 322963 | 1.05 | 1.27 | |
| MACHINESCHROEF M4X8 (10 STUKS) | ||||
| 20 | 949215 | 1.05 | 1.27 | |
| NYLOCK BOUT M8X25 | ||||
| 21 | 303409 | 1.00 | 1.21 | |
| STOFGELEIDER | ||||
| 22 | 322891 | 4.20 | 5.08 | |
| SCHROEF M5 X 16 | ||||
| 23 | 987512 | 1.04 | 1.26 | |
| SCHAALVERDELING | ||||
| 24 | 322892 | 1.05 | 1.27 | |
| INDICATOR (B) | ||||
| 25 | 322893 | 1.05 | 1.27 | |
| MACHINESCHROEF M4X10 ZWART | ||||
| 26 | 304043 | 1.05 | 1.27 | |
| NYLON MOER M12 | ||||
| 27 | 680418 | 3.30 | 3.99 | |
| Geen informatie beschikbaar, niet bestelbaar | ||||
| 28 | 975348 | |||
| Geen informatie beschikbaar, niet bestelbaar | ||||
| 29 | 318929 | |||
| MACHINESCHROEF M4X12 (10 STUKS) | ||||
| 30 | 949217 | 1.05 | 1.27 | |
| RING M4 (OUD 949429Z) | ||||
| 31 | 949429 | 1.05 | 1.27 | |
| ZAAGBLADHOUDER (A) | ||||
| 32 | 322929 | 1.05 | 1.27 | |
| ZAAGBLADHOUDER (B) | ||||
| 33 | 322930 | 1.05 | 1.27 | |
| MACHINESCHROEF M4X10 ZWART | ||||
| 34 | 304043 | 1.05 | 1.27 | |
| INDICATOR (A) | ||||
| 35 | 322904 | 1.05 | 1.27 | |
| DRAAITAFEL | ||||
| 36 | 326695 | 45.65 | 55.24 | |
| Geen informatie beschikbaar, niet bestelbaar | ||||
| 37 | 322898 | |||
| SIDE HANDLE (OUD 322283/322898) | ||||
| 37A | 376050 | 1.20 | 1.45 | |
| Geen informatie beschikbaar, niet bestelbaar | ||||
| 38 | 322952 | |||
| KNOP M10 X 66 | ||||
| 39 | 302522 | 9.60 | 11.62 | |
| VLEUGELSCHROEF M6 X 15 | ||||
| 40 | 301806 | 1.05 | 1.27 | |
| RING M6 (10 STUKS) | ||||
| 42 | 949432 | 1.05 | 1.27 | |
| KLEMPLAAT | ||||
| 43 | 302532 | 2.40 | 2.90 | |
| MACHINESCHROEF M4X10 (10 STUKS) (OUD 949216Z) | ||||
| 44 | 949216 | 1.05 | 1.27 | |
| Geen informatie beschikbaar, niet bestelbaar | ||||
| 45 | 322954 | |||
| BOUT M8X35 (10 STUKS) | ||||
| 46 | 949678 | 2.55 | 3.09 | |
| VEERRING M8 ( 10 STUKS ) | ||||
| 47 | 949457 | 1.05 | 1.27 | |
| RING M8 (10 STUKS) | ||||
| 48 | 949433 | 1.05 | 1.27 | |
| NYLON MOER M6 | ||||
| 49 | 963837 | 1.05 | 1.27 | |
| PLAAT | ||||
| 50 | 326711 | 1.65 | 2.00 | |
| VLEUGELSCHROEF M6 X 15 | ||||
| 51 | 301806 | 1.05 | 1.27 | |
| SCHROEF HD M6X25 (10 STUKS) | ||||
| 52 | 949342 | 1.65 | 2.00 | |
| Geen informatie beschikbaar, niet bestelbaar | ||||
| 53 | 326704 | |||
| MATERIAALAANSLAG (B) | ||||
| 54 | 326698 | 7.95 | 9.62 | |
| LENGTEAANSLAG | ||||
| 55 | 326705 | 3.15 | 3.81 | |
| GELEIDINGSRING (A) | ||||
| 56 | 322901 | 1.05 | 1.27 | |
| GELEIDINGSRING (C) | ||||
| 57 | 322964 | 1.05 | 1.27 | |
| BOUT M6X12 (10 STUKS) | ||||
| 58 | 949611 | 1.05 | 1.27 | |
| VEERPLAAT | ||||
| 59 | 322903 | 2.10 | 2.54 | |
| VEERRING M8 ( 10 STUKS ) | ||||
| 60 | 949457 | 1.05 | 1.27 | |
| IMBUSBOUT M8X16 HD(10 STUKS)(OUD 944949) | ||||
| 61 | 949655 | 3.90 | 4.72 | |
| SCHAALVERDELING (A) | ||||
| 62 | 326826 | 3.30 | 3.99 | |
| AFSTANDHOUDER | ||||
| 63 | 326696 | 1.05 | 1.27 | |
| MACHINESCHROEF M4X8 ZWART | ||||
| 64 | 317200 | 1.65 | 2.00 | |
| MATERIAALAANSLAG (A) | ||||
| 65 | 326697 | 11.70 | 14.16 | |
| SHAFT (B) | ||||
| 66A | 371738 | 1.35 | 1.63 | |
| VOETPLAAT | ||||
| 67 | 326694 | 49.50 | 59.90 | |
| HOLDER (B) | ||||
| 68 | 336353 | 7.20 | 8.71 | |
| BOUT M6X12 (10 STUKS) | ||||
| 69 | 949611 | 1.05 | 1.27 | |
| BOUT LINKSE DRAADM7X17,5 (OUD 996258) | ||||
| 100 | 998335 | 1.05 | 1.27 | |
| Geen informatie beschikbaar, niet bestelbaar | ||||
| 102 | 319107 | |||
| Geen informatie beschikbaar, niet bestelbaar | ||||
| 102A | 318963 | |||
| Geen informatie beschikbaar, niet bestelbaar | ||||
| 103 | 974663Z | |||
| AS KOMPLEET | ||||
| 104 | 323133 | 22.83 | 27.62 | |
| SEAL LOCK PLATTE SCHROEF M4X10 | ||||
| 105 | 990430 | 1.04 | 1.26 | |
| DEKSEL | ||||
| 106 | 322919 | 1.05 | 1.27 | |
| KOGELLAGER 6003VVCMPS2S | ||||
| 107 | 6003VV | 7.65 | 9.26 | |
| LAGERHOUDER | ||||
| 108 | 322918 | 4.65 | 5.63 | |
| AS EN TANDWIELSET | ||||
| 109 | 322917 | 11.70 | 14.16 | |
| Geen informatie beschikbaar, niet bestelbaar | ||||
| 110 | 982027 | |||
| NEEDLE BEARING (OUD 982027) | ||||
| 110A | 373278 | 1.04 | 1.26 | |
| SCHROEF M5 X 16 | ||||
| 111 | 987512 | 1.04 | 1.26 | |
| BOUT M5X10 (OUD 956634,10 STUKS) | ||||
| 115 | 949819 | 2.55 | 3.09 | |
| BESCHERMSCHUIM | ||||
| 116 | 961729 | 1.05 | 1.27 | |
| KRUISKOPSCHROEF M6X16 (10 STUKS) | ||||
| 117 | 949340 | 1.35 | 1.63 | |
| MACHINESCHROEF M4X12 (10 STUKS) | ||||
| 118 | 949217 | 1.05 | 1.27 | |
| RING M4 (OUD 949429Z) | ||||
| 119 | 949429 | 1.05 | 1.27 | |
| Geen informatie beschikbaar, niet bestelbaar | ||||
| 120 | 322920 | |||
| HANDGREEP | ||||
| 121 | 326708 | 5.40 | 6.53 | |
| Geen informatie beschikbaar, niet bestelbaar | ||||
| 122 | 323208 | |||
| TANDWIELHUIS | ||||
| 123B | 336354 | 51.43 | 62.22 | |
| VEER | ||||
| 124 | 323987 | 1.05 | 1.27 | |
| OVERBRENGINGS SCHACHT | ||||
| 125 | 323990 | 2.10 | 2.54 | |
| BLOKKEERPLAAT | ||||
| 126 | 323979 | 3.15 | 3.81 | |
| HANDEL HOUDER | ||||
| 127 | 323982 | 2.10 | 2.54 | |
| NYLON MOER M5 | ||||
| 128 | 877371 | 1.05 | 1.27 | |
| MACHINESCHROEF M5X10 (10 STUKS) | ||||
| 129 | 949236 | 1.05 | 1.27 | |
| SCHROEF M6 | ||||
| 132 | 322950 | 1.05 | 1.27 | |
| RING M7 | ||||
| 133 | 322948 | 1.05 | 1.27 | |
| VLEUGELSCHROEF M6 X 15 | ||||
| 134 | 301806 | 1.05 | 1.27 | |
| SCHROEF M6 | ||||
| 135 | 322950 | 1.05 | 1.27 | |
| PLAATJE | ||||
| 136 | 323986 | 4.20 | 5.08 | |
| STOP PLAATJE | ||||
| 137 | 323985 | 2.10 | 2.54 | |
| VEERRING M5 (10 STUKS) | ||||
| 138 | 949454 | 1.04 | 1.26 | |
| MACHINESCHROEF M4X8 (10 STUKS) | ||||
| 139 | 949215 | 1.05 | 1.27 | |
| RING M4 (OUD 949429Z) | ||||
| 140 | 949429 | 1.05 | 1.27 | |
| BESCHERMKAP | ||||
| 141 | 326707 | 22.83 | 27.62 | |
| BESCHERMKAP | ||||
| 141A | 336356 | 20.63 | 24.96 | |
| BESCHERMKAP | ||||
| 141B | 336356 | 20.63 | 24.96 | |
| VERBINDINGSTANG | ||||
| 142 | 323980 | 12.45 | 15.06 | |
| VERBINDINGSTANG | ||||
| 142A | 336357 | 7.20 | 8.71 | |
| MACHINESCHROEF M4X12 ZWART | ||||
| 144 | 935196 | 1.04 | 1.26 | |
| BOUT (C) M5 | ||||
| 145 | 322947 | 1.05 | 1.27 | |
| SLUITRING | ||||
| 146 | 322938 | 1.05 | 1.27 | |
| TERUGVEER (A) | ||||
| 147 | 323984 | 1.05 | 1.27 | |
| PLAATJE | ||||
| 148 | 323989 | 3.15 | 3.81 | |
| ASJE | ||||
| 149 | 323988 | 2.10 | 2.54 | |
| TAPSCHROEF D4X25 MET RING ZWART | ||||
| 151 | 307028 | 1.05 | 1.27 | |
| TAPSCHROEF D4X20 MET RING ZWART (OUD 305095) | ||||
| 152 | 301653 | 1.04 | 1.26 | |
| HANDGREEPSET | ||||
| 153 | 326703 | 17.19 | 20.80 | |
| SWITCH HANDLE | ||||
| 153A | 375673 | 10.95 | 13.25 | |
| SNOER 2.5M 2 X 1.0 H05VV-F W/PLUG 13A/250V (OLD 50 | ||||
| 154 | 500423Z | 12.87 | 15.57 | |
| SNOER 2,5M 2 X 1.0 H05VV-F (OUD 500395Z) | ||||
| 154 | 500447Z | 6.60 | 7.99 | |
| SNOERTULE D10.7 | ||||
| 155 | 940778 | 2.10 | 2.54 | |
| Geen informatie beschikbaar, niet bestelbaar | ||||
| 162 | 984750 | |||
| KLEMSTRIP (OLD 994566) | ||||
| 163 | 937631 | 1.04 | 1.26 | |
| SCHAKELAAR | ||||
| 166 | 326700 | 10.20 | 12.34 | |
| SWITCH (3P FASTON TYPE) W/O LOCK | ||||
| 166A | 375672 | 10.50 | 12.70 | |
| RUBBER RING | ||||
| 167 | 303792 | 1.05 | 1.27 | |
| ANKER 220-230 VOLT | ||||
| 168 | 360695E | 49.50 | 59.90 | |
| ANKER 110-120 VOLT | ||||
| 168 | 360656U | 46.20 | 55.90 | |
| KOGELLAGER 6202VVCMPS2S | ||||
| 169 | 6202VV | 7.05 | 8.53 | |
| SLUITRING | ||||
| 170 | 980700 | 1.04 | 1.26 | |
| RING | ||||
| 171 | 302428 | 1.04 | 1.26 | |
| KOGELLAGER 6000VCMPS2S | ||||
| 172 | 6000VV | 6.15 | 7.44 | |
| SCHAKELBLOKKERING | ||||
| 173 | 322916 | 1.05 | 1.27 | |
| LUCHTGELEIDER | ||||
| 174 | 322915 | 2.25 | 2.72 | |
| INBUS HD TAPSCHROEF D5X50 | ||||
| 175 | 953121 | 1.04 | 1.26 | |
| VELD 220-230 VOLT | ||||
| 176 | 340687E | 45.65 | 55.24 | |
| CONTACTPUNT KOOLBORSTELHOUDER | ||||
| 177 | 937623 | 1.04 | 1.26 | |
| MACHINESCHROEF M6X40 ZWART | ||||
| 178 | 322123 | 1.65 | 2.00 | |
| BEHUIZING | ||||
| 179 | 322914 | 22.83 | 27.62 | |
| INBUSSTELSCHROEF M5X8 | ||||
| 180 | 938477 | 1.05 | 1.27 | |
| KOOLBORSTELHOUDER (OUD 938241Z) | ||||
| 181 | 938241 | 6.45 | 7.80 | |
| KOOLBORSTEL 7X13X17 (2 STUKS) | ||||
| 182 | 999065 | 7.95 | 9.62 | |
| KOOLBORSTELDOP | ||||
| 183 | 945161 | 1.20 | 1.45 | |
| VERBINDINGSTANG | ||||
| 184 | 322949 | 3.15 | 3.81 | |
| MACHINESCHROEF M4X10 ZWART | ||||
| 194 | 304043 | 1.05 | 1.27 | |
| GUARD | ||||
| 195 | 336358 | 1.05 | 1.27 | |
| TRIGGER | ||||
| 197 | 375116 | 1.04 | 1.26 | |
| Geen informatie beschikbaar, niet bestelbaar | ||||
| 501 | 940543 | |||
| BOUT M10X35(10STUKS) | ||||
| 502 | 949695 | 3.30 | 3.99 | |
| Geen informatie beschikbaar, niet bestelbaar | ||||
| 503 | 974663Z | |||
| Geen informatie beschikbaar, niet bestelbaar | ||||
| 504 | 322955 | |||
| Geen informatie beschikbaar, niet bestelbaar | ||||
| 601 | 322957 | |||
| KNOP M6 X 11 | ||||
| 602 | 998836 | 1.65 | 2.00 | |
| Geen informatie beschikbaar, niet bestelbaar | ||||
| 604 | 306985 | |||
| VOETPLAATRUBBER | ||||
| 605 | 964851 | 1.05 | 1.27 | |
| MACHINESCHROEF M4X10 ZWART | ||||
| 606 | 304043 | 1.05 | 1.27 | |
| AS VOOR MATERIAALKLEM | ||||
| 607 | 318967 | 3.00 | 3.63 | |
| Geen informatie beschikbaar, niet bestelbaar | ||||
| 608 | 321551 | |||
| Geen informatie beschikbaar, niet bestelbaar | ||||
| 609 | 322713 | |||
| VLEUGELSCHROEF M6 X 15 | ||||
| 610 | 301806 | 1.05 | 1.27 | |
| Geen informatie beschikbaar, niet bestelbaar | ||||
| 612 | 321390 | |||
| VLEUGELSCHROEF M6 X 52 | ||||
| 613 | 316030 | 14.70 | 17.79 | |
| Geen informatie beschikbaar, niet bestelbaar | ||||
| 614 | 322714 | |||
| VLEUGELSCHROEF M6 X 52 | ||||
| 615 | 316030 | 14.70 | 17.79 | |
| Geen informatie beschikbaar, niet bestelbaar | ||||
| 616 | 321390 | |||
| VLEUGELSCHROEF M6 X 15 | ||||
| 618 | 301806 | 1.05 | 1.27 | |
| LENGTEAANSLAG COMPLEET | ||||
| 619 | 322956 | 20.49 | 24.79 | |
| Geen informatie beschikbaar, niet bestelbaar | ||||
| 620 | 321549 | |||
| VLEUGELMOERTJES M6 (10 STUKS) | ||||
| 621 | 949313 | 4.65 | 5.63 | |
| MOER M6 (10ST) | ||||
| 622 | 949556 | 1.05 | 1.27 | |
| KLEMPLAAT | ||||
| 623 | 322047 | 1.38 | 1.67 | |
| RING M6 ( OUD 949425Z , 10 ST ) | ||||
| 624 | 949425 | 1.05 | 1.27 | |
| Geen informatie beschikbaar, niet bestelbaar | ||||
| 625 | 323134 | |||
| STOPPER | ||||
| 626 | 974561 | 7.05 | 8.53 | |
| VLEUGELSCHROEF M6X20 | ||||
| 627 | 949404 | 7.65 | 9.26 | |
| Geen informatie beschikbaar, niet bestelbaar | ||||
| 628 | 322712 | |||
| Geen informatie beschikbaar, niet bestelbaar | ||||
| 629 | 322710 | |||