Hier vindt u alle beschikbare onderdelen en tekeningen van de 'Hikoki C15FB'. Vanaf hier kunt u direct alle gewenste onderdelen bestellen. Vele onderdelen moeten bij de fabrikant besteld worden, dit duurt afhankelijk van het merk, één tot vier weken. Alle informatie die we hebben, staat op onze website, wij kunnen u geen advies geven over wat u nodig heeft, daarvoor zult u de machine ter reparatie in moeten leveren. Let bij het bestellen op het volgende:
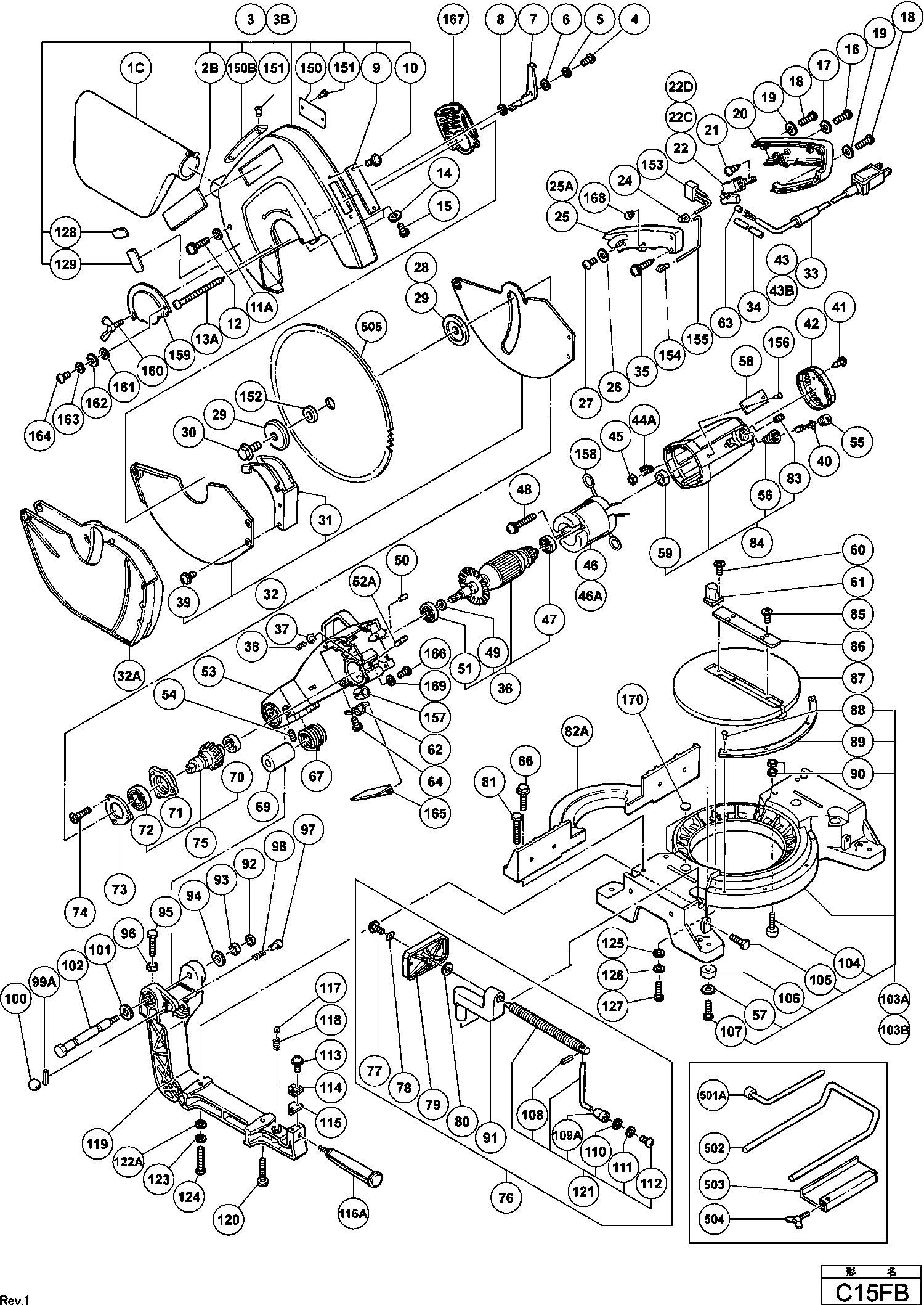
Tekeningen van de Hikoki C15FB
Onderdelen lijst van de Hikoki C15FB
| Pos. | Omschrijving | Prijs excl. BTW | Prijs incl. BTW | |
| Getoonde prijzen zijn inclusief btw | ||||
| Geen informatie beschikbaar, niet bestelbaar | ||||
| 1C | 322955 | |||
| Geen informatie beschikbaar, niet bestelbaar | ||||
| 2B | 951653 | |||
| Niet meer leverbaar, geen vervanging | ||||
| 3B | 988908 | |||
| Geen informatie beschikbaar, niet bestelbaar | ||||
| 3S | 988912 | |||
| Geen informatie beschikbaar, niet bestelbaar | ||||
| 3T | 988914 | |||
| MACHINESCHROEF M6X12 (10 STUKS) | ||||
| 4 | 949255 | 1.35 | 1.63 | |
| VEERRING M6 (OUD 949455Z , 10ST.) | ||||
| 5 | 949455 | 1.05 | 1.27 | |
| RING | ||||
| 6 | 972256 | 1.98 | 2.40 | |
| Geen informatie beschikbaar, niet bestelbaar | ||||
| 7 | 988901 | |||
| RING | ||||
| 8 | 974484 | 1.05 | 1.27 | |
| COVER | ||||
| 9 | 988112 | 3.30 | 3.99 | |
| MACHINE SCHROEF M5X10 | ||||
| 10 | 976706 | 1.04 | 1.26 | |
| RING (B) | ||||
| 11A | 936311 | 1.00 | 1.21 | |
| SCHROEF M5 X 16 | ||||
| 12 | 987512 | 1.04 | 1.26 | |
| Tapschroef D5x90 (oud 988888) | ||||
| 13A | 320186 | 1.50 | 1.82 | |
| RING M5 ( OUD 949431Z , 10 ST ) | ||||
| 14 | 949431 | 1.04 | 1.26 | |
| MACHINESCHROEF M4X10 (10 STUKS) (OUD 949216Z) | ||||
| 15 | 949216 | 1.05 | 1.27 | |
| MACHINESCHROEF M5X16 (10 STUKS) | ||||
| 16 | 949239 | 1.05 | 1.27 | |
| RING M5 ( OUD 949431Z , 10 ST ) | ||||
| 17 | 949431 | 1.04 | 1.26 | |
| MACHINESCHROEF M5X20 (10 STUKS) | ||||
| 18 | 949241 | 1.35 | 1.63 | |
| RING M5 ( OUD 949431Z , 10 ST ) | ||||
| 19 | 949431 | 1.04 | 1.26 | |
| HANDGREEP | ||||
| 20 | 988107 | 13.95 | 16.88 | |
| TAPSCHROEF D4X10 | ||||
| 21 | 974572 | 1.05 | 1.27 | |
| Schakelaar | ||||
| 22 | 974664Z | 37.95 | 45.92 | |
| SCHAKELAAR | ||||
| 22 | 976450 | 27.09 | 32.78 | |
| Niet meer leverbaar, geen vervanging | ||||
| 25A | 988920 | |||
| HANDGREEPDEKSEL | ||||
| 25S | 988108 | 5.04 | 6.10 | |
| RING M5 ( OUD 949431Z , 10 ST ) | ||||
| 26 | 949431 | 1.04 | 1.26 | |
| MACHINESCHROEF M5X12 (10 STUKS) | ||||
| 27 | 949237 | 1.05 | 1.27 | |
| RING | ||||
| 29 | 988896 | 17.33 | 20.96 | |
| BOLT (A) M10 | ||||
| 30 | 988101 | 1.95 | 2.36 | |
| SNOERTULE D10.7 | ||||
| 33 | 940778 | 2.10 | 2.54 | |
| Geen informatie beschikbaar, niet bestelbaar | ||||
| 34 | 988893 | |||
| TAPSCHROEF D4X25 MET RING | ||||
| 35 | 988889 | 1.05 | 1.27 | |
| ANKER 220-230 VOLT | ||||
| 36 | 360065E | 183.70 | 222.28 | |
| Anker 240 Volt | ||||
| 36 | 360065F | 183.70 | 222.28 | |
| VEERRING | ||||
| 37 | 974577 | 1.05 | 1.27 | |
| GAUGEVEER | ||||
| 38 | 948363 | 1.05 | 1.27 | |
| KOOLBORSTEL (2 STUKS) | ||||
| 40 | 999044 | 4.50 | 5.44 | |
| TAPSCHROEF D4X10 | ||||
| 41 | 974572 | 1.05 | 1.27 | |
| DEKSEL | ||||
| 42 | 974571 | 5.25 | 6.35 | |
| Geen informatie beschikbaar, niet bestelbaar | ||||
| 43 | 952802Z | |||
| MOERDEKSEL | ||||
| 44A | 937892 | 1.00 | 1.21 | |
| MOER M5 (10 STUKS) (OUD 949555Z | ||||
| 45 | 949555 | 1.05 | 1.27 | |
| Geen informatie beschikbaar, niet bestelbaar | ||||
| 46 | 974613D | |||
| STATOR ASS'Y 220 VOLT (OLD 974613E) | ||||
| 46A | 340198H | 99.00 | 119.79 | |
| Stator Ass'y 240 Volt | ||||
| 46S | 974613F | 121.96 | 147.57 | |
| KOGELLAGER 6200VVCMPS2S | ||||
| 47 | 6200VV | 6.15 | 7.44 | |
| MACHINESCHROEF M5X75 | ||||
| 48 | 974603 | 1.05 | 1.27 | |
| AFSTANDSBUS | ||||
| 49 | 947622 | 1.04 | 1.26 | |
| RUBBEREN PEN (OUD 976441) | ||||
| 50 | 946362 | 1.05 | 1.27 | |
| KOGELLAGER 6002DDUCMPS2L | ||||
| 51 | 6002DD | 7.05 | 8.53 | |
| STOPPIN | ||||
| 52A | 974576 | 1.35 | 1.63 | |
| TANDWIELHUIS | ||||
| 53 | 988881 | 99.14 | 119.96 | |
| INBUSSTELSCHROEF M6X10 | ||||
| 54 | 968247 | 1.04 | 1.26 | |
| Koolborsteldop | ||||
| 55 | 978445 | 1.05 | 1.27 | |
| KOOLBORSTELHOUDER (OUD 500301) | ||||
| 56 | 980487 | 5.68 | 6.87 | |
| RING M5 ( OUD 949431Z , 10 ST ) | ||||
| 57 | 949431 | 1.04 | 1.26 | |
| BEARING BUSHING | ||||
| 59 | 988886 | 8.16 | 9.87 | |
| SCHROEF M4X10 (10 STUKS) | ||||
| 60 | 949322 | 1.05 | 1.27 | |
| GUARD | ||||
| 61 | 988900 | 1.95 | 2.36 | |
| SNOERKLEM | ||||
| 62 | 934028 | 1.00 | 1.21 | |
| DRAADEINDHULS | ||||
| 63 | 981373 | 1.05 | 1.27 | |
| MACHINESCHROEF M4X10 (10 STUKS) (OUD 949216Z) | ||||
| 64 | 949216 | 1.05 | 1.27 | |
| Geen informatie beschikbaar, niet bestelbaar | ||||
| 66 | 988877 | |||
| VEER | ||||
| 67 | 988878 | 10.95 | 13.25 | |
| HULS | ||||
| 69 | 988879 | 11.55 | 13.98 | |
| KOGELLAGER 6001VVCMPS2L | ||||
| 70 | 6001VV | 6.60 | 7.99 | |
| BEARING HOLDER | ||||
| 71 | 988883 | 8.76 | 10.60 | |
| KOGELLAGER 6006ZZCMPS2S | ||||
| 72 | 6006ZZ | 10.20 | 12.34 | |
| Geen informatie beschikbaar, niet bestelbaar | ||||
| 73 | 988884 | |||
| SCHROEF HD M6X25 (10 STUKS) | ||||
| 74 | 949342 | 1.65 | 2.00 | |
| AS KOMPLEET | ||||
| 75 | 988882 | 84.56 | 102.32 | |
| Geen informatie beschikbaar, niet bestelbaar | ||||
| 76 | 988897 | |||
| MACHINESCHROEF M6 X 10(OUD303405) | ||||
| 77 | 997314 | 1.05 | 1.27 | |
| WAVE WASHER M10 | ||||
| 78 | 974612 | 1.00 | 1.21 | |
| Geen informatie beschikbaar, niet bestelbaar | ||||
| 79 | 988106 | |||
| RING M10 ( OUD 949434Z , 10 ST. ) | ||||
| 80 | 949434 | 1.35 | 1.63 | |
| BOLT M10X60 (10 PCS) | ||||
| 81 | 949634 | 5.10 | 6.17 | |
| VISE (B) C15FB | ||||
| 82A | 988876 | 78.79 | 95.33 | |
| INBUSSTELSCHROEF M4X5 | ||||
| 83 | 967508 | 1.00 | 1.21 | |
| HUIS | ||||
| 84 | 974566 | 52.80 | 63.89 | |
| SCHROEF M4X10 (10 STUKS) | ||||
| 85 | 949322 | 1.05 | 1.27 | |
| ZAAGBLADGELEIDER | ||||
| 86 | 974579 | 3.90 | 4.72 | |
| Geen informatie beschikbaar, niet bestelbaar | ||||
| 87 | 988870 | |||
| KLINKNAGEL D2.5X4.8 ( 10 STUKS ) | ||||
| 88 | 949510 | 1.04 | 1.26 | |
| SCALE | ||||
| 89 | 988907 | 5.85 | 7.08 | |
| LOCK NUT M10 | ||||
| 90 | 949572 | 2.40 | 2.90 | |
| Geen informatie beschikbaar, niet bestelbaar | ||||
| 91 | 988898 | |||
| ZELFBORGENDE MOER M12 ( 10 ST. ) | ||||
| 92 | 949574 | 3.00 | 3.63 | |
| NUT M12 (10ST) | ||||
| 93 | 949561 | 3.00 | 3.63 | |
| RING M12 ( OUD 949437Z , 10 ST. ) | ||||
| 94 | 949437 | 1.95 | 2.36 | |
| Geen informatie beschikbaar, niet bestelbaar | ||||
| 95 | 988872 | |||
| LOCK NUT M10 | ||||
| 96 | 949572 | 2.40 | 2.90 | |
| PIN | ||||
| 97 | 988874 | 4.80 | 5.81 | |
| GAUGEVEER | ||||
| 98 | 948363 | 1.05 | 1.27 | |
| ROL PIN D4X32 (10 STUKS) | ||||
| 99A | 949685 | 2.55 | 3.09 | |
| ONTGRENDELGRIP | ||||
| 100 | 967896 | 2.55 | 3.09 | |
| RING M16 | ||||
| 101 | 955818 | 1.05 | 1.27 | |
| Geen informatie beschikbaar, niet bestelbaar | ||||
| 102 | 988880 | |||
| Geen informatie beschikbaar, niet bestelbaar | ||||
| 103A | 988906 | |||
| SET SCREW | ||||
| 104 | 988891 | 3.75 | 4.54 | |
| BOUT M10X30 (10 STUKS) | ||||
| 105 | 949698 | 3.06 | 3.70 | |
| VOETPLAATRUBBER | ||||
| 106 | 964851 | 1.05 | 1.27 | |
| MACHINESCHROEF M5X20 (10 STUKS) | ||||
| 107 | 949241 | 1.35 | 1.63 | |
| ROL PIN D3X16 (10 STUKS) | ||||
| 108 | 949496 | 1.65 | 2.00 | |
| BUS (OUD 964860) | ||||
| 109A | 962561 | 1.00 | 1.21 | |
| SLUITRING (B) (OUD 976448) | ||||
| 110 | 962569 | 1.05 | 1.27 | |
| VEERRING M4 (10 STUKS) | ||||
| 111 | 949453 | 1.05 | 1.27 | |
| MACHINESCHROEF M4X10 (10 STUKS) (OUD 949216Z) | ||||
| 112 | 949216 | 1.05 | 1.27 | |
| MACHINE SCHROEF M5X10 | ||||
| 113 | 976706 | 1.04 | 1.26 | |
| INDICATOR | ||||
| 114 | 976826 | 1.05 | 1.27 | |
| SPACER | ||||
| 115 | 976804 | 1.00 | 1.21 | |
| Geen informatie beschikbaar, niet bestelbaar | ||||
| 116A | 988875 | |||
| STALEN KOGEL D12.17 ( 10 STUKS ) | ||||
| 117 | 959153 | 5.40 | 6.53 | |
| VEER | ||||
| 118 | 967150 | 1.00 | 1.21 | |
| SCHARNIERPUNT | ||||
| 119 | 988871 | 154.55 | 187.01 | |
| BOLT M10X65 (W/WASHERS) | ||||
| 120 | 988873 | 1.08 | 1.31 | |
| SCHROEFAS | ||||
| 121 | 988104 | 25.71 | 31.11 | |
| RING | ||||
| 122A | 302998 | 1.05 | 1.27 | |
| RING M10 (10 STUKS) | ||||
| 123 | 949458 | 1.05 | 1.27 | |
| SCREW (G) | ||||
| 124 | 988905 | 1.00 | 1.21 | |
| RING (B) | ||||
| 125 | 936311 | 1.00 | 1.21 | |
| VEERRING M6 (OUD 949455Z , 10ST.) | ||||
| 126 | 949455 | 1.05 | 1.27 | |
| MACHINESCHROEF M6X16 (10 STUKS) | ||||
| 127 | 949256 | 1.35 | 1.63 | |
| VULRING VOOR D25.4 | ||||
| 152 | 976451 | 3.30 | 3.99 | |
| KOOLBORSTELCONTACT (OUD 957004) | ||||
| 158 | 998744 | 1.20 | 1.45 | |
| Geen informatie beschikbaar, niet bestelbaar | ||||
| 501A | 985051 | |||
| HOUDER | ||||
| 502 | 974562 | 9.36 | 11.33 | |
| STOPPER | ||||
| 503 | 974561 | 7.05 | 8.53 | |
| VLEUGELSCHROEF M6X20 | ||||
| 504 | 949404 | 7.65 | 9.26 | |
| Geen informatie beschikbaar, niet bestelbaar | ||||
| 601 | 988904 | |||