Hier vindt u alle beschikbare onderdelen en tekeningen van de 'Hikoki C18DBL'. Vanaf hier kunt u direct alle gewenste onderdelen bestellen. Vele onderdelen moeten bij de fabrikant besteld worden, dit duurt afhankelijk van het merk, één tot vier weken. Alle informatie die we hebben, staat op onze website, wij kunnen u geen advies geven over wat u nodig heeft, daarvoor zult u de machine ter reparatie in moeten leveren. Let bij het bestellen op het volgende:
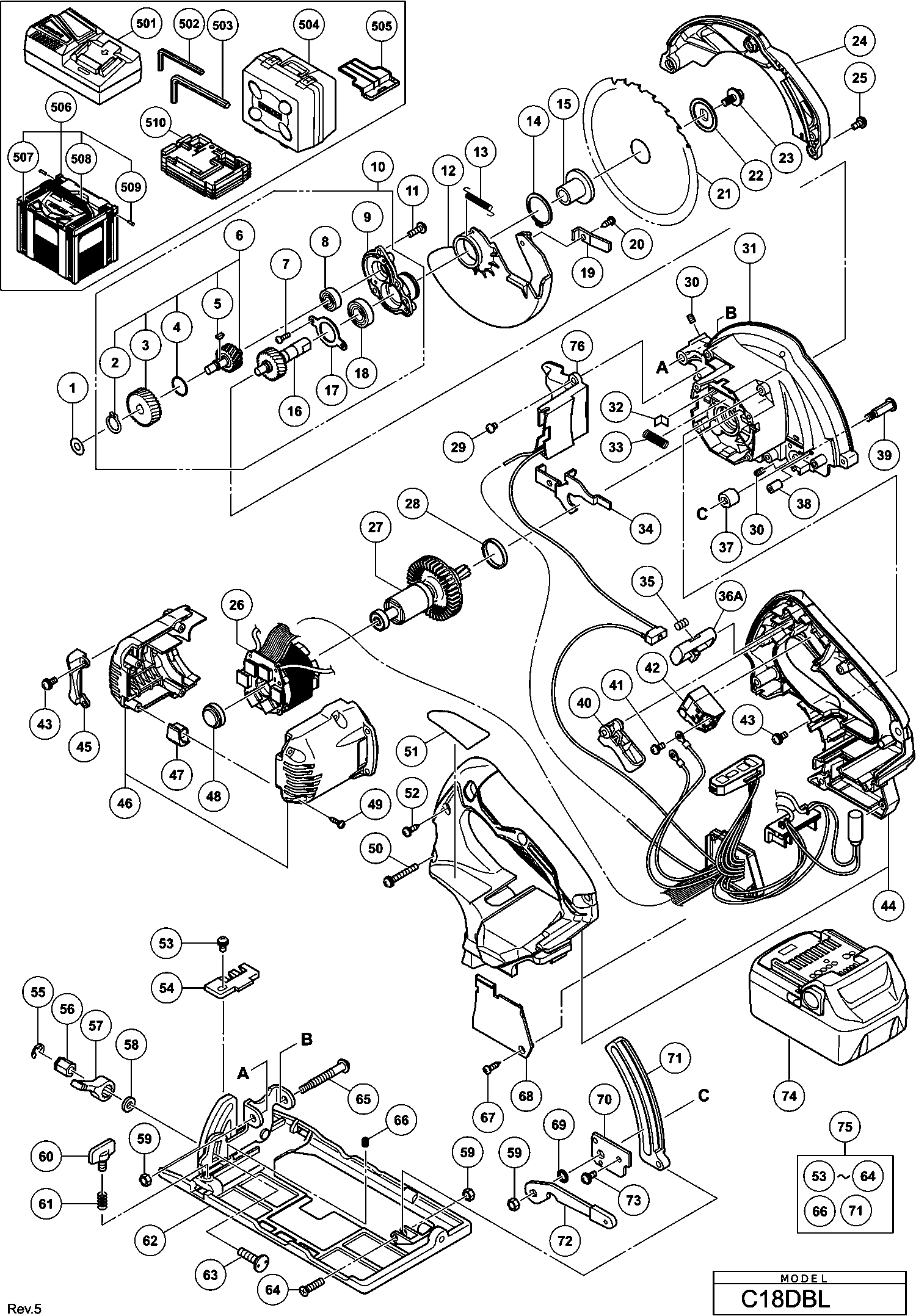
Tekeningen van de Hikoki C18DBL
Onderdelen lijst van de Hikoki C18DBL
| Pos. | Omschrijving | Prijs excl. BTW | Prijs incl. BTW | |
| Getoonde prijzen zijn inclusief btw | ||||
| INBUSSTELSCHROEF M5X6 | ||||
| *30 | 319541 | 1.50 | 1.82 | |
| Geen informatie beschikbaar, niet bestelbaar | ||||
| *504A | 370338 | |||
| BESCHERMKAPJE VOOR BATTERIJ | ||||
| *505 | 329897 | 1.80 | 2.18 | |
| Geen informatie beschikbaar, niet bestelbaar | ||||
| *602 | 329063 | |||
| RING (A) | ||||
| 1 | 329975 | 6.45 | 7.80 | |
| VEERRING D10 (10 STUKS) | ||||
| 2 | 939540 | 1.95 | 2.36 | |
| EERSTE TANDWIEL | ||||
| 3 | 334144 | 9.00 | 10.89 | |
| O-RING (S-14) | ||||
| 4 | 876319 | 1.65 | 2.00 | |
| INLEGSPIE | ||||
| 5 | 302047 | 1.05 | 1.27 | |
| SECOND SHAFT ASS'Y | ||||
| 6 | 334226 | 26.95 | 32.61 | |
| MACHINESCHROEF M3X8 (10 STUKS) | ||||
| 7 | 949203 | 1.05 | 1.27 | |
| KOGELLAGER 606ZZMC3PS2S | ||||
| 8 | 606ZZM | 15.40 | 18.63 | |
| LAGERHOUDER | ||||
| 9 | 333672 | 12.75 | 15.43 | |
| BEARING HOLDER ASS'Y | ||||
| 10 | 334228 | 64.08 | 77.53 | |
| MACHINESCHROEF M4X12 | ||||
| 11 | 951039 | 1.05 | 1.27 | |
| Geen informatie beschikbaar, niet bestelbaar | ||||
| 12 | 336552 | |||
| LOWER GUARD | ||||
| 12A | 374244 | 2.70 | 3.27 | |
| VEER | ||||
| 13 | 333677 | 1.80 | 2.18 | |
| VEERRING | ||||
| 14 | 939548 | 4.65 | 5.63 | |
| RING (A) | ||||
| 15 | 333665 | 10.35 | 12.52 | |
| TANDWIELAS | ||||
| 16 | 334227 | 18.29 | 22.13 | |
| LAGERDEKSEL | ||||
| 17 | 333673 | 1.80 | 2.18 | |
| Geen informatie beschikbaar, niet bestelbaar | ||||
| 18 | 6900VV | |||
| KNOB | ||||
| 19 | 333894 | 1.80 | 2.18 | |
| TAPSCHROEF D4 X 10 ZWART | ||||
| 20 | 302090 | 1.05 | 1.27 | |
| Geen informatie beschikbaar, niet bestelbaar | ||||
| 21 | 336832 | |||
| RING (B) | ||||
| 22 | 333666 | 6.75 | 8.17 | |
| HEX.BOLT M5X14 (W-FLANGE) | ||||
| 23 | 333893 | 1.80 | 2.18 | |
| Geen informatie beschikbaar, niet bestelbaar | ||||
| 24 | 336648 | |||
| SAW COVER (OLD 336648) | ||||
| 24B | 375360 | 4.65 | 5.63 | |
| MACHINESCHROEF M4X12 ZWART | ||||
| 25 | 333781 | 1.20 | 1.45 | |
| VELD | ||||
| 26 | 340872 | 101.75 | 123.12 | |
| ROTOR | ||||
| 27 | 336547 | 43.45 | 52.57 | |
| RUBBER RING (A) | ||||
| 28 | 328453 | 1.80 | 2.18 | |
| MACHINESCHROEF M4X6 (10 STUKS) | ||||
| 29 | 949214 | 1.05 | 1.27 | |
| INBUSSTELSCHROEF M5X6 | ||||
| 30 | 319541 | 1.50 | 1.82 | |
| TANDWIEL HUIS | ||||
| 31 | 336646 | 20.35 | 24.62 | |
| SPRING HOOK | ||||
| 32 | 334137 | 1.80 | 2.18 | |
| VEER | ||||
| 33 | 334225 | 1.80 | 2.18 | |
| BLOKKERING | ||||
| 34 | 336555 | 2.85 | 3.45 | |
| VEER | ||||
| 35 | 336650 | 1.05 | 1.27 | |
| KNOP | ||||
| 36B | 339247 | 1.04 | 1.26 | |
| CAM | ||||
| 37 | 333681 | 3.45 | 4.17 | |
| LOCK SLEEVE | ||||
| 38 | 333682 | 3.45 | 4.17 | |
| CAM SHAFT | ||||
| 39 | 333680 | 5.10 | 6.17 | |
| TREKKER | ||||
| 40 | 336545 | 1.04 | 1.26 | |
| MACHINESCHROEF M3,5X6 | ||||
| 41 | 307887 | 1.04 | 1.26 | |
| SCHAKELAAR | ||||
| 42 | 332552 | 10.65 | 12.89 | |
| MACHINESCHROEF M4X14 ZWART | ||||
| 43 | 305691 | 1.05 | 1.27 | |
| HANDGREEP | ||||
| 44 | 336550 | 14.70 | 17.79 | |
| FLOW GUIDE (C) | ||||
| 45 | 333669 | 1.80 | 2.18 | |
| BEHUIZING | ||||
| 46 | 336548 | 5.25 | 6.35 | |
| BEHUIZING | ||||
| 46A | 336548 | 5.25 | 6.35 | |
| CUSHION | ||||
| 47 | 336554 | 1.04 | 1.26 | |
| RUBBER RING | ||||
| 48 | 328201 | 1.05 | 1.27 | |
| TAPSCHROEF D3X20 MET RING | ||||
| 49 | 332929 | 1.80 | 2.18 | |
| MACHINESCHROEF M4X35 ZWART | ||||
| 50 | 334141 | 1.80 | 2.18 | |
| Geen informatie beschikbaar, niet bestelbaar | ||||
| 52 | 307811 | |||
| MACHINESCHROEF M4X8 ZWART | ||||
| 53 | 317200 | 1.65 | 2.00 | |
| GUIDE PIECE | ||||
| 54 | 320394 | 1.80 | 2.18 | |
| VEERRING | ||||
| 55 | 942827 | 1.04 | 1.26 | |
| MOER M6 | ||||
| 56 | 333660 | 1.80 | 2.18 | |
| HENDEL | ||||
| 57 | 333659 | 1.80 | 2.18 | |
| RING M6 ( OUD 949425Z , 10 ST ) | ||||
| 58 | 949425 | 1.05 | 1.27 | |
| U-MOER M5 | ||||
| 59 | 308387 | 1.05 | 1.27 | |
| NYLON MOER M5 | ||||
| 59A | 377291 | 1.00 | 1.21 | |
| VLEUGELSCHROEF M6X18 | ||||
| 60 | 307898 | 1.65 | 2.00 | |
| VEER | ||||
| 61 | 324876 | 1.80 | 2.18 | |
| VOETPLAAT | ||||
| 62 | 336833 | 27.23 | 32.94 | |
| BOUT M6 | ||||
| 63 | 314623 | 1.80 | 2.18 | |
| SPECIAAL BOUTJE | ||||
| 64 | 333664 | 1.80 | 2.18 | |
| STELSCHROEF (A) | ||||
| 65 | 325236 | 5.10 | 6.17 | |
| STELSCHROEF M6X8 | ||||
| 66 | 308109 | 1.04 | 1.26 | |
| TAPSCHROEF D3X12 ZWART | ||||
| 67 | 334333 | 1.80 | 2.18 | |
| CONTROL COVER | ||||
| 68 | 336553 | 1.35 | 1.63 | |
| WAVE WASHER 8 | ||||
| 69 | 334242 | 1.73 | 2.09 | |
| AFDEKPLAAT | ||||
| 70 | 333678 | 3.45 | 4.17 | |
| VERBINDINGSARM | ||||
| 71 | 333661 | 7.35 | 8.89 | |
| SCHUIF | ||||
| 72 | 336556 | 1.80 | 2.18 | |
| SCHROEF M4X8 ZWART | ||||
| 73 | 325079 | 1.65 | 2.00 | |
| Geen informatie beschikbaar, niet bestelbaar | ||||
| 74 | 335790 | |||
| VOETPLAAT | ||||
| 75 | 336647 | 38.50 | 46.58 | |
| LED MICRO SWITCH SET | ||||
| 76 | 338982 | 13.35 | 16.15 | |
| KOGELLAGER 625DD | ||||
| 77 | 333826 | 5.10 | 6.17 | |
| KOGELLAGER 6900VVCM | ||||
| 78 | 371033 | 3.15 | 3.81 | |
| Geen informatie beschikbaar, niet bestelbaar | ||||
| 502 | 990666 | |||
| Geen informatie beschikbaar, niet bestelbaar | ||||
| 503 | 944458 | |||
| Geen informatie beschikbaar, niet bestelbaar | ||||
| 504A | 370338 | |||
| BESCHERMKAPJE VOOR BATTERIJ | ||||
| 505 | 329897 | 1.80 | 2.18 | |
| Geen informatie beschikbaar, niet bestelbaar | ||||
| 506 | 337528 | |||
| Geen informatie beschikbaar, niet bestelbaar | ||||
| 506A | 337108 | |||
| Geen informatie beschikbaar, niet bestelbaar | ||||
| 507 | 336472 | |||
| Geen informatie beschikbaar, niet bestelbaar | ||||
| 508 | 336473 | |||
| Geen informatie beschikbaar, niet bestelbaar | ||||
| 509 | 336474 | |||
| Geen informatie beschikbaar, niet bestelbaar | ||||
| 510 | 339727 | |||
| Geen informatie beschikbaar, niet bestelbaar | ||||
| 510A | 375025 | |||
| Geen informatie beschikbaar, niet bestelbaar | ||||
| 510B | 339727 | |||
| Geen informatie beschikbaar, niet bestelbaar | ||||
| 601 | 302756 | |||
| Geen informatie beschikbaar, niet bestelbaar | ||||
| 602 | 329063 | |||
| Geen informatie beschikbaar, niet bestelbaar | ||||
| 603 | 381222 | |||