Hier vindt u alle beschikbare onderdelen en tekeningen van de 'Hikoki C6U3'. Vanaf hier kunt u direct alle gewenste onderdelen bestellen. Vele onderdelen moeten bij de fabrikant besteld worden, dit duurt afhankelijk van het merk, één tot vier weken. Alle informatie die we hebben, staat op onze website, wij kunnen u geen advies geven over wat u nodig heeft, daarvoor zult u de machine ter reparatie in moeten leveren. Let bij het bestellen op het volgende:
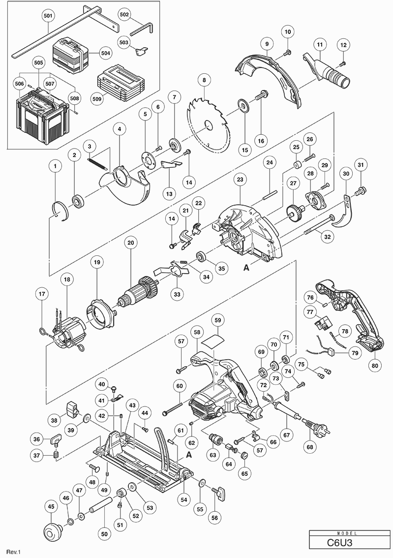
Tekeningen van de Hikoki C6U3
Onderdelen lijst van de Hikoki C6U3
| Pos. | Omschrijving | Prijs excl. BTW | Prijs incl. BTW | |
| Getoonde prijzen zijn inclusief btw | ||||
| Geen informatie beschikbaar, niet bestelbaar | ||||
| *68 | 500390Z | |||
| GELEIDINGSRING | ||||
| 1 | 998887 | 9.30 | 11.25 | |
| KOGELLAGER 6003VVCM (NYLON RETAINER) | ||||
| 2 | 327694 | 5.25 | 6.35 | |
| TERUGVEER | ||||
| 3 | 370374 | 1.04 | 1.26 | |
| LOWER GUARD | ||||
| 4 | 370357 | 11.10 | 13.43 | |
| LAGERDEKSEL | ||||
| 5 | 302435 | 1.35 | 1.63 | |
| SEAL LOCK PLATTE SCHROEF M4X10 | ||||
| 6 | 990430 | 1.04 | 1.26 | |
| RING (A) | ||||
| 7 | 370272 | 2.25 | 2.72 | |
| Geen informatie beschikbaar, niet bestelbaar | ||||
| 8 | 324678 | |||
| SAW COVER | ||||
| 9 | 370355 | 10.50 | 12.70 | |
| SAW COVER | ||||
| 9A | 370355 | 10.50 | 12.70 | |
| MACHINESCHROEF M4X12 | ||||
| 10 | 951039 | 1.05 | 1.27 | |
| Geen informatie beschikbaar, niet bestelbaar | ||||
| 11 | 997247 | |||
| MACHINESCHROEF M4X12 ZWART | ||||
| 12 | 935196 | 1.04 | 1.26 | |
| LEVER (OUD 302464) | ||||
| 13 | 370542 | 1.04 | 1.26 | |
| MACHINESCHROEF M4X12 ZWART | ||||
| 14 | 935196 | 1.04 | 1.26 | |
| RING (B) | ||||
| 15 | 370279 | 2.25 | 2.72 | |
| ZESKANTBOUT HD. M8X15,5 | ||||
| 16 | 324662 | 1.95 | 2.36 | |
| CONTACTPUNT KOOLBORSTELHOUDER | ||||
| 17 | 930703 | 2.40 | 2.90 | |
| VELD 220-230 VOLT | ||||
| 18 | 340945E | 28.60 | 34.61 | |
| FAN GUIDE | ||||
| 19 | 370342 | 1.20 | 1.45 | |
| ANKER 220-230 VOLT | ||||
| 20 | 361037E | 34.79 | 42.09 | |
| FLOW GUIDE (A) | ||||
| 21 | 370346 | 1.04 | 1.26 | |
| FLOW GUIDE (A) | ||||
| 22 | 370345 | 1.04 | 1.26 | |
| GEAR COVER | ||||
| 23 | 370351 | 21.18 | 25.62 | |
| ROLL PIN D6X40 (10 STUKS) | ||||
| 24 | 949686 | 6.75 | 8.17 | |
| BESCHERMSCHUIM | ||||
| 25 | 961729 | 1.05 | 1.27 | |
| SCHROEF ( 10 STUKS ) | ||||
| 26 | 949794 | 1.65 | 2.00 | |
| SPINDLE AND GEAR SET | ||||
| 27 | 370372 | 11.40 | 13.79 | |
| LAGER HOUDER | ||||
| 28 | 302433 | 2.55 | 3.09 | |
| SEAL LOCK PLATTE SCHROEF M5X14 | ||||
| 29 | 992013 | 1.05 | 1.27 | |
| RIVING KNIFE | ||||
| 30 | 370366 | 3.60 | 4.36 | |
| HEX. SOCKET HD. BOLT M8 | ||||
| 31 | 370287 | 1.05 | 1.27 | |
| Geen informatie beschikbaar, niet bestelbaar | ||||
| 32 | 370663 | |||
| DIAGONAL BOLT M8 ASS'Y (OLD 370663) | ||||
| 32A | 378200 | 2.64 | 3.19 | |
| LOCK LEVER | ||||
| 33 | 370363 | 1.20 | 1.45 | |
| VEER (A) | ||||
| 34 | 330982 | 1.05 | 1.27 | |
| KOGELLAGER 6001VVCMPS2L | ||||
| 35 | 6001VV | 6.60 | 7.99 | |
| VLEUGELSCHROEF M6 X 15 | ||||
| 36 | 301806 | 1.05 | 1.27 | |
| VEER (OUD 996224) | ||||
| 37 | 947859 | 1.04 | 1.26 | |
| VLEUGELMOER M8 | ||||
| 38 | 324658 | 3.00 | 3.63 | |
| RING M8 (10 STUKS) | ||||
| 39 | 949433 | 1.05 | 1.27 | |
| MACHINESCHROEF M4 | ||||
| 40 | 331003 | 1.95 | 2.36 | |
| KLEM | ||||
| 41 | 324659 | 1.95 | 2.36 | |
| INBUSSTELSCHROEF M5X6 | ||||
| 42 | 319541 | 1.50 | 1.82 | |
| INSTELPLAAT | ||||
| 43 | 370367 | 1.80 | 2.18 | |
| VERLOOP PIN D6X13 | ||||
| 44 | 320163 | 1.50 | 1.82 | |
| KNOP | ||||
| 45 | 324660 | 4.35 | 5.26 | |
| O-RING (P-7) (OUD 676531) | ||||
| 46 | 889335 | 1.00 | 1.21 | |
| RING M8 (10 STUKS) | ||||
| 47 | 949433 | 1.05 | 1.27 | |
| BOUT M8X30 | ||||
| 48 | 302457 | 1.04 | 1.26 | |
| STELSCHROEF M6X6 | ||||
| 49 | 302469 | 1.05 | 1.27 | |
| NYLOCK SET SCREW M6 NEW | ||||
| 49A | 379529 | 1.00 | 1.21 | |
| SLEEVE (A) | ||||
| 50 | 370267 | 4.20 | 5.08 | |
| SEAL LOCK HEX. SOCKET HD. BOLT M4X6 | ||||
| 51 | 370278 | 1.04 | 1.26 | |
| SLEEVE (B) | ||||
| 52 | 370268 | 3.00 | 3.63 | |
| WASHER | ||||
| 53 | 370376 | 1.04 | 1.26 | |
| BASE ASS'Y | ||||
| 54 | 370360 | 17.46 | 21.13 | |
| RING M6 ( OUD 949425Z , 10 ST ) | ||||
| 55 | 949425 | 1.05 | 1.27 | |
| VLEUGELSCHROEF M6X17 | ||||
| 56 | 302459 | 1.05 | 1.27 | |
| TAPSCHROEF D4X20 MET RING ZWART (OUD 305095) | ||||
| 57 | 301653 | 1.04 | 1.26 | |
| BEHUIZING | ||||
| 58 | 370339 | 23.65 | 28.62 | |
| BEHUIZING | ||||
| 58A | 370339 | 23.65 | 28.62 | |
| MACHINESCHROEF M5X50 | ||||
| 60 | 997841 | 1.05 | 1.27 | |
| VASTZETNAGEL D6X17 | ||||
| 61 | 308480 | 1.05 | 1.27 | |
| INBUSSTELSCHROEF M5X8 | ||||
| 62 | 938477 | 1.05 | 1.27 | |
| KOOLBORSTELHOUDER | ||||
| 63 | 958900 | 6.45 | 7.80 | |
| KOOLBORSTEL (2 STUKS) | ||||
| 64 | 999043 | 4.50 | 5.44 | |
| KOOLBORSTELDOP | ||||
| 65 | 945161 | 1.20 | 1.45 | |
| CORD HOLDER | ||||
| 66 | 370269 | 1.04 | 1.26 | |
| Geen informatie beschikbaar, niet bestelbaar | ||||
| 67 | 953327 | |||
| Geen informatie beschikbaar, niet bestelbaar | ||||
| 68 | 500390Z | |||
| RUBBERENSTUK | ||||
| 69 | 331006 | 1.95 | 2.36 | |
| LAGERBUS | ||||
| 70 | 322089 | 4.80 | 5.81 | |
| KOGELLAGER 608VV | ||||
| 71 | 333945 | 1.80 | 2.18 | |
| KABELSCHOENTJE | ||||
| 72 | 331707 | 1.88 | 2.27 | |
| KLEMSTRIP (OLD 994566) | ||||
| 73 | 937631 | 1.04 | 1.26 | |
| Geen informatie beschikbaar, niet bestelbaar | ||||
| 74 | 984750 | |||
| LASDOP 50092 (10 PCS) | ||||
| 75 | 959141 | 3.75 | 4.54 | |
| RUBBEREN PEN | ||||
| 76 | 931701 | 1.05 | 1.27 | |
| SCHAKELAAR | ||||
| 77 | 334474 | 10.05 | 12.16 | |
| Geen informatie beschikbaar, niet bestelbaar | ||||
| 78 | 370661 | |||
| CONDENSATOR (OUD 987178) | ||||
| 79 | 930039 | 1.95 | 2.36 | |
| HANDLE COVER | ||||
| 80 | 370341 | 9.15 | 11.07 | |
| PLATE (C) | ||||
| 81 | 371212 | 1.05 | 1.27 | |
| MACHINESCHROEF M4X12 ZWART | ||||
| 82 | 935196 | 1.04 | 1.26 | |
| GUIDE | ||||
| 501 | 370587 | 3.45 | 4.17 | |
| Geen informatie beschikbaar, niet bestelbaar | ||||
| 502 | 872422 | |||
| LEVER | ||||
| 503 | 370264 | 1.04 | 1.26 | |
| Geen informatie beschikbaar, niet bestelbaar | ||||
| 504 | 370664 | |||
| Geen informatie beschikbaar, niet bestelbaar | ||||
| 505 | 337528 | |||
| Geen informatie beschikbaar, niet bestelbaar | ||||
| 506 | 336472 | |||
| Geen informatie beschikbaar, niet bestelbaar | ||||
| 507 | 336473 | |||
| Geen informatie beschikbaar, niet bestelbaar | ||||
| 508 | 336474 | |||
| Geen informatie beschikbaar, niet bestelbaar | ||||
| 509 | 370590 | |||
| Geen informatie beschikbaar, niet bestelbaar | ||||
| 509A | 376125 | |||
| GELEIDERAIL | ||||
| 601 | 330998 | 14.65 | 17.73 | |
| GELEIDERAIL ADAPTER | ||||
| 602 | 330968 | 8.33 | 10.07 | |
| GELEIDERAIL PLAAT | ||||
| 603 | 330978 | 4.20 | 5.08 | |
| Geen informatie beschikbaar, niet bestelbaar | ||||
| 604 | 330979 | |||
| Geen informatie beschikbaar, niet bestelbaar | ||||
| 605 | 330980 | |||
| VLEUGELSCHROEF M6X12 | ||||
| 606 | 307947 | 1.35 | 1.63 | |
| MACHINESCHROEF M5X12 ZWART | ||||
| 607 | 331761 | 1.65 | 2.00 | |