Hier vindt u alle beschikbare onderdelen en tekeningen van de 'Hikoki C7SE'. Vanaf hier kunt u direct alle gewenste onderdelen bestellen. Vele onderdelen moeten bij de fabrikant besteld worden, dit duurt afhankelijk van het merk, één tot vier weken. Alle informatie die we hebben, staat op onze website, wij kunnen u geen advies geven over wat u nodig heeft, daarvoor zult u de machine ter reparatie in moeten leveren. Let bij het bestellen op het volgende:
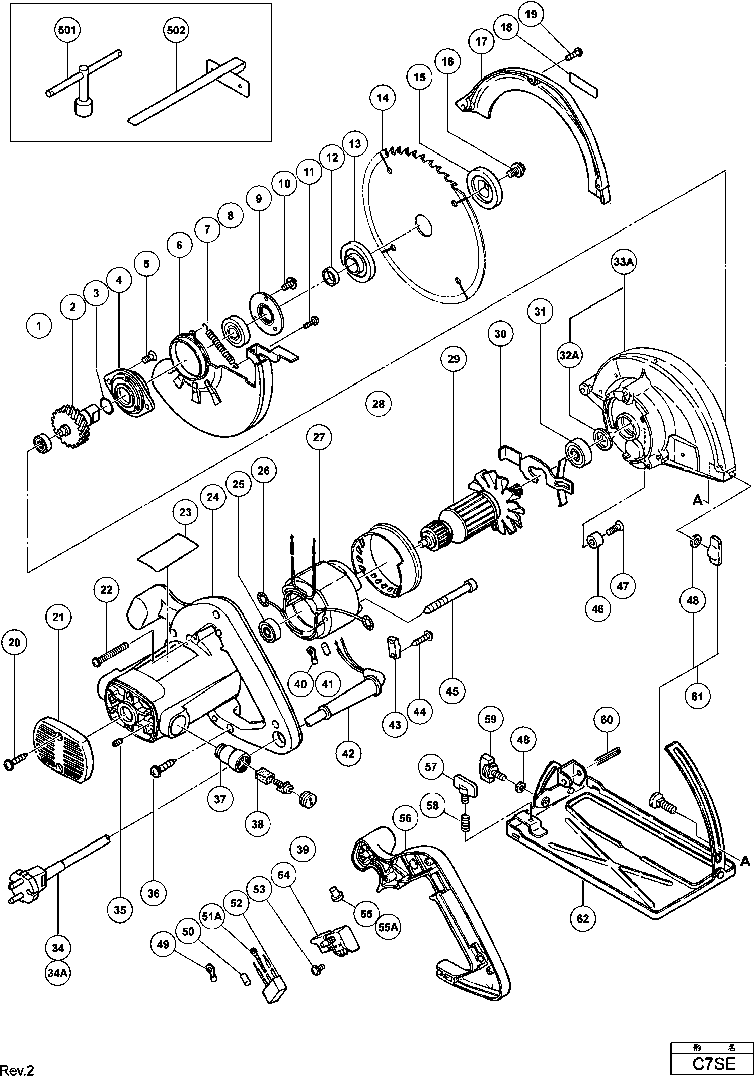
Tekeningen van de Hikoki C7SE
Onderdelen lijst van de Hikoki C7SE
| Pos. | Omschrijving | Prijs excl. BTW | Prijs incl. BTW | |
| Getoonde prijzen zijn inclusief btw | ||||
| KOGELLAGER 626VVMC2ERPS2S | ||||
| 1 | 626VVM | 5.70 | 6.90 | |
| Geen informatie beschikbaar, niet bestelbaar | ||||
| 2 | 317925 | |||
| O-RING (P-16) | ||||
| 3 | 873095 | 1.04 | 1.26 | |
| LAGERHOUDER | ||||
| 4 | 940867 | 6.90 | 8.35 | |
| Geen informatie beschikbaar, niet bestelbaar | ||||
| 5 | 990299 | |||
| Geen informatie beschikbaar, niet bestelbaar | ||||
| 6 | 317923 | |||
| TERUGVEER | ||||
| 7 | 957062 | 1.04 | 1.26 | |
| KOGELLAGER 6202VVCMPS2S | ||||
| 8 | 6202VV | 7.05 | 8.53 | |
| LAGERKAP | ||||
| 9 | 940868 | 1.08 | 1.31 | |
| MACHINESCHROEF M4X10 | ||||
| 10 | 307635 | 1.05 | 1.27 | |
| MACHINESCHROEF M4X8 | ||||
| 11 | 986723 | 1.05 | 1.27 | |
| AFSTANDSBUS | ||||
| 12 | 961366 | 1.04 | 1.26 | |
| RING | ||||
| 13 | 993598 | 2.70 | 3.27 | |
| Geen informatie beschikbaar, niet bestelbaar | ||||
| 14 | 317929 | |||
| SLUITRING | ||||
| 15 | 957064 | 4.50 | 5.44 | |
| BOUT M7X17.5 MET RING | ||||
| 16 | 957749 | 1.05 | 1.27 | |
| Geen informatie beschikbaar, niet bestelbaar | ||||
| 17 | 317926 | |||
| MACHINESCHROEF M4X16 (10 STUKS) | ||||
| 19 | 949219 | 1.20 | 1.45 | |
| TAPSCHROEF D4X20 MET RING ZWART (OUD 305095) | ||||
| 20 | 301653 | 1.04 | 1.26 | |
| ACHTER DEKSEL | ||||
| 21 | 961732 | 1.74 | 2.11 | |
| MACHINE SCHOEF M5X45 ZWART (OUD 303883) | ||||
| 22 | 302434 | 1.04 | 1.26 | |
| Geen informatie beschikbaar, niet bestelbaar | ||||
| 24 | 317936 | |||
| KOGELLAGER 608VVMC2EPS2L | ||||
| 25 | 608VVM | 5.70 | 6.90 | |
| CONTACTPUNT KOOLBORSTELHOUDER | ||||
| 26 | 930703 | 2.40 | 2.90 | |
| Geen informatie beschikbaar, niet bestelbaar | ||||
| 27 | 340448H | |||
| Geen informatie beschikbaar, niet bestelbaar | ||||
| 28 | 987940 | |||
| Geen informatie beschikbaar, niet bestelbaar | ||||
| 29 | 360501F | |||
| SCHAKELBLOKKERING | ||||
| 30 | 987981 | 3.48 | 4.21 | |
| KOGELLAGER 6001VVCMPS2L | ||||
| 31 | 6001VV | 6.60 | 7.99 | |
| RUBBEREN RING (OUD 996252) | ||||
| 32A | 958130 | 1.65 | 2.00 | |
| Geen informatie beschikbaar, niet bestelbaar | ||||
| 33A | 317924 | |||
| SNOER 2.5M 2 X 1.0 H05VV-F W/PLUG 13A/250V (OLD 50 | ||||
| 34 | 500423Z | 12.87 | 15.57 | |
| INBUSSTELSCHROEF M5X8 | ||||
| 35 | 938477 | 1.05 | 1.27 | |
| TAPSCHROEF D4X25 MET RING ZWART | ||||
| 36 | 307028 | 1.05 | 1.27 | |
| BRUSH HOLDER | ||||
| 37 | 957051 | 5.25 | 6.35 | |
| KOOLBORSTEL (2 STUKS) | ||||
| 38 | 999043 | 4.50 | 5.44 | |
| KOOLBORSTELDEKSEL | ||||
| 39 | 935829 | 1.05 | 1.27 | |
| AANSLUITKLEM | ||||
| 40 | 980063 | 1.04 | 1.26 | |
| DRAADEINDHULS | ||||
| 41 | 981373 | 1.05 | 1.27 | |
| SNOERTULE D8.8 (OUD 953327) | ||||
| 42 | 380090 | 1.04 | 1.26 | |
| SNOERTULE D10.1 | ||||
| 42 | 938051 | 1.04 | 1.26 | |
| KLEMSTRIP (OLD 994566) | ||||
| 43 | 937631 | 1.04 | 1.26 | |
| Geen informatie beschikbaar, niet bestelbaar | ||||
| 44 | 984750 | |||
| TAPSCHROEF D5X60 | ||||
| 45 | 961501 | 1.04 | 1.26 | |
| BESCHERMSCHUIM | ||||
| 46 | 961729 | 1.05 | 1.27 | |
| SCHROEF ( 10 STUKS ) | ||||
| 47 | 949794 | 1.65 | 2.00 | |
| SLUITRING M6 | ||||
| 48 | 948167 | 1.04 | 1.26 | |
| AANSLUITKLEM | ||||
| 49 | 980063 | 1.04 | 1.26 | |
| KABELSCHOENTJE | ||||
| 49 | 311741 | 1.04 | 1.26 | |
| DRAADEINDHULS | ||||
| 50 | 981373 | 1.05 | 1.27 | |
| CONTACTLIPJE | ||||
| 51A | 938108 | 1.20 | 1.45 | |
| CONDENSATOR (OUD 930030/991313) | ||||
| 52 | 994273 | 4.29 | 5.19 | |
| MACHINESCHROEF M3,5X6 | ||||
| 53 | 305499 | 1.05 | 1.27 | |
| SCHAKELAAR | ||||
| 54 | 957747 | 14.03 | 16.97 | |
| Schakelaar | ||||
| 54 | 963756Z | 13.20 | 15.97 | |
| SCHAKELAAR | ||||
| 54 | 302470 | 10.95 | 13.25 | |
| LASDOP 50091 (10 STUKS) | ||||
| 55 | 959140 | 3.30 | 3.99 | |
| LASDOP 50092 (10 PCS) | ||||
| 55A | 959141 | 3.75 | 4.54 | |
| Geen informatie beschikbaar, niet bestelbaar | ||||
| 56 | 302320 | |||
| VLEUGELSCHROEF M6 X 15 | ||||
| 57 | 301806 | 1.05 | 1.27 | |
| VEER (OUD 996224) | ||||
| 58 | 947859 | 1.04 | 1.26 | |
| VLEUGELSCHROEF M6X17 | ||||
| 59 | 302459 | 1.05 | 1.27 | |
| ROL PIN D6X30 (10 STUKS) | ||||
| 60 | 949515 | 3.48 | 4.21 | |
| BOUT M6X22 VIERKANT (MET SUPERLOCK RING) | ||||
| 61 | 314620 | 6.45 | 7.80 | |
| Geen informatie beschikbaar, niet bestelbaar | ||||
| 62 | 317927 | |||
| Geen informatie beschikbaar, niet bestelbaar | ||||
| 501 | 940543 | |||
| Geen informatie beschikbaar, niet bestelbaar | ||||
| 502 | 316106 | |||
| Geen informatie beschikbaar, niet bestelbaar | ||||
| 601 | 940878 | |||
| Geen informatie beschikbaar, niet bestelbaar | ||||
| 602 | 879099 | |||
| Geen informatie beschikbaar, niet bestelbaar | ||||
| 603 | 879101 | |||
| Geen informatie beschikbaar, niet bestelbaar | ||||
| 604 | 879100 | |||
| Geen informatie beschikbaar, niet bestelbaar | ||||
| 605 | 879102 | |||
| Geen informatie beschikbaar, niet bestelbaar | ||||
| 606 | 939156 | |||
| Geen informatie beschikbaar, niet bestelbaar | ||||
| 607 | 961734 | |||
| Geen informatie beschikbaar, niet bestelbaar | ||||
| 608 | 323717 | |||