Hier vindt u alle beschikbare onderdelen en tekeningen van de 'Hikoki CB75F'. Vanaf hier kunt u direct alle gewenste onderdelen bestellen. Vele onderdelen moeten bij de fabrikant besteld worden, dit duurt afhankelijk van het merk, één tot vier weken. Alle informatie die we hebben, staat op onze website, wij kunnen u geen advies geven over wat u nodig heeft, daarvoor zult u de machine ter reparatie in moeten leveren. Let bij het bestellen op het volgende:
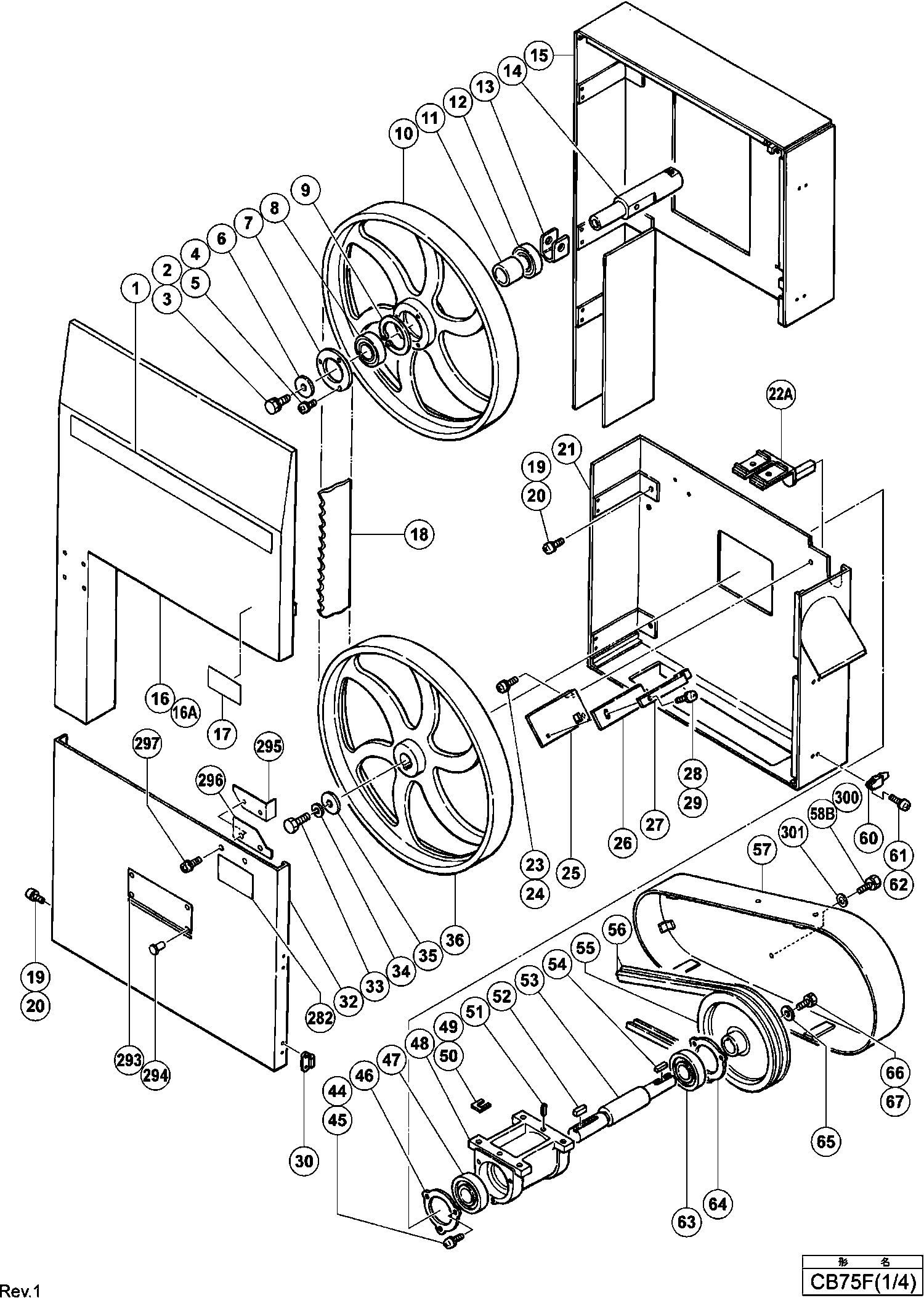
Tekeningen van de Hikoki CB75F
Onderdelen lijst van de Hikoki CB75F
| Pos. | Omschrijving | Prijs excl. BTW | Prijs incl. BTW | |
| Getoonde prijzen zijn inclusief btw | ||||
| Geen informatie beschikbaar, niet bestelbaar | ||||
| *142 | 977782 | |||
| Geen informatie beschikbaar, niet bestelbaar | ||||
| *266 | 968914F | |||
| Geen informatie beschikbaar, niet bestelbaar | ||||
| *56 | 977879 | |||
| Geen informatie beschikbaar, niet bestelbaar | ||||
| *57 | 977707 | |||
| Geen informatie beschikbaar, niet bestelbaar | ||||
| 1 | 977693 | |||
| Geen informatie beschikbaar, niet bestelbaar | ||||
| 2 | 949758 | |||
| VEERRING M12 (10 STUKS) | ||||
| 3 | 949463 | 1.65 | 2.00 | |
| MACHINESCHROEF M5X16 (10 STUKS) | ||||
| 4 | 949239 | 1.05 | 1.27 | |
| VEERRING M5 (10 STUKS) | ||||
| 5 | 949454 | 1.04 | 1.26 | |
| Geen informatie beschikbaar, niet bestelbaar | ||||
| 6 | 967138 | |||
| Geen informatie beschikbaar, niet bestelbaar | ||||
| 7 | 948528 | |||
| KOGELLAGER 6206VVCMPS2S | ||||
| 8 | 6206VV | 14.40 | 17.42 | |
| Geen informatie beschikbaar, niet bestelbaar | ||||
| 9 | 977717 | |||
| SAW WHEEL (B) | ||||
| 10 | 977858 | 356.02 | 430.78 | |
| Geen informatie beschikbaar, niet bestelbaar | ||||
| 11 | 967959 | |||
| KOGELLAGER 6206VVCMPS2S | ||||
| 12 | 6206VV | 14.40 | 17.42 | |
| Geen informatie beschikbaar, niet bestelbaar | ||||
| 13 | 967673 | |||
| SAW SHAFT (B) | ||||
| 14 | 977716 | 16.36 | 19.80 | |
| Geen informatie beschikbaar, niet bestelbaar | ||||
| 15 | 977690 | |||
| Geen informatie beschikbaar, niet bestelbaar | ||||
| 16 | 977691 | |||
| Geen informatie beschikbaar, niet bestelbaar | ||||
| 17 | 977869 | |||
| Geen informatie beschikbaar, niet bestelbaar | ||||
| 18 | 939971 | |||
| MACHINESCHROEF M5X10 (10 STUKS) | ||||
| 19 | 949236 | 1.05 | 1.27 | |
| VEERRING M5 (10 STUKS) | ||||
| 20 | 949454 | 1.04 | 1.26 | |
| Geen informatie beschikbaar, niet bestelbaar | ||||
| 21 | 977745 | |||
| STABILIZER BASE (A) (OLD 977744) | ||||
| 22A | 320748 | 26.13 | 31.61 | |
| MACHINESCHROEF M5X10 (10 STUKS) | ||||
| 23 | 949236 | 1.05 | 1.27 | |
| VEERRING M5 (10 STUKS) | ||||
| 24 | 949454 | 1.04 | 1.26 | |
| Geen informatie beschikbaar, niet bestelbaar | ||||
| 25 | 977731 | |||
| SAW DUST THROWER | ||||
| 26 | 977733 | 2.94 | 3.56 | |
| SAW DUST PLATE | ||||
| 27 | 977734 | 1.86 | 2.25 | |
| MACHINESCHROEF M5X16 (10 STUKS) | ||||
| 28 | 949239 | 1.05 | 1.27 | |
| VEERRING M5 (10 STUKS) | ||||
| 29 | 949454 | 1.04 | 1.26 | |
| Geen informatie beschikbaar, niet bestelbaar | ||||
| 30 | 975933 | |||
| Geen informatie beschikbaar, niet bestelbaar | ||||
| 32 | 977746 | |||
| SCREW (F) | ||||
| 33 | 955797 | 2.55 | 3.09 | |
| VEERRING M12 (10 STUKS) | ||||
| 34 | 949463 | 1.65 | 2.00 | |
| Geen informatie beschikbaar, niet bestelbaar | ||||
| 35 | 967138 | |||
| SAW WHEEL (A) | ||||
| 36 | 977700 | 356.02 | 430.78 | |
| MACHINESCHROEF M5X16 (10 STUKS) | ||||
| 44 | 949239 | 1.05 | 1.27 | |
| VEERRING M5 (10 STUKS) | ||||
| 45 | 949454 | 1.04 | 1.26 | |
| Geen informatie beschikbaar, niet bestelbaar | ||||
| 46 | 948506 | |||
| KOGELLAGER 6306VVCMPS2S | ||||
| 47 | 6306VV | 18.70 | 22.63 | |
| Geen informatie beschikbaar, niet bestelbaar | ||||
| 48 | 977697 | |||
| GELEIDINGSRING | ||||
| 49 | 966511 | 1.05 | 1.27 | |
| GELEIDINGSRING | ||||
| 50 | 966512 | 1.05 | 1.27 | |
| ROL PIN D5X20 (10 STUKS) | ||||
| 51 | 949753 | 1.86 | 2.25 | |
| Geen informatie beschikbaar, niet bestelbaar | ||||
| 52 | 967174 | |||
| SAW SHAFT (A) | ||||
| 53 | 977698 | 20.90 | 25.29 | |
| Geen informatie beschikbaar, niet bestelbaar | ||||
| 54 | 967174 | |||
| Geen informatie beschikbaar, niet bestelbaar | ||||
| 55 | 967972 | |||
| Geen informatie beschikbaar, niet bestelbaar | ||||
| 56 | 977879 | |||
| Geen informatie beschikbaar, niet bestelbaar | ||||
| 57 | 977752 | |||
| BOUT M8X16 (10 STUKS) (OUD 949622Z) | ||||
| 58B | 949622 | 1.80 | 2.18 | |
| Geen informatie beschikbaar, niet bestelbaar | ||||
| 60 | 977692 | |||
| MACHINESCHROEF M3X10 (10 STUKS) | ||||
| 61 | 949204 | 1.04 | 1.26 | |
| VEERRING M3 (10 STUKS) | ||||
| 62 | 949451 | 1.05 | 1.27 | |
| KOGELLAGER 6305VVCMPS2S (OUD 939456) | ||||
| 63 | 6305VV | 13.89 | 16.80 | |
| Geen informatie beschikbaar, niet bestelbaar | ||||
| 64 | 948528 | |||
| SPECIAL WASHER M12 | ||||
| 65 | 974608 | 1.00 | 1.21 | |
| Geen informatie beschikbaar, niet bestelbaar | ||||
| 66 | 949758 | |||
| VEERRING M12 (10 STUKS) | ||||
| 67 | 949463 | 1.65 | 2.00 | |
| MACHINESCHROEF M5X16 (10 STUKS) | ||||
| 68 | 949239 | 1.05 | 1.27 | |
| VEERRING M5 (10 STUKS) | ||||
| 69 | 949454 | 1.04 | 1.26 | |
| RING M6 (10 STUKS) | ||||
| 70A | 949432 | 1.05 | 1.27 | |
| Geen informatie beschikbaar, niet bestelbaar | ||||
| 71 | 977877 | |||
| Geen informatie beschikbaar, niet bestelbaar | ||||
| 72 | 968636 | |||
| HANDEL | ||||
| 72A | 932344 | 1.35 | 1.63 | |
| Geen informatie beschikbaar, niet bestelbaar | ||||
| 72B | 944772 | |||
| Niet meer leverbaar, geen vervanging | ||||
| 73B | 318658 | |||
| FLAT HD SCHROEF M5X10 (10 STUKS) | ||||
| 74 | 949331 | 1.05 | 1.27 | |
| Geen informatie beschikbaar, niet bestelbaar | ||||
| 75 | 977737 | |||
| Geen informatie beschikbaar, niet bestelbaar | ||||
| 76 | 977856 | |||
| Geen informatie beschikbaar, niet bestelbaar | ||||
| 77 | 973567 | |||
| RING M8 (10 STUKS) | ||||
| 79 | 949433 | 1.05 | 1.27 | |
| Geen informatie beschikbaar, niet bestelbaar | ||||
| 80A | 977713 | |||
| ROL PIN D5X25 (10 STUKS) | ||||
| 81 | 949681 | 3.60 | 4.36 | |
| Geen informatie beschikbaar, niet bestelbaar | ||||
| 82A | 319114 | |||
| SLIDE FRAME | ||||
| 83 | 977710 | 124.85 | 151.07 | |
| RING M12 ( OUD 949437Z , 10 ST. ) | ||||
| 84 | 949437 | 1.95 | 2.36 | |
| Geen informatie beschikbaar, niet bestelbaar | ||||
| 85 | 968331 | |||
| KLINKNAGEL D2.5X4.8 ( 10 STUKS ) | ||||
| 87 | 949510 | 1.04 | 1.26 | |
| Geen informatie beschikbaar, niet bestelbaar | ||||
| 88 | 977871 | |||
| GELEIDINGSRING | ||||
| 89 | 977860 | 6.30 | 7.62 | |
| Geen informatie beschikbaar, niet bestelbaar | ||||
| 90 | 973681 | |||
| TRUST BEARING (51100) | ||||
| 91 | 977712 | 6.78 | 8.20 | |
| Geen informatie beschikbaar, niet bestelbaar | ||||
| 93 | 977718 | |||
| GAUGE | ||||
| 94 | 977714 | 1.00 | 1.21 | |
| TENSION RING | ||||
| 95 | 967665 | 7.62 | 9.22 | |
| ROL PIN D5X20 (10 STUKS) | ||||
| 96 | 949753 | 1.86 | 2.25 | |
| MACHINESCHROEF M6X16 (10 STUKS) | ||||
| 97 | 949256 | 1.35 | 1.63 | |
| MACHINESCHROEF M5X16 (10 STUKS) | ||||
| 98 | 949239 | 1.05 | 1.27 | |
| VEERRING M5 (10 STUKS) | ||||
| 99 | 949454 | 1.04 | 1.26 | |
| RING M5 ( OUD 949431Z , 10 ST ) | ||||
| 100 | 949431 | 1.04 | 1.26 | |
| KNOB MARK | ||||
| 101 | 977870 | 1.00 | 1.21 | |
| Geen informatie beschikbaar, niet bestelbaar | ||||
| 102 | 977721 | |||
| ROL PIN D4X25 (10 STUKS) | ||||
| 103 | 949548 | 1.98 | 2.40 | |
| Geen informatie beschikbaar, niet bestelbaar | ||||
| 104A | 320419 | |||
| SPRING (A) | ||||
| 105 | 977720 | 1.50 | 1.82 | |
| Geen informatie beschikbaar, niet bestelbaar | ||||
| 106 | 968959 | |||
| MOER M6 (10ST) | ||||
| 107 | 949556 | 1.05 | 1.27 | |
| Geen informatie beschikbaar, niet bestelbaar | ||||
| 108A | 977753 | |||
| BOUT M8X25 (OUD 949760Z,10 STUKS) | ||||
| 109 | 949760 | 5.55 | 6.72 | |
| VEERRING M8 ( 10 STUKS ) | ||||
| 110 | 949457 | 1.05 | 1.27 | |
| INBUSSCHROEF M5X12 | ||||
| 111 | 966292 | 1.00 | 1.21 | |
| Geen informatie beschikbaar, niet bestelbaar | ||||
| 112 | 967671 | |||
| DUSTER (B) | ||||
| 113 | 977740 | 10.86 | 13.14 | |
| SAFETY COVER | ||||
| 114 | 977727 | 24.61 | 29.78 | |
| MACHINESCHROEF M6X16 (10 STUKS) | ||||
| 115 | 949256 | 1.35 | 1.63 | |
| VEERRING M6 (OUD 949455Z , 10ST.) | ||||
| 116 | 949455 | 1.05 | 1.27 | |
| Geen informatie beschikbaar, niet bestelbaar | ||||
| 117 | 977867 | |||
| MOER M4 ( 10 STUKS ) | ||||
| 118 | 949554 | 1.05 | 1.27 | |
| Geen informatie beschikbaar, niet bestelbaar | ||||
| 119 | 967579 | |||
| MACHINESCHROEF M4X10 | ||||
| 120 | 986662 | 1.05 | 1.27 | |
| MACHINESCHROEF M5X10 (10 STUKS) | ||||
| 121 | 949236 | 1.05 | 1.27 | |
| Geen informatie beschikbaar, niet bestelbaar | ||||
| 124 | 975559 | |||
| Geen informatie beschikbaar, niet bestelbaar | ||||
| 125 | 977696 | |||
| INBUSSTELSCHROEF M6X6 | ||||
| 126 | 967469 | 1.05 | 1.27 | |
| Geen informatie beschikbaar, niet bestelbaar | ||||
| 127 | 967691 | |||
| BOUT M10X30 (10 STUKS) | ||||
| 128 | 949698 | 3.06 | 3.70 | |
| RING M10 (10 STUKS) | ||||
| 129 | 949458 | 1.05 | 1.27 | |
| MACHINESCHROEF M5X10 (10 STUKS) | ||||
| 130 | 949236 | 1.05 | 1.27 | |
| VEERRING M5 (10 STUKS) | ||||
| 131 | 949454 | 1.04 | 1.26 | |
| Geen informatie beschikbaar, niet bestelbaar | ||||
| 132 | 977735 | |||
| RING M5 ( OUD 949431Z , 10 ST ) | ||||
| 133 | 949431 | 1.04 | 1.26 | |
| MACHINESCHROEF M5X16 (10 STUKS) | ||||
| 134 | 949239 | 1.05 | 1.27 | |
| VEERRING M5 (10 STUKS) | ||||
| 135 | 949454 | 1.04 | 1.26 | |
| MOER M5 (10 STUKS) (OUD 949555Z | ||||
| 136 | 949555 | 1.05 | 1.27 | |
| LOCK NUT M10 | ||||
| 137 | 949572 | 2.40 | 2.90 | |
| Geen informatie beschikbaar, niet bestelbaar | ||||
| 138 | 977695 | |||
| RING M8 (10 STUKS) | ||||
| 139 | 949433 | 1.05 | 1.27 | |
| BOUT M8X25 (10 STUKS) | ||||
| 140 | 949626 | 2.25 | 2.72 | |
| VEERRING M8 ( 10 STUKS ) | ||||
| 141 | 949457 | 1.05 | 1.27 | |
| Geen informatie beschikbaar, niet bestelbaar | ||||
| 142 | 977866 | |||
| MOER M8 (10 STUKS) | ||||
| 143 | 949558 | 1.05 | 1.27 | |
| Geen informatie beschikbaar, niet bestelbaar | ||||
| 144 | 977694 | |||
| LOCK NUT M10 | ||||
| 145 | 949572 | 2.40 | 2.90 | |
| BOUT M10X60 | ||||
| 146 | 974638 | 3.30 | 3.99 | |
| HEX.SOCKET HD.BOLT M5X30 (10 PCS) | ||||
| 147 | 949664 | 3.75 | 4.54 | |
| BOUT M8X20 (10 STUKS) (OUD 949624Z, | ||||
| 148 | 949624 | 1.50 | 1.82 | |
| VEERRING M8 ( 10 STUKS ) | ||||
| 149 | 949457 | 1.05 | 1.27 | |
| Geen informatie beschikbaar, niet bestelbaar | ||||
| 150 | 973854 | |||
| VEERRING M5 (10 STUKS) | ||||
| 151 | 949454 | 1.04 | 1.26 | |
| RING M5 ( OUD 949431Z , 10 ST ) | ||||
| 152 | 949431 | 1.04 | 1.26 | |
| Geen informatie beschikbaar, niet bestelbaar | ||||
| 153 | 977851 | |||
| MOER M8 LAAG(10 STUKS) | ||||
| 154 | 949568 | 1.50 | 1.82 | |
| BOUT M8X30 (10 STUKS) | ||||
| 155 | 949628 | 1.62 | 1.96 | |
| VEERRING M8 ( 10 STUKS ) | ||||
| 156 | 949457 | 1.05 | 1.27 | |
| STABLIZER SHAFT | ||||
| 157 | 977723 | 33.14 | 40.10 | |
| KNOB BOLT M8X30 | ||||
| 158 | 977875 | 3.30 | 3.99 | |
| ARM | ||||
| 159 | 977722 | 37.26 | 45.09 | |
| BOUT M8X25 (10 STUKS) | ||||
| 160 | 949626 | 2.25 | 2.72 | |
| VEERRING M8 ( 10 STUKS ) | ||||
| 161 | 949457 | 1.05 | 1.27 | |
| TANDWIEL | ||||
| 162 | 977724 | 14.25 | 17.24 | |
| INBUSSTELSCHROEF M5X10 | ||||
| 163 | 952384 | 1.04 | 1.26 | |
| VLEUGELSCHROEF M6X15 (10 STUKS) | ||||
| 164 | 949402 | 6.00 | 7.26 | |
| RING | ||||
| 165 | 967329 | 1.05 | 1.27 | |
| STABILIZER | ||||
| 166 | 977729 | 10.95 | 13.25 | |
| VLEUGELSCHROEF M8X25 (10 STUKS) | ||||
| 167 | 949413 | 6.54 | 7.91 | |
| SAFETY COVER (B) | ||||
| 168 | 948844 | 4.20 | 5.08 | |
| VLEUGELSCHROEF M5 X 6 (10PCS) | ||||
| 169 | 949395 | 3.90 | 4.72 | |
| BOLT W/WASHER M16 (10PCS) | ||||
| 170 | 949438 | 1.50 | 1.82 | |
| SPRING (B) | ||||
| 172 | 977853 | 3.30 | 3.99 | |
| IMB.BOUT M10X30HD(OUD 968244,10S) | ||||
| 173 | 949846 | 4.32 | 5.23 | |
| RING M10 (10 STUKS) | ||||
| 174 | 949458 | 1.05 | 1.27 | |
| RING M10 ( OUD 949434Z , 10 ST. ) | ||||
| 175 | 949434 | 1.35 | 1.63 | |
| KNOP | ||||
| 177 | 978100 | 14.55 | 17.61 | |
| BEARING SHAFT ASS'Y | ||||
| 178B | 978106 | 11.22 | 13.58 | |
| KOGELLAGER 6200VVCMPS2S | ||||
| 179 | 6200VV | 6.15 | 7.44 | |
| KOGELLAGER 6300VVCMAV2S | ||||
| 179A | 6300VV | 8.25 | 9.98 | |
| VLEUGELSCHROEF M8X30 (10 STUKS) | ||||
| 180 | 949689 | 7.92 | 9.58 | |
| STABLIZER BASE (B) | ||||
| 181 | 977728 | 23.26 | 28.14 | |
| BOLT M10X50 (10PCS) | ||||
| 182 | 949679 | 4.32 | 5.23 | |
| RING M10 (10 STUKS) | ||||
| 183 | 949458 | 1.05 | 1.27 | |
| SAW DUST THROWER | ||||
| 184 | 977733 | 2.94 | 3.56 | |
| Geen informatie beschikbaar, niet bestelbaar | ||||
| 185 | 973237 | |||
| IMB.BOUT M10X30HD(OUD 968244,10S) | ||||
| 187 | 949846 | 4.32 | 5.23 | |
| RING M10 (10 STUKS) | ||||
| 188 | 949458 | 1.05 | 1.27 | |
| Geen informatie beschikbaar, niet bestelbaar | ||||
| 189 | 977758 | |||
| Geen informatie beschikbaar, niet bestelbaar | ||||
| 190 | 977876 | |||
| Geen informatie beschikbaar, niet bestelbaar | ||||
| 191 | 968339 | |||
| Geen informatie beschikbaar, niet bestelbaar | ||||
| 192A | 978905 | |||
| KNOP | ||||
| 193 | 974771 | 4.80 | 5.81 | |
| ROL PIN D5X25 (10 STUKS) | ||||
| 194 | 949681 | 3.60 | 4.36 | |
| RING M12 ( OUD 949437Z , 10 ST. ) | ||||
| 195 | 949437 | 1.95 | 2.36 | |
| TANDWIEL | ||||
| 196 | 967953 | 4.65 | 5.63 | |
| LOCK NUT M10 | ||||
| 197 | 949572 | 2.40 | 2.90 | |
| BOLT M10X60 (10 PCS) | ||||
| 198 | 949634 | 5.10 | 6.17 | |
| SCHROEF M5X20 (10 STUKS) | ||||
| 199 | 949793 | 1.35 | 1.63 | |
| ZAAGBLADHOUDER | ||||
| 200 | 977706 | 9.75 | 11.80 | |
| ZAAGBLADHOUDER | ||||
| 201 | 977852 | 14.46 | 17.50 | |
| Geen informatie beschikbaar, niet bestelbaar | ||||
| 208 | 948830 | |||
| Geen informatie beschikbaar, niet bestelbaar | ||||
| 209 | 967976 | |||
| MACHINESCHROEF M4X10 (10 STUKS) (OUD 949216Z) | ||||
| 210 | 949216 | 1.05 | 1.27 | |
| VEERRING M4 (10 STUKS) | ||||
| 211 | 949453 | 1.05 | 1.27 | |
| RING M4 (OUD 949429Z) | ||||
| 212 | 949429 | 1.05 | 1.27 | |
| LASDOP 50092 (10 PCS) | ||||
| 213 | 959141 | 3.75 | 4.54 | |
| LASDOP 50092 (10 PCS) | ||||
| 213S | 959141 | 3.75 | 4.54 | |
| Geen informatie beschikbaar, niet bestelbaar | ||||
| 214A | 319501 | |||
| Geen informatie beschikbaar, niet bestelbaar | ||||
| 215 | 965378 | |||
| MACHINESCHROEF M6X16 (10 STUKS) | ||||
| 216 | 949256 | 1.35 | 1.63 | |
| VEERRING M6 (OUD 949455Z , 10ST.) | ||||
| 217 | 949455 | 1.05 | 1.27 | |
| MACHINESCHROEF M5X10 (10 STUKS) | ||||
| 218 | 949236 | 1.05 | 1.27 | |
| VEERRING M5 (10 STUKS) | ||||
| 219 | 949454 | 1.04 | 1.26 | |
| Geen informatie beschikbaar, niet bestelbaar | ||||
| 220 | 974244 | |||
| RING M8 (10 STUKS) | ||||
| 221 | 949433 | 1.05 | 1.27 | |
| VEERRING M8 ( 10 STUKS ) | ||||
| 222 | 949457 | 1.05 | 1.27 | |
| Geen informatie beschikbaar, niet bestelbaar | ||||
| 223 | 967594 | |||
| Geen informatie beschikbaar, niet bestelbaar | ||||
| 224 | 948831 | |||
| Geen informatie beschikbaar, niet bestelbaar | ||||
| 225 | 977701 | |||
| HINGE | ||||
| 226 | 977850 | 17.60 | 21.30 | |
| TABLE NUT | ||||
| 227 | 977704 | 4.32 | 5.23 | |
| RING M8 (10 STUKS) | ||||
| 228 | 949433 | 1.05 | 1.27 | |
| BOUT M8X30 (10 STUKS) | ||||
| 229 | 949628 | 1.62 | 1.96 | |
| VEERRING M8 ( 10 STUKS ) | ||||
| 230 | 949457 | 1.05 | 1.27 | |
| TABLE SHAFT | ||||
| 231 | 977703 | 9.30 | 11.25 | |
| Geen informatie beschikbaar, niet bestelbaar | ||||
| 232 | 934368 | |||
| BOUT M8X20 (10 STUKS) (OUD 949624Z, | ||||
| 233 | 949624 | 1.50 | 1.82 | |
| VEERRING M8 ( 10 STUKS ) | ||||
| 234 | 949457 | 1.05 | 1.27 | |
| Geen informatie beschikbaar, niet bestelbaar | ||||
| 235 | 948541 | |||
| TILT PLATE | ||||
| 236 | 977705 | 5.40 | 6.53 | |
| Geen informatie beschikbaar, niet bestelbaar | ||||
| 237 | 977751 | |||
| MACHINESCHROEF M6X8 (10 STUKS) | ||||
| 238 | 949253 | 1.35 | 1.63 | |
| VEERRING M6 (OUD 949455Z , 10ST.) | ||||
| 239 | 949455 | 1.05 | 1.27 | |
| MACHINESCHROEF M4X10 (10 STUKS) (OUD 949216Z) | ||||
| 240 | 949216 | 1.05 | 1.27 | |
| Geen informatie beschikbaar, niet bestelbaar | ||||
| 241 | 977883 | |||
| Geen informatie beschikbaar, niet bestelbaar | ||||
| 242A | 319501 | |||
| LASDOP 50092 (10 PCS) | ||||
| 243 | 959141 | 3.75 | 4.54 | |
| MACHINE SCHROEF M6X40 (10 STUKS) | ||||
| 244 | 949264 | 2.40 | 2.90 | |
| VEERRING M6 (OUD 949455Z , 10ST.) | ||||
| 245 | 949455 | 1.05 | 1.27 | |
| MACHINESCHROEF M4X6 (10 STUKS) | ||||
| 246 | 949214 | 1.05 | 1.27 | |
| VEERRING M4 (10 STUKS) | ||||
| 247 | 949453 | 1.05 | 1.27 | |
| RUBBEREN PEN (OUD 976441) | ||||
| 249 | 946362 | 1.05 | 1.27 | |
| KOGELLAGER 6202DDUCMPS2S (OUD 956937) | ||||
| 250A | 6202DD | 6.75 | 8.17 | |
| Geen informatie beschikbaar, niet bestelbaar | ||||
| 251 | 974727E | |||
| Geen informatie beschikbaar, niet bestelbaar | ||||
| 251A | 974727U | |||
| INLEGSPIE 4X4X10 *TD5-1-4* | ||||
| 253 | 930511 | 2.40 | 2.90 | |
| Geen informatie beschikbaar, niet bestelbaar | ||||
| 254 | 949835 | |||
| VEERRING M6 (OUD 949455Z , 10ST.) | ||||
| 255 | 949455 | 1.05 | 1.27 | |
| IMBUSBOUT M6X25 ( 10 STUKS ) | ||||
| 256 | 949652 | 3.30 | 3.99 | |
| Geen informatie beschikbaar, niet bestelbaar | ||||
| 257 | 974723 | |||
| KOGELLAGER 6205DDUCMPS2S | ||||
| 258A | 6205DD | 10.35 | 12.52 | |
| Geen informatie beschikbaar, niet bestelbaar | ||||
| 259 | 974729 | |||
| Geen informatie beschikbaar, niet bestelbaar | ||||
| 260 | 974722 | |||
| KOGELLAGER 6202DDUCMPS2S (OUD 956937) | ||||
| 261A | 6202DD | 6.75 | 8.17 | |
| RUBBEREN PEN (OUD 976441) | ||||
| 262 | 946362 | 1.05 | 1.27 | |
| Geen informatie beschikbaar, niet bestelbaar | ||||
| 263 | 977882 | |||
| Geen informatie beschikbaar, niet bestelbaar | ||||
| 264 | 973420 | |||
| KOOLBORSTELCONTACT (OUD 957004) | ||||
| 265 | 998744 | 1.20 | 1.45 | |
| Geen informatie beschikbaar, niet bestelbaar | ||||
| 266 | 968914F | |||
| KOGELLAGER 6200DDCMPS2L | ||||
| 267A | 6200DD | 6.00 | 7.26 | |
| RUBBEREN PEN (OUD 976441) | ||||
| 268 | 946362 | 1.05 | 1.27 | |
| Geen informatie beschikbaar, niet bestelbaar | ||||
| 269 | 951240 | |||
| INBUSSTELSCHROEF M5X10 | ||||
| 270 | 952384 | 1.04 | 1.26 | |
| Geen informatie beschikbaar, niet bestelbaar | ||||
| 271 | 951244 | |||
| MACHINESCHROEF M5X10 (10 STUKS) | ||||
| 272 | 949236 | 1.05 | 1.27 | |
| VEERRING M5 (10 STUKS) | ||||
| 273 | 949454 | 1.04 | 1.26 | |
| Geen informatie beschikbaar, niet bestelbaar | ||||
| 274 | 977749 | |||
| Geen informatie beschikbaar, niet bestelbaar | ||||
| 275 | 976307 | |||
| KOOLBORSTELHOUDER | ||||
| 276A | 956984 | 9.60 | 11.62 | |
| KOOLBORSTEL (2 STUKS) | ||||
| 277 | 999044 | 4.50 | 5.44 | |
| Geen informatie beschikbaar, niet bestelbaar | ||||
| 278 | 978445 | |||
| KOOLBORSTELDOP (OUD 978445) | ||||
| 278A | 940540 | 1.04 | 1.26 | |
| VEERRING M4 (10 STUKS) | ||||
| 281 | 949453 | 1.05 | 1.27 | |
| Geen informatie beschikbaar, niet bestelbaar | ||||
| 282 | 977775 | |||
| Geen informatie beschikbaar, niet bestelbaar | ||||
| 283 | 977776 | |||
| MACHINESCHROEF M5X10 (10 STUKS) | ||||
| 284 | 949236 | 1.05 | 1.27 | |
| VEERRING M5 (10 STUKS) | ||||
| 285 | 949454 | 1.04 | 1.26 | |
| Geen informatie beschikbaar, niet bestelbaar | ||||
| 287 | 967237 | |||
| Geen informatie beschikbaar, niet bestelbaar | ||||
| 288 | 977791 | |||
| RING | ||||
| 289 | 967329 | 1.05 | 1.27 | |
| MACHINESCHROEF M5X10 (10 STUKS) | ||||
| 290 | 949236 | 1.05 | 1.27 | |
| VEERRING M5 (10 STUKS) | ||||
| 291 | 949454 | 1.04 | 1.26 | |
| BOUT M6X16 (10 STUKS) | ||||
| 292 | 949613 | 1.20 | 1.45 | |
| VEERRING M8 ( 10 STUKS ) | ||||
| 300 | 949457 | 1.05 | 1.27 | |
| Geen informatie beschikbaar, niet bestelbaar | ||||
| 301 | 972919 | |||
| Geen informatie beschikbaar, niet bestelbaar | ||||
| 501 | 955857 | |||
| Geen informatie beschikbaar, niet bestelbaar | ||||
| 502 | 972043 | |||
| Geen informatie beschikbaar, niet bestelbaar | ||||
| 503 | 974254 | |||
| Geen informatie beschikbaar, niet bestelbaar | ||||
| 504 | 966821 | |||
| Geen informatie beschikbaar, niet bestelbaar | ||||
| 601 | 967684 | |||
| MITER GAUGE | ||||
| 602 | 948583 | 9.60 | 11.62 | |
| Geen informatie beschikbaar, niet bestelbaar | ||||
| 603 | 967701 | |||
| Geen informatie beschikbaar, niet bestelbaar | ||||
| 605 | 967712 | |||
| Geen informatie beschikbaar, niet bestelbaar | ||||
| 606 | 967990 | |||
| Geen informatie beschikbaar, niet bestelbaar | ||||
| 607 | 967991 | |||
| Geen informatie beschikbaar, niet bestelbaar | ||||
| 608 | 967992 | |||
| Geen informatie beschikbaar, niet bestelbaar | ||||
| 609 | 977872 | |||
| Geen informatie beschikbaar, niet bestelbaar | ||||
| 610 | 977873 | |||
| Geen informatie beschikbaar, niet bestelbaar | ||||
| 611 | 977874 | |||