Hier vindt u alle beschikbare onderdelen en tekeningen van de 'Hikoki CD12F'. Vanaf hier kunt u direct alle gewenste onderdelen bestellen. Vele onderdelen moeten bij de fabrikant besteld worden, dit duurt afhankelijk van het merk, één tot vier weken. Alle informatie die we hebben, staat op onze website, wij kunnen u geen advies geven over wat u nodig heeft, daarvoor zult u de machine ter reparatie in moeten leveren. Let bij het bestellen op het volgende:
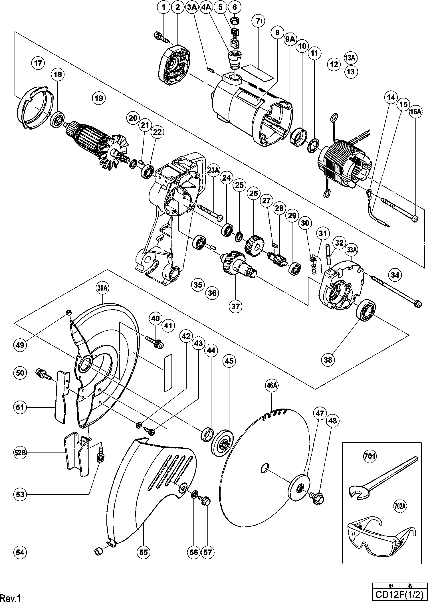
Tekeningen van de Hikoki CD12F
Onderdelen lijst van de Hikoki CD12F
| Pos. | Omschrijving | Prijs excl. BTW | Prijs incl. BTW | |
| Getoonde prijzen zijn inclusief btw | ||||
| Geen informatie beschikbaar, niet bestelbaar | ||||
| 1 | 305726 | |||
| Geen informatie beschikbaar, niet bestelbaar | ||||
| 2 | 307563 | |||
| INBUSSTELSCHROEF M4X8 | ||||
| 3A | 977089 | 1.00 | 1.21 | |
| KOOLBORSTELHOUDER (OUD 500301) | ||||
| 4A | 980487 | 5.68 | 6.87 | |
| KOOLBORSTEL (2 STUKS) | ||||
| 5 | 999044 | 4.50 | 5.44 | |
| Geen informatie beschikbaar, niet bestelbaar | ||||
| 6 | 978445 | |||
| KOOLBORSTELDOP (OUD 978445) | ||||
| 6A | 940540 | 1.04 | 1.26 | |
| BEHUIZING (OUD 951867Z) | ||||
| 9A | 951867 | 64.21 | 77.70 | |
| LAGERBUS | ||||
| 10 | 951878 | 14.70 | 17.79 | |
| Geen informatie beschikbaar, niet bestelbaar | ||||
| 11 | 306001 | |||
| KOOLBORSTELCONTACT (OUD 957004) | ||||
| 12 | 998744 | 1.20 | 1.45 | |
| CONTACTLIPJE | ||||
| 14 | 938108 | 1.20 | 1.45 | |
| TAPSCHROEF D5X75 | ||||
| 16A | 320210 | 1.50 | 1.82 | |
| KOGELLAGER 6300VVCMAV2S | ||||
| 18 | 6300VV | 8.25 | 9.98 | |
| ANKER 230V | ||||
| 19 | 360313E | 157.44 | 190.50 | |
| AFSTANDSBUS | ||||
| 20 | 947622 | 1.04 | 1.26 | |
| RUBBEREN PEN (OUD 976441) | ||||
| 21 | 946362 | 1.05 | 1.27 | |
| KOGELLAGER 6002DDUCMPS2L | ||||
| 22 | 6002DD | 7.05 | 8.53 | |
| TAPSCHROEF D5X50 (OUD 956669) | ||||
| 23A | 931554 | 1.50 | 1.82 | |
| KOGELLAGER 6000VCMPS2S | ||||
| 24 | 6000VV | 6.15 | 7.44 | |
| VEERRING D16 (10 STUKS) | ||||
| 25 | 939545 | 3.30 | 3.99 | |
| Geen informatie beschikbaar, niet bestelbaar | ||||
| 26 | 306004 | |||
| INLEGSPIE 5X5X10 | ||||
| 27 | 948015 | 1.05 | 1.27 | |
| TWEEDE TANDWIEL | ||||
| 28 | 306003 | 37.95 | 45.92 | |
| KOGELLAGER 6200VVCMPS2S | ||||
| 29 | 6200VV | 6.15 | 7.44 | |
| VEERRING | ||||
| 30 | 974577 | 1.05 | 1.27 | |
| Geen informatie beschikbaar, niet bestelbaar | ||||
| 31 | 306007 | |||
| Geen informatie beschikbaar, niet bestelbaar | ||||
| 32 | 303426 | |||
| Geen informatie beschikbaar, niet bestelbaar | ||||
| 33A | 306006 | |||
| Geen informatie beschikbaar, niet bestelbaar | ||||
| 34 | 306008 | |||
| KOGELLAGER 6201VVCMPS2S | ||||
| 35 | 6201VV | 6.45 | 7.80 | |
| RUBBEREN PEN (OUD 976441) | ||||
| 36 | 946362 | 1.05 | 1.27 | |
| Geen informatie beschikbaar, niet bestelbaar | ||||
| 37 | 306005 | |||
| KOGELLAGER 6205DDUCMPS2S | ||||
| 38 | 6205DD | 10.35 | 12.52 | |
| BERSCHERMKAP ( OLD 307565) | ||||
| 39A | 306009 | 64.21 | 77.70 | |
| Geen informatie beschikbaar, niet bestelbaar | ||||
| 40 | 300196 | |||
| HITACHI LABEL | ||||
| 41 | 978956 | 1.00 | 1.21 | |
| VEERRING M6 (OUD 949455Z , 10ST.) | ||||
| 42 | 949455 | 1.05 | 1.27 | |
| INBUSBOUT M6X10 ( 10 STUKS ) | ||||
| 43 | 949830 | 2.46 | 2.98 | |
| VULRING (B) | ||||
| 44 | 305994 | 8.40 | 10.16 | |
| TUSSENFLENS | ||||
| 45 | 305995 | 20.49 | 24.79 | |
| Geen informatie beschikbaar, niet bestelbaar | ||||
| 46A | 308088 | |||
| SLUITMOER | ||||
| 47 | 305996 | 19.94 | 24.12 | |
| Geen informatie beschikbaar, niet bestelbaar | ||||
| 48 | 305997 | |||
| RUBBER | ||||
| 49 | 306471 | 1.65 | 2.00 | |
| MACHINESCHROEF M5X12 | ||||
| 50 | 995046 | 1.05 | 1.27 | |
| Geen informatie beschikbaar, niet bestelbaar | ||||
| 51 | 306011 | |||
| DUST COLLECTOR GUIDE (A) (307566) | ||||
| 52B | 306010 | 9.60 | 11.62 | |
| MACHINESCHROEF M5X12 | ||||
| 53 | 995046 | 1.05 | 1.27 | |
| BESCHERMKAP | ||||
| 55 | 307571 | 105.05 | 127.11 | |
| DRUKRING | ||||
| 56 | 302311 | 1.95 | 2.36 | |
| BOUT M8X12 | ||||
| 57 | 306013 | 5.85 | 7.08 | |
| MACHINESCHROEF M5X12 | ||||
| 58 | 995046 | 1.05 | 1.27 | |
| Geen informatie beschikbaar, niet bestelbaar | ||||
| 59B | 305998 | |||
| BESCHERMPLAAT | ||||
| 60 | 306015 | 7.65 | 9.26 | |
| MACHINESCHROEF M5X16 | ||||
| 61 | 990541 | 1.05 | 1.27 | |
| DRAADEINDHULS | ||||
| 62 | 981373 | 1.05 | 1.27 | |
| Geen informatie beschikbaar, niet bestelbaar | ||||
| 63 | 952806Z | |||
| KLEMSTRIP (OLD 994566) | ||||
| 64 | 937631 | 1.04 | 1.26 | |
| MACHINESCHROEF M4X16 (10 STUKS) | ||||
| 65 | 949219 | 1.20 | 1.45 | |
| SNOERTULE D10.1 | ||||
| 66A | 938051 | 1.04 | 1.26 | |
| Geen informatie beschikbaar, niet bestelbaar | ||||
| 67A | 307351 | |||
| Geen informatie beschikbaar, niet bestelbaar | ||||
| 68 | 305988 | |||
| Geen informatie beschikbaar, niet bestelbaar | ||||
| 69 | 305982 | |||
| RETAINING RING D6 | ||||
| 70 | 955479 | 1.05 | 1.27 | |
| BUS | ||||
| 71 | 971563 | 1.05 | 1.27 | |
| SCHROEFAS | ||||
| 72 | 305983 | 26.40 | 31.94 | |
| Geen informatie beschikbaar, niet bestelbaar | ||||
| 73A | 305984 | |||
| VEER | ||||
| 75 | 978946 | 2.94 | 3.56 | |
| BUS | ||||
| 76 | 978947 | 11.70 | 14.16 | |
| ONTGRENDELGRIP | ||||
| 77 | 978948 | 4.32 | 5.23 | |
| AFDEKPLAATJE | ||||
| 78 | 978949 | 1.26 | 1.52 | |
| MACHINESCHROEF M4X12 ZWART | ||||
| 79 | 935196 | 1.04 | 1.26 | |
| ROLL PIN D4X40 (10 STUKS) | ||||
| 80 | 949688 | 3.48 | 4.21 | |
| RING M8 (10 STUKS) | ||||
| 81 | 949433 | 1.05 | 1.27 | |
| SPILT PIN D3X15 (10 STUKS) | ||||
| 82 | 949537 | 1.35 | 1.63 | |
| ROL PIN D5X25 (10 STUKS) | ||||
| 83 | 949681 | 3.60 | 4.36 | |
| RING M16 | ||||
| 84 | 955818 | 1.05 | 1.27 | |
| Geen informatie beschikbaar, niet bestelbaar | ||||
| 85 | 305987 | |||
| Geen informatie beschikbaar, niet bestelbaar | ||||
| 86 | 305986 | |||
| AS VOOR MATERIAALKLEM | ||||
| 87 | 305985 | 11.55 | 13.98 | |
| Geen informatie beschikbaar, niet bestelbaar | ||||
| 88 | 949339 | |||
| Geen informatie beschikbaar, niet bestelbaar | ||||
| 89 | 305981 | |||
| Geen informatie beschikbaar, niet bestelbaar | ||||
| 90A | 305980 | |||
| VOETPLAATRUBBER | ||||
| 91 | 964851 | 1.05 | 1.27 | |
| RING M5 ( OUD 949431Z , 10 ST ) | ||||
| 92 | 949431 | 1.04 | 1.26 | |
| MACHINESCHROEF M5X20 (10 STUKS) | ||||
| 93 | 949241 | 1.35 | 1.63 | |
| HANDGREEPDEKSEL (OUD 951898) | ||||
| 94A | 320266 | 6.75 | 8.17 | |
| TAPSCHROEF D4X25 MET RING ZWART | ||||
| 95A | 307028 | 1.05 | 1.27 | |
| LASDOP 50092 (10 PCS) | ||||
| 96 | 959141 | 3.75 | 4.54 | |
| SMOORSPOEL | ||||
| 98 | 965140 | 43.18 | 52.25 | |
| DRAADEINDHULS | ||||
| 99 | 981373 | 1.05 | 1.27 | |
| CONDENSATOR | ||||
| 100 | 965141 | 11.85 | 14.34 | |
| ISOLATIESTUK | ||||
| 101 | 307564 | 1.80 | 2.18 | |
| Geen informatie beschikbaar, niet bestelbaar | ||||
| 102 | 307384 | |||
| Geen informatie beschikbaar, niet bestelbaar | ||||
| 103 | 968523 | |||
| TAPSCHROEF D4X10 MET RING | ||||
| 104 | 977133 | 1.05 | 1.27 | |
| RING M4 (OUD 949429Z) | ||||
| 105 | 949429 | 1.05 | 1.27 | |
| Geen informatie beschikbaar, niet bestelbaar | ||||
| 106 | 955835 | |||
| SCHAKELAAR (OUD 951864Z) | ||||
| 107 | 976825 | 22.00 | 26.62 | |
| HANDGREEP | ||||
| 108A | 951524 | 18.15 | 21.96 | |
| Geen informatie beschikbaar, niet bestelbaar | ||||
| 109 | 306002 | |||
| Geen informatie beschikbaar, niet bestelbaar | ||||
| 110A | 306000 | |||
| Geen informatie beschikbaar, niet bestelbaar | ||||
| 111 | 306065 | |||
| INBUSSCHROEF M5X12 | ||||
| 112 | 966292 | 1.00 | 1.21 | |
| SCHARNIERVEER | ||||
| 113 | 305993 | 9.60 | 11.62 | |
| BOUT M10X35 | ||||
| 114 | 305126 | 1.35 | 1.63 | |
| MACHINESCHROEF M5X12 | ||||
| 115 | 995046 | 1.05 | 1.27 | |
| Geen informatie beschikbaar, niet bestelbaar | ||||
| 116 | 305990 | |||
| MATERIAALAANSLAG (B) | ||||
| 117 | 305989 | 55.41 | 67.05 | |
| MOER M8 (10 STUKS) | ||||
| 118 | 949558 | 1.05 | 1.27 | |
| BOUT ZESKANT M8 X 30 | ||||
| 119 | 949759 | 7.05 | 8.53 | |
| Geen informatie beschikbaar, niet bestelbaar | ||||
| 120 | 988872 | |||
| LOCK NUT M10 | ||||
| 121A | 949572 | 2.40 | 2.90 | |
| Geen informatie beschikbaar, niet bestelbaar | ||||
| 122 | 305992 | |||
| Geen informatie beschikbaar, niet bestelbaar | ||||
| 123B | 305991 | |||
| VLEUGELSCHROEF M6X10 ( 10 STUKS ) | ||||
| 124 | 949394 | 7.05 | 8.53 | |
| VEERRING M8 ( 10 STUKS ) | ||||
| 125 | 949457 | 1.05 | 1.27 | |
| Geen informatie beschikbaar, niet bestelbaar | ||||
| 701 | 879055 | |||
| Geen informatie beschikbaar, niet bestelbaar | ||||
| 702A | 875769 | |||
| Geen informatie beschikbaar, niet bestelbaar | ||||
| 901A | 308089 | |||