Hier vindt u alle beschikbare onderdelen en tekeningen van de 'Hikoki CR13V2'. Vanaf hier kunt u direct alle gewenste onderdelen bestellen. Vele onderdelen moeten bij de fabrikant besteld worden, dit duurt afhankelijk van het merk, één tot vier weken. Alle informatie die we hebben, staat op onze website, wij kunnen u geen advies geven over wat u nodig heeft, daarvoor zult u de machine ter reparatie in moeten leveren. Let bij het bestellen op het volgende:
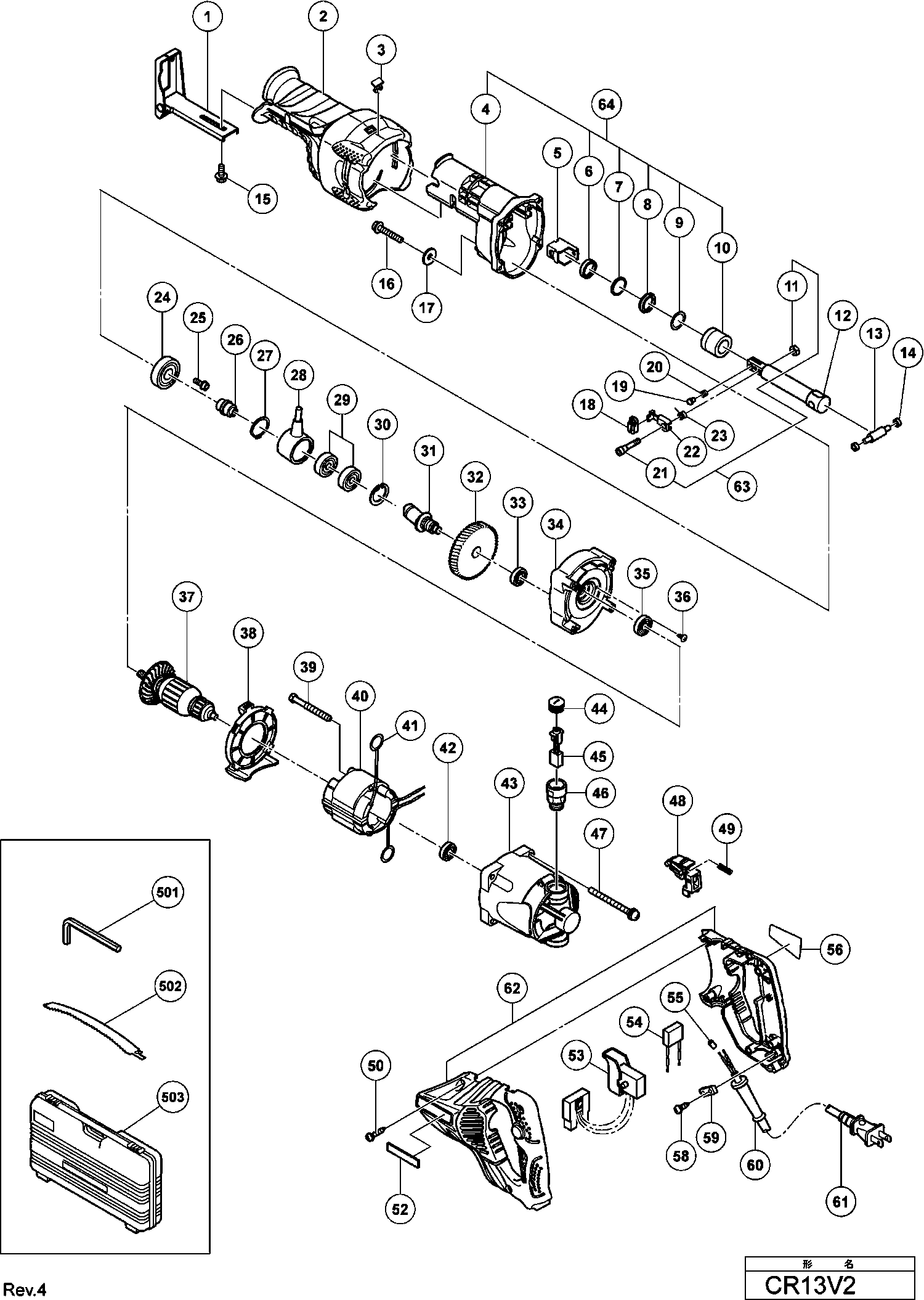
Tekeningen van de Hikoki CR13V2
Onderdelen lijst van de Hikoki CR13V2
| Pos. | Omschrijving | Prijs excl. BTW | Prijs incl. BTW | |
| Getoonde prijzen zijn inclusief btw | ||||
| VOETPLAAT | ||||
| *1 | 330833 | 8.78 | 10.62 | |
| ANKER 220-230 VOLT | ||||
| *37 | 360872E | 41.80 | 50.58 | |
| VELD 220-230 VOLT | ||||
| *40 | 340751E | 32.31 | 39.10 | |
| KOOLBORSTEL (2 STUKS) | ||||
| *45 | 999043 | 4.50 | 5.44 | |
| SNOERTULE D10.1 | ||||
| *60 | 938051 | 1.04 | 1.26 | |
| SNOER 2,5M 2 X 1.0 H05VV-F (OUD 500395Z) | ||||
| *61 | 500447Z | 6.60 | 7.99 | |
| Geen informatie beschikbaar, niet bestelbaar | ||||
| *62 | 334842 | |||
| VOETPLAAT | ||||
| 1 | 330833 | 8.78 | 10.62 | |
| FRONT COVER (F) | ||||
| 2 | 330821 | 13.89 | 16.80 | |
| DEKSEL | ||||
| 3 | 330834 | 1.13 | 1.36 | |
| TANDWIELHUIS (F) | ||||
| 4 | 330818 | 14.30 | 17.30 | |
| ZAAGBLADHOUDER (C) | ||||
| 5 | 326589 | 7.95 | 9.62 | |
| VILT SLUITRING | ||||
| 6 | 318458 | 1.65 | 2.00 | |
| RING | ||||
| 7 | 321117 | 1.35 | 1.63 | |
| V-RING | ||||
| 8 | 318459 | 1.65 | 2.00 | |
| O-RING | ||||
| 9 | 321118 | 1.65 | 2.00 | |
| METAL | ||||
| 10 | 321214 | 4.80 | 5.81 | |
| BORGMOER M5 (OUD 949566Z)(10 STUKS ) | ||||
| 11 | 949566 | 1.04 | 1.26 | |
| ZAAGAS | ||||
| 12 | 330828 | 30.45 | 36.84 | |
| VERBINDINGSPIN (F) | ||||
| 13 | 330829 | 6.08 | 7.35 | |
| PENDELROLLER | ||||
| 14 | 321136 | 1.65 | 2.00 | |
| NYLOCK BOUT M5X12 | ||||
| 15 | 322142 | 1.65 | 2.00 | |
| NYLOCK BOUT M6X35 | ||||
| 16 | 318451 | 1.65 | 2.00 | |
| RING (G) | ||||
| 17 | 318452 | 1.20 | 1.45 | |
| AFDEKDOP VOOR CR13VC | ||||
| 18 | 321130 | 1.35 | 1.63 | |
| HOUDERPIN | ||||
| 19 | 321134 | 12.45 | 15.06 | |
| VEER (B) | ||||
| 20 | 318483 | 1.20 | 1.45 | |
| BOUT M5 | ||||
| 21 | 326590 | 1.05 | 1.27 | |
| VERGRENDELINGSHENDEL | ||||
| 22 | 326588 | 7.50 | 9.08 | |
| BLADVEER | ||||
| 23 | 326591 | 1.05 | 1.27 | |
| KOGELLAGER 6002DDUCMPS2L | ||||
| 24 | 6002DD | 7.05 | 8.53 | |
| NYLOCK BOUT M4X12 | ||||
| 25 | 317196 | 1.65 | 2.00 | |
| ASJE | ||||
| 26 | 322119 | 2.10 | 2.54 | |
| RING | ||||
| 27 | 967261 | 1.05 | 1.27 | |
| RECIPROPLAAT | ||||
| 28 | 330830 | 16.03 | 19.39 | |
| KOGELLAGER 6003VVCM (NYLON RETAINER) | ||||
| 29 | 327694 | 5.25 | 6.35 | |
| VEERRING D35 (10 STUKS) | ||||
| 30 | 939556 | 10.20 | 12.34 | |
| TWEEDE AS (F) | ||||
| 31 | 330831 | 14.18 | 17.15 | |
| TANDWIEL | ||||
| 32 | 330832 | 10.65 | 12.89 | |
| KOGELLAGER 608VVMC2EPS2L | ||||
| 33 | 608VVM | 5.70 | 6.90 | |
| TANDWIELHUISDEKSEL | ||||
| 34 | 330819 | 8.40 | 10.16 | |
| KOGELLAGER 6001VVCMPS2L | ||||
| 35 | 6001VV | 6.60 | 7.99 | |
| SCHROEF HD M4X10 SEAL LOCK | ||||
| 36 | 314430 | 1.05 | 1.27 | |
| ANKER 220-230 VOLT | ||||
| 37 | 360872E | 41.80 | 50.58 | |
| ANKER 110 VOLT | ||||
| 37 | 360872C | 39.05 | 47.25 | |
| LUCHTGELEIDER | ||||
| 38 | 330820 | 4.20 | 5.08 | |
| TAPSCHROEF D5X55 | ||||
| 39 | 953174 | 1.04 | 1.26 | |
| VELD 220-230 VOLT | ||||
| 40 | 340751E | 32.31 | 39.10 | |
| VELD 110 VOLT | ||||
| 40 | 340751C | 30.20 | 36.54 | |
| CONTACTPUNT KOOLBORSTELHOUDER | ||||
| 41 | 930703 | 2.40 | 2.90 | |
| KOGELLAGER 608VVMC2EPS2L | ||||
| 42 | 608VVM | 5.70 | 6.90 | |
| BEHUIZING | ||||
| 43 | 330817 | 11.48 | 13.88 | |
| KOOLBORSTELDOP | ||||
| 44 | 945161 | 1.20 | 1.45 | |
| KOOLBORSTEL (2 STUKS) | ||||
| 45 | 999056 | 6.45 | 7.80 | |
| KOOLBORSTEL (2 STUKS) | ||||
| 45 | 999043 | 4.50 | 5.44 | |
| KOOLBORSTELHOUDER | ||||
| 46 | 958900 | 6.45 | 7.80 | |
| MACHINESCHROEF M5X60 (OUD 943430) | ||||
| 47 | 307224 | 1.05 | 1.27 | |
| Geen informatie beschikbaar, niet bestelbaar | ||||
| 48 | 330835 | |||
| Geen informatie beschikbaar, niet bestelbaar | ||||
| 49 | 330839 | |||
| TAPSCHROEF D4X25 MET RING ZWART | ||||
| 50 | 307028 | 1.05 | 1.27 | |
| SCHAKELAAR 220-240 VOLT | ||||
| 53 | 330838 | 18.15 | 21.96 | |
| SCHAKELAAR 110-120 VOLT | ||||
| 53 | 330837 | 16.94 | 20.50 | |
| CONDENSATOR (OUD 987178) | ||||
| 54 | 930039 | 1.95 | 2.36 | |
| DRAADEINDHULS | ||||
| 55 | 981373 | 1.05 | 1.27 | |
| Geen informatie beschikbaar, niet bestelbaar | ||||
| 58 | 984750 | |||
| KLEMSTRIP (OLD 994566) | ||||
| 59 | 937631 | 1.04 | 1.26 | |
| SNOERTULE D8.8 (OUD 953327) | ||||
| 60 | 380090 | 1.04 | 1.26 | |
| SNOERTULE D10.1 | ||||
| 60 | 938051 | 1.04 | 1.26 | |
| KABEL 3M 2 X 1,0 H05VV-F MET STEKKER 16A CEE-FORM | ||||
| 61 | 500461Z | 17.88 | 21.63 | |
| SNOER 2,5M 2 X 1.0 H05VV-F (OUD 500395Z) | ||||
| 61 | 500447Z | 6.60 | 7.99 | |
| SNOER 10.7 (USE 714500=2X1 5M) | ||||
| 61 | 500247Z | 6.18 | 7.48 | |
| CORD (CORD ARMOR D10.7) | ||||
| 61A | 500492Z | 6.45 | 7.80 | |
| HANDLE (G+H) SET (OLD 330823 + 330826) | ||||
| 62 | 334841 | 16.78 | 20.30 | |
| BOUT M5 | ||||
| 63 | 334921 | 4.05 | 4.90 | |
| TANDWIELHUIS COMPLEET | ||||
| 64 | 336374 | 12.45 | 15.06 | |
| Geen informatie beschikbaar, niet bestelbaar | ||||
| 501 | 944458 | |||
| Geen informatie beschikbaar, niet bestelbaar | ||||
| 502 | 327129 | |||
| Geen informatie beschikbaar, niet bestelbaar | ||||
| 503 | 327054 | |||
| Geen informatie beschikbaar, niet bestelbaar | ||||
| 602 | 958182 | |||
| Geen informatie beschikbaar, niet bestelbaar | ||||
| 603 | 958183 | |||
| Geen informatie beschikbaar, niet bestelbaar | ||||
| 604 | 959611 | |||
| Geen informatie beschikbaar, niet bestelbaar | ||||
| 605 | 958185 | |||
| Geen informatie beschikbaar, niet bestelbaar | ||||
| 606 | 958188 | |||
| Geen informatie beschikbaar, niet bestelbaar | ||||
| 607 | 996427 | |||
| Geen informatie beschikbaar, niet bestelbaar | ||||
| 608 | 318611 | |||
| Geen informatie beschikbaar, niet bestelbaar | ||||
| 609 | 318612 | |||
| Geen informatie beschikbaar, niet bestelbaar | ||||
| 610 | 318613 | |||
| Geen informatie beschikbaar, niet bestelbaar | ||||
| 611 | 318614 | |||
| Geen informatie beschikbaar, niet bestelbaar | ||||
| 612 | 318617 | |||
| Geen informatie beschikbaar, niet bestelbaar | ||||
| 613 | 318618 | |||
| Geen informatie beschikbaar, niet bestelbaar | ||||
| 614 | 324818 | |||
| Geen informatie beschikbaar, niet bestelbaar | ||||
| 615 | 324819 | |||
| Geen informatie beschikbaar, niet bestelbaar | ||||
| 616 | 318619 | |||
| Geen informatie beschikbaar, niet bestelbaar | ||||
| 617 | 318620 | |||
| Geen informatie beschikbaar, niet bestelbaar | ||||
| 618 | 318621 | |||
| Geen informatie beschikbaar, niet bestelbaar | ||||
| 619 | 330852 | |||
| LEVER | ||||
| 620 | 996423 | 3.72 | 4.50 | |
| BOUT | ||||
| 621 | 996422 | 15.51 | 18.77 | |
| GELEIDBAR | ||||
| 622 | 996421 | 6.66 | 8.06 | |
| GLIJPLAAT | ||||
| 623 | 996424 | 20.90 | 25.29 | |
| ZESKANT HD BOUT M6X16 (10 STUKS) | ||||
| 624 | 949755 | 3.00 | 3.63 | |
| PLATE (B) | ||||
| 625 | 321427 | 21.04 | 25.46 | |
| Huls | ||||
| 626 | 321428 | 7.95 | 9.62 | |
| INBUS HD.BOUT M5X14 (10 STUKS) | ||||
| 627 | 949665 | 2.10 | 2.54 | |
| ZESKANT HD BOUT M6X16 (10 STUKS) | ||||
| 628 | 949755 | 3.00 | 3.63 | |
| RING M6 ( OUD 949425Z , 10 ST ) | ||||
| 629 | 949425 | 1.05 | 1.27 | |
| Geen informatie beschikbaar, niet bestelbaar | ||||
| 630 | 944458 | |||
| Geen informatie beschikbaar, niet bestelbaar | ||||
| 631 | 944459 | |||
| VOETPLAAT | ||||
| 632 | 330833 | 8.78 | 10.62 | |