Hier vindt u alle beschikbare onderdelen en tekeningen van de 'Hikoki DH24PH'. Vanaf hier kunt u direct alle gewenste onderdelen bestellen. Vele onderdelen moeten bij de fabrikant besteld worden, dit duurt afhankelijk van het merk, één tot vier weken. Alle informatie die we hebben, staat op onze website, wij kunnen u geen advies geven over wat u nodig heeft, daarvoor zult u de machine ter reparatie in moeten leveren. Let bij het bestellen op het volgende:
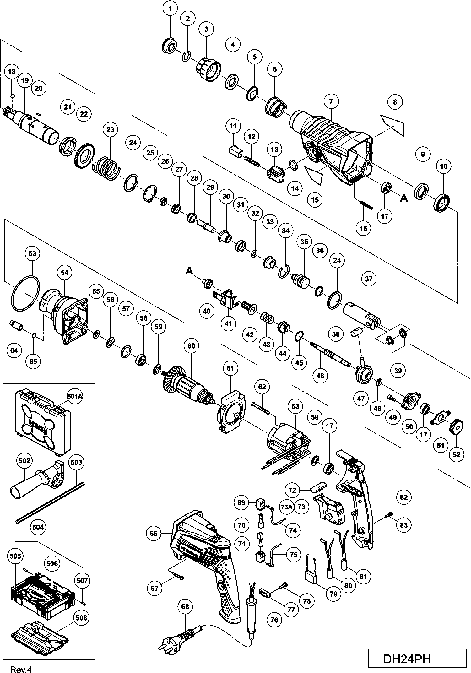
Tekeningen van de Hikoki DH24PH
Onderdelen lijst van de Hikoki DH24PH
| Pos. | Omschrijving | Prijs excl. BTW | Prijs incl. BTW | |
| Getoonde prijzen zijn inclusief btw | ||||
| Geen informatie beschikbaar, niet bestelbaar | ||||
| *503 | 310331 | |||
| ANKER 220-230 VOLT | ||||
| *60 | 360962E | 24.34 | 29.45 | |
| ANKER 110 VOLT | ||||
| *60 | 360962C | 22.72 | 27.49 | |
| VELD 220-230 VOLT | ||||
| *63 | 340866E | 20.76 | 25.12 | |
| VELD 110 VOLT | ||||
| *63 | 340866C | 19.69 | 23.82 | |
| CORD | ||||
| *68 | 930051 | 14.30 | 17.30 | |
| SNOER | ||||
| *68 | 500240Z | 13.18 | 15.94 | |
| SNOER 2.5M 2 X 1.0 H05VV-F W/PLUG 13A/250V (OLD 50 | ||||
| *68 | 500423Z | 12.87 | 15.57 | |
| SNOER 10.7 (USE 714500=2X1 5M) | ||||
| *68 | 500247Z | 6.18 | 7.48 | |
| SCHAKELAAR 110-127 VOLT | ||||
| *73A | 337388 | 18.10 | 21.90 | |
| BEDRADING (A) BRUIN | ||||
| *74 | 324537 | 4.35 | 5.26 | |
| BEDRADING (A) BLAUW | ||||
| *75 | 324538 | 4.35 | 5.26 | |
| SNOERTULE D8.8 (OUD 953327) | ||||
| *76 | 380090 | 1.04 | 1.26 | |
| SNOERTULE D10.1 | ||||
| *76 | 938051 | 1.04 | 1.26 | |
| CONDENSATOR (OUD 987178) | ||||
| *79 | 930039 | 1.95 | 2.36 | |
| CHOKE COIL (A) BROWN | ||||
| *80 | 335857 | 1.95 | 2.36 | |
| SMOORSPOEL (A) BLAUW | ||||
| *81 | 324551 | 11.55 | 13.98 | |
| Geen informatie beschikbaar, niet bestelbaar | ||||
| 1 | 306345 | |||
| BORGRING | ||||
| 2 | 306340 | 1.35 | 1.63 | |
| GRIP | ||||
| 3 | 324527 | 3.30 | 3.99 | |
| KOGELHOUDER (OUD 322810) | ||||
| 4 | 324528 | 6.45 | 7.80 | |
| BORGPLAAT (OUD 322811) | ||||
| 5 | 324526 | 3.30 | 3.99 | |
| VEER | ||||
| 6 | 322812 | 1.65 | 2.00 | |
| TANDWIELDEKSEL | ||||
| 7 | 335274 | 19.80 | 23.96 | |
| TANDWIELDEKSEL | ||||
| 7A | 335274 | 19.80 | 23.96 | |
| OLIE KEERRING | ||||
| 9 | 335259 | 2.85 | 3.45 | |
| KOGELLAGER 6805DD | ||||
| 10 | 335260 | 3.30 | 3.99 | |
| DRUKKNOP | ||||
| 11 | 322789 | 4.80 | 5.81 | |
| DRUK VEER | ||||
| 12 | 317223 | 1.65 | 2.00 | |
| OMSCHAKELKNOP | ||||
| 13 | 334011 | 2.10 | 2.54 | |
| O-RING (S-18) | ||||
| 14 | 878885 | 1.05 | 1.27 | |
| VEER (E) | ||||
| 16 | 335800 | 1.04 | 1.26 | |
| KOGELLAGER 608VVMC2EPS2L | ||||
| 17 | 608VVM | 5.70 | 6.90 | |
| STALEN KOGEL D7.0 (10 STUKS) | ||||
| 18 | 335300 | 1.04 | 1.26 | |
| CILINDER | ||||
| 19 | 335261 | 22.28 | 26.95 | |
| PIN D2.5 | ||||
| 20 | 335264 | 1.04 | 1.26 | |
| CYLINDER CLUTCH | ||||
| 21 | 335263 | 12.45 | 15.06 | |
| TWEEDE TANDWIEL | ||||
| 22 | 335265 | 6.15 | 7.44 | |
| SPRING (A) | ||||
| 23 | 335266 | 1.50 | 1.82 | |
| RING | ||||
| 24 | 301679 | 1.20 | 1.45 | |
| C-TYPE RETAINING RING | ||||
| 25 | 948310 | 1.35 | 1.63 | |
| OLIE KEERRING (A) | ||||
| 26 | 335262 | 1.80 | 2.18 | |
| HAMMER HOLDER (C) | ||||
| 27 | 335268 | 9.60 | 11.62 | |
| SLEEVE (FW) | ||||
| 28 | 335795 | 4.20 | 5.08 | |
| TWEEDE HAMER | ||||
| 29 | 335269 | 3.90 | 4.72 | |
| HAMMER HOLDER (A) | ||||
| 30 | 335267 | 3.00 | 3.63 | |
| DEMPERRING (A) | ||||
| 31 | 322805 | 1.65 | 2.00 | |
| O-RING (C) | ||||
| 32 | 322808 | 1.65 | 2.00 | |
| DEMPERHOUDER | ||||
| 33 | 324524 | 6.45 | 7.80 | |
| STOPPER RING | ||||
| 34 | 322807 | 1.65 | 2.00 | |
| STRIKER | ||||
| 35 | 335246 | 4.20 | 5.08 | |
| O-RING D17 | ||||
| 36 | 335247 | 2.55 | 3.09 | |
| ZUIGER | ||||
| 37 | 335255 | 1.04 | 1.26 | |
| PISTON PIN | ||||
| 38 | 335793 | 3.15 | 3.81 | |
| PISTON WASHER | ||||
| 39 | 335794 | 1.20 | 1.45 | |
| PINION SLEEVE | ||||
| 40 | 335275 | 3.00 | 3.63 | |
| BEARING COVER | ||||
| 41 | 335276 | 11.10 | 13.43 | |
| TWEEDE TANDWIEL | ||||
| 42 | 335278 | 7.20 | 8.71 | |
| KOPPELINGS VEER | ||||
| 43 | 323182 | 1.65 | 2.00 | |
| CLUTCH | ||||
| 44 | 335254 | 3.90 | 4.72 | |
| RING | ||||
| 45 | 331315 | 1.05 | 1.27 | |
| SECOND SHAFT | ||||
| 46 | 335277 | 6.60 | 7.99 | |
| RECIPROCATING BEARING | ||||
| 47 | 335249 | 13.65 | 16.52 | |
| BEARING WASHER | ||||
| 48 | 335250 | 1.04 | 1.26 | |
| SEAL LOCK HD. INBUSBOUT M5X16 (OUD 984509) | ||||
| 49 | 990079 | 1.05 | 1.27 | |
| BEARING HOLDER | ||||
| 50 | 335270 | 11.40 | 13.79 | |
| BEARING COVER | ||||
| 51 | 335271 | 1.04 | 1.26 | |
| EERSTE TANDWIEL | ||||
| 52 | 335253 | 6.75 | 8.17 | |
| O-RING D72.2 | ||||
| 53 | 335245 | 1.20 | 1.45 | |
| INNER COVER | ||||
| 54 | 335272 | 9.90 | 11.98 | |
| VILT PAKKING | ||||
| 55 | 322816 | 1.65 | 2.00 | |
| PAKKING RING | ||||
| 56 | 322818 | 3.30 | 3.99 | |
| O-RING (P-22) | ||||
| 57 | 876796 | 1.05 | 1.27 | |
| KOGELLAGER 608DDMC2EPS2S | ||||
| 58 | 608DDM | 5.55 | 6.72 | |
| RING (A) | ||||
| 59 | 982631 | 1.04 | 1.26 | |
| ANKER 220-230 VOLT | ||||
| 60 | 360962E | 24.34 | 29.45 | |
| ANKER 110 VOLT | ||||
| 60 | 360962C | 22.72 | 27.49 | |
| FAN GUIDE | ||||
| 61 | 335244 | 1.04 | 1.26 | |
| SCHROEF D4X45 | ||||
| 62 | 981824 | 1.05 | 1.27 | |
| VELD 220-230 VOLT | ||||
| 63 | 340866E | 20.76 | 25.12 | |
| VELD 110 VOLT | ||||
| 63 | 340866C | 19.69 | 23.82 | |
| AIR CAP | ||||
| 64 | 334008 | 1.20 | 1.45 | |
| VILT PAKKING | ||||
| 65 | 324543 | 1.65 | 2.00 | |
| BEHUIZING | ||||
| 66 | 335660 | 7.50 | 9.08 | |
| BEHUIZING | ||||
| 66A | 335660 | 7.50 | 9.08 | |
| TAPSCHROEF D35X35 MET RING | ||||
| 67 | 301654 | 1.05 | 1.27 | |
| CORD | ||||
| 68 | 930051 | 14.30 | 17.30 | |
| SNOER | ||||
| 68 | 500240Z | 13.18 | 15.94 | |
| SNOER 2.5M 2 X 1.0 H05VV-F W/PLUG 13A/250V (OLD 50 | ||||
| 68 | 500423Z | 12.87 | 15.57 | |
| SNOER 10.7 (USE 714500=2X1 5M) | ||||
| 68 | 500247Z | 6.18 | 7.48 | |
| KOOLBORSTELHOUDER | ||||
| 69 | 955203 | 2.40 | 2.90 | |
| KOOLBORSTEL (2 STUKS) | ||||
| 70 | 999041 | 4.50 | 5.44 | |
| ZELFUITSCHAKELENDE KOOLBORSTELS (2 STUKS) (OUD 999 | ||||
| 71 | 999072 | 14.40 | 17.42 | |
| DRUKKNOPJE | ||||
| 72 | 322853 | 1.05 | 1.27 | |
| SCHAKELAAR (OUD 331454) | ||||
| 73 | 335796 | 17.05 | 20.63 | |
| SCHAKELAAR 110-127 VOLT | ||||
| 73A | 337388 | 18.10 | 21.90 | |
| BEDRADING (A) BRUIN | ||||
| 74 | 324537 | 4.35 | 5.26 | |
| BEDRADING (A) BLAUW | ||||
| 75 | 324538 | 4.35 | 5.26 | |
| SNOERTULE D8.8 (OUD 953327) | ||||
| 76 | 380090 | 1.04 | 1.26 | |
| SNOERTULE D10.1 | ||||
| 76 | 938051 | 1.04 | 1.26 | |
| KLEMSTRIP (OLD 994566) | ||||
| 77 | 937631 | 1.04 | 1.26 | |
| Geen informatie beschikbaar, niet bestelbaar | ||||
| 78 | 984750 | |||
| CONDENSATOR (OUD 987178) | ||||
| 79 | 930039 | 1.95 | 2.36 | |
| CHOKE COIL (A) BROWN | ||||
| 80 | 335857 | 1.95 | 2.36 | |
| SMOORSPOEL (A) BLAUW | ||||
| 81 | 324551 | 11.55 | 13.98 | |
| HANDGREEPDEKSEL | ||||
| 82 | 335661 | 3.45 | 4.17 | |
| TAPSCHROEF D4X20 MET RING ZWART (OUD 305095) | ||||
| 83 | 301653 | 1.04 | 1.26 | |
| GRIP ASS'Y | ||||
| 85 | 375172 | 4.50 | 5.44 | |
| Geen informatie beschikbaar, niet bestelbaar | ||||
| 501A | 337257 | |||
| Geen informatie beschikbaar, niet bestelbaar | ||||
| 502 | 324548 | |||
| Geen informatie beschikbaar, niet bestelbaar | ||||
| 503 | 310331 | |||
| Geen informatie beschikbaar, niet bestelbaar | ||||
| 504 | 337739 | |||
| Geen informatie beschikbaar, niet bestelbaar | ||||
| 505 | 336472 | |||
| Geen informatie beschikbaar, niet bestelbaar | ||||
| 506 | 336473 | |||
| Geen informatie beschikbaar, niet bestelbaar | ||||
| 507 | 336474 | |||
| Geen informatie beschikbaar, niet bestelbaar | ||||
| 508 | 337741 | |||
| Geen informatie beschikbaar, niet bestelbaar | ||||
| 601 | 306885 | |||
| Geen informatie beschikbaar, niet bestelbaar | ||||
| 602 | 986802 | |||
| STOFVANGER | ||||
| 603 | 986803 | 6.54 | 7.91 | |
| AFSLUITING | ||||
| 604 | 986804 | 3.38 | 4.08 | |
| C-TYPE RETAINING RING | ||||
| 605 | 948310 | 1.35 | 1.63 | |
| RING | ||||
| 606 | 958063 | 1.00 | 1.21 | |
| STALEN KOGEL D6.35 (10 STUKS) | ||||
| 607 | 959150 | 1.35 | 1.63 | |
| OUTER RACE | ||||
| 608 | 986805 | 4.26 | 5.15 | |
| SOCKET | ||||
| 609 | 986806 | 5.10 | 6.17 | |
| SOCKET ADAPTOR (B) | ||||
| 610 | 306910 | 4.50 | 5.44 | |
| Geen informatie beschikbaar, niet bestelbaar | ||||
| 611 | 971787 | |||
| Geen informatie beschikbaar, niet bestelbaar | ||||
| 612 | 931844 | |||
| Geen informatie beschikbaar, niet bestelbaar | ||||
| 613 | 321814 | |||
| LINKSSCHROEF M6X20 | ||||
| 614 | 331966 | 6.75 | 8.17 | |
| Geen informatie beschikbaar, niet bestelbaar | ||||
| 615 | 321813 | |||
| Geen informatie beschikbaar, niet bestelbaar | ||||
| 616 | 971511Z | |||
| Geen informatie beschikbaar, niet bestelbaar | ||||
| 617 | 971512Z | |||
| Geen informatie beschikbaar, niet bestelbaar | ||||
| 618 | 944477 | |||
| Geen informatie beschikbaar, niet bestelbaar | ||||
| 619 | 982684 | |||
| Geen informatie beschikbaar, niet bestelbaar | ||||
| 620 | 982685 | |||
| Geen informatie beschikbaar, niet bestelbaar | ||||
| 621 | 982672 | |||
| Geen informatie beschikbaar, niet bestelbaar | ||||
| 622 | 982673 | |||
| Geen informatie beschikbaar, niet bestelbaar | ||||
| 623 | 982674 | |||
| Geen informatie beschikbaar, niet bestelbaar | ||||
| 624 | 982686 | |||
| Geen informatie beschikbaar, niet bestelbaar | ||||
| 625 | 982675 | |||
| Geen informatie beschikbaar, niet bestelbaar | ||||
| 626 | 982687 | |||
| Geen informatie beschikbaar, niet bestelbaar | ||||
| 627 | 982676 | |||
| Geen informatie beschikbaar, niet bestelbaar | ||||
| 628 | 982688 | |||
| Geen informatie beschikbaar, niet bestelbaar | ||||
| 629 | 982677 | |||
| Geen informatie beschikbaar, niet bestelbaar | ||||
| 630 | 982689 | |||
| Geen informatie beschikbaar, niet bestelbaar | ||||
| 631 | 982678 | |||
| Geen informatie beschikbaar, niet bestelbaar | ||||
| 632 | 982690 | |||
| Geen informatie beschikbaar, niet bestelbaar | ||||
| 633 | 971794 | |||
| Geen informatie beschikbaar, niet bestelbaar | ||||
| 634 | 971795 | |||
| Geen informatie beschikbaar, niet bestelbaar | ||||
| 635 | 971796 | |||
| Geen informatie beschikbaar, niet bestelbaar | ||||
| 636 | 971797 | |||
| Geen informatie beschikbaar, niet bestelbaar | ||||
| 637 | 971798 | |||
| Geen informatie beschikbaar, niet bestelbaar | ||||
| 638 | 971799 | |||
| Geen informatie beschikbaar, niet bestelbaar | ||||
| 639 | 971800 | |||
| Geen informatie beschikbaar, niet bestelbaar | ||||
| 640 | 971801 | |||
| Geen informatie beschikbaar, niet bestelbaar | ||||
| 641 | 971802 | |||
| Geen informatie beschikbaar, niet bestelbaar | ||||
| 642 | 971803 | |||
| Geen informatie beschikbaar, niet bestelbaar | ||||
| 643 | 944460 | |||
| Geen informatie beschikbaar, niet bestelbaar | ||||
| 644 | 944461 | |||
| Geen informatie beschikbaar, niet bestelbaar | ||||
| 645 | 993038 | |||
| Geen informatie beschikbaar, niet bestelbaar | ||||
| 647 | 944500 | |||
| Geen informatie beschikbaar, niet bestelbaar | ||||
| 649 | 944464 | |||
| Geen informatie beschikbaar, niet bestelbaar | ||||
| 650 | 320859 | |||
| Geen informatie beschikbaar, niet bestelbaar | ||||
| 651 | 303046 | |||
| Geen informatie beschikbaar, niet bestelbaar | ||||
| 652 | 303044 | |||
| Geen informatie beschikbaar, niet bestelbaar | ||||
| 653 | 303045 | |||
| LINKSE SCHROEF M6X22 | ||||
| 654 | 981122 | 1.35 | 1.63 | |
| Geen informatie beschikbaar, niet bestelbaar | ||||
| 655 | 930515 | |||
| Geen informatie beschikbaar, niet bestelbaar | ||||
| 656 | 302976 | |||
| Geen informatie beschikbaar, niet bestelbaar | ||||
| 657 | 302975 | |||
| Geen informatie beschikbaar, niet bestelbaar | ||||
| 658 | 303621 | |||
| Geen informatie beschikbaar, niet bestelbaar | ||||
| 659 | 302974 | |||
| Geen informatie beschikbaar, niet bestelbaar | ||||
| 660 | 302979 | |||
| Geen informatie beschikbaar, niet bestelbaar | ||||
| 661 | 302978 | |||
| Geen informatie beschikbaar, niet bestelbaar | ||||
| 662 | 303622 | |||
| Geen informatie beschikbaar, niet bestelbaar | ||||
| 663 | 302977 | |||
| Geen informatie beschikbaar, niet bestelbaar | ||||
| 664 | 303332 | |||
| Geen informatie beschikbaar, niet bestelbaar | ||||
| 665 | 303334 | |||
| Geen informatie beschikbaar, niet bestelbaar | ||||
| 666 | 303335 | |||
| Geen informatie beschikbaar, niet bestelbaar | ||||
| 667 | 303617 | |||
| Geen informatie beschikbaar, niet bestelbaar | ||||
| 668 | 303618 | |||
| Geen informatie beschikbaar, niet bestelbaar | ||||
| 669 | 303619 | |||
| Geen informatie beschikbaar, niet bestelbaar | ||||
| 670 | 303620 | |||
| Geen informatie beschikbaar, niet bestelbaar | ||||
| 671 | 303625 | |||
| Geen informatie beschikbaar, niet bestelbaar | ||||
| 672 | 303626 | |||
| Geen informatie beschikbaar, niet bestelbaar | ||||
| 673 | 303627 | |||
| Geen informatie beschikbaar, niet bestelbaar | ||||
| 674 | 303624 | |||
| Geen informatie beschikbaar, niet bestelbaar | ||||
| 675 | 321825 | |||
| Geen informatie beschikbaar, niet bestelbaar | ||||
| 676 | 303623 | |||
| Geen informatie beschikbaar, niet bestelbaar | ||||
| 677 | 306370 | |||
| VET (500 GRAM) BOORHAMERS | ||||
| 678 | 335781 | 67.24 | 81.36 | |
| VET TUBE 60 GRAM (DISCON) | ||||
| 679 | 335782 | 13.50 | 16.34 | |