Hier vindt u alle beschikbare onderdelen en tekeningen van de 'Hikoki DS9DVC'. Vanaf hier kunt u direct alle gewenste onderdelen bestellen. Vele onderdelen moeten bij de fabrikant besteld worden, dit duurt afhankelijk van het merk, één tot vier weken. Alle informatie die we hebben, staat op onze website, wij kunnen u geen advies geven over wat u nodig heeft, daarvoor zult u de machine ter reparatie in moeten leveren. Let bij het bestellen op het volgende:
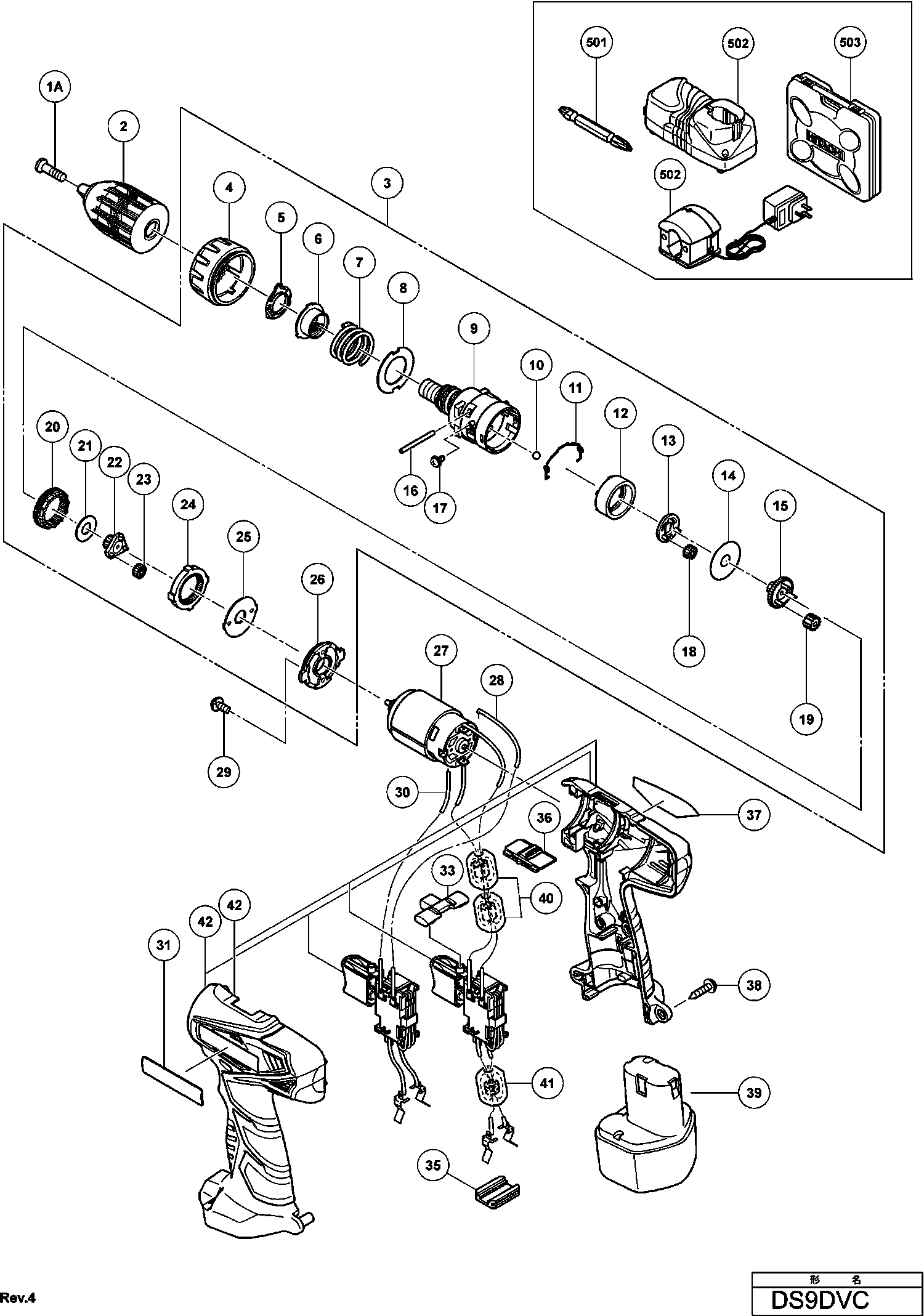
Tekeningen van de Hikoki DS9DVC
Onderdelen lijst van de Hikoki DS9DVC
| Pos. | Omschrijving | Prijs excl. BTW | Prijs incl. BTW | |
| Getoonde prijzen zijn inclusief btw | ||||
| BEHUIZING+SCHAKELAAR SET | ||||
| *42 | 338439 | 26.40 | 31.94 | |
| SPECIALE SCHROEF M5 (LINKSE DRAAD) | ||||
| 1A | 337426 | 1.04 | 1.26 | |
| Geen informatie beschikbaar, niet bestelbaar | ||||
| 2 | 331602 | |||
| SLIPKOPPELING COMPLEET | ||||
| 3 | 331324 | 32.31 | 39.10 | |
| INSTELRING | ||||
| 4 | 331587 | 3.75 | 4.54 | |
| CLICK VEER | ||||
| 5 | 329579 | 1.80 | 2.18 | |
| KAPHOUDER | ||||
| 6 | 331582 | 1.88 | 2.27 | |
| VEER | ||||
| 7 | 331583 | 1.88 | 2.27 | |
| DRUK PLAAT | ||||
| 8 | 331584 | 1.88 | 2.27 | |
| TANDWIELHUIS | ||||
| 9 | 331585 | 12.98 | 15.70 | |
| STALEN KOGEL | ||||
| 10 | 306936 | 1.05 | 1.27 | |
| SCHUIFARM | ||||
| 11 | 331586 | 1.88 | 2.27 | |
| RINGTANDWIEL | ||||
| 12 | 331592 | 3.75 | 4.54 | |
| MEENEMER | ||||
| 13 | 331589 | 1.88 | 2.27 | |
| Geen informatie beschikbaar, niet bestelbaar | ||||
| 14 | 331593 | |||
| Niet meer leverbaar, geen vervanging | ||||
| 15 | 331590 | |||
| Geen informatie beschikbaar, niet bestelbaar | ||||
| 16 | 331588 | |||
| KRUISKOPSCHROEVEN D2X3.5 (2 STUKS) | ||||
| 17 | 330579 | 1.88 | 2.27 | |
| TANDWIELSET (C) (3 STUKS) | ||||
| 18 | 331591 | 1.88 | 2.27 | |
| TANDWIELSET (B) (3 STUKS) | ||||
| 19 | 331595 | 1.88 | 2.27 | |
| SLIPTANDRING | ||||
| 20 | 331594 | 3.75 | 4.54 | |
| RING (C) | ||||
| 21 | 331599 | 1.88 | 2.27 | |
| TANDWIEL (B) | ||||
| 22 | 331596 | 1.88 | 2.27 | |
| TANDWIELSET (A) (3 STUKS) | ||||
| 23 | 331597 | 1.88 | 2.27 | |
| EERSTE RINGTANDWIEL | ||||
| 24 | 331598 | 3.75 | 4.54 | |
| RING (A) | ||||
| 25 | 331600 | 1.88 | 2.27 | |
| MOTOR SPACER | ||||
| 26 | 331601 | 1.88 | 2.27 | |
| MOTOR | ||||
| 27 | 333129 | 11.93 | 14.43 | |
| Geen informatie beschikbaar, niet bestelbaar | ||||
| 28 | 306040 | |||
| MACHINESCHROEF M3X8 (10 STUKS) | ||||
| 29 | 949203 | 1.05 | 1.27 | |
| INTERNE BEDRADING ZWART 90L | ||||
| 30 | 324121 | 1.05 | 1.27 | |
| DRUKKNOPJE | ||||
| 33 | 329181 | 1.05 | 1.27 | |
| HOUDER | ||||
| 35 | 315141 | 1.20 | 1.45 | |
| WISSELSCHUIF | ||||
| 36 | 331332 | 1.05 | 1.27 | |
| TAPSCHROEF D3X16 MET RING ZWART | ||||
| 38 | 313687 | 1.04 | 1.26 | |
| Geen informatie beschikbaar, niet bestelbaar | ||||
| 39 | 332086 | |||
| Geen informatie beschikbaar, niet bestelbaar | ||||
| 40 | 334862 | |||
| Geen informatie beschikbaar, niet bestelbaar | ||||
| 41 | 334883 | |||
| BEHUIZING+SCHAKELAAR SET | ||||
| 42 | 338439 | 26.40 | 31.94 | |
| Geen informatie beschikbaar, niet bestelbaar | ||||
| 501 | 983006 | |||
| Geen informatie beschikbaar, niet bestelbaar | ||||
| 503 | 323950 | |||