Hier vindt u alle beschikbare onderdelen en tekeningen van de 'Hikoki DUT-10'. Vanaf hier kunt u direct alle gewenste onderdelen bestellen. Vele onderdelen moeten bij de fabrikant besteld worden, dit duurt afhankelijk van het merk, één tot vier weken. Alle informatie die we hebben, staat op onze website, wij kunnen u geen advies geven over wat u nodig heeft, daarvoor zult u de machine ter reparatie in moeten leveren. Let bij het bestellen op het volgende:
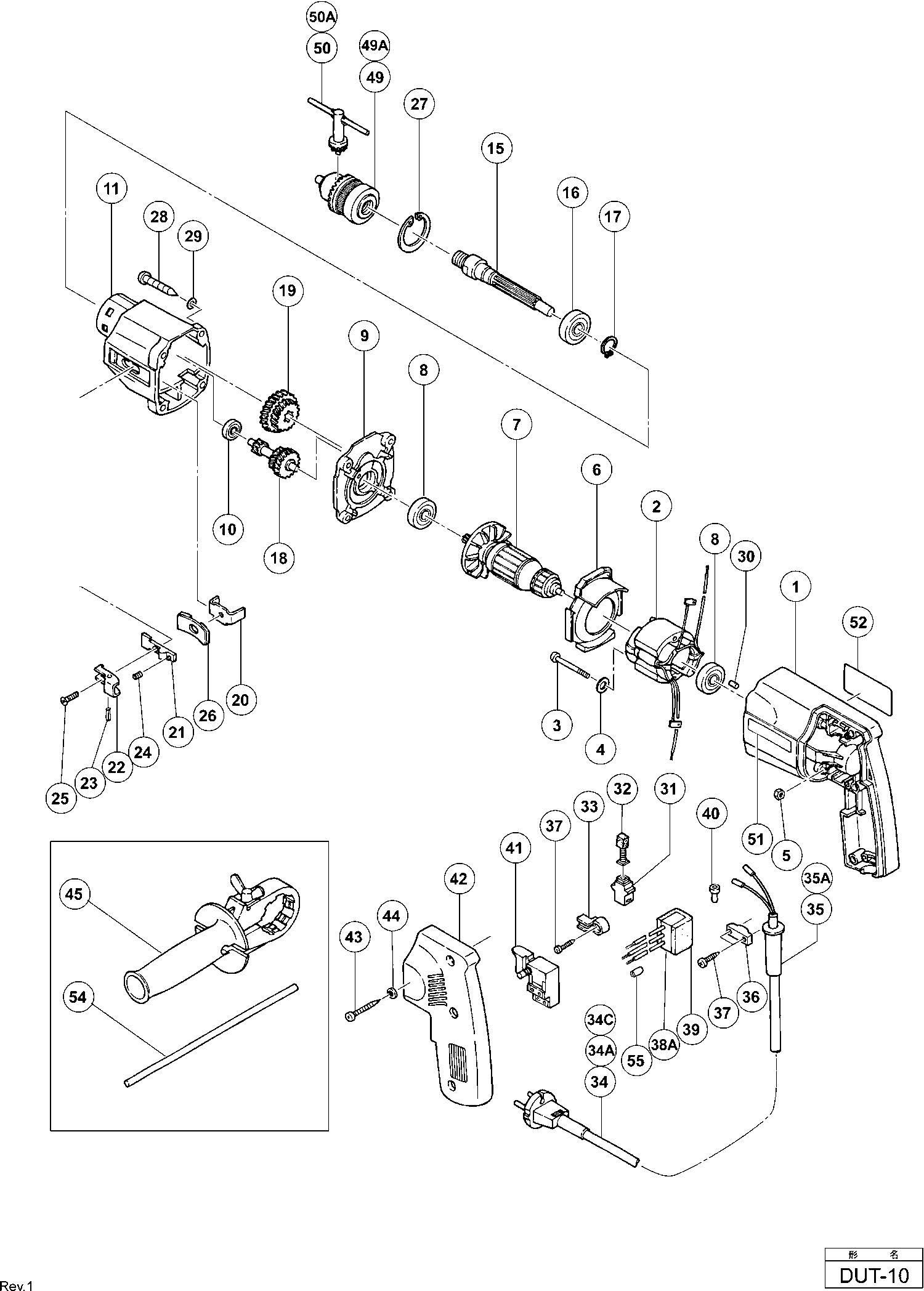
Tekeningen van de Hikoki DUT-10
Onderdelen lijst van de Hikoki DUT-10
| Pos. | Omschrijving | Prijs excl. BTW | Prijs incl. BTW | |
| Getoonde prijzen zijn inclusief btw | ||||
| Geen informatie beschikbaar, niet bestelbaar | ||||
| 1 | 971640 | |||
| Veld 220-230 Volt | ||||
| 2 | 971665E | 16.64 | 20.13 | |
| Stator 240 Volt | ||||
| 2 | 971665F | 16.36 | 19.80 | |
| Niet meer leverbaar, geen vervanging | ||||
| 3 | 949278 | |||
| VEERRING M4 (10 STUKS) | ||||
| 4 | 949453 | 1.05 | 1.27 | |
| MOER M4 ( 10 STUKS ) | ||||
| 5 | 949554 | 1.05 | 1.27 | |
| LUCHTGELEIDER | ||||
| 6 | 971642 | 1.05 | 1.27 | |
| Anker 230v | ||||
| 7 | 971666E | 93.36 | 112.97 | |
| Anker 240 Volt | ||||
| 7 | 971666F | 75.49 | 91.34 | |
| KOGELLAGER 608VVMC2EPS2L | ||||
| 8 | 608VVM | 5.70 | 6.90 | |
| TANDWIELHUISDEKSEL | ||||
| 9 | 971664 | 18.70 | 22.63 | |
| KOGELLAGER 608VVMC2EPS2L | ||||
| 10 | 608VVM | 5.70 | 6.90 | |
| TANDWIELHUIS | ||||
| 11 | 980972 | 24.89 | 30.11 | |
| AS | ||||
| 15 | 980973 | 14.24 | 17.23 | |
| KOGELLAGER 6202VVCMPS2S | ||||
| 16 | 6202VV | 7.05 | 8.53 | |
| VEERRING D15 (10 STUKS) | ||||
| 17 | 939544 | 2.13 | 2.57 | |
| TWEEDE TANDWIEL | ||||
| 18 | 971700 | 18.10 | 21.90 | |
| TANDWIEL | ||||
| 19 | 980192 | 10.50 | 12.70 | |
| VERSTELGELEIDER | ||||
| 20 | 971651 | 1.05 | 1.27 | |
| TOERENTAL HANDEL | ||||
| 21 | 971652 | 1.95 | 2.36 | |
| BLOKKING | ||||
| 22 | 971653 | 1.35 | 1.63 | |
| ROL PIN D3X12 (10 STUKS) | ||||
| 23 | 949535 | 2.10 | 2.54 | |
| VEER | ||||
| 24 | 943053 | 1.35 | 1.63 | |
| SCHROEF M4X12 (10 STUKS) | ||||
| 25 | 949323 | 1.05 | 1.27 | |
| PAKKINGPLAAT | ||||
| 26 | 971672 | 1.95 | 2.36 | |
| VEERRING D35 (10 STUKS) | ||||
| 27 | 939556 | 10.20 | 12.34 | |
| TAPSCHROEF D5X35 (OUD 986140) | ||||
| 28 | 931875 | 1.05 | 1.27 | |
| VEERRING M5 (10 STUKS) | ||||
| 29 | 949454 | 1.04 | 1.26 | |
| RUBBEREN PEN (OUD 976441) | ||||
| 30 | 946362 | 1.05 | 1.27 | |
| KOOLBORSTELHOUDER | ||||
| 31 | 955203 | 2.40 | 2.90 | |
| KOOLBORSTEL (2 STUKS) | ||||
| 32 | 999041 | 4.50 | 5.44 | |
| HOUDERSTUK | ||||
| 33 | 971655 | 1.00 | 1.21 | |
| SNOER 2,5M 2 X 1.0 H05VV-F (OUD 500395Z) | ||||
| 34 | 500447Z | 6.60 | 7.99 | |
| SNOER 2.5M 2 X 1.0 H05VV-F W/PLUG 13A/250V (OLD 50 | ||||
| 34A | 500423Z | 12.87 | 15.57 | |
| Niet meer leverbaar, geen vervanging | ||||
| 34C | 500435Z | |||
| SNOERTULE D8.2 | ||||
| 35 | 930487 | 2.25 | 2.72 | |
| SNOERTULE D10.2 (OUD 930354) | ||||
| 35 | 980193 | 1.65 | 2.00 | |
| KABELTULE D8.8 | ||||
| 35A | 303662 | 1.04 | 1.26 | |
| KLEMSTRIP (OLD 994566) | ||||
| 36 | 937631 | 1.04 | 1.26 | |
| TAPSCHROEF D4X16 | ||||
| 37 | 954004 | 1.04 | 1.26 | |
| CONDENSATOR (OUD 930030/991313) | ||||
| 38A | 994273 | 4.29 | 5.19 | |
| RUBBER | ||||
| 39 | 930153 | 1.04 | 1.26 | |
| LASDOP 50091 (10 STUKS) | ||||
| 40 | 959140 | 3.30 | 3.99 | |
| Schakelaar | ||||
| 41 | 971667Z | 20.21 | 24.46 | |
| SCHAKELAAR | ||||
| 41 | 957747 | 14.03 | 16.97 | |
| HANDGREEPDEKSEL | ||||
| 42 | 971660 | 9.90 | 11.98 | |
| TAPSCHROEF D4X20 | ||||
| 43 | 956384 | 1.05 | 1.27 | |
| RING M4 (10 STUKS) | ||||
| 44 | 949423 | 1.05 | 1.27 | |
| Geen informatie beschikbaar, niet bestelbaar | ||||
| 45 | 971662 | |||
| Geen informatie beschikbaar, niet bestelbaar | ||||
| 49 | 321811 | |||
| Geen informatie beschikbaar, niet bestelbaar | ||||
| 50 | 930119 | |||
| Geen informatie beschikbaar, niet bestelbaar | ||||
| 50A | 987575 | |||
| Geen informatie beschikbaar, niet bestelbaar | ||||
| 51 | 957561 | |||
| Geen informatie beschikbaar, niet bestelbaar | ||||
| 54 | 971677 | |||
| DRAADEINDHULS | ||||
| 55 | 981373 | 1.05 | 1.27 | |