Hier vindt u alle beschikbare onderdelen en tekeningen van de 'Hikoki ECS-3300D'. Vanaf hier kunt u direct alle gewenste onderdelen bestellen. Vele onderdelen moeten bij de fabrikant besteld worden, dit duurt afhankelijk van het merk, één tot vier weken. Alle informatie die we hebben, staat op onze website, wij kunnen u geen advies geven over wat u nodig heeft, daarvoor zult u de machine ter reparatie in moeten leveren. Let bij het bestellen op het volgende:
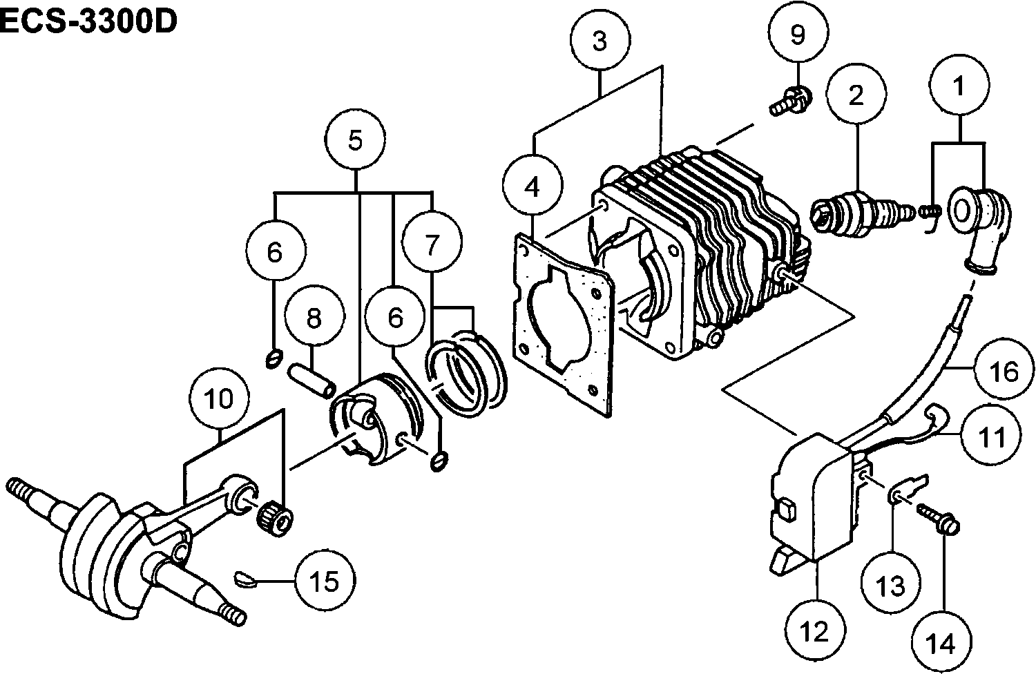
Tekeningen van de Hikoki ECS-3300D
Onderdelen lijst van de Hikoki ECS-3300D
| Pos. | Omschrijving | Prijs excl. BTW | Prijs incl. BTW | |
| Getoonde prijzen zijn inclusief btw | ||||
| SPARK PLUG CAP ASS'Y (OLD 157-01570-90/6687470/668 | ||||
| 1 | 6687468 | 2.31 | 2.80 | |
| SPARK PLUG CJ8 (OLD 6685771) | ||||
| 2 | 6699324 | 3.30 | 3.99 | |
| CYLINDER SET (OLD 001-01740-91/6685458) | ||||
| 3 | 6685457 | 44.31 | 53.62 | |
| CYLINDER GASKET (OLD 017-01740-20) | ||||
| 4 | 6685724 | 1.15 | 1.39 | |
| PISTON SET (OLD 030-01741-90) | ||||
| 5 | 6685879 | 22.24 | 26.91 | |
| CIRCLIP (OLD 039-00000-20) | ||||
| 6 | 6685078 | 1.15 | 1.39 | |
| ZUIGER RING (XR1-1856) | ||||
| 7 | 6685331 | 4.05 | 4.90 | |
| PISTON PIN 9 X 31 (OLD 037-01400-20/791170) | ||||
| 8 | 6686008 | 2.31 | 2.80 | |
| HEX.HOLE BOLT M5X16/S (OLD 994-61050-164) | ||||
| 9 | 6684903 | 2.15 | 2.60 | |
| CRANK SHAFT COMP (OLD 6686171) | ||||
| 10 | 6697636 | 61.54 | 74.46 | |
| CORD, B 70M (OLD 178-01740-80) | ||||
| 11 | 6687837 | 2.31 | 2.80 | |
| BOBINE | ||||
| 12 | 6687700 | 44.31 | 53.62 | |
| TAB (OLD 205-01700-20) | ||||
| 13 | 6688060 | 1.15 | 1.39 | |
| HIGH TENSION SCREW 4X18WS (OLD 994-16040-186) | ||||
| 14 | 6695407 | 1.15 | 1.39 | |
| WOODRUFF KEY 3X13X4.5 (OUD 068-10100-20) | ||||
| 15 | 6684899 | 2.15 | 2.60 | |
| CORD INSULATOR TUBE (OLD 755-32050-20) | ||||
| 16 | 6692900 | 1.15 | 1.39 | |
| CRANK CASE ASS'Y (OLD 072-01740-94) | ||||
| 20A | 6686523 | 36.15 | 43.74 | |
| OLIE KEERRING | ||||
| 21 | 6684607 | 4.29 | 5.19 | |
| Geen informatie beschikbaar, niet bestelbaar | ||||
| 22 | 6685095 | |||
| BALL BEARING 6201 A2C3 (OLD 999-61620-106/6696387) | ||||
| 23 | 6685096 | 5.28 | 6.38 | |
| CRANK CASE GASKET (OLD 090-0174G-20) | ||||
| 24A | 6686701 | 1.15 | 1.39 | |
| Geen informatie beschikbaar, niet bestelbaar | ||||
| 25 | 6684668 | |||
| MAGNETO ROTOR ASS'Y (OLD 155-21540-90) | ||||
| 26 | 6687394 | 24.20 | 29.28 | |
| Geen informatie beschikbaar, niet bestelbaar | ||||
| 26A | 6697953 | |||
| D4E RETAINING RING (OLD 993-55040-001) | ||||
| 27 | 6685101 | 1.15 | 1.39 | |
| STARTER PAWL SPRING (OLD 790-01740-20) | ||||
| 28 | 6685105 | 1.15 | 1.39 | |
| STARTER PAWL (OLD 6685106) | ||||
| 29A | 6685334 | 1.05 | 1.27 | |
| RING | ||||
| 30 | 6685103 | 1.15 | 1.39 | |
| FLYWHEEL NUT (OLD 066-00000-20) | ||||
| 31 | 6685104 | 1.15 | 1.39 | |
| SHIM S T0.2 (OLD 071-04063-23) | ||||
| 32 | 6685098 | 1.15 | 1.39 | |
| SHIM S T0.3 (OLD 071-04063-24) | ||||
| 32 | 6685099 | 1.15 | 1.39 | |
| Shim 0.1 (old 071-04063-21) | ||||
| 32 | 6686474 | 1.15 | 1.39 | |
| SHIM 0.4 (OLD 071-04063-25) | ||||
| 32 | 6686475 | 1.15 | 1.39 | |
| RING | ||||
| 33 | 6695222 | 1.15 | 1.39 | |
| ENGINE CASE ASS'Y, VERMILION (OLD 560-32942-90) | ||||
| 40 | 6691365 | 40.24 | 48.69 | |
| AIR VENT VALVE (B) (OLD 562-04060-20) | ||||
| 41 | 6685173 | 2.31 | 2.80 | |
| AIR VENT VALVE SET (OLD 6692164) | ||||
| 42 | 6697231 | 5.45 | 6.59 | |
| HEX. HOLE BOLT 5X20/PS (OLD 994-63050-204) | ||||
| 43 | 6684634 | 2.15 | 2.60 | |
| AARDEDRAAD 90MM (OUD 6688444) | ||||
| 44 | 6697602 | 1.98 | 2.39 | |
| STOP SWITCH ASS'Y (OLD 6687501) | ||||
| 45A | 6601374 | 11.71 | 14.17 | |
| SWITCH NAME PLATE (OLD 183-01300-20/6689113) | ||||
| 46 | 6687949 | 1.15 | 1.39 | |
| LUCHTFILTERKAP | ||||
| 50 | 6686299 | 3.30 | 3.99 | |
| Luchtfilterkap | ||||
| 51 | 6689735 | 1.15 | 1.39 | |
| LUCHTFILTER ELEMENT | ||||
| 52 | 6690064 | 3.30 | 3.99 | |
| CARBURETOR INSULATOR SET (OLD 404-01740-91/6689933 | ||||
| 53 | 6689934 | 8.91 | 10.78 | |
| INSULATOR SET (OLD 404-0174G-90) | ||||
| 53A | 6689935 | 12.05 | 14.58 | |
| INLAATPAKKING (OLD 403-01740-21 & 6689869) | ||||
| 54 | 6689870 | 1.15 | 1.39 | |
| INSULATOR GASKET (OLD 403-0174G-20) | ||||
| 54A | 6689871 | 1.15 | 1.39 | |
| CARBURETOR INSULATOR RUBBER (OLD 409-01700-20) | ||||
| 55 | 6690001 | 1.15 | 1.39 | |
| REED VALVE HOLDER (OLD 395-01730-20) | ||||
| 56 | 6689805 | 1.15 | 1.39 | |
| VALVE HOLDER (OLD 395-0174G-20) | ||||
| 56A | 6689806 | 1.15 | 1.39 | |
| REED VALVE (OLD 394-01700-20) | ||||
| 57 | 6689802 | 2.31 | 2.80 | |
| REED VALVE (OLD 394-0174G-20) | ||||
| 57A | 6689803 | 3.30 | 3.99 | |
| Niet meer leverbaar, geen vervanging | ||||
| 58 | 6694964 | |||
| CARBURETOR GASKET | ||||
| 59 | 6698108 | 1.80 | 2.18 | |
| CARBURATEURSET | ||||
| 60 | 6690666 | 64.28 | 77.77 | |
| SCREW 5X45S (OLD 994-14050-451) | ||||
| 61 | 6695350 | 1.15 | 1.39 | |
| CHOKE SHIM 1.0 (OLD 708-32911-20) NEW | ||||
| 62 | 6692597 | 1.05 | 1.27 | |
| RING 5 (OUD 992-00050-011) | ||||
| 63 | 6684864 | 2.15 | 2.60 | |
| CHOKE VALVE (OLD 700-32918-20/6692409) | ||||
| 64 | 6692410 | 2.31 | 2.80 | |
| TAPSCHROEF D4.5X14 | ||||
| 65 | 6685152 | 1.15 | 1.39 | |
| LUCHTFILTERKAP | ||||
| 66 | 6687344 | 4.45 | 5.38 | |
| Geen informatie beschikbaar, niet bestelbaar | ||||
| 67 | 6684668 | |||
| RING 5 (OUD 992-00050-011) | ||||
| 68 | 6684864 | 2.15 | 2.60 | |
| IDLE SPONGE (OLD 191-32970-20) | ||||
| 69 | 6685224 | 1.15 | 1.39 | |
| SPONGE H/L 10L (OLD 191-32964-20) | ||||
| 70 | 6687978 | 1.15 | 1.39 | |
| AIRCLEANER SPONGE (OLD 446-01740-20) | ||||
| 71 | 6690355 | 1.15 | 1.39 | |
| SEAL COVER (OLD 129-01730-20) | ||||
| 72 | 6687182 | 1.15 | 1.39 | |
| Geen informatie beschikbaar, niet bestelbaar | ||||
| 81 | 6692443 | |||
| MUFFLER GASKET (OLD 737-01700-20) | ||||
| 82 | 6692734 | 1.15 | 1.39 | |
| Niet meer leverbaar, geen vervanging | ||||
| 83 | 6692625 | |||
| MUFFLER FITTING METAL (OLD 724-01700-20) | ||||
| 84 | 6692676 | 2.31 | 2.80 | |
| Muffler Body A Comp. (old 716-01700-80) New Sep | ||||
| 86 | 6692606 | 3.30 | 3.99 | |
| HEX.HOLE BOLT M5X35 (OUD 990-51050-353) | ||||
| 87 | 6684934 | 2.15 | 2.60 | |
| RING | ||||
| 88 | 6684661 | 2.15 | 2.60 | |
| OIL PIPE B (OLD 505-32710-20) | ||||
| 101 | 6691121 | 4.45 | 5.38 | |
| CLIP 7 (OLD 680-04019-21) | ||||
| 102 | 6692312 | 1.15 | 1.39 | |
| RING | ||||
| 103 | 6684661 | 2.15 | 2.60 | |
| OIL FILTER (OLD 487-32712-20/6696804) | ||||
| 104 | 6690919 | 1.15 | 1.39 | |
| OIL FILTER BODY ASS'Y (OLD 486-32710-90) | ||||
| 105 | 6685249 | 2.31 | 2.80 | |
| THROTTLE ROD (OLD 490-32910-20) | ||||
| 106 | 6690974 | 4.45 | 5.38 | |
| THROTTLE GUIDE (OLD 491-32710-20) | ||||
| 107 | 6690982 | 1.15 | 1.39 | |
| PRIMING PUMP COMP. (OLD 442-25143-80) | ||||
| 108 | 6685139 | 5.94 | 7.18 | |
| FUEL PIPE 2.5X4X42 (OLD 700-02504-042 & 6698850) | ||||
| 109 | 6685138 | 1.15 | 1.39 | |
| RUBBER PIPE (OLD 678-01740-20/6692291) | ||||
| 110 | 6692292 | 4.45 | 5.38 | |
| PUMP FILTER BODY ASS'Y (OLD 675-11600-90/6692275/6 | ||||
| 111 | 6685199 | 4.45 | 5.38 | |
| FUEL PIPE 2.5X4X150 (OLD 700-02504-15) | ||||
| 112 | 6692351 | 1.15 | 1.39 | |
| RETURN GROMMET (OLD 6684627) | ||||
| 113 | 6697846 | 1.04 | 1.26 | |
| Geen informatie beschikbaar, niet bestelbaar | ||||
| 114 | 6697780 | |||
| ADJUSTER CAP (OLD 190-32710-20) | ||||
| 115 | 6687956 | 1.15 | 1.39 | |
| GROMMET (OLD 707-32710-20) | ||||
| 116 | 6692590 | 1.15 | 1.39 | |
| CHOKE BUTTON COMP. (OLD 704-32710-80) | ||||
| 117 | 6692513 | 2.31 | 2.80 | |
| GROMMET (OLD 191-32710-20) | ||||
| 118 | 6687976 | 1.15 | 1.39 | |
| O-RING | ||||
| 119 | 6697898 | 1.04 | 1.26 | |
| O-RING P-21 | ||||
| 119A | 6699285 | 1.04 | 1.26 | |
| OIL TANK CAP ASS'Y (OLD 642-32719-90) | ||||
| 120 | 6692159 | 5.11 | 6.19 | |
| TANK DOP COMPLEET | ||||
| 121A | 6692121 | 9.58 | 11.59 | |
| RECOIL STARTER ASS'Y (OLD 756-01740-90) | ||||
| 131 | 6692906 | 44.31 | 53.62 | |
| TAPSCHROEF D5X14 | ||||
| 132 | 6685275 | 1.15 | 1.39 | |
| RING | ||||
| 133 | 6689681 | 1.15 | 1.39 | |
| Starter Pully (old 774-01740-20) | ||||
| 134 | 6693060 | 3.30 | 3.99 | |
| Starter Rope 3 X 890 (old 783-01740-20) | ||||
| 135 | 6693159 | 1.15 | 1.39 | |
| RECOIL SPRING CASE ASS'Y (OLD 778-01740-90) | ||||
| 136 | 6693093 | 7.75 | 9.38 | |
| STARTHENDEL | ||||
| 137 | 6693228 | 2.31 | 2.80 | |
| VENTILATORHUIS | ||||
| 138 | 6686947 | 8.58 | 10.38 | |
| TAPSCHROEF D4.5X20 | ||||
| 139 | 6685191 | 1.15 | 1.39 | |
| RING | ||||
| 140 | 6684632 | 2.15 | 2.60 | |
| INLET SCREEN (OUD 578-25007-20) | ||||
| 151 | 6684700 | 4.29 | 5.19 | |
| Pump Body (old 575-25028-20/6696844) | ||||
| 152 | 6685211 | 8.41 | 10.18 | |
| SCREW (OLD 514-25001-20) | ||||
| 153 | 6685210 | 1.15 | 1.39 | |
| PUMP GASKET (OLD 577-25007-20) | ||||
| 154 | 6685212 | 2.31 | 2.80 | |
| PUMP DIAPHRAGM (OLD 576-25006-20) | ||||
| 155 | 6685213 | 4.45 | 5.38 | |
| LOW ADJUST SCREW (OLD 461-25027-20) | ||||
| 156 | 6690714 | 5.28 | 6.38 | |
| HIGH/LOW ADJUST SPRING (OLD 623-25032-20) | ||||
| 157 | 6692048 | 2.31 | 2.80 | |
| CONTROL LEVER (OLD 473-25001-20) | ||||
| 158 | 6685217 | 3.30 | 3.99 | |
| HINGE PIN SET SCREW (OLD 546-25001-20) | ||||
| 159 | 6685218 | 2.31 | 2.80 | |
| VALVE SPRING (OLD 477-25088-20) | ||||
| 160 | 6690873 | 4.45 | 5.38 | |
| HINGE PIN (OLD 605-25001-20) | ||||
| 161 | 6685219 | 1.15 | 1.39 | |
| DIAPHRAGM COVER (OLD 476-25004-20) | ||||
| 162 | 6685222 | 4.45 | 5.38 | |
| Niet meer leverbaar, geen vervanging | ||||
| 163 | 6690827 | |||
| Niet meer leverbaar, geen vervanging | ||||
| 164 | 6685220 | |||
| NEEDLE VALVE (OLD 603-25012-20) | ||||
| 165 | 6685215 | 5.28 | 6.38 | |
| IDLE ADJUST SPRING (OLD 463-25006-20) | ||||
| 166 | 6685297 | 2.31 | 2.80 | |
| IDLE ADJUST SCREW (OLD 462-25016-20) | ||||
| 167 | 6685298 | 2.31 | 2.80 | |
| HIGH ADJUST SCREW (OLD 460-25027-20) | ||||
| 168 | 6690691 | 4.79 | 5.79 | |
| HIGH ADJUSTMENT SPRING (OLD 485-25040-20) | ||||
| 169 | 6690897 | 3.30 | 3.99 | |
| SET SCREW (OLD 548-25012-20) | ||||
| 170 | 6685223 | 1.15 | 1.39 | |
| Screw 5x14/ws (old 994-16050-141) | ||||
| 191 | 6695416 | 1.15 | 1.39 | |
| OIL PUMP COVER (OLD 097-32900-20) | ||||
| 192 | 6686763 | 2.31 | 2.80 | |
| OIL PIPE A (OLD 515-32710-20) | ||||
| 193 | 6691223 | 3.30 | 3.99 | |
| SCREW GEAR (OLD 084-32900-20) | ||||
| 194 | 6686645 | 10.40 | 12.58 | |
| AIR VENT SPONGE (OLD 567-01700-20) | ||||
| 195 | 6691400 | 1.15 | 1.39 | |
| OIL PUMP ASS'Y (OLD 144-32902-90/6686678/6686652/6 | ||||
| 196 | 6687324 | 10.56 | 12.78 | |
| OIL ADJUST GROMMET (OLD 488-32710-21/6690955) | ||||
| 197 | 6690956 | 1.15 | 1.39 | |
| OIL PUMP ADJUSTER (OLD 501-32710-21) | ||||
| 198 | 6691070 | 1.15 | 1.39 | |
| O-RING P-6 (OLD 6695663) | ||||
| 199 | 6697917 | 1.04 | 1.26 | |
| Oil Pump Case Set, Spare (old 088-3277a-91/6686677 | ||||
| 200 | 6686681 | 9.74 | 11.78 | |
| O-RING P-6 (OLD 6695663) | ||||
| 201 | 6697917 | 1.04 | 1.26 | |
| TAPSCHROEF D5X14 | ||||
| 202 | 6685275 | 1.15 | 1.39 | |
| FUEL PIPE (OLD 700-07105-02) | ||||
| 203 | 6685154 | 1.15 | 1.39 | |
| CHAIN CATCHER (OLD 125-32710-20) | ||||
| 204 | 6685155 | 1.15 | 1.39 | |
| TAPSCHROEF D4.5X14 | ||||
| 205 | 6685152 | 1.15 | 1.39 | |
| NUT (OLD 121-32530-20) | ||||
| 221 | 6685166 | 2.31 | 2.80 | |
| CHAIN BAR CLAMP NUT (OLD 121-32600-20) | ||||
| 221A | 6687105 | 1.15 | 1.39 | |
| CLUTCH COMP. (OLD 6688559/6685362) | ||||
| 222 | 6685142 | 14.38 | 17.39 | |
| NEEDLE BEARING (OLD 999-62101-301) | ||||
| 223 | 6685143 | 4.45 | 5.38 | |
| CLUTCH HOUSING COMP.3/8 (OLD 310-32900-20) | ||||
| 224 | 6689013 | 14.19 | 17.17 | |
| RING | ||||
| 225 | 6685145 | 2.31 | 2.80 | |
| TAPSCHROEF D4X10 | ||||
| 226 | 6685161 | 1.15 | 1.39 | |
| PLATE (OLD 466-32710-21 & 6690789) | ||||
| 227 | 6690790 | 2.31 | 2.80 | |
| GUIDE PLATE A (OLD 6690733) | ||||
| 227A | 6697599 | 2.80 | 3.39 | |
| CRANK SHAFT COLLAR (OLD 511-32900-20) | ||||
| 228 | 6685146 | 2.31 | 2.80 | |
| TAPSCHROEF D4X10 | ||||
| 229 | 6685161 | 1.15 | 1.39 | |
| SCREW 2.6X5 (OLD 993-30026-050) | ||||
| 232 | 6695269 | 1.15 | 1.39 | |
| CHAIN PULLER | ||||
| 234B | 6698986 | 13.35 | 16.15 | |
| GEAR (A) (OLD 301-72000-20) | ||||
| 235 | 6685168 | 2.31 | 2.80 | |
| GUIDE PLATE B (OLD 462-32911-21/6690755) | ||||
| 237 | 6690756 | 2.31 | 2.80 | |
| SIDE CASE COMP. (OLD 6686104) | ||||
| 244 | 6698015 | 9.24 | 11.18 | |
| TENSION ADJUSTMENT BOLT ASSY (OLD 116-32735-90) | ||||
| 247 | 6687072 | 3.30 | 3.99 | |
| NYLON LOCK NUT 4 (OLD 991-78040-010) | ||||
| 261 | 6695163 | 1.15 | 1.39 | |
| TAPSCHROEF D5X40 | ||||
| 262 | 6695108 | 1.15 | 1.39 | |
| DAMPER COLLAR A (OLD 275-32710-20) NEW | ||||
| 263 | 6688480 | 1.15 | 1.39 | |
| DAMPER A (OLD 219-32750-20) | ||||
| 264 | 6688117 | 1.15 | 1.39 | |
| REAR HANDLE B COMP. (OLD 011-32900-80) | ||||
| 266 | 6685645 | 5.61 | 6.79 | |
| PUSH PIN CAP (OLD 725-32161-20) | ||||
| 267 | 6692680 | 1.15 | 1.39 | |
| STOPPER SPRING (OLD 066-32300-20) | ||||
| 268 | 6686447 | 1.15 | 1.39 | |
| PUSH PIN (OLD 064-32530-20) | ||||
| 269 | 6686430 | 1.15 | 1.39 | |
| SAFETY LEVER (OLD 257-32910-20) | ||||
| 270 | 6688363 | 1.15 | 1.39 | |
| THROTTLE LEVER (OLD 060-32910-20) | ||||
| 271 | 6686392 | 1.15 | 1.39 | |
| Throttle Lever Spring (old 061-32710-20) | ||||
| 272 | 6686416 | 2.31 | 2.80 | |
| REAR HANDLE (OLD 010-32900-20) | ||||
| 273 | 6685620 | 7.59 | 9.18 | |
| TAPSCHROEF D5X35 | ||||
| 274 | 6695107 | 1.15 | 1.39 | |
| TAPSCHROEF D4X15 | ||||
| 275 | 6685148 | 1.15 | 1.39 | |
| FRONT HANDLE (OLD 209-32946-20/6688076) | ||||
| 276 | 6688083 | 6.28 | 7.59 | |
| DAMPER B (OLD 266-32750-20) | ||||
| 277 | 6688412 | 1.15 | 1.39 | |
| DAMPER COLLAR B (OLD 276-32710-20) | ||||
| 278 | 6688485 | 1.15 | 1.39 | |
| TAPSCHROEF D5X35 | ||||
| 279 | 6695107 | 1.15 | 1.39 | |
| Niet meer leverbaar, geen vervanging | ||||
| 280 | 6694879 | |||
| RING | ||||
| 281 | 6695211 | 1.15 | 1.39 | |
| RING | ||||
| 282 | 6685070 | 1.15 | 1.39 | |
| FRONT HAND GUARD COMP. (OLD 805-32710-80) | ||||
| 283 | 6693461 | 6.28 | 7.59 | |
| COMBI BOX SPANNER 10/19MM (OLD 013-29323-50/668566 | ||||
| 501 | 6685257 | 3.30 | 3.99 | |
| COMBI BOX SPANNER 13X19 MINUS (OLD 883-32600-20/66 | ||||
| 501A | 6693809 | 4.45 | 5.38 | |
| KETTINGBESCHERMER 14" | ||||
| 502 | 6685256 | 6.44 | 7.79 | |
| Geen informatie beschikbaar, niet bestelbaar | ||||
| 503A | 6685401 | |||
| Geen informatie beschikbaar, niet bestelbaar | ||||
| 510 | 6685159 | |||
| Geen informatie beschikbaar, niet bestelbaar | ||||
| 511 | 6685160 | |||
| Geen informatie beschikbaar, niet bestelbaar | ||||
| 512 | 6686854 | |||
| Geen informatie beschikbaar, niet bestelbaar | ||||
| 513 | 6697852 | |||
| Geen informatie beschikbaar, niet bestelbaar | ||||
| 514 | 6697854 | |||
| Geen informatie beschikbaar, niet bestelbaar | ||||
| 515 | 6697889 | |||
| Geen informatie beschikbaar, niet bestelbaar | ||||
| 601 | 6699529 | |||