Hier vindt u alle beschikbare onderdelen en tekeningen van de 'Hikoki G13YG'. Vanaf hier kunt u direct alle gewenste onderdelen bestellen. Vele onderdelen moeten bij de fabrikant besteld worden, dit duurt afhankelijk van het merk, één tot vier weken. Alle informatie die we hebben, staat op onze website, wij kunnen u geen advies geven over wat u nodig heeft, daarvoor zult u de machine ter reparatie in moeten leveren. Let bij het bestellen op het volgende:
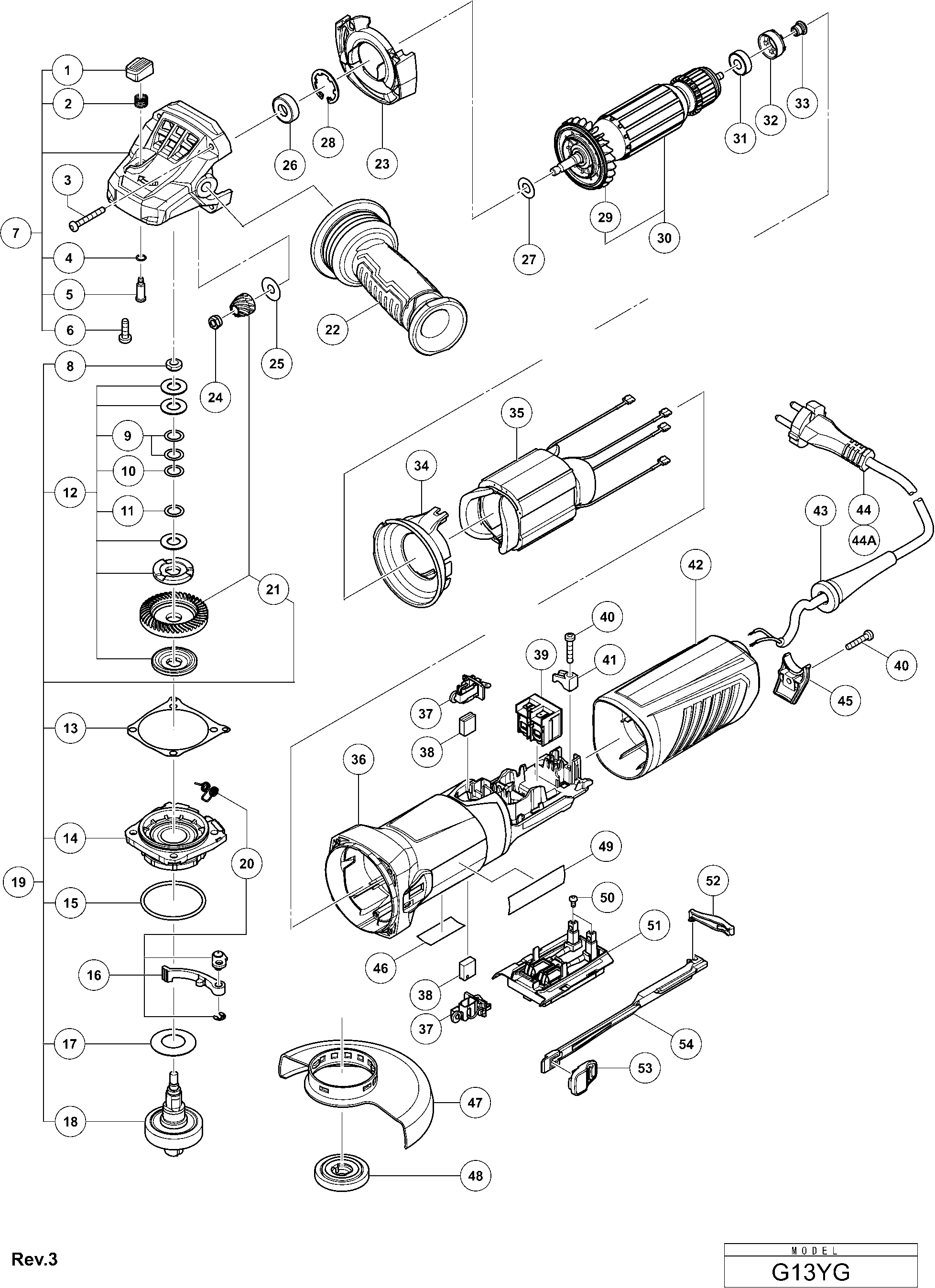
Tekeningen van de Hikoki G13YG
Onderdelen lijst van de Hikoki G13YG
| Pos. | Omschrijving | Prijs excl. BTW | Prijs incl. BTW | |
| Getoonde prijzen zijn inclusief btw | ||||
| DRUKKNOP | ||||
| 1 | 372945 | 1.04 | 1.26 | |
| SPRING (A) | ||||
| 2 | 372944 | 1.04 | 1.26 | |
| D4 TORX TAPPING SCREW | ||||
| 3 | 372921 | 1.04 | 1.26 | |
| O RING (A) | ||||
| 4 | 372943 | 1.04 | 1.26 | |
| LOCK PIN | ||||
| 5 | 372946 | 5.10 | 6.17 | |
| D5 TORX SCREW | ||||
| 6 | 372919 | 1.04 | 1.26 | |
| GEAR COVER ASS'Y | ||||
| 7 | 372932 | 23.38 | 28.28 | |
| D7 MOER | ||||
| 8 | 372928 | 1.20 | 1.45 | |
| RING 10.2X14.8X0.2 | ||||
| 9 | 372924 | 1.04 | 1.26 | |
| RING 10.2X14.8X0.1 | ||||
| 10 | 372925 | 1.04 | 1.26 | |
| RING 10.2X14.8X0.5 | ||||
| 11 | 372926 | 1.04 | 1.26 | |
| FRICTION WASHER ASS'Y | ||||
| 12 | 372931 | 7.95 | 9.62 | |
| PAKKING | ||||
| 13 | 372918 | 1.04 | 1.26 | |
| PACKING GLAND ASS'Y | ||||
| 14 | 372927 | 5.55 | 6.72 | |
| O RING (B) | ||||
| 15 | 372959 | 1.04 | 1.26 | |
| LEVER SET | ||||
| 16 | 372941 | 5.70 | 6.90 | |
| RING | ||||
| 17 | 372949 | 1.04 | 1.26 | |
| SPINDLE ASS'Y | ||||
| 18 | 372923 | 33.00 | 39.93 | |
| GEAR SPINDLE SET | ||||
| 19 | 372934 | 62.01 | 75.04 | |
| SPRING CLIP | ||||
| 20 | 372916 | 1.04 | 1.26 | |
| BEVEL GEAR PINION SET | ||||
| 21 | 372929 | 9.90 | 11.98 | |
| Geen informatie beschikbaar, niet bestelbaar | ||||
| 22 | 336865 | |||
| BAFFLE | ||||
| 23 | 372901 | 1.04 | 1.26 | |
| D6 MOER | ||||
| 24 | 372909 | 1.04 | 1.26 | |
| RING 7.05X19.5X0.2 | ||||
| 25 | 372908 | 1.04 | 1.26 | |
| KOGELLAGER 8X22X7 608LHV | ||||
| 26 | 372907 | 1.65 | 2.00 | |
| RING 8.05X17X0.4 | ||||
| 27 | 372906 | 1.04 | 1.26 | |
| RETAINING RING | ||||
| 28 | 372942 | 1.04 | 1.26 | |
| WAAIER | ||||
| 29 | 372938 | 2.10 | 2.54 | |
| ARMATURE ASS'Y | ||||
| 30 | 372888 | 35.89 | 43.42 | |
| KOGELLAGER 6X19X6 | ||||
| 31 | 372904 | 1.65 | 2.00 | |
| RUBBER BUSHING | ||||
| 32 | 372905 | 1.04 | 1.26 | |
| MAGNEET | ||||
| 33 | 372947 | 1.50 | 1.82 | |
| FAN GUIDE | ||||
| 34 | 372900 | 1.04 | 1.26 | |
| STATOR ASS'Y | ||||
| 35 | 372890 | 23.10 | 27.95 | |
| BEHUIZING | ||||
| 36 | 372898 | 11.85 | 14.34 | |
| KOOLBORSTELHOUDER + KOOLBORSTEL | ||||
| 37 | 372936 | 4.05 | 4.90 | |
| KOOLBORSTELSET | ||||
| 38 | 372939 | 6.90 | 8.35 | |
| SWITCH | ||||
| 39 | 372892 | 5.55 | 6.72 | |
| TAPSCHROEF TORX ST4.2X22 | ||||
| 40 | 371270 | 1.04 | 1.26 | |
| KABELCLIP | ||||
| 41 | 371271 | 1.04 | 1.26 | |
| TAIL COVER | ||||
| 42 | 372911 | 6.00 | 7.26 | |
| KABELTULE | ||||
| 43 | 372894 | 1.04 | 1.26 | |
| AANSLUITSNOER (EUR) | ||||
| 44 | 372895 | 8.70 | 10.53 | |
| Geen informatie beschikbaar, niet bestelbaar | ||||
| 44A | 500503Z | |||
| END CAP | ||||
| 45 | 372912 | 1.04 | 1.26 | |
| WHEEL GUARD | ||||
| 47 | 372915 | 5.70 | 6.90 | |
| WHEEL NUT | ||||
| 48 | 372702 | 4.05 | 4.90 | |
| D3 TORX SCHROEF | ||||
| 50 | 372917 | 1.04 | 1.26 | |
| CONTROLLER | ||||
| 51 | 372902 | 26.81 | 32.44 | |
| PIVOTING BAR | ||||
| 52 | 372948 | 1.04 | 1.26 | |
| SLIDE SWITCH KNOB | ||||
| 53 | 372914 | 1.04 | 1.26 | |
| TREKSTANG | ||||
| 54 | 372910 | 3.75 | 4.54 | |
| CUTTING GUARD CLIP | ||||
| 601 | 372701 | 3.60 | 4.36 | |
| Geen informatie beschikbaar, niet bestelbaar | ||||
| 602 | 372960 | |||
| VET | ||||
| 603 | 371300 | 14.10 | 17.06 | |