Hier vindt u alle beschikbare onderdelen en tekeningen van de 'Hikoki G18DBVL'. Vanaf hier kunt u direct alle gewenste onderdelen bestellen. Vele onderdelen moeten bij de fabrikant besteld worden, dit duurt afhankelijk van het merk, één tot vier weken. Alle informatie die we hebben, staat op onze website, wij kunnen u geen advies geven over wat u nodig heeft, daarvoor zult u de machine ter reparatie in moeten leveren. Let bij het bestellen op het volgende:
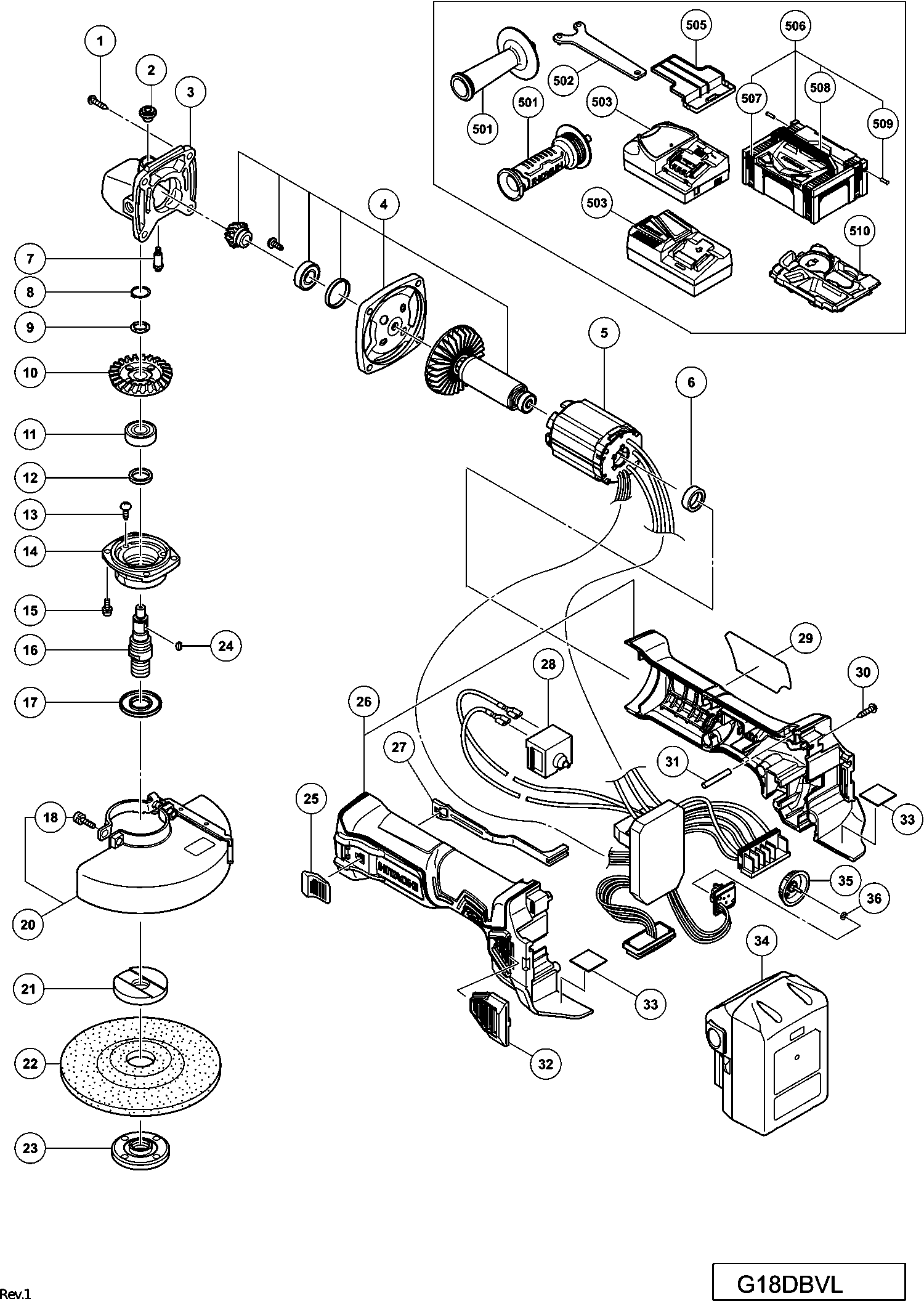
Tekeningen van de Hikoki G18DBVL
Onderdelen lijst van de Hikoki G18DBVL
| Pos. | Omschrijving | Prijs excl. BTW | Prijs incl. BTW | |
| Getoonde prijzen zijn inclusief btw | ||||
| ZIJHANDGREEP M10 | ||||
| *501 | 318312 | 7.50 | 9.08 | |
| TAPSCHROEF D4X23 MET RING ZWART | ||||
| 1 | 328643 | 1.05 | 1.27 | |
| SPINDELBLOKKEERINGSKNOP | ||||
| 2 | 301944 | 1.04 | 1.26 | |
| TANDWIELHUIS | ||||
| 3 | 339183 | 14.99 | 18.13 | |
| ROTOR INNER COVER SET | ||||
| 4 | 360991 | 125.68 | 152.07 | |
| ROTOR INNER COVER SET | ||||
| 4A | 360991 | 125.68 | 152.07 | |
| BEDRADING+VELD | ||||
| 5 | 337876 | 249.84 | 302.30 | |
| BUSHING | ||||
| 6 | 338867 | 1.80 | 2.18 | |
| PIN VOOR SPINDELBLOKKEERING | ||||
| 7 | 301943 | 1.65 | 2.00 | |
| RING D11 | ||||
| 8 | 316487 | 1.65 | 2.00 | |
| RING | ||||
| 9 | 316486 | 1.65 | 2.00 | |
| TANDWIEL | ||||
| 10 | 328364 | 11.70 | 14.16 | |
| KOGELLAGER 6001VVCMPS2L | ||||
| 11 | 6001VV | 6.60 | 7.99 | |
| VILT PAKKING | ||||
| 12 | 301946 | 1.04 | 1.26 | |
| Geen informatie beschikbaar, niet bestelbaar | ||||
| 13 | 301936 | |||
| SCHROEF HD M4X10 SEAL LOCK | ||||
| 13A | 314430 | 1.05 | 1.27 | |
| TANDWIELHUISDEKSEL | ||||
| 14 | 328198 | 3.15 | 3.81 | |
| SEAL LOCK SCHROEF M4X12 | ||||
| 15 | 307127 | 1.05 | 1.27 | |
| AS M14 | ||||
| 16 | 328359 | 4.20 | 5.08 | |
| FRINGER | ||||
| 17 | 301945 | 1.05 | 1.27 | |
| SCHROEF M5 | ||||
| 18 | 338868 | 1.04 | 1.26 | |
| SNELSPAN BESCHERMKAP 125MM | ||||
| 20 | 333840 | 6.15 | 7.44 | |
| Geen informatie beschikbaar, niet bestelbaar | ||||
| 21 | 937817Z | |||
| Geen informatie beschikbaar, niet bestelbaar | ||||
| 21A | 376067 | |||
| Geen informatie beschikbaar, niet bestelbaar | ||||
| 22 | 316822 | |||
| Niet meer leverbaar, geen vervanging | ||||
| 23A | 339580 | |||
| Geen informatie beschikbaar, niet bestelbaar | ||||
| 23B | 339579 | |||
| INLEGSPIE | ||||
| 24 | 302047 | 1.05 | 1.27 | |
| SCHAKELAARSCHUIF | ||||
| 25 | 314428 | 1.04 | 1.26 | |
| Niet meer leverbaar, geen vervanging | ||||
| 26 | 338863 | |||
| BEHUIZING (A+B) GROEN (OUD 338863) | ||||
| 26A | 373735 | 26.54 | 32.11 | |
| BEHUIZING (A+B) GROEN (OUD 338863) | ||||
| 26C | 373735 | 26.54 | 32.11 | |
| TREKSTANG | ||||
| 27 | 337871 | 1.04 | 1.26 | |
| Niet meer leverbaar, geen vervanging | ||||
| 28 | 329057 | |||
| SCHAKELAAR | ||||
| 28A | 373565 | 4.65 | 5.63 | |
| TAPSCHROEF D4X20 MET RING ZWART (OUD 305095) | ||||
| 30 | 301653 | 1.04 | 1.26 | |
| PIN | ||||
| 31 | 338869 | 1.04 | 1.26 | |
| FILTER | ||||
| 32 | 338870 | 1.05 | 1.27 | |
| RUBBER CUSHION (B) | ||||
| 33 | 338871 | 1.04 | 1.26 | |
| Geen informatie beschikbaar, niet bestelbaar | ||||
| 34 | 336385 | |||
| DIAL | ||||
| 35 | 337875 | 2.85 | 3.45 | |
| O-RING (I.D. 2.8) | ||||
| 36 | 338981 | 1.04 | 1.26 | |
| PINION | ||||
| 39 | 371811 | 4.65 | 5.63 | |
| SLOTTED HD. SCREW M4 SEAL LOCK | ||||
| 40 | 371814 | 1.04 | 1.26 | |
| KOGELLAGER 6900VVCM | ||||
| 41 | 371033 | 3.15 | 3.81 | |
| RUBBER RING (A) | ||||
| 42 | 328453 | 1.80 | 2.18 | |
| INNER COVER | ||||
| 43 | 371816 | 7.50 | 9.08 | |
| KOGELLAGER 625DD | ||||
| 44 | 333826 | 5.10 | 6.17 | |
| DISTANCE RING (A) | ||||
| 45 | 371927 | 1.04 | 1.26 | |
| ZIJHANDGREEP M10 | ||||
| 501 | 318312 | 7.50 | 9.08 | |
| Geen informatie beschikbaar, niet bestelbaar | ||||
| 502 | 938332Z | |||
| BESCHERMKAPJE VOOR BATTERIJ | ||||
| 505 | 329897 | 1.80 | 2.18 | |
| Geen informatie beschikbaar, niet bestelbaar | ||||
| 506 | 336471 | |||
| Geen informatie beschikbaar, niet bestelbaar | ||||
| 507 | 336472 | |||
| Geen informatie beschikbaar, niet bestelbaar | ||||
| 508 | 336473 | |||
| Geen informatie beschikbaar, niet bestelbaar | ||||
| 509 | 336474 | |||
| Geen informatie beschikbaar, niet bestelbaar | ||||
| 510 | 338872 | |||
| Geen informatie beschikbaar, niet bestelbaar | ||||
| 601 | 937826Z | |||
| Geen informatie beschikbaar, niet bestelbaar | ||||
| 602 | 937825Z | |||
| Geen informatie beschikbaar, niet bestelbaar | ||||
| 603 | 314064 | |||
| Geen informatie beschikbaar, niet bestelbaar | ||||
| 604 | 314065 | |||
| Geen informatie beschikbaar, niet bestelbaar | ||||
| 605 | 314068 | |||
| Geen informatie beschikbaar, niet bestelbaar | ||||
| 606 | 314070 | |||
| Geen informatie beschikbaar, niet bestelbaar | ||||
| 607 | 314072 | |||
| Geen informatie beschikbaar, niet bestelbaar | ||||
| 608 | 314062 | |||
| Geen informatie beschikbaar, niet bestelbaar | ||||
| 609 | 314063 | |||
| Geen informatie beschikbaar, niet bestelbaar | ||||
| 610 | 314066 | |||
| Geen informatie beschikbaar, niet bestelbaar | ||||
| 611 | 314067 | |||
| Geen informatie beschikbaar, niet bestelbaar | ||||
| 612 | 314069 | |||
| Geen informatie beschikbaar, niet bestelbaar | ||||
| 613 | 314071 | |||
| Geen informatie beschikbaar, niet bestelbaar | ||||
| 614 | 332788 | |||
| Geen informatie beschikbaar, niet bestelbaar | ||||
| 615 | 332787 | |||
| RING | ||||
| 616 | 339151 | 3.90 | 4.72 | |
| Geen informatie beschikbaar, niet bestelbaar | ||||
| 617 | 338497 | |||