Hier vindt u alle beschikbare onderdelen en tekeningen van de 'Hikoki JP20'. Vanaf hier kunt u direct alle gewenste onderdelen bestellen. Vele onderdelen moeten bij de fabrikant besteld worden, dit duurt afhankelijk van het merk, één tot vier weken. Alle informatie die we hebben, staat op onze website, wij kunnen u geen advies geven over wat u nodig heeft, daarvoor zult u de machine ter reparatie in moeten leveren. Let bij het bestellen op het volgende:
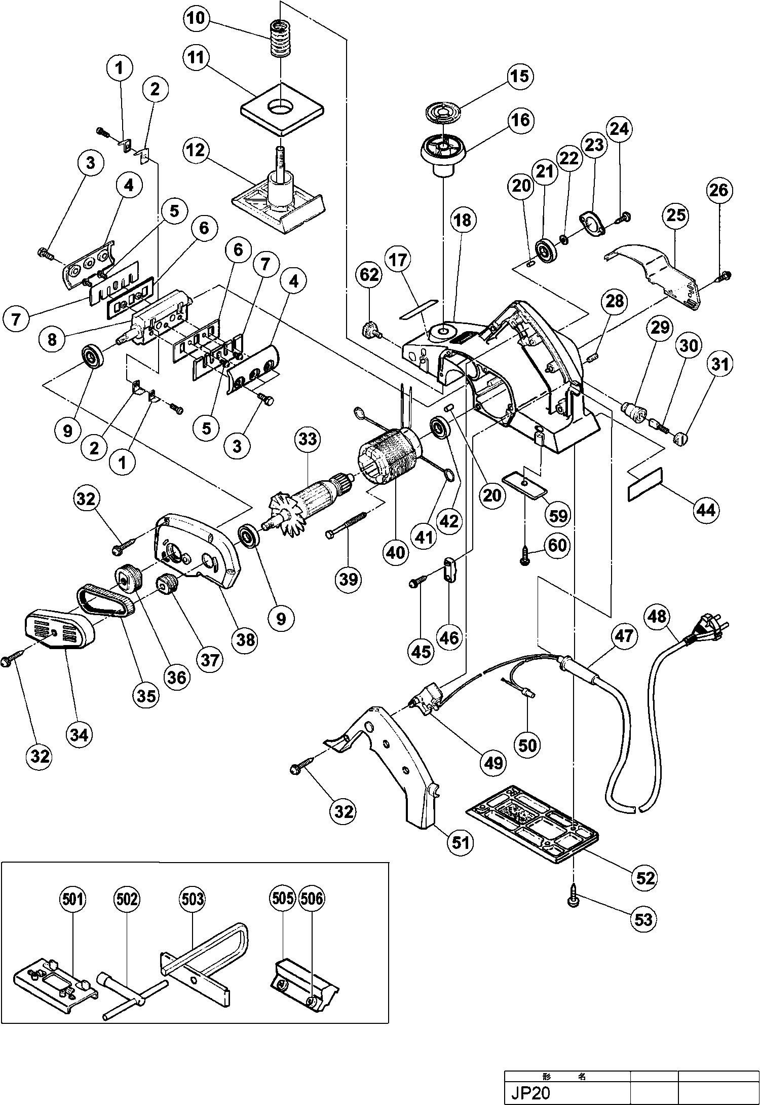
Tekeningen van de Hikoki JP20
Onderdelen lijst van de Hikoki JP20
| Pos. | Omschrijving | Prijs excl. BTW | Prijs incl. BTW | |
| Getoonde prijzen zijn inclusief btw | ||||
| Geen informatie beschikbaar, niet bestelbaar | ||||
| 1 | 400237 | |||
| Geen informatie beschikbaar, niet bestelbaar | ||||
| 2 | 958732Z | |||
| Geen informatie beschikbaar, niet bestelbaar | ||||
| 3 | 990669 | |||
| BOLT M6 | ||||
| 3A | 336574 | 1.04 | 1.26 | |
| Geen informatie beschikbaar, niet bestelbaar | ||||
| 4 | 400234 | |||
| MACHINESCHROEF M4X8 | ||||
| 5 | 986723 | 1.05 | 1.27 | |
| Geen informatie beschikbaar, niet bestelbaar | ||||
| 6 | 400251 | |||
| Geen informatie beschikbaar, niet bestelbaar | ||||
| 7 | 400235 | |||
| Geen informatie beschikbaar, niet bestelbaar | ||||
| 8 | 400236 | |||
| KOGELLAGER 6200VVCMPS2S | ||||
| 9 | 6200VV | 6.15 | 7.44 | |
| Geen informatie beschikbaar, niet bestelbaar | ||||
| 10 | 400240 | |||
| Geen informatie beschikbaar, niet bestelbaar | ||||
| 11 | 400239 | |||
| Geen informatie beschikbaar, niet bestelbaar | ||||
| 12 | 400238 | |||
| Geen informatie beschikbaar, niet bestelbaar | ||||
| 16 | 400224 | |||
| Geen informatie beschikbaar, niet bestelbaar | ||||
| 18 | 400223 | |||
| RUBBEREN PEN | ||||
| 20 | 931701 | 1.05 | 1.27 | |
| KOGELLAGER 6000VCMPS2S | ||||
| 21 | 6000VV | 6.15 | 7.44 | |
| DRUKRING | ||||
| 22 | 945153 | 1.00 | 1.21 | |
| Geen informatie beschikbaar, niet bestelbaar | ||||
| 23 | 400225 | |||
| TAPSCHROEF D4X12 | ||||
| 24 | 954017 | 1.04 | 1.26 | |
| Geen informatie beschikbaar, niet bestelbaar | ||||
| 25 | 400226 | |||
| Geen informatie beschikbaar, niet bestelbaar | ||||
| 26 | 930446 | |||
| Geen informatie beschikbaar, niet bestelbaar | ||||
| 28 | 400255 | |||
| Geen informatie beschikbaar, niet bestelbaar | ||||
| 29 | 400249 | |||
| Niet meer leverbaar, geen vervanging | ||||
| 30 | 999021 | |||
| KOOLBORSTELDOP | ||||
| 31 | 931266 | 1.04 | 1.26 | |
| Geen informatie beschikbaar, niet bestelbaar | ||||
| 32 | 956636 | |||
| Geen informatie beschikbaar, niet bestelbaar | ||||
| 33 | 400221 | |||
| Geen informatie beschikbaar, niet bestelbaar | ||||
| 34 | 400233 | |||
| V-SNAAR | ||||
| 35 | 958718 | 9.30 | 11.25 | |
| Geen informatie beschikbaar, niet bestelbaar | ||||
| 36 | 400232 | |||
| Geen informatie beschikbaar, niet bestelbaar | ||||
| 37 | 400231 | |||
| Geen informatie beschikbaar, niet bestelbaar | ||||
| 38 | 400230 | |||
| TAPSCHROEF HEX.HD.D4X60 | ||||
| 39 | 960108 | 1.04 | 1.26 | |
| Geen informatie beschikbaar, niet bestelbaar | ||||
| 40 | 400222 | |||
| CONTACTPUNT KOOLBORSTELHOUDER | ||||
| 41 | 930630 | 1.35 | 1.63 | |
| KOGELLAGER 608VVMC2EPS2L | ||||
| 42 | 608VVM | 5.70 | 6.90 | |
| Geen informatie beschikbaar, niet bestelbaar | ||||
| 45 | 984750 | |||
| KLEMSTRIP (OLD 994566) | ||||
| 46 | 937631 | 1.04 | 1.26 | |
| SNOERTULE D8.2 | ||||
| 47 | 930487 | 2.25 | 2.72 | |
| Geen informatie beschikbaar, niet bestelbaar | ||||
| 48 | 500234Z | |||
| Geen informatie beschikbaar, niet bestelbaar | ||||
| 49 | 400005 | |||
| LASDOP 50091 (10 STUKS) | ||||
| 50 | 959140 | 3.30 | 3.99 | |
| Geen informatie beschikbaar, niet bestelbaar | ||||
| 51 | 400227 | |||
| Geen informatie beschikbaar, niet bestelbaar | ||||
| 52 | 400229 | |||
| TAPSCHROEF D4X16 | ||||
| 53 | 954004 | 1.04 | 1.26 | |
| Geen informatie beschikbaar, niet bestelbaar | ||||
| 59 | 400250 | |||
| TAPSCHROEF D4X12 | ||||
| 60 | 982034 | 1.04 | 1.26 | |
| SCHROEF | ||||
| 62 | 940650 | 1.05 | 1.27 | |
| Geen informatie beschikbaar, niet bestelbaar | ||||
| 501 | 400252 | |||
| Geen informatie beschikbaar, niet bestelbaar | ||||
| 502 | 940543 | |||
| Geen informatie beschikbaar, niet bestelbaar | ||||
| 503 | 400253 | |||
| Geen informatie beschikbaar, niet bestelbaar | ||||
| 505 | 400254 | |||
| Geen informatie beschikbaar, niet bestelbaar | ||||
| 506 | 940654 | |||