Hier vindt u alle beschikbare onderdelen en tekeningen van de 'Hikoki NR90GC2'. Vanaf hier kunt u direct alle gewenste onderdelen bestellen. Vele onderdelen moeten bij de fabrikant besteld worden, dit duurt afhankelijk van het merk, één tot vier weken. Alle informatie die we hebben, staat op onze website, wij kunnen u geen advies geven over wat u nodig heeft, daarvoor zult u de machine ter reparatie in moeten leveren. Let bij het bestellen op het volgende:
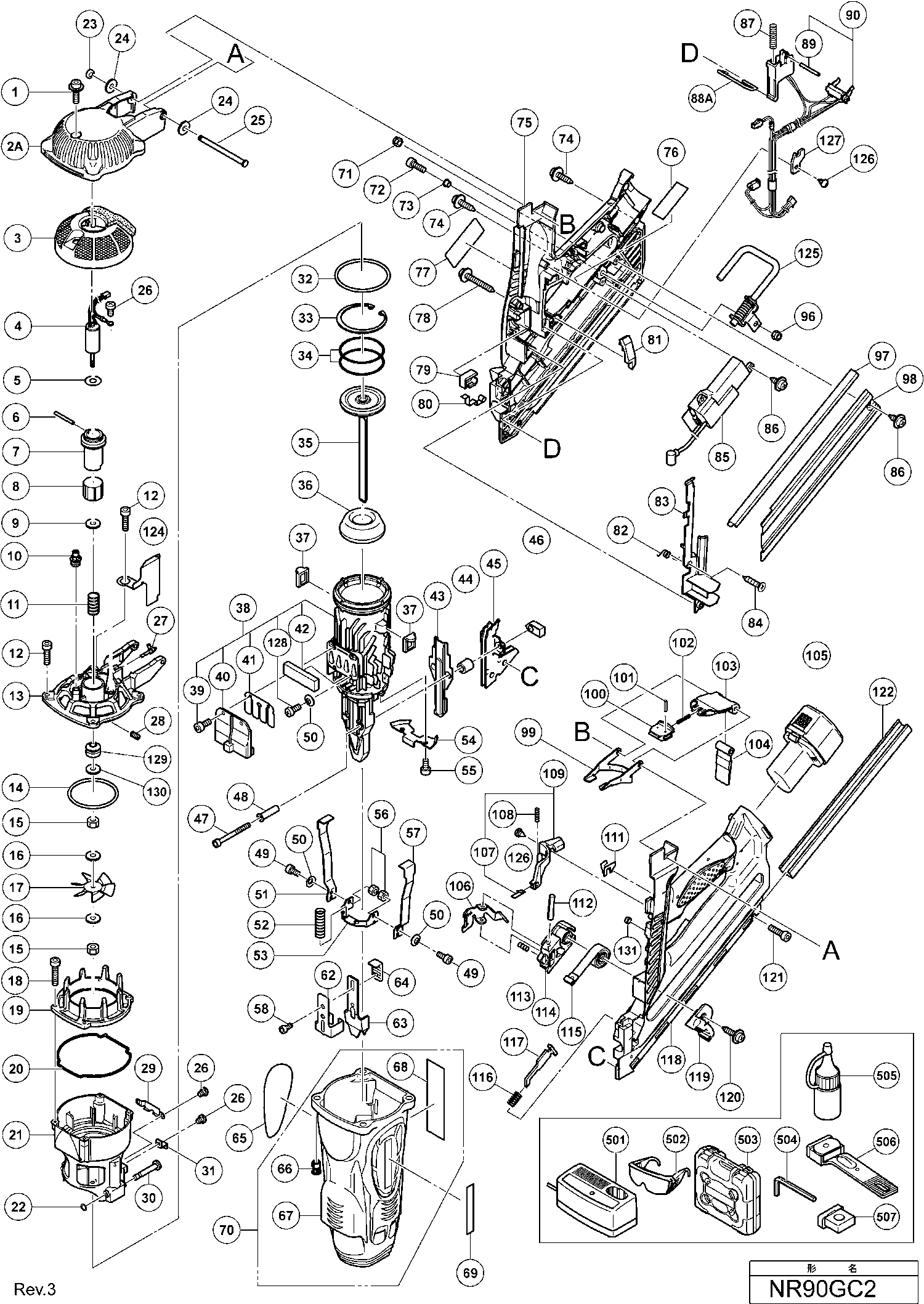
Tekeningen van de Hikoki NR90GC2
Onderdelen lijst van de Hikoki NR90GC2
| Pos. | Omschrijving | Prijs excl. BTW | Prijs incl. BTW | |
| Getoonde prijzen zijn inclusief btw | ||||
| Geen informatie beschikbaar, niet bestelbaar | ||||
| *105 | 325292 | |||
| Geen informatie beschikbaar, niet bestelbaar | ||||
| *601 | 885246 | |||
| BOUT | ||||
| 1 | 996399 | 1.04 | 1.26 | |
| TOP COVER (OLD 886142) | ||||
| 2A | 886598 | 9.45 | 11.43 | |
| FILTER SET | ||||
| 3 | 886129 | 32.18 | 38.93 | |
| Geen informatie beschikbaar, niet bestelbaar | ||||
| 4 | 885309 | |||
| MOTOR (OUD 885309) | ||||
| 4A | 887735 | 99.28 | 120.12 | |
| RUBBER RING | ||||
| 5 | 885313 | 1.50 | 1.82 | |
| ROL PIN D2.5X25 | ||||
| 6 | 885318 | 1.50 | 1.82 | |
| MOTOR HOUDER | ||||
| 7 | 885310 | 7.05 | 8.53 | |
| HULS | ||||
| 8 | 885314 | 1.65 | 2.00 | |
| RING | ||||
| 9 | 885320 | 1.50 | 1.82 | |
| BOUGIE | ||||
| 10 | 885333 | 3.30 | 3.99 | |
| MOTOR VEER | ||||
| 11 | 885319 | 1.50 | 1.82 | |
| BOUT HD M5X20 (10 STUKS) | ||||
| 12 | 949757 | 3.00 | 3.63 | |
| CYLINDER DEKSEL | ||||
| 13 | 885308 | 32.18 | 38.93 | |
| O-RING (I.D 59.92) | ||||
| 14 | 885316 | 4.80 | 5.81 | |
| MOER M4 ( 10 STUKS ) | ||||
| 15 | 949554 | 1.05 | 1.27 | |
| RING M4 (10 STUKS) | ||||
| 16 | 949423 | 1.05 | 1.27 | |
| WAAIER | ||||
| 17 | 885311 | 4.80 | 5.81 | |
| INBUSBOUT M4X16 | ||||
| 18 | 949754 | 2.40 | 2.90 | |
| CHAMBER HEAD | ||||
| 19 | 885294 | 13.89 | 16.80 | |
| PAKKING (B) | ||||
| 20 | 886133 | 1.80 | 2.18 | |
| Geen informatie beschikbaar, niet bestelbaar | ||||
| 21 | 885296 | |||
| O-RING | ||||
| 22 | 878607 | 1.05 | 1.27 | |
| RING VOOR SCHACHT | ||||
| 23 | 880319 | 1.65 | 2.00 | |
| RING M5 ( OUD 949431Z , 10 ST ) | ||||
| 24 | 949431 | 1.04 | 1.26 | |
| SCHACHTPIN | ||||
| 25 | 885277 | 3.00 | 3.63 | |
| MACHINESCHROEF M4X6 (10 STUKS) | ||||
| 26 | 949214 | 1.05 | 1.27 | |
| Geen informatie beschikbaar, niet bestelbaar | ||||
| 27 | 885317 | |||
| ADAPTER (OLD 885317) | ||||
| 27A | 886313 | 1.05 | 1.27 | |
| INBUSSTELSCHROEF M4 X 5 | ||||
| 28 | 961681 | 1.04 | 1.26 | |
| VASTZETPLAATJE | ||||
| 29 | 885297 | 3.30 | 3.99 | |
| PIN (A) | ||||
| 30 | 886484 | 1.65 | 2.00 | |
| SCHAKELPLAAT | ||||
| 31 | 885306 | 1.65 | 2.00 | |
| O-RING (I.D 66.27) | ||||
| 32 | 885283 | 6.45 | 7.80 | |
| VEERRING | ||||
| 33 | 885285 | 1.65 | 2.00 | |
| ZUIGERRING | ||||
| 34 | 885286 | 10.20 | 12.34 | |
| SLAGPEN | ||||
| 35 | 885291 | 81.68 | 98.83 | |
| SLAGPEN BUMPER | ||||
| 36 | 885289 | 8.40 | 10.16 | |
| RUBBER (OUD 885790) | ||||
| 37 | 885284 | 1.80 | 2.18 | |
| CILINDER ASS'Y | ||||
| 38 | 885361 | 110.83 | 134.10 | |
| BOUT ( 10 STUKS ) | ||||
| 39 | 949812 | 2.40 | 2.90 | |
| BUFFER COVER | ||||
| 40 | 886467 | 1.80 | 2.18 | |
| LEAD VALVE | ||||
| 41 | 885290 | 1.65 | 2.00 | |
| MUFFLER | ||||
| 42 | 885288 | 13.50 | 16.34 | |
| GELEIDER | ||||
| 43 | 885355 | 4.35 | 5.26 | |
| BORGBUS | ||||
| 44 | 885270 | 1.65 | 2.00 | |
| PLAAT | ||||
| 45 | 885326 | 15.81 | 19.13 | |
| SPECIALE MOER M5 | ||||
| 46 | 886544 | 7.50 | 9.08 | |
| INBUSBOUT HD M5X50 | ||||
| 47 | 886545 | 1.80 | 2.18 | |
| BORGBUS | ||||
| 48 | 885269 | 1.65 | 2.00 | |
| SEAL LOCK HD. INBUSBOUT M4X10 | ||||
| 49 | 886241 | 1.65 | 2.00 | |
| Geen informatie beschikbaar, niet bestelbaar | ||||
| 50 | 886242 | |||
| VEER H8 | ||||
| 50A | 886319 | 1.05 | 1.27 | |
| PUSHING LEVER ARM (C) | ||||
| 51 | 886546 | 5.10 | 6.17 | |
| PUSHING LEVER SPRING | ||||
| 52 | 886245 | 1.65 | 2.00 | |
| PUSHING LEVER CONNECTOR | ||||
| 53 | 885301 | 4.35 | 5.26 | |
| CYLINDER PLATE | ||||
| 54 | 885299 | 4.80 | 5.81 | |
| Geen informatie beschikbaar, niet bestelbaar | ||||
| 55 | 980046 | |||
| U-NUT M4 | ||||
| 56 | 956329 | 1.05 | 1.27 | |
| PUSHING LEVER ARM (D) | ||||
| 57 | 886547 | 5.10 | 6.17 | |
| BOUT M5X10 (OUD 956634,10 STUKS) | ||||
| 58 | 949819 | 2.55 | 3.09 | |
| STOPPER | ||||
| 62 | 886128 | 6.45 | 7.80 | |
| PUSHING LEVER (A) | ||||
| 63 | 886144 | 6.75 | 8.17 | |
| ADJUSTER BUSH (S) | ||||
| 64 | 885272 | 5.85 | 7.08 | |
| Geen informatie beschikbaar, niet bestelbaar | ||||
| 65 | 888755 | |||
| SCHROEF M5 | ||||
| 66 | 885304 | 1.50 | 1.82 | |
| BEHUIZING | ||||
| 67 | 886134 | 23.93 | 28.95 | |
| INSULATOR SHEET | ||||
| 68 | 885307 | 1.65 | 2.00 | |
| HITACHI PLAATJE | ||||
| 69A | 328922 | 1.95 | 2.36 | |
| BEHUIZING | ||||
| 70 | 886244 | 33.96 | 41.09 | |
| NYLON MOER M4 | ||||
| 71 | 876465 | 1.05 | 1.27 | |
| IMBUS HD.BOUT M5X15 (10 STUKS) | ||||
| 72 | 949820 | 2.55 | 3.09 | |
| HULS | ||||
| 73 | 878164 | 14.70 | 17.79 | |
| HULS | ||||
| 73A | 878164 | 14.70 | 17.79 | |
| TAPSCHROEF D4X20 MET RING ZWART | ||||
| 74 | 302086 | 1.05 | 1.27 | |
| HANDGREEP (B) | ||||
| 75 | 886256 | 37.95 | 45.92 | |
| Geen informatie beschikbaar, niet bestelbaar | ||||
| 77 | 888762 | |||
| TAPSCHROEF D4X45 MET RING | ||||
| 78 | 301815 | 1.05 | 1.27 | |
| SCHAKELAAR MONTAGE | ||||
| 79 | 885334 | 1.65 | 2.00 | |
| SCHAKELAAR ARM | ||||
| 80 | 885347 | 1.65 | 2.00 | |
| PRISMA | ||||
| 81 | 885338 | 3.30 | 3.99 | |
| VEER | ||||
| 82 | 885337 | 1.65 | 2.00 | |
| BESCHEMRING KABEL | ||||
| 83 | 885339 | 3.30 | 3.99 | |
| SCHROEF | ||||
| 84 | 885346 | 1.65 | 2.00 | |
| REGELAAR | ||||
| 85 | 885331 | 87.59 | 105.98 | |
| REGELAAR | ||||
| 85 | 885595 | 57.06 | 69.05 | |
| TAPSCHROEF D4X14 MET RING ZWART | ||||
| 86 | 309933 | 1.05 | 1.27 | |
| VEER | ||||
| 87 | 885828 | 1.65 | 2.00 | |
| KAMERSLUITING | ||||
| 88A | 887617 | 4.65 | 5.63 | |
| PIN D2.5 | ||||
| 89 | 885349 | 1.65 | 2.00 | |
| DRAADBOOM (A) (OUD 885332) | ||||
| 90 | 885798 | 46.61 | 56.40 | |
| NYLON MOER M5 | ||||
| 96 | 877371 | 1.05 | 1.27 | |
| SPIJKER RAILS | ||||
| 97 | 885341 | 6.45 | 7.80 | |
| MAGAZIJN PLAAT | ||||
| 98 | 885342 | 4.35 | 5.26 | |
| CEL HENDEL | ||||
| 99 | 886141 | 6.75 | 8.17 | |
| HENDEL | ||||
| 100 | 885280 | 1.50 | 1.82 | |
| ROL PIN D2X8 (10 STUKS) | ||||
| 101 | 949859 | 1.20 | 1.45 | |
| VEER D3.6 | ||||
| 102 | 885281 | 1.50 | 1.82 | |
| CEL BEHUIZING | ||||
| 103 | 885352 | 3.30 | 3.99 | |
| CEL RUBBER | ||||
| 104 | 886131 | 1.80 | 2.18 | |
| Geen informatie beschikbaar, niet bestelbaar | ||||
| 105 | 325292 | |||
| SPIJKERTOEVOER | ||||
| 106 | 885323 | 5.85 | 7.08 | |
| SENSORPLAAT | ||||
| 107 | 886257 | 3.30 | 3.99 | |
| VEER | ||||
| 108 | 885518 | 1.65 | 2.00 | |
| SCHAKELAARHENDEL | ||||
| 109 | 886147 | 6.45 | 7.80 | |
| PIN D2.5 | ||||
| 110 | 885349 | 1.65 | 2.00 | |
| SCHAKELAAR STOPPER | ||||
| 111 | 886138 | 3.30 | 3.99 | |
| PIN D4X28 | ||||
| 112 | 949506 | 3.00 | 3.63 | |
| SPRING | ||||
| 113 | 883687 | 1.65 | 2.00 | |
| SPIJKERTOEVOER (B) | ||||
| 114 | 885324 | 3.00 | 3.63 | |
| VEER | ||||
| 115 | 885325 | 7.05 | 8.53 | |
| VEER D8 | ||||
| 116 | 885328 | 1.50 | 1.82 | |
| STOPKNOP | ||||
| 117 | 885327 | 1.50 | 1.82 | |
| HENDEL (A) NR90GC2 | ||||
| 118 | 886728 | 36.99 | 44.75 | |
| VOEDINGSKNOP | ||||
| 119 | 886246 | 3.30 | 3.99 | |
| TAPSCHROEF D5X20 MET RING ZWART | ||||
| 120 | 302089 | 1.05 | 1.27 | |
| ZESKANTBOUT M4X18 | ||||
| 121 | 880003 | 1.05 | 1.27 | |
| MAGAZIJN BESCHERMING | ||||
| 122 | 885354 | 8.40 | 10.16 | |
| WIRING PLATE | ||||
| 124 | 886253 | 1.65 | 2.00 | |
| HAAK | ||||
| 125 | 886255 | 9.00 | 10.89 | |
| TAPSCHROEF D3 | ||||
| 126 | 885714 | 1.80 | 2.18 | |
| WIRING PLATE | ||||
| 127 | 886548 | 1.80 | 2.18 | |
| MACHINESCHROEF M4X6 ZELFBORGEND | ||||
| 128 | 303631 | 1.04 | 1.26 | |
| AFDEKKING | ||||
| 129 | 886470 | 1.80 | 2.18 | |
| RING | ||||
| 130 | 886471 | 1.80 | 2.18 | |
| HULS | ||||
| 131 | 886543 | 3.45 | 4.17 | |
| Geen informatie beschikbaar, niet bestelbaar | ||||
| 502 | 875769 | |||
| Geen informatie beschikbaar, niet bestelbaar | ||||
| 503 | 886254 | |||
| Geen informatie beschikbaar, niet bestelbaar | ||||
| 504 | 944458 | |||
| Geen informatie beschikbaar, niet bestelbaar | ||||
| 505 | 886036 | |||
| WERKSTUK BESCHERMNEUS | ||||
| 506 | 885788 | 38.91 | 47.08 | |
| RUBBER DOPJE VOOR BESCHERMNEUS | ||||
| 507 | 885791 | 6.30 | 7.62 | |
| Geen informatie beschikbaar, niet bestelbaar | ||||
| 601 | 885546 | |||
| WERKSTUK BESCHERMNEUS | ||||
| 602 | 885788 | 38.91 | 47.08 | |
| RUBBER DOPJE VOOR BESCHERMNEUS | ||||
| 603 | 885791 | 6.30 | 7.62 | |