Hier vindt u alle beschikbare onderdelen en tekeningen van de 'Hikoki NT65GA'. Vanaf hier kunt u direct alle gewenste onderdelen bestellen. Vele onderdelen moeten bij de fabrikant besteld worden, dit duurt afhankelijk van het merk, één tot vier weken. Alle informatie die we hebben, staat op onze website, wij kunnen u geen advies geven over wat u nodig heeft, daarvoor zult u de machine ter reparatie in moeten leveren. Let bij het bestellen op het volgende:
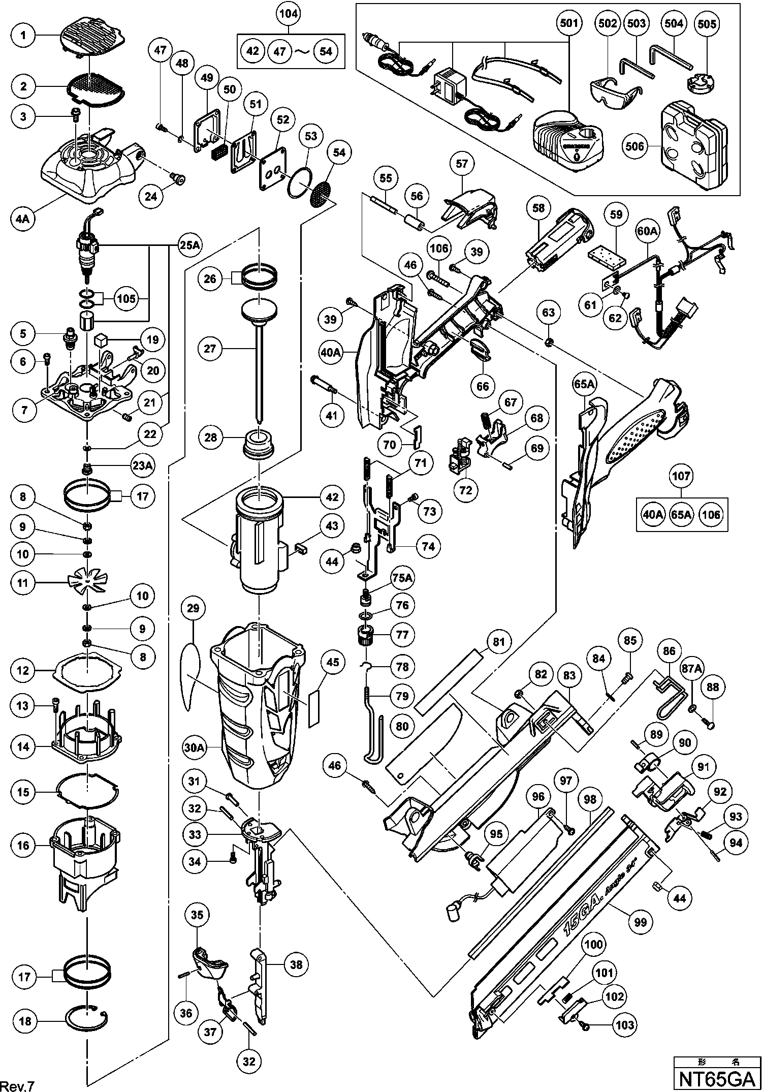
Tekeningen van de Hikoki NT65GA
Onderdelen lijst van de Hikoki NT65GA
| Pos. | Omschrijving | Prijs excl. BTW | Prijs incl. BTW | |
| Getoonde prijzen zijn inclusief btw | ||||
| Geen informatie beschikbaar, niet bestelbaar | ||||
| *45 | 886342M | |||
| FILTER COVER | ||||
| 1 | 886664 | 1.05 | 1.27 | |
| FILTER | ||||
| 2 | 886344 | 10.20 | 12.34 | |
| BOUTJE M5X10 | ||||
| 3 | 886347 | 1.05 | 1.27 | |
| TOP COVER | ||||
| 4 | 886335 | 3.15 | 3.81 | |
| BOUGIE | ||||
| 5 | 885333 | 3.30 | 3.99 | |
| INBUSBOUT HD M4X12 | ||||
| 6 | 880630 | 1.05 | 1.27 | |
| CYLINDER DEKSEL | ||||
| 7 | 886661 | 20.90 | 25.29 | |
| MOER M3 (10 STUKS) | ||||
| 8 | 949553 | 1.04 | 1.26 | |
| VEERRING M3 (10 STUKS) | ||||
| 9 | 949451 | 1.05 | 1.27 | |
| RING M3 (10 STUKS) | ||||
| 10 | 949422 | 1.04 | 1.26 | |
| WAAIER | ||||
| 11 | 886309 | 2.10 | 2.54 | |
| RUBBEREN PAKKING | ||||
| 12 | 886568 | 1.05 | 1.27 | |
| INBUSBOUT M4X16 | ||||
| 13 | 949754 | 2.40 | 2.90 | |
| Geen informatie beschikbaar, niet bestelbaar | ||||
| 14 | 886609 | |||
| PAKKINGPAKKING | ||||
| 15 | 886296 | 1.05 | 1.27 | |
| KAMER | ||||
| 16 | 886297 | 10.65 | 12.89 | |
| ZUIGERRING | ||||
| 17 | 886312 | 2.10 | 2.54 | |
| VEERRING D40 | ||||
| 18 | 886298 | 1.05 | 1.27 | |
| PAKKING | ||||
| 19 | 886315 | 1.05 | 1.27 | |
| ADAPTER (OLD 885317) | ||||
| 20 | 886313 | 1.05 | 1.27 | |
| INBUSSTELSCHROEF M4X5 | ||||
| 21 | 886314 | 1.05 | 1.27 | |
| RUBBER RING | ||||
| 22 | 886567 | 1.05 | 1.27 | |
| AFDEKKING | ||||
| 23A | 887890 | 2.10 | 2.54 | |
| BOUT M5 | ||||
| 24 | 886566 | 1.05 | 1.27 | |
| MOTOR | ||||
| 25A | 887446 | 104.50 | 126.44 | |
| ZUIGERRING | ||||
| 26 | 886286 | 4.20 | 5.08 | |
| Geen informatie beschikbaar, niet bestelbaar | ||||
| 27 | 886585 | |||
| SLAGPEN BUMPER | ||||
| 28 | 886289 | 2.10 | 2.54 | |
| Geen informatie beschikbaar, niet bestelbaar | ||||
| 29 | 888753 | |||
| BEHUIZING | ||||
| 30A | 331425 | 12.90 | 15.61 | |
| Geen informatie beschikbaar, niet bestelbaar | ||||
| 31 | 886610 | |||
| ROL PIN D3X16 (10 STUKS) | ||||
| 32 | 949496 | 1.65 | 2.00 | |
| Geen informatie beschikbaar, niet bestelbaar | ||||
| 33 | 886611 | |||
| SEAL LOCK HD. INBUSBOUT M4X12 | ||||
| 34 | 886311 | 1.05 | 1.27 | |
| Geen informatie beschikbaar, niet bestelbaar | ||||
| 35 | 886587 | |||
| ROL PIN D3X10 (10 STUKS) | ||||
| 36 | 949776 | 2.40 | 2.90 | |
| Geen informatie beschikbaar, niet bestelbaar | ||||
| 37 | 886586 | |||
| Geen informatie beschikbaar, niet bestelbaar | ||||
| 37A | 887466 | |||
| Geen informatie beschikbaar, niet bestelbaar | ||||
| 38 | 886612 | |||
| TAPSCHROEF D4X16 MET RING ZWART | ||||
| 39 | 305812 | 1.04 | 1.26 | |
| Geen informatie beschikbaar, niet bestelbaar | ||||
| 40A | 886317 | |||
| BOUT M4X32 | ||||
| 41 | 886565 | 1.05 | 1.27 | |
| CILINDER | ||||
| 42 | 886584 | 32.31 | 39.10 | |
| RUBBER | ||||
| 43 | 886285 | 1.05 | 1.27 | |
| NYLON MOER M5 | ||||
| 44 | 877371 | 1.05 | 1.27 | |
| HIKOKI NAAMPLAAT | ||||
| 45 | 886342 | 1.80 | 2.18 | |
| TAPSCHROEF D4X20 MET RING ZWART | ||||
| 46 | 302086 | 1.05 | 1.27 | |
| SEAL LOCK HD. INBUSBOUT M4X8 | ||||
| 47 | 886307 | 1.05 | 1.27 | |
| VEER H8 | ||||
| 48 | 886319 | 1.05 | 1.27 | |
| BUFFER COVER | ||||
| 49 | 886287 | 4.20 | 5.08 | |
| MUFFLER | ||||
| 50 | 886288 | 2.10 | 2.54 | |
| PAKKING | ||||
| 51 | 886290 | 3.15 | 3.81 | |
| BUFFER PLATE | ||||
| 52 | 886293 | 2.10 | 2.54 | |
| O-RING | ||||
| 53 | 886294 | 1.05 | 1.27 | |
| PLAATGAAS | ||||
| 54 | 886292 | 3.30 | 3.99 | |
| PIN | ||||
| 55 | 886332 | 1.05 | 1.27 | |
| RUBBEREN BUS | ||||
| 56 | 886333 | 1.05 | 1.27 | |
| KAPJE | ||||
| 57 | 886326 | 2.10 | 2.54 | |
| Geen informatie beschikbaar, niet bestelbaar | ||||
| 58 | 326263 | |||
| HOUDER | ||||
| 59 | 886316 | 1.05 | 1.27 | |
| BEDRADING (OUD 886321) | ||||
| 60A | 887635 | 72.19 | 87.35 | |
| RING M4 (10 STUKS) | ||||
| 61 | 949423 | 1.05 | 1.27 | |
| MACHINESCHROEF M4X10 (10 STUKS) (OUD 949216Z) | ||||
| 62 | 949216 | 1.05 | 1.27 | |
| MOER M4 ( ZWART) | ||||
| 63 | 886330 | 1.05 | 1.27 | |
| Geen informatie beschikbaar, niet bestelbaar | ||||
| 65A | 886323 | |||
| TERMINALHOUDER | ||||
| 66 | 326316 | 1.05 | 1.27 | |
| TERMINALHOUDER | ||||
| 66A | 326316 | 1.05 | 1.27 | |
| TRIGGER SPRING | ||||
| 67 | 886328 | 1.05 | 1.27 | |
| SCHAKELAAR | ||||
| 68 | 886327 | 1.05 | 1.27 | |
| PIN D3X20 (10 STUKS) | ||||
| 69 | 949890 | 1.80 | 2.18 | |
| AFDEKPLAAT | ||||
| 70 | 886324 | 1.05 | 1.27 | |
| VEER | ||||
| 71 | 886301 | 1.05 | 1.27 | |
| TRIGGER STOPPER | ||||
| 72 | 886552 | 3.15 | 3.81 | |
| SEAL LOCK HD. INBUSBOUT M4X10 | ||||
| 73 | 886308 | 1.05 | 1.27 | |
| Geen informatie beschikbaar, niet bestelbaar | ||||
| 74 | 886613 | |||
| PUSHING LEVER PIECE | ||||
| 75A | 887035 | 3.15 | 3.81 | |
| O-RING (S-8) | ||||
| 76 | 992912 | 1.05 | 1.27 | |
| ADJUSTER | ||||
| 77 | 886338 | 2.10 | 2.54 | |
| RATCHET SPRING | ||||
| 78 | 886331 | 1.05 | 1.27 | |
| Geen informatie beschikbaar, niet bestelbaar | ||||
| 79 | 886589 | |||
| WARNING LABEL | ||||
| 80 | 888774 | 1.04 | 1.26 | |
| CAUTION LABEL (A) | ||||
| 81 | 888761 | 1.04 | 1.26 | |
| Geen informatie beschikbaar, niet bestelbaar | ||||
| 82 | 886614 | |||
| Geen informatie beschikbaar, niet bestelbaar | ||||
| 83 | 886592 | |||
| RING M5 ( OUD 949431Z , 10 ST ) | ||||
| 84 | 949431 | 1.04 | 1.26 | |
| MACHINESCHROEF M5X15 ZWART | ||||
| 85 | 885997 | 1.05 | 1.27 | |
| HAAK | ||||
| 86 | 886345 | 3.15 | 3.81 | |
| RING | ||||
| 87A | 887036 | 1.05 | 1.27 | |
| SCHROEF M4 ZWART | ||||
| 88 | 886346 | 1.05 | 1.27 | |
| ROL PIN D3X16 (10 STUKS) | ||||
| 89 | 949496 | 1.65 | 2.00 | |
| BLADVEER | ||||
| 90 | 881755 | 3.30 | 3.99 | |
| SPIJKERTOEVOER (B) | ||||
| 91 | 886340 | 2.10 | 2.54 | |
| Geen informatie beschikbaar, niet bestelbaar | ||||
| 92 | 886590 | |||
| VEER | ||||
| 93 | 886604 | 1.05 | 1.27 | |
| ROL PIN D2.5X26 (OUD 886334) | ||||
| 94 | 886605 | 1.05 | 1.27 | |
| PRISMA | ||||
| 95 | 886322 | 1.05 | 1.27 | |
| REGELAAR | ||||
| 96 | 886320 | 72.33 | 87.51 | |
| TAPSCHROEF D4X12 MET RING ZWART | ||||
| 97 | 325083 | 1.65 | 2.00 | |
| NAIL RAIL | ||||
| 98 | 886591 | 8.25 | 9.98 | |
| Geen informatie beschikbaar, niet bestelbaar | ||||
| 99 | 886588 | |||
| Geen informatie beschikbaar, niet bestelbaar | ||||
| 100 | 886615 | |||
| PUSHING STOPPER SPRING | ||||
| 101 | 886619 | 1.05 | 1.27 | |
| PUSHING STOPPER COVER | ||||
| 102 | 886616 | 1.20 | 1.45 | |
| TAPSCHROEF D3X10 ZWART | ||||
| 103 | 306371 | 1.04 | 1.26 | |
| Geen informatie beschikbaar, niet bestelbaar | ||||
| 104 | 886618 | |||
| O-RING (S-12) | ||||
| 105 | 875638 | 1.65 | 2.00 | |
| SCHROEF M4X25 ZWART | ||||
| 106 | 887034 | 1.05 | 1.27 | |
| HANDGREEP SET (OUD 886317+886323) | ||||
| 107 | 331424 | 18.15 | 21.96 | |
| Geen informatie beschikbaar, niet bestelbaar | ||||
| 502 | 875769 | |||
| Geen informatie beschikbaar, niet bestelbaar | ||||
| 503 | 943277 | |||
| Geen informatie beschikbaar, niet bestelbaar | ||||
| 504 | 944458 | |||
| NEUSKAP | ||||
| 505 | 886349 | 1.65 | 2.00 | |
| Geen informatie beschikbaar, niet bestelbaar | ||||
| 506 | 886617 | |||