Hier vindt u alle beschikbare onderdelen en tekeningen van de 'Hikoki TLE-600'. Vanaf hier kunt u direct alle gewenste onderdelen bestellen. Vele onderdelen moeten bij de fabrikant besteld worden, dit duurt afhankelijk van het merk, één tot vier weken. Alle informatie die we hebben, staat op onze website, wij kunnen u geen advies geven over wat u nodig heeft, daarvoor zult u de machine ter reparatie in moeten leveren. Let bij het bestellen op het volgende:
Tekeningen van de Hikoki TLE-600
Onderdelen lijst van de Hikoki TLE-600
| Pos. | Omschrijving | Prijs excl. BTW | Prijs incl. BTW | |
| Getoonde prijzen zijn inclusief btw | ||||
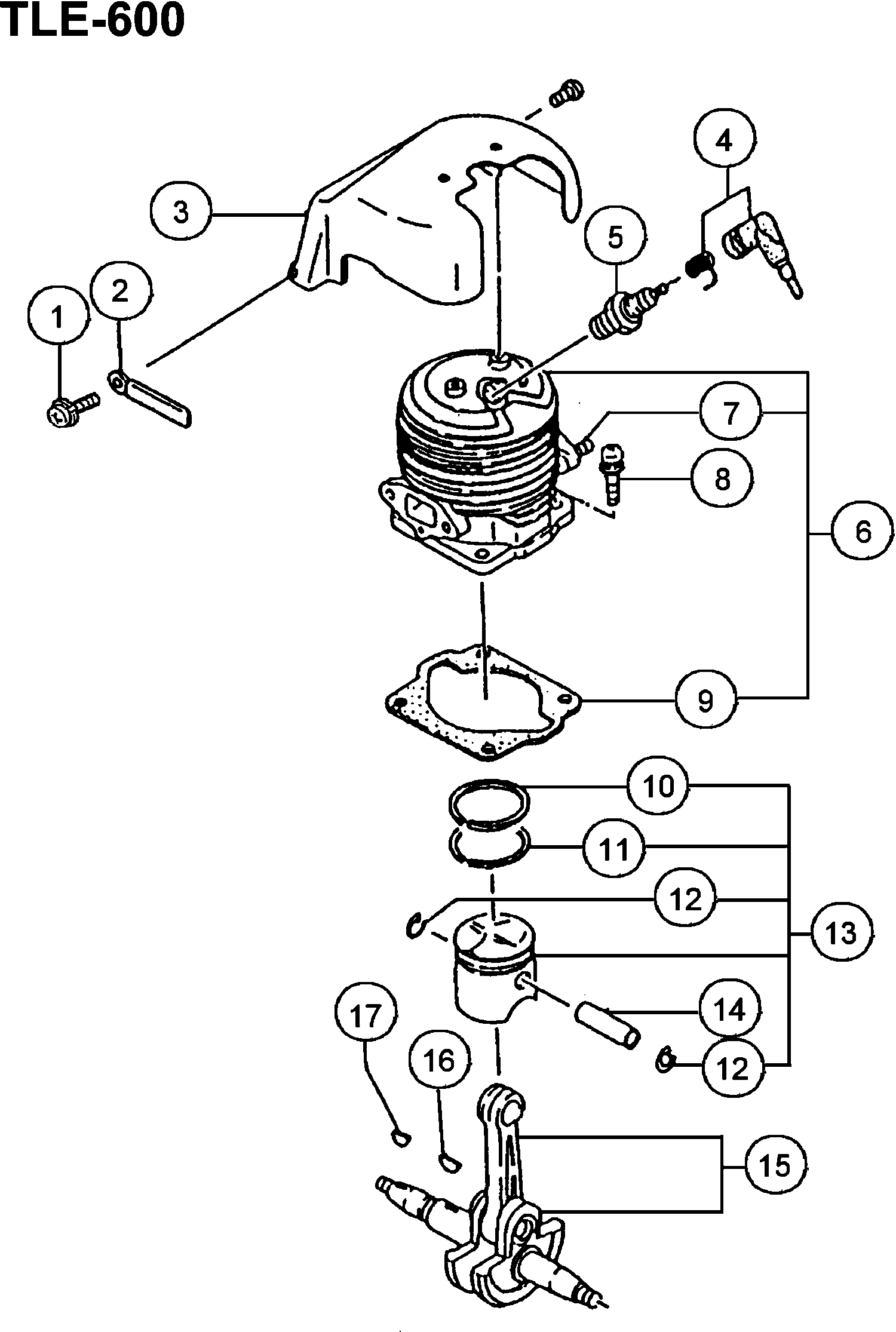
| SCREW 5X12/P (OLD 994-13050-121) | ||||
| 1 | 6695321 | 1.15 | 1.39 | |
| CORD CLAMP COMP. (OLD 198-11600-80/6691462/6691463 | ||||
| 2 | 6688011 | 1.15 | 1.39 | |
| Cilinder Afdekkap (oud 016-10244-20) | ||||
| 3 | 6685695 | 13.53 | 16.37 | |
| SPARK PLUG CAP ASS'Y (OLD 157-01570-90/6687470/668 | ||||
| 4 | 6687468 | 2.31 | 2.80 | |
| Spark Plug Ass'y Bm7a (old 6685778) | ||||
| 5 | 6699314 | 6.76 | 8.18 | |
| CYLINDER SET PN (OLD 001-10266-90) | ||||
| 6 | 6685497 | 96.35 | 116.58 | |
| STUD BOLT 6X30 (OLD 100-0422U-22) NEW | ||||
| 7 | 6686773 | 1.15 | 1.39 | |
| HEX. HOLE BOLT 6X18/S (OLD 994-61060-184) | ||||
| 8 | 6695495 | 1.15 | 1.39 | |
| Cylinder Gasket (old 017-10266-21) | ||||
| 9 | 6685753 | 1.15 | 1.39 | |
| PISTON RING (OLD 040-10100-20) | ||||
| 10 | 6686051 | 7.10 | 8.59 | |
| PISTON RING (OLD 041-10100-20) | ||||
| 11 | 6686133 | 4.45 | 5.38 | |
| PISTON PIN CIRCLIP (OLD 039-02000-20) | ||||
| 12 | 6686029 | 1.15 | 1.39 | |
| Piston Set Pn (old 030-10266-90) (old 6685903) | ||||
| 13 | 6685904 | 34.19 | 41.37 | |
| PISTON PIN 10X35 (OLD 037-10100-20 & 6686012) | ||||
| 14 | 6686019 | 2.31 | 2.80 | |
| Niet meer leverbaar, geen vervanging | ||||
| 15 | 6697173 | |||
| WOODRUFF KEY 3X13X4.5 (OUD 068-10100-20) | ||||
| 16 | 6684899 | 2.15 | 2.60 | |
| WOOD-RUFF KEY 3X13X5 (OLD 068-02000-20/790118) | ||||
| 17 | 6686457 | 1.15 | 1.39 | |
| CRANK SHAFT SHIM 0.10 (OLD 071-02007-21) | ||||
| 21 | 6686470 | 1.15 | 1.39 | |
| CRANK SHAFT SHIM 0.20 (OLD 071-02007-23) | ||||
| 21 | 6686472 | 1.15 | 1.39 | |
| CRANK SHAFT SHIM 0.30 (OLD 071-02007-24) | ||||
| 21 | 6686473 | 1.15 | 1.39 | |
| CRANK CASE ASS'Y (OLD 072-10266-90) NEW | ||||
| 22 | 6686596 | 66.40 | 80.34 | |
| CRANK CASE GASKET (OLD 090-10200-21) | ||||
| 23 | 6686727 | 1.15 | 1.39 | |
| OLIE KEERRING | ||||
| 24 | 6695641 | 2.31 | 2.80 | |
| Geen informatie beschikbaar, niet bestelbaar | ||||
| 25 | 6695557 | |||
| Geen informatie beschikbaar, niet bestelbaar | ||||
| 26 | 6695562 | |||
| OLIE KEERRING | ||||
| 27 | 6695648 | 3.30 | 3.99 | |
| Magneto Rotor Comp. | ||||
| 28 | 6601166 | 67.30 | 81.43 | |
| RING | ||||
| 29 | 6695198 | 1.15 | 1.39 | |
| NUT 10 (L.H. THREAD) (OLD 991-09100-001) | ||||
| 30 | 6695134 | 1.15 | 1.39 | |
| Screw 4x22/ws (old 994-16040-226) | ||||
| 31 | 6695410 | 1.15 | 1.39 | |
| IBNITION COIL 255 (OLD 167-21954-81/6687710) | ||||
| 32 | 6695942 | 42.20 | 51.06 | |
| STOP CORD COMP. (OLD 178-0136M-80) | ||||
| 33 | 6687826 | 2.31 | 2.80 | |
| CORD B 135M (OLD 178-10269-80) NEW | ||||
| 33A | 6696371 | 3.30 | 3.99 | |
| Niet meer leverbaar, geen vervanging | ||||
| 34 | 6687047 | |||
| CORD CLAMP COMP. (OLD 198-10246-80) | ||||
| 35 | 6688008 | 1.15 | 1.39 | |
| SCREW 6X30/S (OLD 994-14060-301) | ||||
| 36 | 6695364 | 1.15 | 1.39 | |
| Grommet (old 202-10200-20) | ||||
| 37 | 6688040 | 1.15 | 1.39 | |
| EARTH CORD, B70M (OLD 274-04037-80) NEW | ||||
| 38 | 6688448 | 2.31 | 2.80 | |
| Geen informatie beschikbaar, niet bestelbaar | ||||
| 41 | 6695499 | |||
| DRAIN GASKET (OLD 727-01040-20) | ||||
| 42 | 6692685 | 1.15 | 1.39 | |
| SCREW 6X10 (OLD 990-11060-102) | ||||
| 43 | 6694926 | 1.15 | 1.39 | |
| Geen informatie beschikbaar, niet bestelbaar | ||||
| 44 | 6689682 | |||
| GOVERNOR SHAFT ARM (OLD 367-10250-21) | ||||
| 45 | 6689679 | 2.31 | 2.80 | |
| SCREW 3X6 (OLD 990-11030-061) | ||||
| 46 | 6694855 | 1.15 | 1.39 | |
| OIL PARTITION (OLD 329-10250-21 & 6689174) | ||||
| 47 | 6689175 | 1.15 | 1.39 | |
| SCREW 4X8 (OLD 990-11040-081) | ||||
| 48 | 6694861 | 1.15 | 1.39 | |
| GOVERNOR ASS'Y (OLD 114-10250-91) | ||||
| 49 | 6687057 | 22.24 | 26.91 | |
| GOVERNOR PLATE (OLD 388-10250-21) | ||||
| 50 | 6689780 | 2.31 | 2.80 | |
| GOVERNOR SLEEVE (OLD 389-10250-21) | ||||
| 51 | 6689782 | 10.23 | 12.37 | |
| STOP RING C-15, OUTER (OLD 993-50015-002) | ||||
| 52 | 6695285 | 1.15 | 1.39 | |
| GOVERNOR COVER GASKET (OLD 385-10250-20) | ||||
| 53 | 6689775 | 1.15 | 1.39 | |
| Governor Cover Ass'y (old 384-10243-90) | ||||
| 54 | 6689771 | 7.26 | 8.79 | |
| OLIE KEERRING | ||||
| 55 | 6695637 | 3.30 | 3.99 | |
| SCREW 4X10 (OLD 990-11040-101) | ||||
| 56 | 6694863 | 1.15 | 1.39 | |
| CLEANER GASKET (OLD 431-05015-20) | ||||
| 71 | 6690183 | 1.15 | 1.39 | |
| INLAATPAKKING | ||||
| 72 | 6689899 | 1.15 | 1.39 | |
| Carburetor Insulator Set (old 404-10262-90) | ||||
| 73 | 6689980 | 8.91 | 10.78 | |
| Geen informatie beschikbaar, niet bestelbaar | ||||
| 74 | 6695425 | |||
| CARBURETOR GASKET (OLD 402-01740-20/6689844) | ||||
| 75 | 6689826 | 1.15 | 1.39 | |
| CHOKE LEVER (OLD 495-04200-20) | ||||
| 76 | 6691004 | 1.15 | 1.39 | |
| CLIP 5.5 (OLD 680-00206-20) | ||||
| 77 | 6692305 | 1.15 | 1.39 | |
| FUEL PIPE | ||||
| 78 | 6697899 | 8.85 | 10.71 | |
| PIPE JOINT (OLD 497-32970-20) | ||||
| 79 | 6685196 | 1.15 | 1.39 | |
| SPRING PIN 2.5X16 (OLD 993-24025-161) | ||||
| 80 | 6695267 | 1.15 | 1.39 | |
| CLEANER BODY (OLD 423-10246-20) | ||||
| 81 | 6690129 | 5.11 | 6.19 | |
| RING 5 (OUD 992-00050-011) | ||||
| 82 | 6684864 | 2.15 | 2.60 | |
| Carburateurset | ||||
| 83 | 6690524 | 70.33 | 85.09 | |
| SCREW 5X65 (OLD 990-11050-651) | ||||
| 84 | 6694917 | 1.00 | 1.21 | |
| LUCHTFILTER ELEMENT | ||||
| 85 | 6690324 | 2.31 | 2.80 | |
| RING (OUD 992-10050-012) | ||||
| 86 | 6684662 | 2.15 | 2.60 | |
| Cleaner Cap (old 424-10246-20) | ||||
| 87 | 6690159 | 4.45 | 5.38 | |
| CLEANER BAND (OLD 439-10246-20) | ||||
| 88 | 6690211 | 3.30 | 3.99 | |
| THROTTLE ROD (OLD 490-10244-20) | ||||
| 89 | 6690964 | 1.15 | 1.39 | |
| GOVERNOR ROD SPRING (OLD 376-12121-20) | ||||
| 90 | 6689714 | 1.15 | 1.39 | |
| Governor Outer Lever (old 377-10244-20) | ||||
| 91 | 6689719 | 2.31 | 2.80 | |
| GOVERNOR SPRING (OLD 374-10244-20) | ||||
| 92 | 6689697 | 1.15 | 1.39 | |
| Governor Spring Lever (old 372-10250-20) | ||||
| 93 | 6689687 | 1.15 | 1.39 | |
| RING | ||||
| 94 | 6695219 | 1.15 | 1.39 | |
| LOCK NUT M6 (OUD 991-01060-013) | ||||
| 95 | 6684872 | 2.15 | 2.60 | |
| SCREW 4X8/PS (OLD 994-15040-081) | ||||
| 96 | 6695368 | 1.15 | 1.39 | |
| CONTROL LEVER ASS'Y (OLD 830-10250-90) | ||||
| 97 | 6693591 | 6.93 | 8.38 | |
| SCREW 5X10 WS (OLD 994-16050-101/6695473) | ||||
| 98 | 6695413 | 1.15 | 1.39 | |
| Rubber Pipe 7.5x12x3 (old 700-17512-00) | ||||
| 99 | 6692396 | 1.15 | 1.39 | |
| WIRE RETURN SPRING (OLD 902-10243-20) | ||||
| 100 | 6694055 | 1.15 | 1.39 | |
| Geen informatie beschikbaar, niet bestelbaar | ||||
| 101 | 6694901 | |||
| HEX. NUT 5 (OLD 991-01050-011) | ||||
| 102 | 6684965 | 1.04 | 1.26 | |
| CLEANER FIXING COLLAR (OLD 470-10246-20) | ||||
| 103 | 6690805 | 1.15 | 1.39 | |
| HOSE CLAMP (OLD 461-33111-20) | ||||
| 111 | 6690734 | 1.15 | 1.39 | |
| RING | ||||
| 112 | 6684661 | 2.15 | 2.60 | |
| SCREW 5X20/PS (OLD 994-15050-201) | ||||
| 113 | 6695391 | 1.15 | 1.39 | |
| Geen informatie beschikbaar, niet bestelbaar | ||||
| 114 | 6695360 | |||
| STARTER PULLEY (OLD 798-10246-20) NEW | ||||
| 115 | 6693410 | 13.76 | 16.65 | |
| CLUTCH FLANGE (OLD 347-10243-20) | ||||
| 116 | 6689508 | 3.30 | 3.99 | |
| RING | ||||
| 117 | 6695198 | 1.15 | 1.39 | |
| SMALL NUT 10 (L.H.THREAD) (OLD 991-15100-001) | ||||
| 118 | 6695142 | 1.15 | 1.39 | |
| RING | ||||
| 119 | 6689645 | 1.15 | 1.39 | |
| KOPPELINGSVOERING COMPLEET | ||||
| 120 | 6688617 | 8.25 | 9.98 | |
| RING | ||||
| 121 | 6689638 | 1.15 | 1.39 | |
| CLUTCH STEP BOLT (OLD 357-10112-20) | ||||
| 122 | 6689633 | 2.31 | 2.80 | |
| CLUTCH SPRING (OLD 342-10205-22/6689432/6689433) | ||||
| 123 | 6689434 | 1.15 | 1.39 | |
| CLUTCH SET ASS'Y | ||||
| 124 | 6601109 | 21.18 | 25.62 | |
| HEX. SOCKET HD. BOLT M5X30 S (OLD 994-61050-304) | ||||
| 131 | 6684786 | 2.15 | 2.60 | |
| HEX.HOLE BOLT 5X16/PS (OLD 994-63050-164) | ||||
| 132 | 6695504 | 1.15 | 1.39 | |
| RING | ||||
| 133 | 6684661 | 2.15 | 2.60 | |
| MUFFLER PROTECTOR (OLD 738-10266-20) NEW | ||||
| 134 | 6692821 | 12.38 | 14.97 | |
| MUFFLER SET (OLD 704-10266-90) NEW | ||||
| 135 | 6692503 | 56.26 | 68.08 | |
| SPRING NUT 6 (OLD 994-40060-011) | ||||
| 136 | 6695475 | 1.15 | 1.39 | |
| HEX. HOLE BOLT 5X10W (OLD 994-60050-104) | ||||
| 137 | 6695481 | 1.15 | 1.39 | |
| MUFFLER GASKET 1.5T (OLD 737-10100-20) | ||||
| 138 | 6692746 | 1.15 | 1.39 | |
| MUFFLER STAY (OLD 733-10205-21) NEW | ||||
| 139 | 6692705 | 2.31 | 2.80 | |
| MUFFLER BRACKET B (OLD 729-10266-90) NEW | ||||
| 140 | 6696179 | 4.95 | 5.99 | |
| Muffler Bracket (old 760-10266-80) | ||||
| 141 | 6692943 | 4.45 | 5.38 | |
| TANK FIXING COLLAR (OLD 649-07250-20) | ||||
| 142 | 6692183 | 1.15 | 1.39 | |
| RECOIL STARTER BODY ASS'Y (OLD 762-10246-90) | ||||
| 161 | 6692996 | 30.25 | 36.60 | |
| BOLT 6X12 (OLD 990-21060-121) | ||||
| 162 | 6694982 | 1.15 | 1.39 | |
| FRICTION PLATE (OLD 837-10205-20) | ||||
| 163 | 6693630 | 5.94 | 7.18 | |
| FRICTION SPRING (OLD 836-10205-20) | ||||
| 164 | 6693617 | 2.31 | 2.80 | |
| STARTER PAWL (OLD 788-10243-20) | ||||
| 165 | 6693323 | 3.30 | 3.99 | |
| STARTER ROPE REEL COMP. (OLD 774-10246-80/6693009) | ||||
| 166 | 6693085 | 8.58 | 10.38 | |
| STARTER ROPE (OLD 783-10205-20) | ||||
| 167 | 6693176 | 4.45 | 5.38 | |
| RECOIL SPRING (OLD 779-10205-20) | ||||
| 168 | 6693123 | 14.53 | 17.58 | |
| STARTER BODY (OLD 772-10246-20) | ||||
| 169 | 6693045 | 16.19 | 19.59 | |
| ROPE GUIDE (OLD 780-10108-20) | ||||
| 170 | 6693140 | 3.30 | 3.99 | |
| STARTHENDEL | ||||
| 171 | 6693241 | 3.30 | 3.99 | |
| Rope Stopper (old 795-10243-20) | ||||
| 172 | 6693383 | 1.15 | 1.39 | |
| STARTHENDEL | ||||
| 173 | 6693610 | 1.15 | 1.39 | |
| SCREW (OLD 514-25001-20) | ||||
| 181 | 6685210 | 1.15 | 1.39 | |
| PUMP BODY (OLD 575-25012-20) | ||||
| 182 | 6691420 | 8.25 | 9.98 | |
| PUMP GASKET (OLD 577-25012-20) | ||||
| 183 | 6691455 | 2.31 | 2.80 | |
| PUMP DIAPHRAGM (OLD 576-25012-20) | ||||
| 184 | 6691446 | 5.28 | 6.38 | |
| INLET SCREEN (OUD 578-25007-20) | ||||
| 185 | 6684700 | 4.29 | 5.19 | |
| IDLE ADJUST SCREW (OLD 462-25006-20) | ||||
| 186 | 6690736 | 3.30 | 3.99 | |
| IDLE ADJUST SPRING (OLD 463-25012-20) | ||||
| 187 | 6690766 | 2.31 | 2.80 | |
| VALVE SPRING (OLD 477-25088-20) | ||||
| 188 | 6690873 | 4.45 | 5.38 | |
| CONTROL LEVER (OLD 473-25012-20) | ||||
| 189 | 6690819 | 4.45 | 5.38 | |
| HINGE PIN (OLD 605-25001-20) | ||||
| 190 | 6685219 | 1.15 | 1.39 | |
| HINGE PIN SET SCREW (OLD 546-25001-20) | ||||
| 191 | 6685218 | 2.31 | 2.80 | |
| NEEDLE VALVE (OLD 603-25012-20) | ||||
| 192 | 6685215 | 5.28 | 6.38 | |
| DIAPHRAGM GASKET (OLD 475-25012-20) | ||||
| 193 | 6690838 | 2.31 | 2.80 | |
| METERRING DIAPHRAGM COMP. (OLD 474-25012-80) | ||||
| 194 | 6690828 | 11.88 | 14.37 | |
| DIAPHRAGM COVER (OLD 476-25012-20) | ||||
| 195 | 6690858 | 6.93 | 8.38 | |
| SET SCREW (OLD 548-25012-20) | ||||
| 196 | 6685223 | 1.15 | 1.39 | |
| NUT M8 (OLD 991-01080-011/327325/332299/726603) | ||||
| 211 | 6684612 | 2.15 | 2.60 | |
| RING | ||||
| 212 | 6684971 | 1.04 | 1.26 | |
| RING M8 (OLD 992-01080-011) | ||||
| 213 | 6684611 | 2.15 | 2.60 | |
| STOP RING E-10 (OLD 993-55100-001) NEW | ||||
| 214 | 6695314 | 1.05 | 1.27 | |
| Geen informatie beschikbaar, niet bestelbaar | ||||
| 215 | 6690891 | |||
| FRONT FENDER SPRING (OLD 196-33111-20) | ||||
| 216 | 6687992 | 1.15 | 1.39 | |
| Geen informatie beschikbaar, niet bestelbaar | ||||
| 217 | 6689149 | |||
| CENTER SHAFT (OLD 292-33111-20) | ||||
| 218 | 6688624 | 16.19 | 19.59 | |
| Geen informatie beschikbaar, niet bestelbaar | ||||
| 219 | 6687986 | |||
| NUT M8 (OLD 991-01080-011/327325/332299/726603) | ||||
| 220 | 6684612 | 2.15 | 2.60 | |
| RING | ||||
| 221 | 6684971 | 1.04 | 1.26 | |
| RING M8 (OLD 992-01080-011) | ||||
| 222 | 6684611 | 2.15 | 2.60 | |
| Spacer (old 320-33111-20) | ||||
| 223 | 6689135 | 2.31 | 2.80 | |
| FRONT WHEEL (OLD 430-33111-80) | ||||
| 224 | 6690181 | 42.20 | 51.06 | |
| FRONT SHAFT (OLD 290-33111-20) | ||||
| 225 | 6688619 | 22.24 | 26.91 | |
| Niet meer leverbaar, geen vervanging | ||||
| 226 | 6687994 | |||
| RING | ||||
| 227 | 6684639 | 2.15 | 2.60 | |
| RING | ||||
| 228 | 6695219 | 1.15 | 1.39 | |
| Niet meer leverbaar, geen vervanging | ||||
| 229 | 6694987 | |||
| BOLT 8X20 (OLD 990-21080-201) NEW | ||||
| 230 | 6695000 | 1.15 | 1.39 | |
| RING | ||||
| 231 | 6684971 | 1.04 | 1.26 | |
| RING M8 (OLD 992-01080-011) | ||||
| 232 | 6684611 | 2.15 | 2.60 | |
| ADJUST PLATE (OLD 475-33111-20) | ||||
| 233 | 6690842 | 11.23 | 13.58 | |
| F.H. SCREW 8X12 (OLD 990-12080-121) NEW | ||||
| 234 | 6694956 | 1.15 | 1.39 | |
| LOCK HANDLE COMP. (OLD 210-33110-80) | ||||
| 241 | 6688090 | 4.45 | 5.38 | |
| RING | ||||
| 242 | 6684971 | 1.04 | 1.26 | |
| RING M8 (OLD 992-01080-011) | ||||
| 243 | 6684611 | 2.15 | 2.60 | |
| BOLT 8X20 (OLD 990-21080-201) NEW | ||||
| 244 | 6695000 | 1.15 | 1.39 | |
| Niet meer leverbaar, geen vervanging | ||||
| 245 | 6687721 | |||
| Niet meer leverbaar, geen vervanging | ||||
| 246 | 6687723 | |||
| Geen informatie beschikbaar, niet bestelbaar | ||||
| 247 | 6697617 | |||
| RING | ||||
| 248 | 6687727 | 1.15 | 1.39 | |
| Nut 10 (old 991-01100-011) | ||||
| 249 | 6695131 | 1.15 | 1.39 | |
| RING | ||||
| 250 | 6695225 | 1.15 | 1.39 | |
| RING | ||||
| 251 | 6695198 | 1.15 | 1.39 | |
| REAR WHEEL (OLD 431-33110-80) | ||||
| 252 | 6690188 | 18.60 | 22.51 | |
| COLLAR (OLD 294-33111-20) | ||||
| 253 | 6688626 | 3.30 | 3.99 | |
| HEX. BOLT 10X70 (OLD 990-21100-701) | ||||
| 254 | 6695007 | 1.15 | 1.39 | |
| BOLT 8X20 (OLD 990-21080-201) NEW | ||||
| 255 | 6695000 | 1.15 | 1.39 | |
| RING | ||||
| 256 | 6684971 | 1.04 | 1.26 | |
| RING M8 (OLD 992-01080-011) | ||||
| 257 | 6684611 | 2.15 | 2.60 | |
| Mud Flap Bracket Comp. (old 495-33111-81) | ||||
| 258 | 6691008 | 10.23 | 12.37 | |
| Mud Flap Holder (old 496-33111-20) | ||||
| 259 | 6691016 | 3.30 | 3.99 | |
| MUD FLAP (OLD 500-33111-20) | ||||
| 260 | 6691030 | 4.45 | 5.38 | |
| RING | ||||
| 261 | 6684639 | 2.15 | 2.60 | |
| RING | ||||
| 262 | 6695219 | 1.15 | 1.39 | |
| Plus Bolt 6x12 (old 990-23060-121) New | ||||
| 263 | 6695015 | 1.15 | 1.39 | |
| Screw 4x12/ps (old 994-15040-121) | ||||
| 264 | 6695370 | 1.15 | 1.39 | |
| Engine Bed Comp. (old 005-33110-80) | ||||
| 265 | 6685591 | 8.58 | 10.38 | |
| Geen informatie beschikbaar, niet bestelbaar | ||||
| 266 | 6695358 | |||
| FLENSMOER | ||||
| 267 | 6695170 | 1.15 | 1.39 | |
| PLUS BOLT 6X16 (OLD 990-23060-161/6695017) | ||||
| 268 | 6695019 | 1.15 | 1.39 | |
| RING | ||||
| 269 | 6695219 | 1.15 | 1.39 | |
| RING | ||||
| 270 | 6684639 | 2.15 | 2.60 | |
| CLUTCH CASE STAY (OLD 339-33111-20) | ||||
| 271 | 6689299 | 1.92 | 2.32 | |
| ADJUST STAY COMP (OLD 481-33111-80) | ||||
| 272 | 6690888 | 24.20 | 29.28 | |
| FLENSMOER | ||||
| 273 | 6695170 | 1.15 | 1.39 | |
| LOCK PLATE ASSY (OLD 485-33111-91) | ||||
| 274 | 6690901 | 15.88 | 19.21 | |
| LOCK NUT M6 (OUD 991-01060-013) | ||||
| 275 | 6684872 | 2.15 | 2.60 | |
| OUTER RECEIVER (OLD 894-01401-20) (OLD 6694045) | ||||
| 276 | 6694043 | 3.30 | 3.99 | |
| Lock Plate Spring (old 487-33111-21) | ||||
| 277 | 6690920 | 2.31 | 2.80 | |
| WIRE HOLDING METAL (OLD 904-33111-21) | ||||
| 278 | 6694062 | 3.30 | 3.99 | |
| RING | ||||
| 279 | 6693783 | 1.15 | 1.39 | |
| RING | ||||
| 280 | 6684639 | 2.15 | 2.60 | |
| U-NUT 8 (OLD 991-74080-003) | ||||
| 281 | 6695161 | 1.00 | 1.21 | |
| RING M8 (OLD 992-01080-011) | ||||
| 282 | 6684611 | 2.15 | 2.60 | |
| Ring | ||||
| 283 | 6688981 | 1.15 | 1.39 | |
| SPLIT COLLAR 24, NYLON (OLD 467-33111-20) | ||||
| 284 | 6690798 | 2.31 | 2.80 | |
| GASKABEL | ||||
| 291 | 6693935 | 13.70 | 16.58 | |
| STOP CORD COMP. (OLD 178-10243-80) | ||||
| 292 | 6687879 | 2.31 | 2.80 | |
| HEIGHT ADJUST WIRE (OLD 480-33127-90) | ||||
| 293 | 6690886 | 9.58 | 11.59 | |
| Split Protection Tube 13x850l (old 164-13085-01) | ||||
| 294 | 6687618 | 4.45 | 5.38 | |
| CLAMP B. (OLD 460-33111-20) | ||||
| 295 | 6684715 | 2.15 | 2.60 | |
| TANK DOP COMPLEET | ||||
| 296 | 6691788 | 6.44 | 7.79 | |
| TANK CAP D ASS'Y (OLD 595-03002-90/6685071) | ||||
| 296A | 6691748 | 7.59 | 9.18 | |
| TANK ASS'Y, SPARE | ||||
| 297 | 6699552 | 28.74 | 34.77 | |
| Geen informatie beschikbaar, niet bestelbaar | ||||
| 297A | 6699339 | |||
| SCREW M6X12/PS (OLD 994-15060-121) | ||||
| 298 | 6695399 | 1.15 | 1.39 | |
| PUMP FILTER BODY ASS'Y (OLD 675-01630-90/6692277) | ||||
| 299 | 6692273 | 7.10 | 8.59 | |
| CLIP 7 (OLD 680-04019-21) | ||||
| 300 | 6692312 | 1.15 | 1.39 | |
| RUBBER PIPE (OLD 6692299) | ||||
| 301 | 6697905 | 4.45 | 5.38 | |
| EARTH CORD, B1150M (OLD 177-33111-80) | ||||
| 302 | 6687804 | 2.31 | 2.80 | |
| TANK ASS'Y SPARE (OLD 6691644,6699339) | ||||
| 303 | 6699563 | 67.79 | 82.02 | |
| O-RING P-42 (OLD 999-67042-003) NEW | ||||
| 311 | 6695680 | 2.31 | 2.80 | |
| Screw 5x14/ps (old 994-15050-141) | ||||
| 312 | 6695384 | 1.15 | 1.39 | |
| CLEANER BODY (OLD 423-33111-20) | ||||
| 313 | 6690138 | 7.75 | 9.38 | |
| HEX. NUT 5 (OLD 991-01050-011) | ||||
| 314 | 6684965 | 1.04 | 1.26 | |
| LUCHTFILTER ELEMENT | ||||
| 315 | 6690327 | 11.71 | 14.17 | |
| CLEANER CORE (OLD 425-05015-20) | ||||
| 316 | 6690168 | 4.45 | 5.38 | |
| WIRE CLAMP (OLD 466-33111-20) NEW | ||||
| 317 | 6690792 | 1.15 | 1.39 | |
| ORIFICE PIPE 15 (OLD 462-33110-20) NEW | ||||
| 318 | 6690757 | 3.30 | 3.99 | |
| Cleaner Hose 32x550l (old 164-32055-00) | ||||
| 319 | 6687619 | 9.74 | 11.78 | |
| HOSE CLAMP (OLD 459-33111-20) NEW | ||||
| 320 | 6690681 | 1.05 | 1.27 | |
| HANDLE GRIP (OLD 165-33111-20) | ||||
| 331 | 6687623 | 4.45 | 5.38 | |
| ADJUST LEVER ASS'Y (OLD 472-33111-90) | ||||
| 332 | 6690816 | 9.08 | 10.98 | |
| Niet meer leverbaar, geen vervanging | ||||
| 333 | 6687493 | |||
| STOP SWITCH ASS'Y (OLD 6687501) | ||||
| 334A | 6601374 | 11.71 | 14.17 | |
| SWITCH NAME PLATE (OLD 183-01300-20/6689113) | ||||
| 335 | 6687949 | 1.15 | 1.39 | |
| Stop Switch Plate (old 640-33111-20) | ||||
| 336 | 6692140 | 7.75 | 9.38 | |
| FLENSMOER | ||||
| 337 | 6695170 | 1.15 | 1.39 | |
| BOLT 6X35 (OLD 990-21060-351) | ||||
| 338 | 6694992 | 1.15 | 1.39 | |
| Niet meer leverbaar, geen vervanging | ||||
| 339 | 6690438 | |||
| Niet meer leverbaar, geen vervanging | ||||
| 340 | 6687423 | |||
| FLENSMOER | ||||
| 341 | 6695170 | 1.15 | 1.39 | |
| PLUS BOLT 6X18 (OLD 990-23060-181) | ||||
| 342 | 6695020 | 1.15 | 1.39 | |
| HANDLE (RIGHT) (OLD 158-33111-20) | ||||
| 343 | 6687485 | 24.20 | 29.28 | |
| THROTTLE LEVER ASS'Y | ||||
| 344 | 6601163 | 6.60 | 7.99 | |
| CLUTCH DRUM COMP. (OLD 332-33110-80) | ||||
| 351 | 6689234 | 19.36 | 23.43 | |
| STOP RING C-40, INNER (OLD 993-51040-002) | ||||
| 352 | 6695298 | 1.15 | 1.39 | |
| BALL BEARING #6203DD, 40MM/OD (OLD 999-61620-304/6 | ||||
| 353 | 6695564 | 9.58 | 11.59 | |
| STOP RING C-17, OUTER (OLD 993-50017-002) | ||||
| 354 | 6695286 | 1.15 | 1.39 | |
| Niet meer leverbaar, geen vervanging | ||||
| 355 | 6689212 | |||
| RING 5 (OLD 992-10050-062) | ||||
| 356 | 6684834 | 2.15 | 2.60 | |
| HEX. HOLE BOLT 5X25 (OLD 990-51050-253) | ||||
| 357 | 6695051 | 1.15 | 1.39 | |
| Plus Bolt 6x12 (old 990-23060-121) New | ||||
| 358 | 6695015 | 1.15 | 1.39 | |
| RING | ||||
| 359 | 6684639 | 2.15 | 2.60 | |
| RING | ||||
| 360 | 6695219 | 1.15 | 1.39 | |
| PLUS BOLT 6X16 (OLD 990-23060-161/6695017) | ||||
| 361 | 6695019 | 1.15 | 1.39 | |
| Hex. Hole Bolt 6x30 (old 990-51060-303) | ||||
| 362 | 6695063 | 1.15 | 1.39 | |
| RING | ||||
| 363 | 6684826 | 2.15 | 2.60 | |
| RING | ||||
| 364 | 6695194 | 1.15 | 1.39 | |
| RING | ||||
| 365 | 6689296 | 1.05 | 1.27 | |
| AANDRIJFAS | ||||
| 366 | 6689446 | 11.55 | 13.98 | |
| STUURBUIS | ||||
| 367 | 6689318 | 13.86 | 16.77 | |
| Niet meer leverbaar, geen vervanging | ||||
| 381 | 6688662 | |||
| STOP RING C-32, INNER (OLD 993-51032-002/791058) | ||||
| 382 | 6695295 | 1.15 | 1.39 | |
| STOP RING C-15, OUTER (OLD 993-50015-002) | ||||
| 383 | 6695285 | 1.15 | 1.39 | |
| Geen informatie beschikbaar, niet bestelbaar | ||||
| 384 | 6697745 | |||
| BALL BEARING 6002Z, 32MM/OD (OLD 999-61600-202) | ||||
| 385 | 6695538 | 6.60 | 7.99 | |
| NUT 8 (OLD 991-01080-013) NEW | ||||
| 386 | 6695128 | 1.05 | 1.27 | |
| HEX. HOLE BOLT 8X30 (OLD 990-51080-303) NEW | ||||
| 387 | 6695069 | 1.05 | 1.27 | |
| Plus Bolt 6x12 (old 990-23060-121) New | ||||
| 388 | 6695015 | 1.15 | 1.39 | |
| Geen informatie beschikbaar, niet bestelbaar | ||||
| 389 | 6695026 | |||
| DRAIN PLUG GASKET (OLD 316-12101-20) NEW | ||||
| 390 | 6689104 | 1.15 | 1.39 | |
| GEAR CASE (OLD 300-33110-21) | ||||
| 391 | 6688659 | 36.15 | 43.74 | |
| SIDE COVER STAY (OLD 443-33111-20) | ||||
| 392 | 6690321 | 7.93 | 9.59 | |
| Geen informatie beschikbaar, niet bestelbaar | ||||
| 393 | 6694983 | |||
| RING | ||||
| 394 | 6695219 | 1.15 | 1.39 | |
| WING BOLT 8X20 (OLD 990-60080-201) NEW | ||||
| 395 | 6695097 | 2.31 | 2.80 | |
| RING | ||||
| 396 | 6684648 | 2.15 | 2.60 | |
| RING M8 (OLD 992-01080-011) | ||||
| 397 | 6684611 | 2.15 | 2.60 | |
| SAFETY COVER HOLDER (OLD 445-33110-20) | ||||
| 398 | 6690336 | 3.30 | 3.99 | |
| Safety Cover (old 441-33110-21) | ||||
| 399 | 6690215 | 22.24 | 26.91 | |
| RING | ||||
| 400 | 6687322 | 1.15 | 1.39 | |
| STOP RING C-65, OUTER (OLD 993-50065-002) NEW | ||||
| 401 | 6695290 | 4.45 | 5.38 | |
| Kogellager #6201 | ||||
| 402 | 6695552 | 4.80 | 5.81 | |
| Geen informatie beschikbaar, niet bestelbaar | ||||
| 403 | 6688920 | |||
| BEARING HOLDER (OLD 382-33110-20) | ||||
| 404 | 6689761 | 1.15 | 1.39 | |
| Geen informatie beschikbaar, niet bestelbaar | ||||
| 405 | 6695566 | |||
| STOP RING C-52, INNER (OLD 993-51052-002) | ||||
| 406 | 6695300 | 2.31 | 2.80 | |
| CUTTER HOLDER (OLD 310-33110-20) | ||||
| 407 | 6689014 | 14.53 | 17.58 | |
| RING | ||||
| 408 | 6689078 | 2.31 | 2.80 | |
| BRUSHCUTTER BLADE Z2 X 255 X 3.2 (OLD 435-33110-20 | ||||
| 409 | 6690192 | 11.55 | 13.98 | |
| Cutter Holder Cap (old 311-33110-20) | ||||
| 410 | 6689040 | 3.30 | 3.99 | |
| SMALL NUT 12 (OLD 991-11120-011) | ||||
| 411 | 6695140 | 1.15 | 1.39 | |
| SIDE COVER (OLD 442-33110-20) | ||||
| 412 | 6690288 | 7.26 | 8.79 | |
| Geen informatie beschikbaar, niet bestelbaar | ||||
| 413 | 6695382 | |||
| GEAR PINION SET (OLD 301-33111-00/6688841) | ||||
| 414 | 6688840 | 38.26 | 46.30 | |
| LOCKING BAR (OLD 752-33900-20) NEW | ||||
| 501 | 6692899 | 1.05 | 1.27 | |
| SPANNER 13X17 (OLD 810-20000-20) NEW | ||||
| 502 | 6693498 | 4.45 | 5.38 | |
| COMBI BOX SPANNER 10X19 ,PLUS (OLD 036-29331-50) | ||||
| 503 | 6685997 | 4.45 | 5.38 | |