Hier vindt u alle beschikbare onderdelen en tekeningen van de 'Hikoki UC18YSL3'. Vanaf hier kunt u direct alle gewenste onderdelen bestellen. Vele onderdelen moeten bij de fabrikant besteld worden, dit duurt afhankelijk van het merk, één tot vier weken. Alle informatie die we hebben, staat op onze website, wij kunnen u geen advies geven over wat u nodig heeft, daarvoor zult u de machine ter reparatie in moeten leveren. Let bij het bestellen op het volgende:
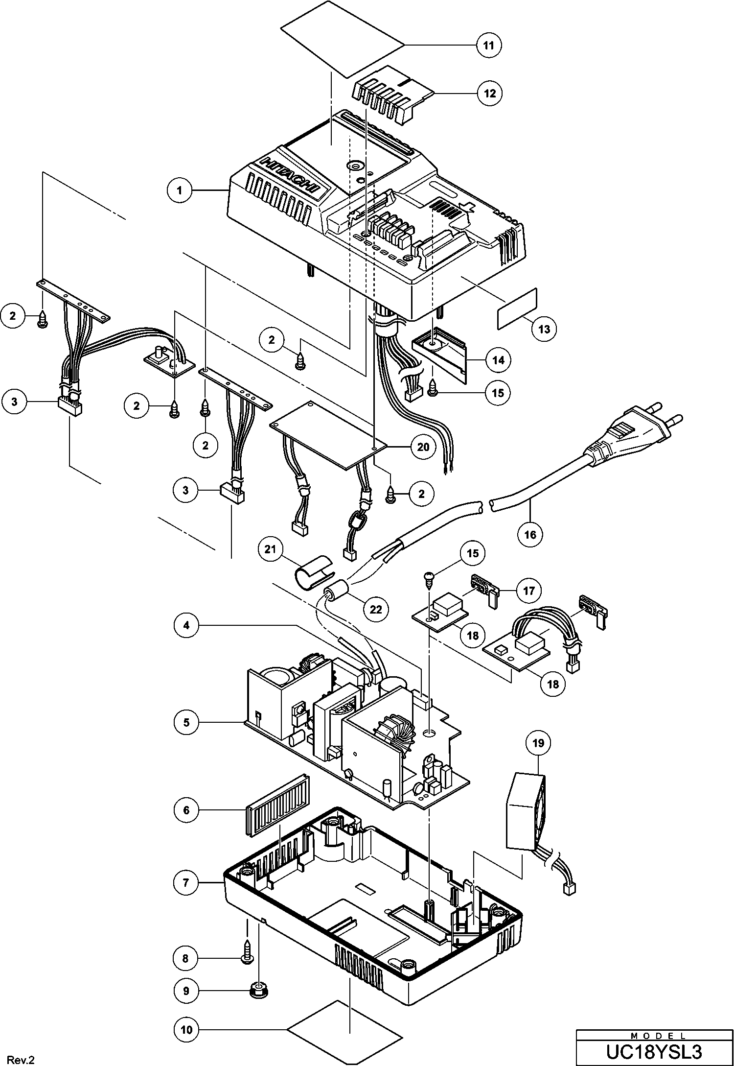
Tekeningen van de Hikoki UC18YSL3
Onderdelen lijst van de Hikoki UC18YSL3
| Pos. | Omschrijving | Prijs excl. BTW | Prijs incl. BTW | |
| Getoonde prijzen zijn inclusief btw | ||||
| LABEL | ||||
| *11 | 339340 | 1.04 | 1.26 | |
| Geen informatie beschikbaar, niet bestelbaar | ||||
| *16 | 500548Z | |||
| SNOER UC18YSL3 (OUD 500506Z) | ||||
| *16A | 500551Z | 3.18 | 3.85 | |
| TAPSCHROEF D2X8 MET RING ZWART | ||||
| *2 | 339341 | 1.04 | 1.26 | |
| Geen informatie beschikbaar, niet bestelbaar | ||||
| *5A | 379440 | |||
| BOVENGEDEELTE BEHUIZING LADER (A) | ||||
| 1 | 338710 | 7.35 | 8.89 | |
| BOVENGEDEELTE BEHUIZING LADER (A) | ||||
| 1A | 338710 | 7.35 | 8.89 | |
| TAPSCHROEF D2X8 MET RING ZWART | ||||
| 2 | 339341 | 1.04 | 1.26 | |
| Geen informatie beschikbaar, niet bestelbaar | ||||
| 3 | 339339 | |||
| LED PCB (OUD 339339) | ||||
| 3A | 382067 | 2.22 | 2.69 | |
| Niet meer leverbaar, geen vervanging | ||||
| 4 | 338726 | |||
| PCB ASS'Y (EUROPE, AUS,ASIA) | ||||
| 5 | 338721 | 43.73 | 52.91 | |
| PRINTED CIRCUITBOARD (OUD 379439) | ||||
| 5B | 382064 | 46.48 | 56.24 | |
| Geen informatie beschikbaar, niet bestelbaar | ||||
| 6 | 338725 | |||
| ONDERKANT OPLADER (B) | ||||
| 7 | 338712 | 2.40 | 2.90 | |
| Geen informatie beschikbaar, niet bestelbaar | ||||
| 7A | 379442 | |||
| TAPSCHROEF D3X18 MET RING | ||||
| 8 | 326358 | 1.20 | 1.45 | |
| TP. TORX SCHROEF D3X18 | ||||
| 8A | 376623 | 1.00 | 1.21 | |
| RUBBER VOETJE | ||||
| 9 | 338717 | 1.04 | 1.26 | |
| LABEL | ||||
| 11 | 339340 | 1.04 | 1.26 | |
| AFDEKPLAATJE | ||||
| 12 | 338715 | 1.35 | 1.63 | |
| Geen informatie beschikbaar, niet bestelbaar | ||||
| 14 | 338716 | |||
| TAPSCHROEF D3X8 TP | ||||
| 15 | 327174 | 1.65 | 2.00 | |
| CORD | ||||
| 16 | 500506Z | 3.30 | 3.99 | |
| USB KAP | ||||
| 17 | 338718 | 1.04 | 1.26 | |
| USB PCB (B) | ||||
| 18 | 339338 | 1.95 | 2.36 | |
| USB PCB (B) (OUD 339338) | ||||
| 18A | 382066 | 2.22 | 2.69 | |
| VENTILATOR | ||||
| 19 | 338724 | 6.15 | 7.44 | |
| Geen informatie beschikbaar, niet bestelbaar | ||||
| 19A | 379444 | |||
| USB PCB (A) (OUD 339337) | ||||
| 20A | 382065 | 15.12 | 18.30 | |
| CUSHION | ||||
| 21A | 370493 | 1.65 | 2.00 | |
| Geen informatie beschikbaar, niet bestelbaar | ||||
| 22 | 339342 | |||