Hier vindt u alle beschikbare onderdelen en tekeningen van de 'Makita 4304T'. Vanaf hier kunt u direct alle gewenste onderdelen bestellen. Vele onderdelen moeten bij de fabrikant besteld worden, dit duurt afhankelijk van het merk, één tot vier weken. Alle informatie die we hebben, staat op onze website, wij kunnen u geen advies geven over wat u nodig heeft, daarvoor zult u de machine ter reparatie in moeten leveren. Let bij het bestellen op het volgende:
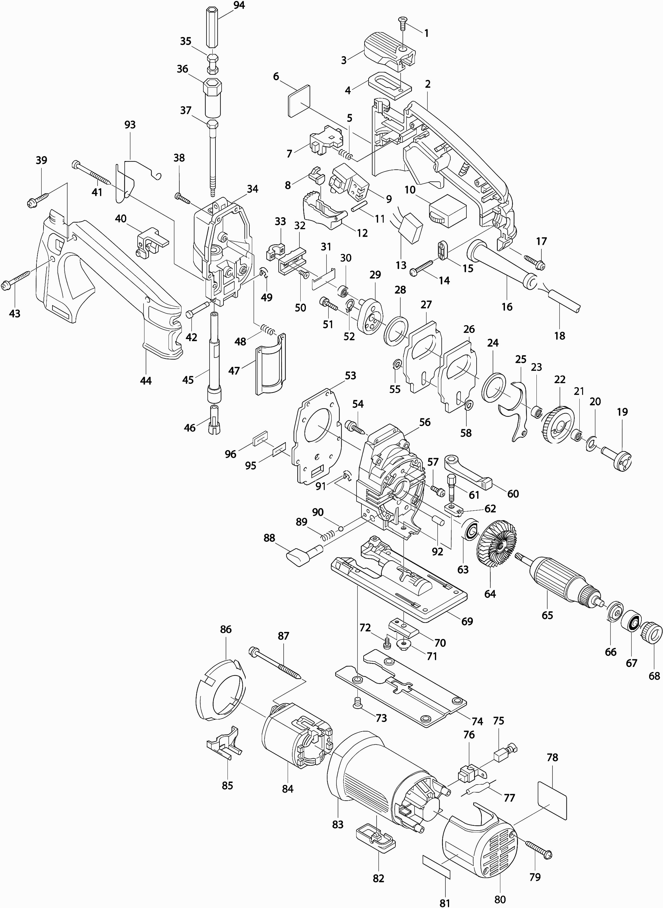
Tekeningen van de Makita 4304T
Onderdelen lijst van de Makita 4304T
| Pos. | Omschrijving | Prijs excl. BTW | Prijs incl. BTW | |
| Getoonde prijzen zijn inclusief btw | ||||
| SCHROEF M4X6 4304T | ||||
| 001 | 912102-9 | 1.00 | 1.21 | |
| Geen informatie beschikbaar, niet bestelbaar | ||||
| 002 | 182788-5 | |||
| Geen informatie beschikbaar, niet bestelbaar | ||||
| 003 | 416370-1 | |||
| BINNENHANDEL 4304T | ||||
| 004 | 344331-0 | 3.60 | 4.36 | |
| DRUKVEER 4 | ||||
| 005 | 233101-1 | 1.00 | 1.21 | |
| BLOKKERHANDEL 4304T * | ||||
| 007 | 415880-5 | 1.20 | 1.45 | |
| AFSTANDHOUDER 4304 * | ||||
| 008 | 415159-4 | 2.40 | 2.90 | |
| SCHAKELAAR SW131 A | ||||
| 009 | 651922-3 | 11.00 | 13.31 | |
| TOERENREGELUNIT 4304+5 ETC A | ||||
| 010 | 631678-4 | 22.00 | 26.62 | |
| PEN 3 JR3020 | ||||
| 011 | 256221-4 | 1.00 | 1.21 | |
| SCHAKELAARKNOP JR3020 | ||||
| 012 | 415158-6 | 3.60 | 4.36 | |
| Geen informatie beschikbaar, niet bestelbaar | ||||
| 013 | 645145-3 | |||
| TAPSCHROEF 4X18 P | ||||
| 014 | 265A48-7 | 1.00 | 1.21 | |
| KLEMSTRIP P | ||||
| 015 | 687053-2 | 1.00 | 1.21 | |
| KABELTULE 8-85 A | ||||
| 016 | 682502-4 | 2.40 | 2.90 | |
| TAPSCHROEF PT4X20 A | ||||
| 017 | 266045-0 | 1.00 | 1.21 | |
| NETSNOER 2X1.00 2.2MTR A | ||||
| 018 | 665383-1 | 10.80 | 13.07 | |
| TANDWIELAS 4304 * | ||||
| 019 | 322691-0 | 19.80 | 23.96 | |
| SLUITRING 8X0,5MM LC1230 | ||||
| 020 | 253139-0 | 1.00 | 1.21 | |
| NAALDLAGER 810 HR2010 A | ||||
| 021 | 212043-2 | 3.60 | 4.36 | |
| TANDWIEL 51 4304 | ||||
| 022 | 226428-6 | 23.10 | 27.95 | |
| NAALDLAGER 810 HR2010 A | ||||
| 023 | 212043-2 | 3.60 | 4.36 | |
| SLUITRING 26 4305/34D | ||||
| 024 | 253792-2 | 1.00 | 1.21 | |
| DRUKPLAAT 4304 | ||||
| 025 | 344134-2 | 4.80 | 5.81 | |
| BALANSPLAAT 4304 4305 NIEUW A | ||||
| 026 | 344330-2 | 7.20 | 8.71 | |
| BALANSPLAAT 4304 4305 NIEUW A | ||||
| 027 | 344330-2 | 7.20 | 8.71 | |
| SLUITRING 26 4305/34D | ||||
| 028 | 253792-2 | 1.00 | 1.21 | |
| EXCENTRIEK 4304 | ||||
| 029 | 152454-8 | 9.60 | 11.62 | |
| PEN 6 | ||||
| 029A | 256033-5 | 1.20 | 1.45 | |
| NAALDLAGER 607 | ||||
| 030 | 212010-7 | 13.20 | 15.97 | |
| TUSSENPLAAT 4304 | ||||
| 031 | 344232-2 | 1.20 | 1.45 | |
| BRUG 4304 NIEUW A | ||||
| 032 | 310028-3 | 12.10 | 14.64 | |
| BRUGHOUDER 4304 | ||||
| 033 | 316608-3 | 11.00 | 13.31 | |
| TANDWIELH.DEKSEL 4304 NIEUW A | ||||
| 034 | 153389-6 | 52.80 | 63.89 | |
| GLIJLAGER 8 | ||||
| 034A | 214005-6 | 1.20 | 1.45 | |
| GLIJLAGER 10 4304 | ||||
| 034B | 214061-6 | 2.40 | 2.90 | |
| SPANSTIFT 3-12 | ||||
| 034C | 951057-3 | 1.00 | 1.21 | |
| AFDICHTING 8 4304/05 | ||||
| 034D | 421821-1 | 1.20 | 1.45 | |
| VERBINDER 4304T | ||||
| 035 | 322839-4 | 2.40 | 2.90 | |
| VERBINDING 4304T EN 4305T # | ||||
| 036 | 416351-5 | 1.20 | 1.45 | |
| AANDRIJFPEN 4304T+4305T | ||||
| 037 | 322826-3 | 6.00 | 7.26 | |
| TAPSCHROEF CT4X16 A | ||||
| 038 | 266034-5 | 1.00 | 1.21 | |
| TAPSCHROEF PT4X20 A | ||||
| 039 | 266045-0 | 1.00 | 1.21 | |
| STEUNWIEL COMPLEET 4304 A | ||||
| 040 | 152947-5 | 14.30 | 17.30 | |
| PIN 4 4304 A | ||||
| 040A | 268074-9 | 2.40 | 2.90 | |
| ROLLER 4304 A | ||||
| 040B | 152950-6 | 8.40 | 10.16 | |
| STOPRING E-3 A | ||||
| 040C | 961017-7 | 1.00 | 1.21 | |
| TAPSCHROEF PF 4X55 A | ||||
| 041 | 266147-2 | 1.20 | 1.45 | |
| PIN 4 4304 | ||||
| 042 | 256693-3 | 2.40 | 2.90 | |
| SCHROEF 4X35 A | ||||
| 043 | 266351-3 | 1.00 | 1.21 | |
| Geen informatie beschikbaar, niet bestelbaar | ||||
| 044 | 182788-5 | |||
| ZAAGAS 4304T+4305T | ||||
| 045 | 168282-1 | 22.00 | 26.62 | |
| ZAAGBLADKLEM 4304T+4305T | ||||
| 046 | 310005-5 | 13.20 | 15.97 | |
| GELEIDEPLAAT 4304 | ||||
| 047 | 344137-6 | 2.40 | 2.90 | |
| DRUKVEER 4 A | ||||
| 048 | 231314-8 | 1.00 | 1.21 | |
| STOPRING E-3 A | ||||
| 049 | 961017-7 | 1.00 | 1.21 | |
| VERZONKEN SCHROEF M4X12 | ||||
| 050 | 251263-3 | 3.60 | 4.36 | |
| INBUSBOUT M4X16 | ||||
| 051 | 922126-7 | 1.00 | 1.21 | |
| BORGRING S-8 | ||||
| 052 | 961004-6 | 1.00 | 1.21 | |
| TANDWIELH.DEKS PAKKING 4304 A | ||||
| 053 | 442123-2 | 1.20 | 1.45 | |
| TAPSCHROEF PT4X20 A | ||||
| 054 | 266045-0 | 1.00 | 1.21 | |
| SLUITRING 6 | ||||
| 055 | 253715-0 | 1.20 | 1.45 | |
| Niet meer leverbaar, geen vervanging | ||||
| 056 | 151595-7 | |||
| PEN 5 * | ||||
| 056A | 256235-3 | 1.00 | 1.21 | |
| Geen informatie beschikbaar, niet bestelbaar | ||||
| 056B | 256177-1 | |||
| PEN 5 * | ||||
| 056C | 256754-9 | 2.40 | 2.90 | |
| SPANSTIFT 3-8 | ||||
| 056D | 951051-5 | 1.00 | 1.21 | |
| RUBBER PEN 4 6413 A | ||||
| 056E | 263002-9 | 1.00 | 1.21 | |
| SCHROEF 4X10 | ||||
| 057 | 911111-5 | 1.00 | 1.21 | |
| SLUITRING 6 | ||||
| 058 | 253715-0 | 1.20 | 1.45 | |
| HANDEL 65 4304T+4305T # | ||||
| 060 | 272232-1 | 2.40 | 2.90 | |
| ZESKANTBOUT 5X24 | ||||
| 061 | 265434-6 | 4.80 | 5.81 | |
| MOER M6 | ||||
| 062 | 344332-8 | 2.40 | 2.90 | |
| KOGELLAGER 608DDW A | ||||
| 063 | 210005-4 | 4.80 | 5.81 | |
| WAAIER 54 4304/4304T/4305 | ||||
| 064 | 240039-3 | 3.60 | 4.36 | |
| ANKER 4304-4305 | ||||
| 065 | 517098-5 | 56.10 | 67.88 | |
| ISOLATIERING 9521NB-9522NB A | ||||
| 066 | 681636-0 | 1.20 | 1.45 | |
| KOGELLAGER 607LLB A | ||||
| 067 | 211021-9 | 4.80 | 5.81 | |
| RUBBER RING 9521NB-9522NB | ||||
| 068 | 421494-0 | 4.80 | 5.81 | |
| Niet meer leverbaar, geen vervanging | ||||
| 069 | 316777-0 | |||
| BEVESTIGINGSPLAAT 4304T+4305T | ||||
| 070 | 344333-6 | 4.80 | 5.81 | |
| MOER MET FLENS M5 | ||||
| 071 | 252142-8 | 6.00 | 7.26 | |
| SCHROEF 4X8 | ||||
| 072 | 911109-2 | 1.00 | 1.21 | |
| VERZONKEN SCHROEF M5X8 | ||||
| 073 | 912202-5 | 1.00 | 1.21 | |
| AFDEKPLAAT VOOR VOETZOOL 4304A | ||||
| 074 | 344443-9 | 15.40 | 18.63 | |
| KOOLBORSTEL SET CB-419 A | ||||
| 075 | 195015-1 | 4.80 | 5.81 | |
| Koolborstelhouder Hp1500 P | ||||
| 076 | 643923-5 | 1.18 | 1.43 | |
| WEERSTAND 4304T * | ||||
| 077 | 646067-0 | 3.60 | 4.36 | |
| TAPSCHROEF PT4X30 A | ||||
| 079 | 266050-7 | 1.00 | 1.21 | |
| ACHTERHUIS 4304 | ||||
| 080 | 415532-8 | 8.40 | 10.16 | |
| AFDEKKAP 4304 * | ||||
| 082 | 415538-6 | 2.40 | 2.90 | |
| MOTORHUIS 4304 * | ||||
| 083 | 415748-5 | 13.20 | 15.97 | |
| VELD 4304-4305 | ||||
| 084 | 633288-3 | 18.70 | 22.63 | |
| Geen informatie beschikbaar, niet bestelbaar | ||||
| 085 | 415879-0 | |||
| TUSSENPLAAT 4304T+4305T * | ||||
| 086 | 415878-2 | 1.20 | 1.45 | |
| TAPSCHROEF PT4X60 | ||||
| 087 | 266052-3 | 1.20 | 1.45 | |
| VERSTELKNOP 4304 | ||||
| 088 | 272231-3 | 8.40 | 10.16 | |
| DRUKVEER 4 A | ||||
| 089 | 231314-8 | 1.00 | 1.21 | |
| STALEN KOGEL 4 A | ||||
| 090 | 216008-6 | 1.00 | 1.21 | |
| STOPRING E-5 | ||||
| 091 | 961018-5 | 1.00 | 1.21 | |
| RUBBER PEN 4 6413 A | ||||
| 092 | 263002-9 | 1.00 | 1.21 | |
| BESCHERMVEER VOOR 4304 SERIE | ||||
| 093 | 322893-8 | 2.40 | 2.90 | |
| ZESKANT BUS 4304T EN 4305T | ||||
| 094 | 344537-0 | 1.20 | 1.45 | |
| BORGPLAAT 4304 | ||||
| 095 | 344784-3 | 1.00 | 1.21 | |
| AFDICHTING VILT 4304 | ||||
| 096 | 443106-5 | 1.00 | 1.21 | |