Hier vindt u alle beschikbare onderdelen en tekeningen van de 'Makita 6015D'. Vanaf hier kunt u direct alle gewenste onderdelen bestellen. Vele onderdelen moeten bij de fabrikant besteld worden, dit duurt afhankelijk van het merk, één tot vier weken. Alle informatie die we hebben, staat op onze website, wij kunnen u geen advies geven over wat u nodig heeft, daarvoor zult u de machine ter reparatie in moeten leveren. Let bij het bestellen op het volgende:
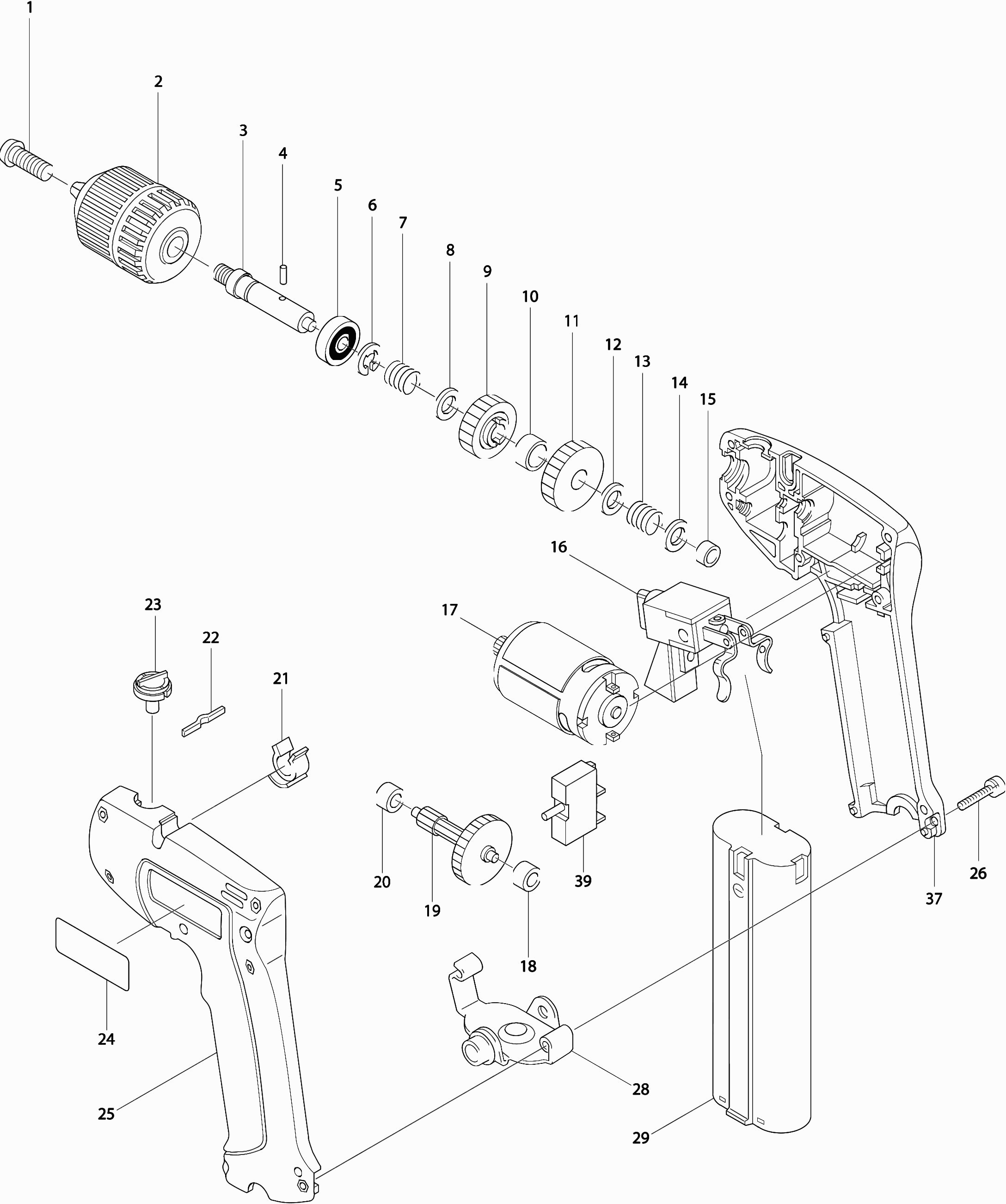
Tekeningen van de Makita 6015D
Onderdelen lijst van de Makita 6015D
| Pos. | Omschrijving | Prijs excl. BTW | Prijs incl. BTW | |
| Getoonde prijzen zijn inclusief btw | ||||
| SCHROEF 5X18 BOORK. LINKS DR # | ||||
| 001 | 251457-0 | 1.00 | 1.21 | |
| BOORKOPAS 6012DWK-6012HDW | ||||
| 003 | 321723-0 | 8.40 | 10.16 | |
| PEN 3 | ||||
| 004 | 256101-4 | 1.00 | 1.21 | |
| KOGELLAGER 6000LLB P | ||||
| 005 | 211061-7 | 8.40 | 10.16 | |
| STOPRING E-9 | ||||
| 006 | 961015-1 | 1.00 | 1.21 | |
| DRUKVEER 10 6095D | ||||
| 007 | 231250-8 | 1.00 | 1.21 | |
| DUNNE SLUITRING 10 | ||||
| 008 | 253330-0 | 1.00 | 1.21 | |
| TANDWIEL 69 6012DWK * | ||||
| 009 | 221861-7 | 13.20 | 15.97 | |
| Geen informatie beschikbaar, niet bestelbaar | ||||
| 010 | 257073-6 | |||
| TANDWIEL 78 6012DWK-6012HDW | ||||
| 011 | 221862-5 | 18.70 | 22.63 | |
| DUNNE SLUITRING 10 | ||||
| 012 | 253330-0 | 1.00 | 1.21 | |
| DRUKVEER 10 6095D | ||||
| 013 | 231250-8 | 1.00 | 1.21 | |
| SLUITRING 5X3,5MM | ||||
| 014 | 253807-5 | 1.00 | 1.21 | |
| GLIJLAGER 5 | ||||
| 015 | 214017-9 | 1.00 | 1.21 | |
| SCHAKELAAR SW-27 A/U+L/R A | ||||
| 016 | 531043-6 | 14.30 | 17.30 | |
| MOTOR 7,2VOLT DA301/ 6012D A | ||||
| 017 | 629801-3 | 13.20 | 15.97 | |
| GLIJLAGER 3 | ||||
| 018 | 214016-1 | 1.00 | 1.21 | |
| TANDWIEL COMPL 6012D * | ||||
| 019 | 153126-8 | 23.10 | 27.95 | |
| GLIJLAGER 3 | ||||
| 020 | 214016-1 | 1.00 | 1.21 | |
| BOORSLEUTELKLEM 6012DWK-ETC | ||||
| 021 | 411640-3 | 1.00 | 1.21 | |
| BLADVEER | ||||
| 022 | 232053-3 | 1.00 | 1.21 | |
| HOOG-LAAG KNOP 6012DWK-6072DWK | ||||
| 023 | 168097-6 | 4.80 | 5.81 | |
| Geen informatie beschikbaar, niet bestelbaar | ||||
| 025 | 181337-5 | |||
| SCHROEF 4X22 | ||||
| 026 | 911143-2 | 1.00 | 1.21 | |
| BATTERIJKLEMPLAAT A | ||||
| 028 | 342833-0 | 2.40 | 2.90 | |
| THERM.BEVEILIGING 6012DWK ETC | ||||
| 039 | 652532-9 | 6.00 | 7.26 | |