Hier vindt u alle beschikbare onderdelen en tekeningen van de 'Makita 6073D'. Vanaf hier kunt u direct alle gewenste onderdelen bestellen. Vele onderdelen moeten bij de fabrikant besteld worden, dit duurt afhankelijk van het merk, één tot vier weken. Alle informatie die we hebben, staat op onze website, wij kunnen u geen advies geven over wat u nodig heeft, daarvoor zult u de machine ter reparatie in moeten leveren. Let bij het bestellen op het volgende:
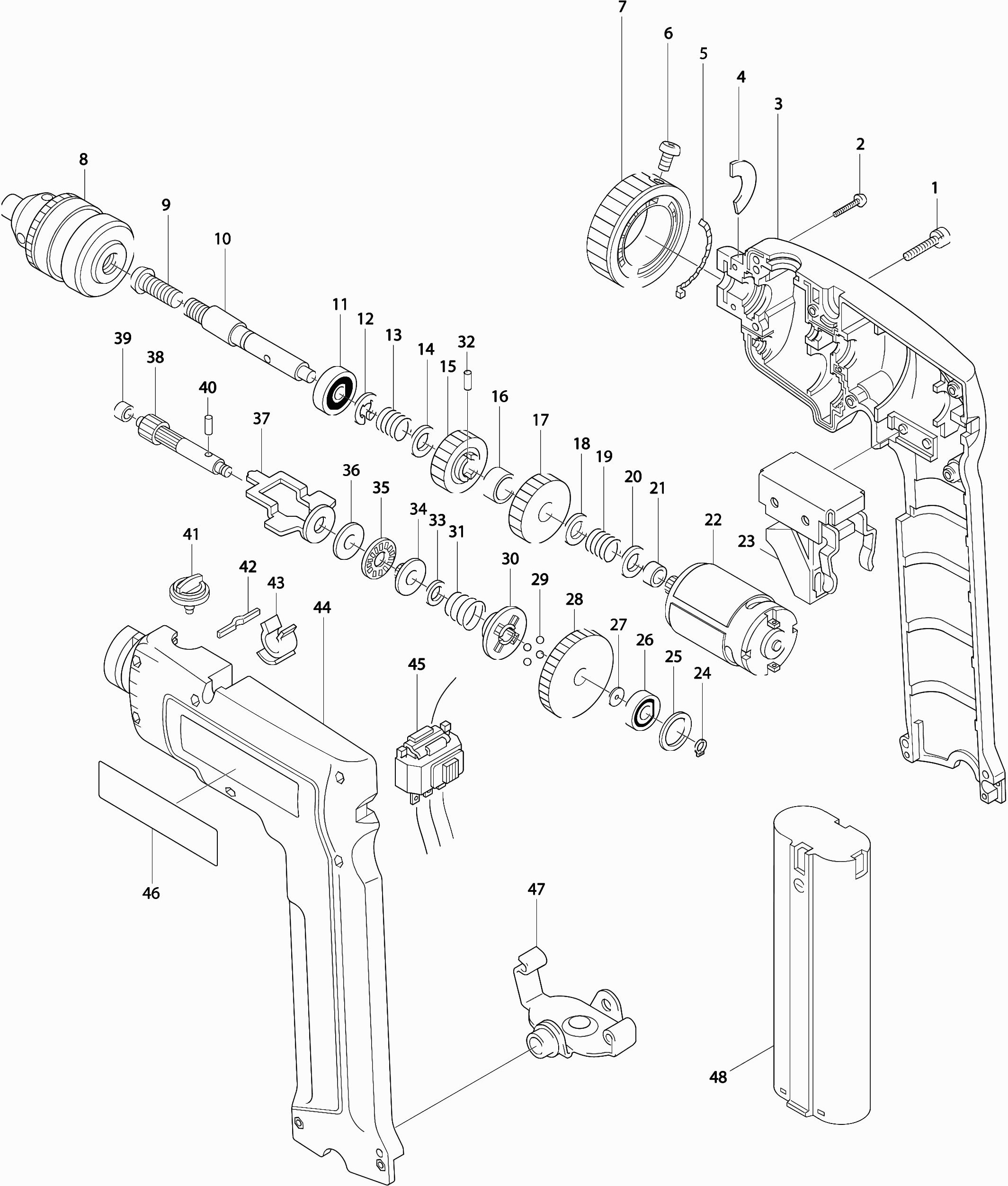
Tekeningen van de Makita 6073D
Onderdelen lijst van de Makita 6073D
| Pos. | Omschrijving | Prijs excl. BTW | Prijs incl. BTW | |
| Getoonde prijzen zijn inclusief btw | ||||
| SCHROEF 4X22 | ||||
| 001 | 911143-2 | 1.00 | 1.21 | |
| SCHROEF 4X35 | ||||
| 002 | 911163-6 | 1.00 | 1.21 | |
| MOTORHUIS 6073DW-6074DW-6075 * | ||||
| 003 | 181974-5 | 26.40 | 31.94 | |
| Niet meer leverbaar, geen vervanging | ||||
| 004 | 343421-6 | |||
| NOKKENKRANS 6093DW | ||||
| 005 | 343410-1 | 2.40 | 2.90 | |
| SCHROEF 5X12 | ||||
| 006 | 251322-3 | 1.00 | 1.21 | |
| SCHAKELRING 6093DW | ||||
| 007 | 410936-9 | 8.40 | 10.16 | |
| Boorkop snelspan 1-10mm | ||||
| 008A | 192016-0 | 23.00 | 27.83 | |
| Boorkop S2A tandkrans 1-10mm | ||||
| 008B | 192550-0 | 14.00 | 16.94 | |
| Boorkopsleutel KG | ||||
| 008C | 763447-6 | 3.00 | 3.63 | |
| SCHROEF 5X18 BOORK. LINKS DR # | ||||
| 009 | 251457-0 | 1.00 | 1.21 | |
| AS 6093DW-6095DW | ||||
| 010 | 321995-7 | 11.00 | 13.31 | |
| KOGELLAGER 6000LLB P | ||||
| 011 | 211061-7 | 8.40 | 10.16 | |
| STOPRING E-9 | ||||
| 012 | 961015-1 | 1.00 | 1.21 | |
| DRUKVEER 10 6095D | ||||
| 013 | 231250-8 | 1.00 | 1.21 | |
| DUNNE SLUITRING 10 | ||||
| 014 | 253330-0 | 1.00 | 1.21 | |
| TANDWIEL 78 6012DWK-6012HDW | ||||
| 015 | 221862-5 | 18.70 | 22.63 | |
| Geen informatie beschikbaar, niet bestelbaar | ||||
| 016 | 257073-6 | |||
| TANDWIEL 93 6012HDW | ||||
| 017 | 221884-5 | 17.60 | 21.30 | |
| DUNNE SLUITRING 10 | ||||
| 018 | 253330-0 | 1.00 | 1.21 | |
| DRUKVEER 10 6095D | ||||
| 019 | 231250-8 | 1.00 | 1.21 | |
| SLUITRING 5X3,5MM | ||||
| 020 | 253807-5 | 1.00 | 1.21 | |
| GLIJLAGER 5 | ||||
| 021 | 214017-9 | 1.00 | 1.21 | |
| MOTOR 7.2 V 6073DW-6075DW * | ||||
| 022 | 629557-8 | 14.30 | 17.30 | |
| Geen informatie beschikbaar, niet bestelbaar | ||||
| 023 | 651347-1 | |||
| BORGRING S-6 P | ||||
| 024 | 961002-0 | 1.00 | 1.21 | |
| SLUITRING 14 | ||||
| 025 | 253842-3 | 1.00 | 1.21 | |
| KOGELLAGER 626LLB A | ||||
| 026 | 211016-2 | 6.00 | 7.26 | |
| SLUITRING 6 BLS713 P | ||||
| 027 | 253804-1 | 1.00 | 1.21 | |
| TANDWIEL 76 6073-6074-6075DW * | ||||
| 028 | 226234-9 | 10.80 | 13.07 | |
| Geen informatie beschikbaar, niet bestelbaar | ||||
| 029 | 216011-7 | |||
| KOPPELINGPLAAT 6073-75-93-95DW | ||||
| 030 | 223086-9 | 4.80 | 5.81 | |
| Geen informatie beschikbaar, niet bestelbaar | ||||
| 031 | 231927-5 | |||
| PEN 3 | ||||
| 032 | 256101-4 | 1.00 | 1.21 | |
| RING 8 | ||||
| 033 | 257141-5 | 2.40 | 2.90 | |
| SCHIJF 6012HDW-6095DW | ||||
| 034 | 341902-4 | 1.00 | 1.21 | |
| DRUKNAALDLAGER 1023 A | ||||
| 035 | 216413-7 | 3.60 | 4.36 | |
| SLUITRING 8 * | ||||
| 036 | 253851-2 | 1.00 | 1.21 | |
| SLEDE 6093DW | ||||
| 037 | 164840-1 | 3.60 | 4.36 | |
| TANDWIEL 12-28 6012HDW-6095DW | ||||
| 038 | 226062-2 | 26.40 | 31.94 | |
| GLIJLAGER 4 | ||||
| 039 | 214019-5 | 1.00 | 1.21 | |
| PEN 3 A | ||||
| 040 | 256157-7 | 1.00 | 1.21 | |
| VERSTELKNOP 6012HDW-6095DW | ||||
| 041 | 168096-8 | 4.80 | 5.81 | |
| BLADVEER | ||||
| 042 | 232053-3 | 1.00 | 1.21 | |
| BOORSLEUTELKLEM 6012DWK-ETC | ||||
| 043 | 411640-3 | 1.00 | 1.21 | |
| Geen informatie beschikbaar, niet bestelbaar | ||||
| 045 | 531057-5 | |||
| BATTERIJKLEMPLAAT A | ||||
| 047 | 342833-0 | 2.40 | 2.90 | |