Hier vindt u alle beschikbare onderdelen en tekeningen van de 'Makita 8401'. Vanaf hier kunt u direct alle gewenste onderdelen bestellen. Vele onderdelen moeten bij de fabrikant besteld worden, dit duurt afhankelijk van het merk, één tot vier weken. Alle informatie die we hebben, staat op onze website, wij kunnen u geen advies geven over wat u nodig heeft, daarvoor zult u de machine ter reparatie in moeten leveren. Let bij het bestellen op het volgende:
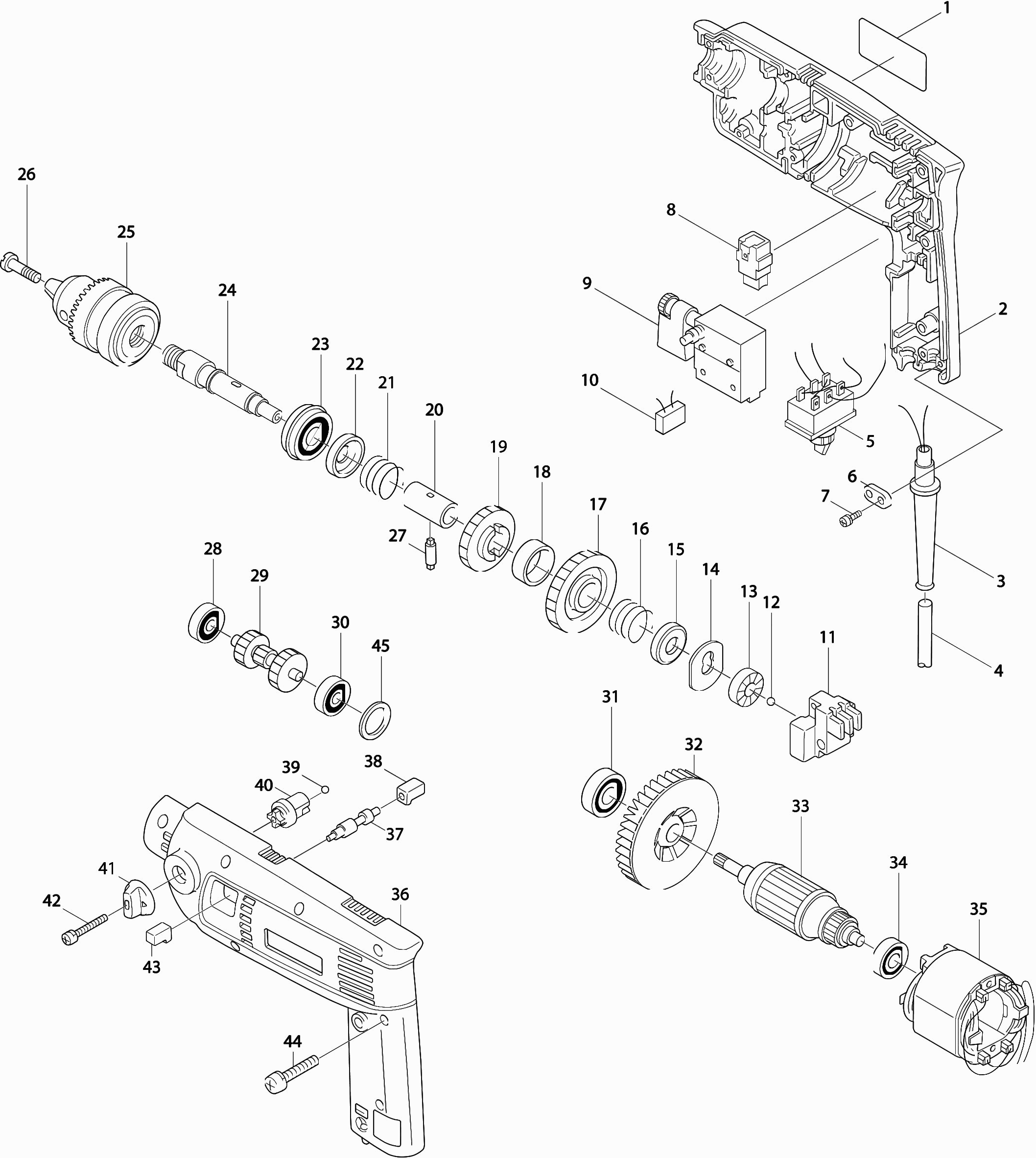
Tekeningen van de Makita 8401
Onderdelen lijst van de Makita 8401
| Pos. | Omschrijving | Prijs excl. BTW | Prijs incl. BTW | |
| Getoonde prijzen zijn inclusief btw | ||||
| Geen informatie beschikbaar, niet bestelbaar | ||||
| 002 | 182552-4 | |||
| KABELTULE 8-85 A | ||||
| 003 | 682502-4 | 2.40 | 2.90 | |
| NETSNOER 2X1.00 2.2MTR A | ||||
| 004 | 665383-1 | 10.80 | 13.07 | |
| SCHAKELAAR SW-78 8908K539 A | ||||
| 005 | 651478-6 | 11.00 | 13.31 | |
| KLEMSTRIP SR2600 | ||||
| 006 | 687031-2 | 1.00 | 1.21 | |
| SCHROEF 4X18 | ||||
| 007 | 911133-5 | 1.00 | 1.21 | |
| Koolborstel Set Cb-415 P | ||||
| 008 | 191950-1 | 5.71 | 6.91 | |
| SCHAKELAAR SW121 A | ||||
| 009 | 651256-4 | 28.60 | 34.61 | |
| Geen informatie beschikbaar, niet bestelbaar | ||||
| 011 | 152355-0 | |||
| STALEN KOGEL 4.8 | ||||
| 012 | 216002-8 | 1.00 | 1.21 | |
| Geen informatie beschikbaar, niet bestelbaar | ||||
| 013 | 223085-1 | |||
| SLUITRING 13 * | ||||
| 014 | 253986-9 | 1.20 | 1.45 | |
| SLUITRING 13 * | ||||
| 015 | 253987-7 | 2.40 | 2.90 | |
| DRUKVEER 25 * | ||||
| 016 | 231477-0 | 1.00 | 1.21 | |
| TANDWIEL 41 8401 * | ||||
| 017 | 226213-7 | 23.10 | 27.95 | |
| RING 24 | ||||
| 018 | 257159-6 | 3.60 | 4.36 | |
| Geen informatie beschikbaar, niet bestelbaar | ||||
| 019 | 226212-9 | |||
| Geen informatie beschikbaar, niet bestelbaar | ||||
| 020 | 214159-9 | |||
| DRUKVEER 25 * | ||||
| 021 | 231477-0 | 1.00 | 1.21 | |
| SLUITRING 13 * | ||||
| 022 | 253987-7 | 2.40 | 2.90 | |
| KOGELLAGER 6202LLB A | ||||
| 023 | 211228-7 | 8.40 | 10.16 | |
| BOORKOPAS 8401 * | ||||
| 024 | 322296-6 | 39.60 | 47.92 | |
| Geen informatie beschikbaar, niet bestelbaar | ||||
| 025 | 192541-1 | |||
| SCHROEF 6X22 A | ||||
| 026 | 251469-3 | 1.20 | 1.45 | |
| PEN 5,5 | ||||
| 027 | 256430-5 | 7.20 | 8.71 | |
| KOGELLAGER 626LLB A | ||||
| 028 | 211016-2 | 6.00 | 7.26 | |
| TANDWIEL COMPLEET 9-18-34 840* | ||||
| 029 | 226117-3 | 34.10 | 41.26 | |
| KOGELLAGER 626LLB A | ||||
| 030 | 211016-2 | 6.00 | 7.26 | |
| KOGELLAGER 608LLB A | ||||
| 031 | 210043-6 | 2.40 | 2.90 | |
| WAAIER 52 * | ||||
| 032 | 241844-1 | 4.80 | 5.81 | |
| Geen informatie beschikbaar, niet bestelbaar | ||||
| 033 | 511993-1 | |||
| KOGELLAGER 627LLB A | ||||
| 034 | 210025-8 | 3.60 | 4.36 | |
| Geen informatie beschikbaar, niet bestelbaar | ||||
| 035 | 633213-4 | |||
| VERSTELPEN 8401 * | ||||
| 037 | 322297-4 | 6.00 | 7.26 | |
| Geen informatie beschikbaar, niet bestelbaar | ||||
| 038 | 414437-9 | |||
| STALEN KOGEL 6.4 | ||||
| 039 | 216007-8 | 1.00 | 1.21 | |
| Geen informatie beschikbaar, niet bestelbaar | ||||
| 040 | 415143-9 | |||
| Geen informatie beschikbaar, niet bestelbaar | ||||
| 041 | 415142-1 | |||
| SCHROEF 4X16 A | ||||
| 042 | 911526-6 | 1.00 | 1.21 | |
| Geen informatie beschikbaar, niet bestelbaar | ||||
| 043 | 414437-9 | |||
| SCHROEF 4X22 | ||||
| 044 | 911143-2 | 1.00 | 1.21 | |